Текст книги "Большая Советская Энциклопедия (ИН)"
Автор книги: Большая Советская Энциклопедия
Жанр:
Энциклопедии
сообщить о нарушении
Текущая страница: 3 (всего у книги 66 страниц)
Инверсия (в математике)
Инве'рсия, 1) в геометрии И. относительно данной окружности радиуса R с центром О – преобразование (рис. ), при котором точка Р переходит в точку P' (на рис. точки Р и P' даны с числовыми индексами), лежащую на луче OP на расстоянии OP' = R2 /OP от центра О ; число R2 называется коэффициентом И. При И. прямые и окружности переходят в прямые и окружности, причём окружности, например, могут перейти в прямые, и наоборот. Аналогично определяется И. в пространстве относительно сферы. Преобразование И. имеет многочисленные приложения в геометрии (интерпретация геометрии Лобачевского, теория геометрических построений), в теории механизмов – так называемые инверсоры.
2) В комбинаторике И. – нарушение нормального порядка двух элементов в перестановке независимо от того, стоят ли эти два элемента рядом или отделены друг от друга какими-либо элементами. Например, в перестановке eacbd элементы а и е , с и е , b и е , d и е , b и с образуют И., если нормальным порядком считать abcde.
Инверсия (в филологии)
Инве'рсия (от лат. inversio – переворачивание, перестановка), изменение обычного порядка слов в предложении. И., как правило, используется для выделения переставленного элемента предложения или для придания всему предложению особого смысла. В языках с фиксированным порядком слов И. имеет грамматическую нагрузку, например для образования вопросительных предложений в русском, английском, французском языках. И. – один из способов реализации актуального членения предложения . Например: русское «Видел я отца», немецкое Den Sohn liebt die Mutter – «Сына любит мать». Нередко формы И., не принятые в обычной речи, используются в поэзии; например, у А. С. Пушкина: «Минутных жизни впечатлений Не сохранит душа моя...», или: «Под вечер, осенью ненастной, В далёких дева шла местах...».
Инверсия (в химии)
Инве'рсия в химии, 1) изменение конформации циклической молекулы, в результате чего меняется ориентация заместителя относительно кольца. Например, метилциклогексан существует в виде равновесной смеси двух конформаций с преобладанием формы II:

Частота И. зависит от характера заместителей и температуры. См. Стереохимия , Конформационный анализ .
2) Переход конфигурации молекулы, содержащей трёхвалентный «пирамидальный» атом (например, азота или мышьяка), в зеркально противоположную. Так, для молекулы с трёхвалентным азотом формы I и II – антиподы оптические :

где а, b, с– различные атомы или группы атомов. Энергетический барьер И. обычно невысок и зависит от температуры и характера а, b, с . По отношению к атому углерода («тетраэдрический» атом) обычно употребляется термин «обращение конфигурации» (см. Изомерия ).
3) Инверсия сахаров – гидролиз сахарозы (например, свекловичного сахара), сопровождающийся изменением направления вращения плоскости поляризованного луча света раствором сахара. См. Сахара .
Б. Л. Дяткин.
Инверсия населённостей
Инве'рсия населённостей в физике, состояние вещества, при котором более высокие уровни энергии составляющих его частиц (атомов, молекул и т. п.) больше «населены» частицами, чем нижние (см. Населённость уровня ). В обычных условиях (при тепловом равновесии) имеет место обратное соотношение: на верхних уровнях находится меньше частиц, чем на нижних (см. Больцмана статистика ).
Инверсия рельефа
Инве'рсия релье'фа, обращенный рельеф, изменение рельефа агентами денудации с образованием обратных соотношений между геологическими структурами и формами рельефа (например, на антиклиналях могут возникнуть речные долины, а на синклиналях – горные хребты).

Инверсия рельефа: 1 – останцовые возвышенности, приуроченные к синклинальным структурам в результате выхода на поверхность пластов стойких горных пород; 2 – речные долины, заложенные вдоль сводов антиклиналей, сложенных податливыми горными породами.
Инверсия тектоническая
Инве'рсия тектони'ческая, важнейшая стадия в цикле развития геосинклинали , выражающаяся в смене опусканий земной коры поднятиями. С ней связаны: начало роста горных хребтов, смятие слоев горных пород в складки, внедрение гранитов, региональный метаморфизм. До начала И. т. в геосинклинали преобладающее значение имело прогибание земной коры; после И. т. преобладают поднятия, в результате которых на месте морской впадины, покрывавшей ранее геосинклиналь, постепенно образуется горная страна. Наиболее высокие хребты обычно поднимаются там, где до И. т. были наиболее глубокие прогибы, в которых накапливались осадочные и вулканические породы большой мощности (так называемая частная И. т.).
Инверсно-магнетронный манометр
Инве'рсно-магнетро'нный мано'метр, магнитный электроразрядный манометр, сходный по конструкции с магнетроном , но с обратной по сравнению с ним полярностью приложенного напряжения. Диапазон измерений от 1,33×10-2 до 1,33×10-12н/м2 (10-4 —10-14мм рт. ст. ). См. Вакуумметрия .
Инверсный каскад
Инве'рсный каска'д, фазоинверсный, или парафазный, каскад, усилительный каскад на транзисторе или электронной лампе, на выходе которого получаются 2 равных по амплитуде и противоположных по фазе (сдвинутых на 180°) электрических напряжения. И. к. применяют главным образом в двухтактных усилителях мощности колебаний звуковой частоты. См. Электрических сигналов усилитель .
Инвертирование
Инверти'рование в электроэнергетике (от лат. inverto – переворачиваю, обращаю, изменяю), превращение постоянного электрического тока в однофазный или многофазный переменный ток с помощью устройства, состоящего из управляемых вентилей электрических . И. – процесс, обратный выпрямлению.
На практике применяют схемы И. с несколькими вентилями. Потери энергии при И. зависят от падения напряжения DU в вентилях. Отношение потерь в вентиле к полезной преобразуемой мощности приближённо равно DU /U, где U – напряжение источника постоянного тока. В ртутных вентилях DU не превышает нескольких десятков в . При постоянном напряжении в несколько кв потери в вентилях при И. меньше 1%. Потери в остальных частях схемы (дроссели, конденсаторы, цепи управления) обычно не превышают нескольких процентов. Полный кпд при И. обычно выше 90%.
Инвертор
Инве'ртор 1) в технике преобразования видов электрического тока устройство для инвертирования тока или напряжения. Различают И. зависимые (ведомые электрической сетью) и автономные. В зависимых И. между источниками постоянного и переменного тока (рис. 1 ) включены управляемый вентиль В , сопротивление R и катушка индуктивности L . В режиме выпрямления (раннее зажигание вентиля) сдвиг фаз j между напряжением машины переменного тока и основной волной тока через вентиль меньше 90°. Машина переменного тока работает как генератор, а постоянного тока – как двигатель (рис. 1 , а). В режиме инвертирования (позднее зажигание вентиля) сдвиг фаз j больше 90° и машина переменного тока работает как двигатель, а постоянного тока – как генератор. Для перехода от выпрямления к инвертированию необходимо ещё изменить либо полярность напряжения со стороны постоянного тока (рис. 1 , б), либо направление тока вентиля (рис. 1 , в). Для восстановления управляемости вентиля на нём должно быть отрицательное напряжение в течение некоторого времени после прохождения импульса тока. Поэтому сдвиг фаз j при инвертировании обычно не равен 180° и в цепи переменного тока циркулирует также и реактивная мощность основной частоты, называемая мощностью сдвига.
В автономных И. (рис. 2 ) конденсатор С заряжается через дроссель D от источника постоянного тока, а затем разряжается через вентиль В и первичную обмотку трансформатора Т . В его вторичной обмотке получается чисто переменный ток.
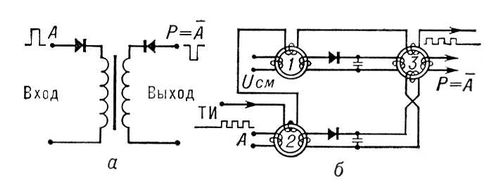
2) В вычислительной технике электронное устройство с одним входом и одним выходом, сигнал на выходе которого возникает лишь при отсутствии сигнала на входе. Применяется для реализации элементарной логической операции «НЕ». Различают И. потенциальный и импульсный. Потенциальный И. обеспечивает низкий уровень напряжения на выходе при высоком уровне на входе и наоборот (рис. 3 ). Импульсный И. инвертирует импульсные сигналы. При этом возможны два варианта: а) И., изменяющий полярность входных сигналов (рис. 4 , а); б) И., формирующий импульс на выходе при отсутствии импульсного сигнала на входе и не выдающий никакого сигнала при наличии импульса во входной цепи. При этом соотношение между полярностями входного и выходного сигналов не имеет значения (рис. 4 , б).
И. также называют решающий усилитель аналоговых вычислительных машин, используемый для осуществления преобразования вида:
хвых (t ) = – хвх (t ).

Рис. 3. Схема потенциального инвертора: а – на трёхэлектродной лампе; б – на транзисторе типа р – n – р; A – входной сигнал; Р – выходной сигнал; R – омическое сопротивление; С – конденсатор; Е – источник постоянного тока (напряжения).

Рис. 2. Схема самовозбуждающегося (автономного) инвертора.

Рис. 1. Схема преобразования тока: а – режим выпрямления; б и в – режимы инвертирования; В – вентиль; U – напряжение; R – омическое сопротивление; L – катушка индуктивности: Em – амплитуда напряжения; (w – круговая частота; t – время ).

Рис. 4. Схема импульсного инвертора: a – на импульсном трансформаторе; б – на ферритовых сердечниках; А – входной сигнал; Р – выходной сигнал; ТИ – тактовые импульсы; Uсм – смещение.
Инвеститура
Инвеститу'ра (позднелат. investitura, от лат. investio – облачаю, облекаю), в средние века в Западной Европе юридический акт передачи земельного феода (лена) , должности, сана, закреплявший вассальную зависимость (см. Вассалитет ) и сопровождавшийся символическим обрядом: передачей сеньором вассалу горсти земли, перчатки, меча, копья, знамени, скипетра и т. п. символов власти. Особым видом И. была церковная И., состоявшая в назначении на церковную должность и введении в сан; сопровождалась двумя актами: вручением посоха и кольца, символизировавших духовную власть, и передачей земельного владения и скипетра – символа светской власти. До конца 11 в. право церковной И. фактически принадлежало светской власти (в Англии королю, в «Священной Римской империи» – императору). В конце 11 в. с притязаниями на исключительное право церковной И. выступило папство. Папа Григорий VII, рассматривавший подчинение западноевропейского духовенства своей власти как первый шаг к осуществлению политического главенства римской курии над странами Западной Европы, запретил в 1075 императору давать И. прелатам. Между империей и папством началась так называемая борьба за инвеституру (1076), которая переплеталась с выступлениями светской и церковной знати против попыток Генриха IV укрепить королевскую власть в Германии. Немецкие епископы сопротивлялись попыткам как императора, так и папы ограничить их самостоятельность. В ожесточённой и длительной борьбе, критическим эпизодом которой была Каносса (1077), ни той, ни другой стороне не удалось одержать победу. Лишь в 1122 был заключён компромиссный Вормсский конкордат. Избранные капитулами прелаты получали духовную И. от папы, а светскую от императора. В Германии обеспечивалось участие императора в избрании прелатов, которым сразу же давалась светская И.; в Италии и Бургундии император был лишён участия в избрании прелатов и давал им светскую И. лишь 6 месяцев спустя. Вормсский конкордат был всё же более выгоден папе, чем императору: он закреплял фактическое крушение так называемой епископальной системы, являвшейся со времени Оттона I (936—973) орудием королевской власти. Длительная борьба за И. способствовала усилению самостоятельности церковных и светских князей в Германии.
Спор об И. распространился и на другие страны Западной Европы, хотя нигде не принял таких острых форм, как в империи. Конфликт королевской власти с папством в Англии и Франции закончился (во Франции в 1104, в Англии в 1107) компромиссом: короли отказались от И. кольцом и посохом, но сохранили право передачи владений епископам и фактически продолжали оказывать влияние на их выборы.
Лит.: Bernheim Е., Quellen zur Geschichte des Investiturstreites, Tl 1—2, Lpz. – В., 1913—14; Brooke Z. N., Lay investiture, and its relation to the conflict of impire and papacy, Oxf., 1939.
Н. Ф. Колесницкий.

Инвеститура епископа королём. Миниатюра начала 12 в.
Инвестиционные банки
Инвестицио'нные ба'нки, вид капиталистических банков, специализирующихся на финансировании и долгосрочном кредитовании различных отраслей народного хозяйства, главным образом промышленности, транспорта, торговли. Особенно широкое развитие получили в эпоху империализма. Средства И. б. формируются в основном путём размещения на денежном рынке собственных акций и облигаций. С развитием государственного монополистического капитализма в ряде капиталистических стран (ФРГ, Японии, Италии, Турции и др.) создаются государственные И. б., фонды или капиталы которых в основном формируются за счёт бюджетных средств (см. также Банки ).
Инвестиция
Инвести'ция (нем. Investition, от лат. investio – одеваю), долгосрочное вложение капитала в промышленность, сельское хозяйство, транспорт и др. отрасли хозяйства как внутри страны, так и за границей с целью получения прибыли. В буржуазной экономической науке различаются И. финансовые и реальные. И. финансовая – вложение капитала в покупку акций, облигаций и др. ценных бумаг, выпущенных корпорациями или государством. И. реальная – вложение капитала в производственный основной капитал (здания, сооружения, оборудование), жилищное строительство, товарно-материальные запасы как внутри страны, так и за границей. И. осуществляются частными корпорациями и государством. Частные И. направляются в те отрасли народного хозяйства, где извлекаются наибольшие прибыли (прежде всего в промышленность), государственные – в малодоходные отрасли, например в инфраструктуру . Частные И. финансируются как за счёт собственных (внутренних) источников (амортизационные отчисления и нераспределённая прибыль), так и за счёт привлечённых источников: долгосрочные кредиты и выпуск ценных бумаг. Источниками финансирования государственных инвестиций являются налоги, внутренние и внешние займы, доходы от государств. предприятий, выпуск новых денег. Операции по финансированию И. осуществляются через банки (коммерческие и инвестиционные) и небанковские финансовые учреждения – сберегательные кассы, страховые компании, инвестиционные тресты, пенсионные фонды и т. д., которые способствуют аккумуляции огромных средств населения и использованию их для накопления капитала в интересах финансовой олигархии.
Буржуазные экономисты видят границы И. не в капиталистических производственных отношениях, а в технических условиях производства и психологических факторах. Действительно, И. создают доходы и расширяют рынок, но это ограничено антагонистическими классовыми отношениями капиталистического общества. Действие всеобщего закона капиталистического накопления ведёт к тому, что благодаря И., сопровождающимся повышением органического строения капитала, возрастает богатство капиталистов, а положение рабочего класса ухудшается.
С. С. Носова.
Инволюта
Инволю'та (математическое), то же, что эвольвента. См. Эволюта и эвольвента .
Инволюция
Инволю'ция (от лат. involutio – изгиб, завиток, свёртывание), регресс (биологический), редукция или утрата в процессе эволюции отдельных органов, упрощение их организации и функций (например, разные степени редукции кишечника у некоторых паразитических червей, членистоногих и т. д.). И. называются также дегенеративные изменения простейших и бактерий, вызываемые неблагоприятными условиями обитания. В медицине И. иногда называют атрофию органов и тканей, например при старении.
Ингаляторий
Ингалято'рий, помещение, оборудованное приборами для ингаляции . Создают И. в поликлиниках, а также на здравпунктах шахт, текстильных и химических фабрик, цементных и асбестовых заводов для профилактики некоторых профессиональных заболеваний. В И. оборудуют кабины для больных. И. снабжены ингаляционными установками, блоками воздушного компрессора, фильтрами для очистки воздуха и др. аппаратурой.
Ингаляция
Ингаля'ция (от лат. inhalo – вдыхаю), метод введения в организм лекарственных веществ посредством вдыхания. Для И. лекарственные вещества применяют в виде пара, газа, аэрозолей (дымов, влажного и масляного тумана). Надлежащие степени размельчения вещества (чем меньше частицы, тем глубже они проникают в дыхательные пути) достигаются в особых аппаратах (ингаляторах), в которых пар или сжатый воздух засасывает в свою струю лекарство и распыляет его. Через воронку или под маской, закрывающей нос и рот, лекарственное вещество поступает в дыхательные пути. Температура вдыхаемого пара около 45°С. Ингаляторы могут быть стационарными и переносными (см. рис. ). Методом И. вводят щёлочи, растворимые сульфамидные препараты, антибиотики и др. Назначают И. преимущественно при воспалительных заболеваниях органов дыхания. Масляные И. (чаще из растительного масла с ментолом) применяют с лечебными и профилактическими целями; на слизистых оболочках верхних дыхательных путей образуется тонкая масляная плёнка, препятствующая всасыванию различных токсических веществ и способствующая их отхаркиванию. Для обеспечения ингаляционными процедурами массовых контингентов (например, рабочих химических и цементных заводов, шахтёров) создаются ингалятории . Вдыхание лекарственных веществ называют искусственной И., а дыхание целебным морским, лесным или горным воздухом – естественной И.
Лит.: Эйдельштейн С. И., Основы аэрозольтерапии, М., 1967.

Переносной ингалятор для паровой ингаляции: 1 – стаканчик; 2 – резервуар; 3 – спиртовка; 4 – стеклянная воронка (для вдыхания пара).
Ингарден Роман
Инга'рден (Ingarden) Роман (5.2.1893, Краков, – 15.6.1970, там же), польский философ, феноменолог, доктор философии (1918), профессор (1933), действительный член Польской АН (1957). Ученик Э. Гуссерля . В l933—41 преподавал в Львовском, с 1945 в Ягеллонском университетах. В 1938—48 редактор журнала «Studia Philosophica». Развил свой вариант феноменологии, отличный от идеалистической феноменологии Гуссерля. Наибольшую известность приобрели работы И. в области эстетики. Автор большого числа трудов по проблемам эстетики, теории познания, логики и так называемой формальной онтологии, а также ряда работ о направлениях в современной буржуазной философии (феноменологии, бергсонианстве, неопозитивизме).
Соч.; Spór o istnienie świata, 2 wyd., t. 1—2, Warsz., 1961—62; Dzieła filozoficzne. Z badań nad filozofia współczesną, Warsz., 1963; Studia z estetyki, t. 1—2, [Warsz.], 1966; в рус. пер. – Исследования по эстетике, М., 1962.
Ингеман Бернхард Северин
И'нгеман (Ingemann) Бернхард Северин (28.5.1789, Торкильструп, о. Фальстер, – 24.2.1862, Сорё), датский писатель. Сын пастора. С 1822 профессор датского языка и литературы. Творчество И. развивалось под значит, влиянием немецкого романтизма, особенно Ф. Новалиса . Написал мелодраматическую историческую трагедию «Мазаниелло» (1815), сентиментальную трагедию «Бланка» (1816). В исторических романах И. идеализирует средневековье: «Вальдемар Великий и его дружина» (1824), «Вальдемар Победитель» (1826), «Принц Отто Датский» (1835), «Королева Маргрет» (1836). Романсы (цикл «Хольгер-Датчанин», 1837, и др.) написаны в жанре рыцарских баллад. автор сборника религиозных стихов «Утренние и вечерние песни» (1838), «Лирические псалмы» (1854). Роман «Дети деревни» (1852) в идиллических тонах рассказывает о счастливой судьбе выходца из демократических слоёв.
Соч.: Samlede skrifter, afd. 1—4, Kbh., [1845—57]; в рус. пер. – Алтарный образ в Сорё, в кн.: Датская новелла XIX—XX вв., Л., 1967.
Лит: Гозенпуд А., Датский театр в кн.: История западноевропейского театра т. 4, М., 1964: Langballe С., B. S. Ingemann et digterbillede i ny belysning, Kbh., 1949.
Ингеноль Фридрих фон
И'нгеноль (Ingenohl) Фридрих фон (30.6.1857, Нёйвид, – 19.12.1930, Берлин), немецкий адмирал (1913). Начал службу на флоте в 1874. С 1909 командовал эскадрой крейсеров, а с 1913 флотом «Открытого моря». В начале 1-й мировой войны 1914—18 был сторонником доктрины «уравнивания сил» с британским флотом методами «малой войны» для последующего генерального сражения и разгрома Великобритании на море. Эта стратегия успеха не имела и после поражения при Доггер-банке (январь 1915) И. был смещен, а в феврале 1915 уволен в отставку.








