Текст книги "Суперфрактал"
Автор книги: Сергей Деменок
Жанры:
Прочая научная литература
,сообщить о нарушении
Текущая страница: 11 (всего у книги 11 страниц)
Алеаторные фракталы
Нас окружают повторяющиеся процессы. Их повторение происходит не в клинически чистых условиях, но в поле воздействия многих случайных влияний. Искажения возникают при каждом повторении одной и той же операции. В математической модели такое искажение может быть учтено обращением к генератору случайных чисел при каждом новом повторе. Сам процесс повторения со случайным отклонением можно назвать «алеаторным повторением».
Суть идеи «алеаторного повторения» поясним примером обычного производственного процесса. Пусть одни и те же процессы и процедуры изо дня в день повторяются на предприятиях в Санкт-Петербурге и в Тбилиси. Эти процессы повторяются не в «безвоздушном стерильном пространстве», но в атмосфере постоянного влияния внешних факторов – от макроэкономических до микробиологических. В результате бизнес-процессы становятся уникальными настолько, что структуры компаний в Санкт-Петербурге и в Тбилиси существенно отличаются друг от друга притом, что обе компании производят и поставляют на рынок один и тот же продукт.
Модель, которая может производить разные структуры при сохранении типовых процессов, должна включать случайные вмешательства, приходящие извне. Такую математическую модель мы можем реализовать при построении фракталов. На каждом шаге построения фрактала мы станем обращаться к генератору случайных чисел.
Новый класс фрактальных форм мы назовем «алеаторными фракталами».
Алеаторные фракталы отличаются от фракталов, построенных с помощью СИФ-алгоритмов тем, что операции на каждом шаге построения алеаторных фракталов остаются одинаковыми.
СИФ-алгоритм чередует операции из заданного перечня операций с определенной вероятностью. Так, погода может изменить наши планы на выходные дни, но в течение рабочей недели возможность изменения плана весьма ограничена.
Гибкость «выходного дня» – это желанная модель для всякого трудового процесса. Между тем реальный производственный процесс организован более жестко.
Последовательность операций фиксирована. Операции повторяются циклически. Повторное выполнение одной и той же операции сопровождается внешними флуктуациями. Для моделирования влияния внешнего «шума» добавим генератор случайных чисел. При больших случайных флуктуациях любая геометрическая форма будет ими рассеяна. Если флуктуации пренебрежимо малы, то они не изменят исходную форму сколько-нибудь заметным образом.
Однако между этими двумя крайностями существует область, в которой незначительное внешнее воздействие изменяет форму фрактала. Это открытие послужило основанием для того, чтобы выделить новое семейство фрактальных форм и обозначить его термином «алеаторные фракталы».
Итак, построение алеаторных фракталов сводится к построению любых фракталов, как линейных, так и нелинейных, по любому детерминированному алгоритму, включая СИФ-алгоритм, с тем отличием, что после каждой операции встроено обращение к генератору случайных чисел (оператору Random). В простейшем случае генератор производит возмущения, которые подчиняются нормальному распределению случайных величин, а их интенсивность характеризуется двумя параметрами – математическим ожиданием μ (х) и среднеквадратичным отклонением σ(x). Математическое ожидание – число, вокруг которого сосредоточены значения случайной величины, а среднеквадратичное отклонение – мера рассеяния случайной величины от его математического ожидания. Для иллюстрации того, как работают генераторы случайных чисел, рассмотрим два примера, которые представляют в наше время лишь исторический интерес, но позволяют «почувствовать» то, что представляет собой нормальное распределение и смысл процесса алгоритмизации чистой случайности.

Примеры типовых фракталов: (а) треугольник Серпинского; (б) лист папоротника; (в) ковер Менгера; (г) раковый сфероид. Первые три фрактала (а-в) получены с помощью систем итерированных функций. Первый ряд представляет исходные фракталы без влияния внешних воздействий. Второй ряд – те же фракталы в присутствии внешнего шума с σ2 = 10. Третий ряд – в присутствии внешнего шума с σ2 = 100. (Н. Ahammer, T.T.J. DeVaney. The influence of noise on the generalized dimensions. Chaos, Solitons & Fractals Volume 26, Issue 3, November 2005, Pages 707-717)

Прежде всего, рассмотрим так называемую «доску Гальтона». Английский ученый Фрэнсис Гальтон создал первый экземпляр своего «квинкункса» в 1873 году. Бросая свинцовые шарики в квинкункс, Гальтон моделировал вероятностную систему, в которой каждый шарик с вероятностью 50:50 отправится в одну или другую сторону от «гвоздя», с которым сталкивается, и таким образом получается колоколообразное (нормальное) распределение шариков. Обратите внимание, что здесь мы имеем дело с более чем одноразовым взмахом крыльев бабочки: пути двух соседних свинцовых шариков могут совпасть или разойтись на каждом уровне. Тем не менее, как бы ни вел себя каждый шарик, на дне доски Гальтона появляется колоколообразная форма из множества брошенных на гвозди шаров. Это и есть так называемое «нормальное» распределение случайной величины. Вероятность того, что n-й шарик окажется в k-м столбике, равна

При достаточно большом n эта формула аппроксимирует нормальное распределение.
С появлением ЭВМ появились алгоритмы компьютерной генерации случайных чисел. Одним из первых был предложен алгоритм «середины квадрата». Он был предложен в 1946 году фон Неманом. Алгоритм позволяет генерировать числа с любым числом знаков, соответствующим возможности ЭВМ.
Метод очень прост. Допустим, что нужны четырехзначные числа. Выбираем первое число Х0 произвольно. Например, X0 = 8219. Возводим его в квадрат. Получится восьмизначное число 67 551 961. Извлекаем средние цифры: 5519. Следующим числом последовательности является X1 = 5519. Возводим в квадрат 5519, получаем 30459361. Следующее случайное число Х2 = 4593. Если первые из средних цифр оказываются нолями, то получается число с меньшим количеством знаков. Например, Х22 =21095 649, Х3 = 956. Возводя его в квадрат, нужно получить восьмизначное число, дописав спереди ноли Х32 = 00913936, так что Х4 = 9139 и т. д. Производные случайные числа Yn, равномерно распределенные в интервале от ноля до единицы, получаются из чисел Хn по формуле Yn = Хn/1000, где n = 0, 1, 2, 3, ..., так что Y0 = 0,8219; Y1 = 0,5519; Y2 = 0,4593 и т. д.
На первый взгляд метод кажется хорошим. Однако тщательное исследование показало, что это далеко не так. Главный недостаток метода состоит в том, что при некоторых начальных числах последовательность «зацикливается». Выяснилось, например, что в классе четырехзначных чисел последовательности часто завершаются циклом 6100, 2100, 4100, 8100, 6100. Период цикла равен всего-навсего четырем, что, конечно, никуда не годится. Существует число, которое сразу же воспроизводит самое себя. Это 3792 (37922= 14 379 264). Воспроизводит себя также ноль, и очень часто последовательности, полученные методом середины квадрата, вырождаются в ноль. Поэтому метод середины квадрата представляет в наше время лишь исторический интерес. В настоящее время разработано множество более совершенных методов. При этом оказывается, что для ЭВМ различных конструкций оптимальными являются разные генераторы.
В любом случае математическое ожидание и среднеквадратичное отклонение внешних воздействий – задаются до начала расчетов. В качестве примеров рассмотрим алеаторные кривые Коха и алеаторные фракталы Мандельброта. Алеаторные фракталы Коха построены при μ = 0. Расчеты показывают, что математическое ожидание не влияет на форму линейного фрактала, приводя только к смещению его относительно осей координат. Что же касается среднеквадратичного отклонения, то с увеличением рассеяния случайных возмущений форма фрактала Коха «размазывается и распыляется».
В наших расчетах использовался генератор случайных чисел Random (G), производящий случайное рассеивание с нормальным законом распределения. Построение кривой Коха выполняется с помощью двух СИФ-преобразований функций вида:
1. х = 0,5х + by
у = bx – 0,5у.
2. х = 0,5х – by + 0,5
y = bx – 0,5 у + b,
где b = 1/(2sqrt(3)).
Возмущающее воздействие на каждом шаге итерации вводится как на расчетные параметры (α = α + RandAB, b = b + RandAB), так и на координаты (PX+RandP, PY+RandP) согласно итерационному алгоритму «замешивания» случайной величины. Алгоритм вычислений показан на рисунке на с. 204.
Алгоритм построения алеаторного фрактала Коха

Результат вычислений производит ожидания. Алеаторные фракталы Коха были получены при μ = 0. Как в случае нормального распределения случайных величин, так и при генерации квазислучайных действительных чисел качественно результат одинаков: с увеличением степени рассеяния случайных величин кривая Коха не просто распыляется, но производит скопление точек с явно видной направленностью. Математическое ожидание в случае линейного фрактала Коха приводит лишь к сдвигу фигуры по осям координат, который не влияет на форму самой фигуры.
Построение фрактала Мандельброта производится по формуле
Zn = Z02 + C
с добавлением оператора Random по параметру С или по координатам точки Z.

Алеаторный фрактал Коха при μ = 0:
а) при нормальном распределении случайных величин и σ = 0; σ = 0,03; σ = 0,3 соответственно;
б) при квазислучайном распределении действительных чисел с диапазоном разброса 20, 60 и 300 соответственно
Упрощенный алгоритм расчета, записанный на условном языке программирования, приведен на рисунке (с. 206).
Структурная схема упрощенного алгоритма построения алеаторного фрактала Мандельброта

Необходимо отметить, что возмущающее воздействие по параметру (а = а + RandAB, b = b + RandAB) перекрестно влияет на действительную и мнимую части координат, а возмущающее воздействие на координаты точки Z (PX+RandP, PY+RandP) имеет независимый и более грубый характер влияния на их значения. Результаты, полученные при μ = 0, демонстрируют формирование асимметрии, сопутствующей размыванию привычной картинки Мандельброта.
Нами замечено, что, в отличие от линейного фрактала Коха, форма нелинейного фрактала Мандельброта чувствительна к величине математического ожидания, что отлично иллюстрируют алеаторные фракталы Мандельброта, приведенные на верхнем рисунке (с. 208).
Наконец, самый наглядный эффект влияния случайных возмущений на форму фрактала в целом показан на последнем рисунке. Здесь мы видим, что главные кардиоида и круг радикально изменяют свою форму при изменении случайного воздействия. Появляются совершенно новые формы – символы, напоминающие сердце, знак пик, знаки слияния и разделения.

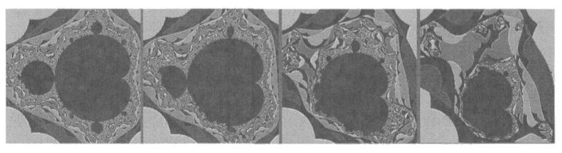
Алеаторный фрактал Мандельброта при μ = 0:
а) в полном изображении при σ = 0; σ = 0,042 и σ = 0,073 соответственно;
б) в увеличенном фрагментарном изображении в прямоугольнике Xmin = -1,5; Хтах = +0,5 и Ymin = -1,0; Ymax = + 1,0 при σ = 0; σ = 0,05; σ = 0,07 и σ = 1,0

Алеаторные фракталы Мандельброта при σ = 0 и μ = 0,03; μ = 0,1; μ = 0,3; μ = 0,5 соответственно
Любая модель, будучи абстракцией, не столько отражает реальность как она есть, сколько служит инструментом для выявления реальности как она должна стать. Аттрактор в фазовом пространстве динамической системы – это пример того, что с высокой степенью вероятности может стать реальностью. Аттрактор может быть точкой, кругом, тором или фракталом.
Фрактал может служить иллюстрацией описанных представлений, в которых формальное (имеющее форму), действенное (процесс) и символическое (инвариант) образуют единое согласованное целое. Форма фрактала и алгоритм построения фрактала «некоммутативны» в том смысле, что они не зависят друг от друга. Чтобы они сцепились, чтобы активировался тот или иной алгоритм и чтобы появилась та или иная форма, нужен своего рода резонанс. Если структура алгоритма, структура формы и структура внешних условий входят в согласие, появляется фрактал. Алгоритм работает, форма появляется, окружение не сопротивляется. Фрактал есть репрезентация того, что структурирована не форма сама по себе и не алгоритм сам по себе, но организация формы, алгоритма и внешних условий. Эффект такого резонансного поведения формы, алгоритма и внешних условий символизирует появление символического кода – фрактальной размерности.
Фрактальная размерность – символический инвариант фрактальной структуры, особый вид симметрии – как бы симметрия формы относительно масштаба. Фрактальная размерность есть число, присущее всему фракталу и любому фрагменту фрактальной структуры. Фрактальная структура – это сложная и незавершенная конструкция. Каждый фрагмент фрактала есть одновременно элемент фрактала большего масштаба и организующий блок для структур меньшего масштаба. Мы сталкиваемся с такой бесконечной регрессией структур, у которой есть одна глобальная структура, которая поглощает все остальные. Эффект самозаглатывания лежит в основе принципа неполноты. Этот эффект обеспечивает открытость системы. В открытой системы нет никакой пред-данности, хотя это не отменяет предрасположенности. Открытость наделяет случай влиятельной силой.
Реальность одновременно и регламентирована, и алеаторна, она постоянно рассчитывает саму себя притом, что она не обязательно подчиняется тем или иным аксиомам. Все изменяется и одновременно всегда что-либо остается неизменным. Случай способен разрушить алгоритм и форму. Но он же способен склеить и сохранить совершенно разные логики и привести к построению совершенно новой, непредсказуемой и невообразимой формы. В умелых руках, на экране монитора конусы, окружности и квадраты гибко и пластично мнутся, ломаются и превращаются в горный ландшафт, листья папоротника, облака или вспышку молнии. Вся эта магия происходит в результате расчета на основе алгоритма.
Реальность не обязана быть алгоритмизированной. И это ведет нас к представлениям о «фрактале с переменной размерностью». Можно вообразить возможность изменения набора алгоритмов построения фрактала по случаю в интервале неопределенности между построением двух соседних точек фрактала. При этом сохраняется существенное требование, а именно: фрактал должен сохранять свою целостность в том смысле, что каждый его фрагмент согласован с любым другим фрагментом этого фрактала после фиксации любого шага построения фрактала. В каждой точке процесса построения фрактала перед нами незавершенный, но внутренне согласованный фрактал, которому присуща своя определенная фрактальная размерность. Технически такая связность сохраняется, если фрактал имеет переменную размерность, изменение которой непрерывно. Но это тема будущих исследований...
Литература
1. Barnsley М., Superfractals, Cambridge University Press, New York, Melbourne, 2006.
2. Barnsley M., Fractals Everywhere, Academic Press, New York, 1988. 535 p.
3. Божокин С. В., Паршин Д.А. Фракталы и мультифракталы. – Ижевск: НИЦ «Регулярная и хаотическая динамика», 2001.
4. Мандельброт Б. Фрактальная геометрия природы. – М.: Институт компьютерных исследовании, 2002.
5. Мандельброт Б. Б. Фракталы и хаос. Множество Мандельброта и другие чудеса. – М. – Ижевск: НИЦ «Регулярная и хаотическая динамика», 2009.
6. Федер Е. Фракталы. Пер. с англ. – М.: Мир, 1991. – 254 с.
7. Шредер М. Фракталы, хаос, степенные законы. Миниатюры из бесконечного рая. – Ижевск: НИЦ «Регулярная и хаотическая динамика»,2001.
8. Мамфорд Д., Райт Д, Сирис К. Ожерелье Индры. Видение Феликса Клейна. Пер. с англ., под ред. О. В. Шварцмана. – М.: Издательство МЦНМО, 2011.
9. Hutchinson J. Fractals and Self Similarity // Indiana Univ. Math. Journal. Vol. 30, №. 5. 1981.
10. Lauwerier H.A. Fractals – images of chaos. – Princetion Univ. Press. 1991.
11. Алекс Беллос. Красота в квадрате. Как цифры отражают жизнь и жизнь отражает цифры. Пер. с англ. Н. Яцюк. Манн, Иванов и Фербер, Москва, 2015.
12. SuperFractals—from Michael F Barnsley—www.superfractals.com
В рамках серии

Издательство «СТРАТА» представляет книги, посвященные фракталам и хаосу

ПРОСТО ЭНТРОПИЯ
ПРОСТО ФРАКТАЛ
СУПЕРФРАКТАЛ
ПРОСТО ХАОС
ДИНАМИЧЕСКИЙ ХАОС
APT ФРАКТАЛ
МАНИФЕСТ ФРАКТАЛИСТОВ
ФРАКТАЛЫ: МЕЖДУ МИФОМ И РЕМЕСЛОМ

Фрактория™ 2.0
Конструктор фракталов
Представляем новую версию уникального программного продукта: Фрактория™ 2.0 – идеальный инструмент для изучения влияния случайных воздействий на процессы построения фрактальных объектов. С ее помощью вы можете попробовать свои силы в создании собственных неповторимых фракталов, проникнуть в логику их построения.


Серия книг ПРОСТО

Просто арифметика
От абака до кубита
Просто игра
Просто копирайтинг
Pro вирусы
Просто криптография
Pro антиматерию
Pro темную материю
Просто символ
Просто хаос
Динамический хаос
Просто фрактал
Суперфрактал
Арт-фрактал
Дух числа
Золотой стандарт
Просто кибернетика
Они внутри нас
Удивительная относительность
Просто электричество
Pro квантовые чудеса
Просто химия аромата
Pro ботанику
Как испечь пи...
Нечеткая логика
Символ и алгоритм
Просто энтропия
Pro парадоксы науки
Просто графен
От Arpanet до Internet
Просто Big Data
Деменок Сергей Леонидович
СУПЕРФРАКТАЛ
Научно-популярное издание
Редактор Светлана Волкова
Корректор Сергей Минин
Верстка Светлана Шачнева
Обложка Светлана Шачнева
Иллюстрации Максим Ляпунов
Настоящее издание не имеет возрастных ограничений, предусмотренных Федеральным законом РФ «О защите детей от информации, причиняющей вред их здоровью и развитию» (№ 436-ФЭ).
Охраняется законом РФ об авторском праве.
Издательство «Страта»
195112, Санкт-Петербург, Заневский пр., 65, корпус 5 Тел.: +7 (812) 320-56-50, 320-69-60
www.strata.spb.ru
Подписано в печать 24.04.2019
Тираж 500 экз.

Новый класс фрактальных форм мы назовем «алеаторными фракталами».



























