Текст книги "История климата с 1000 года"
Автор книги: Эмманюэль Ле Руа Ладюри
Жанры:
Природа и животные
,сообщить о нарушении
Текущая страница: 14 (всего у книги 19 страниц)
Можно ли оценить размах отступаний, которые предшествовали этому средневековому наступанию ледников или следовали за ним? Некоторые указания об этом предоставляют данные ледников Алеч и Гриндельвальд: по-видимому, отступание в раннем средневековье (IX—XI вв.) было выражено в целом несколько сильнее, чем в XX в., по крайней мере то, которое осуществилось до настоящего времени. Действительно, деревья, уничтоженные при наступании 1200 г., росли в местах, где в наши дни лес еще не мог вырасти снова. А отступающий ледник Алеч до сих пор не освободил из-подо льда начало старинного трубопровода.
Однако, на мой взгляд, отступание ледников в 750—1150 гг. не заслуживает того названия, которое ему иногда давали[192]192
См. по этому вопросу содержащие превосходную информацию статьи Менли [248, стр. 373] и Лэмба [212, стр. 125; 213].
[Закрыть], «второй климатический оптимум». Рассмотрим сначала вопрос о длительности. Это была небольшая умеренно теплая фаза, продолжавшаяся лишь несколько столетий, тогда как подлинный оптимум распространялся на тысячелетия.
Но главное – это вопрос о разнице температур. Несомненно, климат четырех столетий, начиная от времен каролингов и до начала эпохи великих географических открытий, должен был быть довольно мягким, как и в XX столетии, а возможно, и более мягким, а потому будет вполне разумно предположить, что этим (сами того не ведая) воспользовались викинги для колонизации северных и труднодоступных областей – Исландии и Гренландии.
Однако нет никакой возможности пойти дальше этих осторожных предположений. Ибо по данным пыльцевого анализа мы знаем, что флористические сообщества, характерные для климатического оптимума, не восстановились к тысячному году. Возьмем простой пример из десяти возможных: к XI в. орешник не завоевал своих «оптимальных» позиций на севере Скандинавии...
Таким образом, разница в средней годовой температуре между этим теплым периодом и холодным периодом, который следовал далее (примерно с 1200 г.), вероятно, была такой же (может быть, на несколько десятых градуса больше), как и разница между холодным периодом 1800—1850 гг. и теплым периодом 1900—1950 гг., то есть не более 1°С. Для объяснения характерных особенностей теплого периода тысячного года нет необходимости предполагать, что разница в температурах была значительно больше 1°С (2°С или более).
Кроме того, «теплый период» и отступание ледников в раннем средневековье, по-видимому, характеризуются довольно сильной засушливостью в Западной Европе. Эти засухи могли быть результатом двух причин: малого числа дождей и сильного испарения.
Действительно, торфяники отмечают влажные периоды появлением в их стратиграфии характерных слоев, или «рекуррентных поверхностей». Эти слои соответствуют усилению развития сфагновых или гигрофильных мхов. Интерпретация этих уровней – дело тонкое, так как они могут соответствовать случайному сильному затоплению торфяников или же четко выраженной фазе увлажненности.
Многочисленные датировки по С-14 позволили Овербеку определить хронологические «ножницы», в пределах которых встречаются эти рекуррентные поверхности, обозначаемые буквами Ry.
Выводы Овербека для немецких торфяников: в нашу эру рекуррентные поверхности обнаруживаются между 400 и 700 гг. (RyII) и в 1200 гг. (RyV). IX—XII вв. полностью их лишены. Эта последняя «теплая» эпоха является, по-видимому, также и засушливой.[193]193
О рекуррентных поверхностях (Ry) см. [71, стр. 220—238; 350, стр. 672—674; 286]; о выводах по С-14 и хронологической «вилке» см. [287, стр. 66].
[Закрыть]
В отношении этого сухого периода представляет интерес один, к сожалению, поздний текст, составленный Буленвилье по записям интендантов времен конца правления Людовика XIV [37, стр. 136]; он касается реки Сарт – реки всегда полноводной, типичной для очень влажной страны. И вот эта река за исторический период высыхала трижды, как самая заурядная средиземноморская речушка. Первый раз это было (год не установлен) во время царствования Карла Великого, второй раз – при Людовике Благочестивом (814—840 гг.), в третий раз река пересохла в июне 1168 г. за короткие полчаса. Характерны ли эти три экстремальных эпизода для сухого или относительно сухого периода IX—XII вв.?
Теперь два слова о периоде отступания ледников, последовавшем за наступанием XIII в. и продолжавшемся приблизительно от 1300—1350 до 1500 г. Регрессия ледников в конце средневековья представляется довольно умеренной, менее ясно выраженной, чем в IX—XI вв. Языки ледников должны были изменять положение на протяжении этого периода в границах, довольно близких к границам, характерным для периода 1900—1950 гг., или, может быть, даже в несколько более широких. Это по крайней мере то, что можно предположить с обычными оговорками, если исходить из некоторых показателей.
Показатель первый: на протяжении этого периода, то есть с 1350 по 1550 г., ледник Алеч, вероятно, не отступал до позиций 1940 г. Если бы это было не так, то остатки лесов, погибших в XII в. и сохранившиеся благодаря льдам до наших дней, не смогли бы противостоять длительному воздействию непогоды и воздуха и просто исчезли бы.
То же относится и к окаменелому лесу Гриндельвальда, погибшему в XIII в. и, по-видимому, не появившемуся вновь в XV в....
Следовательно, мягкая погода тысячного года, по-видимому, не возвращалась в этот период. Но тем не менее отступание происходило; или, если предпочесть другие слова, между 1350 и 1550 гг. не было наступания ледников, сравнимого с наступанием 1150—1300 гг. и тем более с наступанием 1600—1850 гг. В противном случае чем можно было бы объяснить, что в эту эпоху в торфянике Бунте Моор ледника Фернау между двумя моренными слоями Xd и Xf спокойно мог образоваться слой торфа Хе [258]? И как объяснить также то, что между 1380 и 1600 гг. процветали «без всяких историй» селения Шателяр и Бонанэ в Шамони, часовня св. Петронии в Гриндельвальде, в 1600—1610 гг. уничтоженные или вытесненные соседними ледниками?
Даже данные по Гренландии (которые, я повторяю, следует тщательно пересмотреть и проинтерпретировать заново) не обязательно могут противоречить такой точке зрения. Могилы норманнов в Херьулфснесе были обнаружены в 1921 г. в земле, промерзшей на протяжении всего года, несмотря на потепление, весьма ощутимо сказывающееся в эти годы в Гренландии, как и в других местах. Очень хорошую сохранность тканей и деревянных предметов, обнаруженных рядом с покойниками, нельзя объяснить иначе, как результатом устойчивого, начавшегося очень давно сильного промерзания земли. Возможно, однако, что во времена захоронений, последние из которых относятся к 1450 г. (если судить по фасонам одежды), земля не промерзала так, ибо корни кустарника имели время проникнуть в гробы и переплестись со скелетами и материей [185, стр. 615—616][194]194
О судьбе колонии норманнов в Гренландии см. [277, стр. 218—224]; а также весьма критическую точку зрения в [375].
[Закрыть]. Не находилась ли колония норманнов, окончательно вымершая к XV в., в условиях несколько менее сурового климата, чем климат эпохи «нового времени» (XVII в. и позже)? Я ограничиваюсь лишь вопросом.
Вот, следовательно, история ледников и климата Альп начиная со средних веков и до XVI столетия, изложенная в общих чертах, с гораздо меньшими подробностями, чем история нового времени. Эта история требует пересмотра некоторых положений, в ней имеются и явные неточности. Я перечислю их или по крайней мере некоторые из них.
Прежде всего пересмотрим некоторые положения. Под влиянием скандинавской школы, ослепленной исчезновением гренландского населения в XV в., а также европейских катастроф 1348—1450 гг., без достаточных доказательств отождествленных с эпизодом похолодания, некоторые историки климата, и среди них такие замечательные, как Уттерстрём, Флон, Лэмб (соответственно в 1955, 1950 и 1963 гг.), включили XIV и XV вв. в межвековую фазу наступания ледников, окрещенную ими «малой ледниковой эпохой». Однако, если основываться на документах (в современном их состоянии), как исторических, так и ботанических и геоморфологических, вряд ли можно было бы прийти к такому заключению. Нет сомнения, что альпийские ледники в конце средних веков были несколько более развитыми, чем в X в. Они определенно были меньше, чем в XVII в., и в сущности не должны были бы быть больше, чем в настоящее время.
Разумеется, в XV в. были эпизоды похолодания. И Пьер Педелаборд приводит наиболее живописные описания их, прибегая к документации за зимние сезоны. В 1468 г., отмечает он, вино раскалывали топором и перевозили его в виде кусков в шапках [292, стр. 406].
Но в позднем средневековье эпизоды похолодания, каким бы сильным оно не было, во все сезоны (включая теплое время года и месяцы, ответственные за абляцию), не достаточно длительны и распространены, чтобы обусловить всеобщее наступание альпийских ледников. Оно начнется гораздо позднее, в 1590—1600 гг., когда вдруг появятся тексты, отражающие максимум оледенения.
Что же касается катастроф, пережитых человечеством в конце средних веков (1348—1450 гг.), то они мало связаны с суровостью климата. Наряду с другими факторами, они оказались следствием трагической обстановки, которая обычно символизируется такими явлениями, как чума и войны с Англией. Они подчеркивают развязку большого аграрного цикла.
Нужно ли после этого говорить о нескольких неточностях и пробелах в основном в текстах. Существует много точных «описаний» ледников в XVII—XVIII вв. Этого нельзя сказать о ледниках в средние века. Наступание ледников в средние века (1150—1200/1300—1350 гг.) отражено лишь в нескольких текстах… из которых большая часть неясна и сомнительна. Основными являются доказательства геоморфологические и ботанические. Отсюда и растянутость (почти до пятидесяти лет) хронологии наступания в средние века. Такая хронология может удовлетворить гляциолога или ботаника, так как позволит им наметить тренд и выявить процессы большой длительности. Но она не может удовлетворить историка, который в силу своей профессии оперирует точными данными о времени.
Я уже приводил некоторые наименее плохие средневековые тексты. Вот другие, часто весьма ненадежные, но иногда дающие пищу для размышлений.
В 1284 г. без каких-либо подробностей сообщается о вскрытии озера Рюитор, показательном для наступания ледника этого же названия. Текст интересен тем, что он подтверждает датировку по С-14 для Алеча и Гриндельвальда. Но, несмотря на все усилия, мне не удалось выяснить его происхождение – обнаружить его в валийских библиотеках и архивах. Иными словами, к нему следует отнестить с сомнением.
Зато за 1300 г. мы имеем совершенно бесспорный текст, взятый из одной грамоты. По этому тексту (акт о праве перегона овец с одного места на другое), в 1300 г. ледник Аллален спустился довольно низко в долину Зааса, но не перегородил ее, как было много раз между 1589 и 1850 гг. Следовательно, в 1300 г. ледник Аллален находился в состоянии относительного наступания, сравнимого, например, с наступанием 1920 г., или даже более четко выраженного. И это не противоречит геоморфологическим и ботаническим данным, также указывающим на наступание ледников на протяжении XIII в.
Другие тексты, цитируемые Штольцем и дю Тиллье, содержат правдоподобные упоминания о наступании ледников Фернагт и Рюитор в 1315 г. и между 1391 и 1430 гг. соответственно. Но это тексты более поздние, они гипотетичны, носят чисто дедуктивный характер, и их хронология совершенно ненадежна. Это замечание относится и к текстам 1513 и 1531 гг. о начале (плохо определенном по времени) наступания тирольских ледников, а также к тексту 1540 г. о сильном отступании ледника Гриндельвальд. Это отступание весьма вероятно, но оно не очень четко подтверждается.
Что касается текстов о ледниках, открытых Алликсом и цитированных им в маленькой книге «Уазан в средние века», то они вне всякой критики... но совершенно не точны топографически! Из них можно почерпнуть лишь крайне неопределенные предположения о наступании и отступании ледников.
Большую часть средневековых текстов о ледниках еще предстоит открыть и интерпретировать. Архивы Шамони, богатые документами за XIV и XV вв., хранят еще немало сюрпризов. Я смог воспользоваться лишь малой их частью: те неизданные досье, которые еще ждут обработки, должны уточнить положение больших шамонийских ледников в старину.
Итак, мы сталкиваемся с недостатком средневековых текстов о ледниках, а также с недостатком, но временного порядка, средневековых текстов о климате.
Прежде всего, в них отсутствуют даты сбора винограда до 1400—1500 гг. (хотя в Италии несколько таких текстов, возможно, будет открыто[195]195
См. ряд для Орвьето в [62], а также ряд для Пизы по D. Herlihy (личное сообщение).
[Закрыть]).
Что касается текстов об отдельных событиях, то их достаточно. Немало их даже в старинных сборниках, издававшихся по разным случаям в XIX в. – это компиляции почтенные, но уже устаревшие [361, стр. 379].
Надо выйти за пределы архаических публикаций. Нужно переделать и систематизировать их.
Неизданные тексты, описывающие (для того или иного года XIV или XV в.) зиму или лето, суровые морозы, засухи, наводнения и т. п., имеются во множестве. Такие тексты постоянно находят в архивах, относящихся к феодальным поместьям, или в архивах нотариальных, церковных, административных.
И необходимо систематизировать, упорядочить ряды, извлеченные из этих текстов, по району, году, сезону или даже по месяцам, климатическим явлениям (холод, жара, засуха, увлажненность и т. д.), по интенсивности рассматриваемого явления. И использовать для этой цели всю современную технику классификации и множественной корреляции, какая только возможна при ручной и машинной обработке (механическая запись, перфокарты, электронно-вычислительные машины). Пусть, например, это будет отдельный текст, вроде опубликованного Джоном Титовым [361] в статье о счетах поместьев епархии в Винчестере:
«В этом году не хватило сена (1292 г.), потому что пришлось кормить им овец сеньора из-за очень холодной зимы (propter maximam hiemem)». Сам по себе этот текст немного добавляет к тому, что уже известно. Но он приобретает особый смысл, если его присоединить, как это делает Титов, к огромному своду аналогичных текстов, уже открытых или еще подлежащих открытию. По собранным таким образом текстам, затем снова разъединенным, расчлененным на главные составные части (указания о непогоде, сезоне, времени и месте), можно будет построить высококачественные, отнесенные к определенному месту точные и длинные ряды и рассматривать их параллельно с теми решающими, но стершимися под влиянием времени указаниями, которые мы получаем, кроме того, от ледников.[196]196
Эта книга находилась в печати, когда мие стало известно in situ (на месте) об интересном эпизоде, который обычно связывают с основанием базилики св. Девы Марии в Риме: 4 августа 352 г. пресвятая дева явилась во сне папе Либеро I и приказала ему воздвигнуть церковь на Эскилине, на том самом месте, где на следующий день, 5 августа, будет лежать слой снега, падавшего на протяжении всей ночи. Так и было: папа даже смог начертить на снегу план храма. Составляет ли этот эпизод, если он достоверен, часть векового ряда очень холодных летних сезонов, задерживающих абляцию, которые предшествовали длительному наступанию альпийских ледников, начавшемуся с 400 г. (дата приблизительная)? Это наступание было занесено Майром [258] в каталог как Xb.
[Закрыть]
Именно такую работу и попытались провести для XI и XVI вв. историки, собравшиеся в 1962 г. в Аспене. Я постараюсь в общих чертах изложить результаты опыта такой работы.
ГЛАВА VII. ДИАГРАММЫ, ПОЛУЧЕННЫЕ В АСПЕНЕ[197]197
См. примечания к диаграммам в Приложении 7.
[Закрыть]
В последние годы различные научные собрания избирали темой дискуссии современные флуктуации климата; так, например, конференция, созванная в 1961 г. в Нью-Йорке по инициативе Американского метеорологического общества, изучала изменения климата и связанные с ними географические явления[198]198
Сообщения, сделанные на этой конференции (многие из них касались исторической эпохи), были опубликованы в трудах Нью-Йоркской Академии наук, т. 95, прил. 1, стр. 1—740, октябрь 1961. (Перевод на русский язык – частичный – вышел под названием «Солнечная активность и колебания климата». Гидрометеоиздат, Л., 1966. – Прим, перев.)
[Закрыть]. Международный коллоквиум в Обергюрглере (сентябрь 1962 г.) был посвящен «колебаниям существующих ледников» и причинам, их обусловливающим.[199]199
Публикация Ms 58 (1962) Международной ассоциации научной гидрологии полностью оставлена за работами этого коллоквиума.
[Закрыть] Что касается конференции в Аспене (Колорадо, июнь 1962 г.), организованной Комитетом по палеоклиматологии Академии наук Соединенных Штатов Америки, то она проходила в том же направлении фундаментальных научных исследований. Ее задачей по существу было изучение «климата XI и XVI вв.».[200]200
Об этой конференции см. [301]; а также Annales, июль—август 1963, стр. 764 и далее.
[Закрыть]
Конференции в Аспене присущи некоторые особенности: исследования были сосредоточены на двух отдельных столетиях. По мнению инициаторов, при таком фокусировании исследований можно было избежать общих мест и представить в виде монографии результаты изучения конкретной действительности, отнесенной к определенным историческим эпохам. В конференции принимали участие не только ученые-естественники (геологи, гляциологи, метеорологи, «дендрологи»)[201]201
Конференция (председатель Брайсон) разделилась на шесть секций (антропологии, биологии, гляциологии и географии, геологии, истории, метеорологии).
[Закрыть], но и профессионалы историки, что, несомненно, было впервые на собраниях такого рода. Приглашение вполне естественное: для хронологии «малой длительности», ограниченной одним столетием (XI или XVI), обычные методы палеоклиматологии, основывающиеся на процессах очень большой длительности (вплоть до геологических эпох), оказываются неудовлетворительными. Чтобы хорошо изучить данное столетие, следует обратиться к тонким, подробным наблюдениям и обобщить ряды ежегодных данных. А они в большинстве случаев основаны на использовании материалов из архивов, что уже относится к профессии историка.
И обращение климатологов к историкам не осталось без отклика. Собравшиеся в Аспене историки представили свыше пятидесяти рядов – по годам или по десятилетиям. К историкам присоединились представители других областей науки и подключились к работам исторической секции конференции.[202]202
О работах секций см. Proceedings ... 1962, [301], Уотсон «Обобщающее сообщение о работе исторической секции» (стр. 37—43), «Опись данных» (стр. 44—49), «Библиография» (стр. 50—58), [389]. Именно Уотсон еще до конференции подготовил все необходимое для организации исторической секции и в дальнейшем руководил ею.
[Закрыть]
И сразу же стало ясно, что необходимо обобщить материалы и составить их опись.
Для чего необходимо обобщение? Прежде всего, для того чтобы проверить, согласуются ли ряды. Затем, для того чтобы выявить их содержание (которое может оставаться скрытым, если ограничиться рассмотрением каждого ряда отдельно). Наконец, для того чтобы выявить, пусть даже предварительные, элементы общей картины.
Итак, историческая секция конференции в Аспене занялась объединением рядов и диаграмм, представленных участниками. Были составлены хронологические таблицы, касающиеся XI и XVI вв. В 1962—1963 гг. Жак Бертен и Жаннин Рекура из лаборатории картографии Высшей практической школы взяли на себя труд оформить графически этот «монтаж». Диаграммы приведены с необходимыми пояснениями, примечаниями и легендой.
В настоящей главе мы лишь комментируем их, указываем источники, общую методологию и принципы классификации. В заключение будет сделана попытка интерпретации этих таблиц. Чтобы получить более подробную информацию о каждом из рядов, следует обратиться либо к публикациям авторов, несущих ответственность за отдельные графики, либо к еще не опубликованным источникам, использованным этими авторами.
Все ссылки будут даны в виде примечаний или в Приложении 7.
Последующее изложение, несмотря на все стремления автора к обобщению, остается частным, а в некоторых случаях рискует быть также и пристрастным. Несомненно, автор старался сообразоваться с коллективными выводами участников конференции в Аспене. Но, несмотря на это, в изложении поневоле отражается личная точка зрения автора. И эта точка зрения ни к чему не обязывает историков и исследователей, разработавших и подписавших таблицы.
Предлагаемые здесь интерпретации часто имеют, как это будет видно, характер гипотез. Если им удастся вызвать дискуссию, оживить исследовательские работы, то они выполнят одну из своих основных задач.
Источники и методы
Источники, использованные для построения диаграмм, можно разделить на две группы: первичные, в которых сообщаются сведения о самом климате (например, ранние или поздние даты сбора урожаев), и вторичные, в которых сообщается о тех или иных последствиях климатических явлений, имеющих значения для человека (размер урожая – изобилие или недостаток).
К первичным источникам прежде всего относятся «фенологические» данные. Наиболее типичны в этом плане данные по Киото, представленные Аракавой (диаграмма XVI-5). Японский автор опирается на доказанный экологический факт: тесную корреляцию между температурой воздуха весной и датами цветения растений, причем последние как бы подводят итог первым [235]. Мягкая и теплая погода весной – это значит раннее зацветание; тенденция к весеннему похолоданию приводит к позднему цветению. Наиболее старые фенологические архивы Японии содержат данные о местной разновидности вишневого дерева (prunus yedoensis). Каждый год, как только в Киото зацветало это деревце, император или его наместник устраивал прием во фруктовых садах (нечто вроде garden-party), и летописцы отмечали дату этих цветочных приемов. Первая такая хронология была опубликована Тагучи (1939 г.). Аракава вновь опубликовал эти даты, подверг их критическому анализу и представил графически. Диаграмма XVI-15 – только часть построенной им кривой, распространяющейся (с некоторыми пробелами) на период с IX по XIX в. [15].
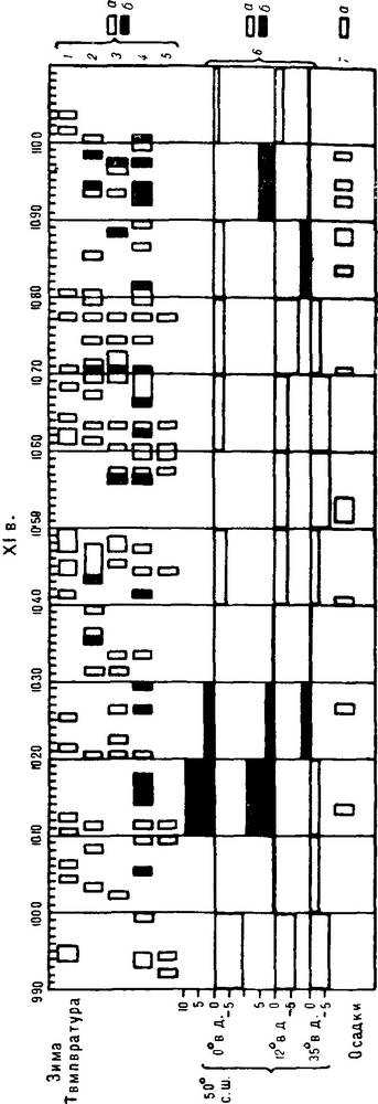
ДИАГРАММЫ, ПОЛУЧЕННЫЕ В АСПЕНЕ. ИНФОРМАЦИЯ О КЛИМАТЕ (сравниваемые ряды).

Зима. Температура (индекс). 1 – Западная Европа, 2 – Бельгия, 3 – Англия, 4 – юг Франции (а – мягкая зима, б – суровая); 5 – Северо Западная Европа, замерзание рек до Парижа (верхний ряд), Центральная Европа, замерзание рек до Одера (нижний ряд); 6 – Рига, порт свободен ото льда, даты (а – мягкая, ранняя, б – холодная, запоздалая); 7 – Япония, озеро Сува покрыто льдом, отклонения ог средней в днях (а – запоздалое, б—раннее);

Зима. 8 – Гипотезы о тенденции за десятилетие, показатели температуры: верхний ряд – 50° с. ш., 0° в. д.; средний ряд – 500 с. ш., 12° в. д.; нижний ряд – 50° с. ш., 95° в. д. (а – мягкая зима, б – суровая).
Осадки. 9 – Каталония, число дней с молебнами (а – засуха); 10 – Франция – наводнения); 11 – Цюрих, дни со снегом из общего числа дней с осадками в %. Весна. 12 – юг Франции, даты жатвы (а – ранняя жатва; тепло, б – жатва совпадает со средней, в – запоздалая; холодно); 13 – Каталония, число дней с молебнами (а – засуха); 14 – Франция – Бельгия (а – наводнения, б – засуха); 15 – Центральная Япония, даты цветения вишни, отклонения от средней в днях (а – раннее зацветание, мягкая весна, б – позднее, прохладная).

Лето. Температура. 16 – Франция (отклонение в днях), даты сбора винограда (верхний ряд), 16 бис —3-летняя скользящая средняя (а – тепло, ранний сбор, б – прохладно, поздний сбор); 17 – Англия, тенденция (а – тепло, б – прохладно); 18 – Лапландия, прирост деревьев, отклонения от среднего индекса, 19 – Аляска, индекс прироста деревьев (а – большой прирост, тепло; б – малый, прохладно). Осадки. 20 – Каталония, число дней с молебнами (а – засуха); 21 – Франция (б – наводнения); 22 —Бельгия (а – сухо, б – влажно).

Лето. Осадки. 23 – Цюрих, число дней с дождем, тенденция (а – сухо, б – влажно), 24 – гипотезы о тенденции за десятилетие, показатели влажности: верхний ряд – 50° с. ш., 0° в. д.; средний ряд – 50° с. ш., 12° в. д.; иижиий ряд – 50° с. ш., 35° в. д. (а – сухо, б – влажно). Осень. Осадки. 25 – Каталония, число дней с молебнами (а – засуха); 26 – Франция (а – наводнения); 21 – Бельгия (а – сухо, б – влажно). Общая информация. Осадки. 28 – США, юго-запад, индекс прироста деревьев (а – малый прирост, сухо, б – большой прирост, влажно); 29 – Франция (а – предположительно засушливые годы).

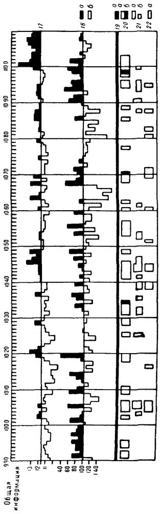
Общая информация. Осадки. 30 – Каталония, число дней с молебнами за годо-урожай (а —засуха); 31 – цены на пшеницу в Барселоне за годо-урожай (верхний ряд), ежегодные отклонения от 9-летней скользящей средней в % (нижний ряд) (а – цены выше средней); 32 – цены на зерно: Испания верхний ряд, а дальше в порядке следования: Бельгия, Париж, Англия, юг Германии, Австрия, Польша (б – повышенные цены). Температура. 33 – Англия, гипотезы о тенденции за десятилетие, показатели температуры, все сезоны (а – тепло); 34 – Альпийские ледники, тенденция (а – отступание, б – наступание больше чем в XX в.).

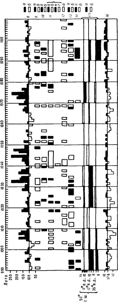
Зима. Температура. 1 – Франция – Германия – Италия, 2 – Западная Европа, 3 – район Северного моря, 4 – Центральная Европа, 5 – Россия, (а – холод, б – тепло), 6 – Гипотезы о тенденции за десятилетие, показатели температуры: верхний ряд – 50° с. ш., 0° в. Д.. средний ряд – 50° с. ш., 12° в. д., нижний ряд – 50° с. ш., 35° в. д. (а – холод, б – тепло). Осадки. 7 – район Северного моря (а – дождливо).

Лето. 8 – Аляска, индексы годичного прироста деревьев (а – большой прирост, тепло, б – малый прирост, прохладно); 9 – Франция – Германия – Италия (а – сухо, б – влажпо); 10 – Западная Европа (а – сухо, б – влажно, холод); 11 – район Северного моря (а – сухо, б – влажно, в – тепло, г – холодно); 12 – Западная Европа (а – наводнения); 13 – Центральная Европа (а – тепло, сухо, б – влажно); 14 – Россия (а – сухо, б – влажно); 15– гипотезы о тенденции за десятилетие, показатели влажности: верхний ряд – 50° с. ш., 0° в. д., средний ряд – 50° с. ш., 12° в. д., нижний ряд – 50° с. ш., 35° в. д. (а – сухо, б – влажно); 16 – Египет, уровень Нила во время высокой воды, м.

Общая информация. 17 – Египет, уровень Нила во время низкой воды, м; 18 – США, юго-запад, индекс прироста деревьев (а – сухо, б – влажно); 19 – Альпийские ледники (а – меньше или так же, как в XX в.); 20 – Франция – Германия – Италия (а – голод или неурожай, б – изобилие); 21– Западная Европа (а – повсеместный голод или неурожай, б – региональный голод или неурожай); 22 – район Северного моря (а – голод или неурожай).
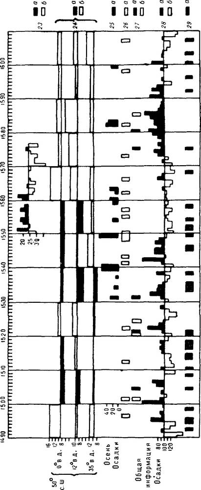
После цветов – плоды. Данные о времени созревания винограда – это известно уже со времен Анго [11] – представляют собой климатический документ первостепенного значения. Работы специалистов по виноградарству позволяют подвести итоги в этой области. Пьер Брана путем расчетов показал решающее значение «гелиотермического комплекса» для продолжительности периода созревания винограда: при безоблачной и теплой погоде в теплую часть данного года виноград вырастает скорее, и наоборот. В том же духе изучал поведение обычной виноградной лозы сорта Арамон Жорж Монтерло. Он рассмотрел холодный год (1932), когда созревание было поздним. Длительный дефицит тепла с февраля по сентябрь задержал сперва начало вегетации, затем цветение и сбор урожая, причем по мере развития сезона вегетации запаздывание все усиливалось. То же наблюдалось и в 1957 г., когда весенние заморозки и холодная погода, господствовавшая весной и летом, задержали сбор урожая и открытие общественных винных погребов на юге Франции. Работы Годара и Нигона указывают на существование линейной зависимости между летней температурой и датой сбора винограда [157; 43, стр. 56—71; 270].
Обратимся теперь к XVI в. В документации за этот период имеются некоторые местные ряды дат сбора винограда. Они относятся к виноградникам на севере, в восточной части, в центре (Дижон, Сален, Бург, Лозанна, Обонн, Лаво) или же на юге (Конта, Кверси, Лангедок, Жиронда и Старая Кастилия)[203]203
Ряды для северных и центральных районов по Анго [11], для южных районов по Ле Руа Ладюри (юг Франции), Гиацинту Шобо (Коита), Бениассару (Старая Кастилия) см. в Приложении 5 дайной книги, а также в Приложении 1 и на графике 1 в [231].
[Закрыть]. Эти кривые (нужно учитывать начиная с 1582 г. поправки грегорианского календаря) подтверждают постоянную связь двух смежных лет, которая показательна для общей сезонной тенденции изменения климата. Такая сходимость оправдывает объединение всех рядов. Подсчет средних позволил разработать общую диаграмму (XVI-16). Эта диаграмма дает для каждого года XVI в. среднее для Франции отклонение[204]204
Выражение упрощенное, так как эта средняя включает три ряда для Швейцарии (Обони, Лозанна, Лаво) и один ряд для Старой Кастилии (Вальядолид).
[Закрыть] даты сбора винограда (в днях) от соответствующей средней вековой даты. Так, на виноградниках, по известным данным, в 1545 г. сбор винограда происходит в среднем на пятнадцать дней раньше нормы для этого столетия, подсчитанной для каждой местности. А в 1600 г. эта дата, наоборот, запаздывает на восемь дней. Диаграмма XVI-16 дает наглядное представление о ежегодных отклонениях в течение века, и ее белые или черные «зубцы» являются функцией положительных или отрицательных флуктуаций средней температуры весны и лета, ее изменений от года к году.
Применение скользящего осреднения с периодом три года (XVI-16 бис) на втором этапе исследования позволяет сгладить диаграмму ежегодных данных (Приложение 7, XVI-16 бис), сохранив общий ход кривой. При этом срезаются наиболее выступающие пики кривой, но флуктуации циклического хода становятся более четко выраженными и группы лет с поздними и ранними датами ясно выделяются.
Аналогичная попытка была предпринята в отношении дат уборки хлебов (диаграмма XVI-12 и Приложение 7, XVI-12), насколько позволяли данные бухгалтерских книг, которые велись в некоторых церквах на севере Франции. Слишком короткий, приблизительный, местами с пробелами, этот ряд, кроме того, менее надежен, чем ряд данных о сборе винограда. Несомненно, дата уборки хлебов может действительно служить интегратором климатических условий. Так, в Провансе, Лангедоке и Каталонии, где уборка урожая начинается в июне, более поздняя жатва указывает на холодную весну и, наоборот, более ранняя – на теплую весну. Но если температура весны может играть роль основного определяющего фактора, то дата уборки хлебов, кроме того, иногда зависит от сроков сева. Сроки же устанавливаются земледельцами в зависимости от различных факторов (осенние дожди, состояние почвы, предварительная вспашка и т. д.). Следовательно, дата уборки хлебов, по скрытым причинам, – более сложное явление, чем дата сбора винограда. И ее не всегда можно объяснить только климатическими условиями.
Наконец, к фенологическим относятся источники, занимающие своеобразное положение. Они не отмечают, когда появился тот или иной цветок, созрел виноград или колос, а фиксируют характерную дату какого-либо заморозка, ледостава (или вскрытия реки), означающую начало или конец холодного сезона.
Так, ряд, построенный для Центральной Японии (озеро Сува), охватывает почти непрерывный период с 1444 по 1954 г. Священнослужители из расположенного поблизости храма наблюдали за озером и отмечали день, когда оно покрывалось льдом. Данные об отсутствии льда, показательные для многих зим, также можно найти в архивах. Продолжая работы Фудзивара, Аракава взял на себя оформление этой «озерной» хронологии за пять столетий. Диаграмма XVI-7 дает отрезок ряда, относящийся к интересующему нас периоду [15г.].
В Риге в старину записывались очень ранние ледоходы, даты открытия порта, освободившегося ото льда. В. В. Бетин построил по этим данным ряд от наших дней до XVI столетия (диаграмма XVI-6, Приложение 7, XVI-6, а также [26, стр. 54—125]. Анализ показал, что ряд прекрасно выдерживает проверку на согласованность, для чего достаточно сравнить эти данные с параллельными данными о Неве и об озере Кавалези в Финляндии [346, стр. 96—98], также показательными для климата Балтики. По трем рядам (Рига, Нева, Кавалези) можно установить существование одной тенденции к более раннему таянию льда, что объясняется некоторым потеплением в период 1880—1950 гг.
Отрезок (1530—1610 гг.) подтвержденного таким образом ряда для Риги приведен на диаграмме XVI-6 с некоторыми пробелами.
Кроме фенологических, в число первичных источников входят дендрологические исследования старых деревьев и колец годового прироста (tree-rings). Фрите, Гиддингс, Сирен дали для наших таблиц три группы диаграмм, относящихся к Юго-Западу США, Аляске и к Лапландии. Ряд для Скалистых гор, несомненно, самый богатый, составлен по «лесным архивам», накопившимся более чем за полвека в лаборатории дендрологии в Таксоне (Аризона). На двух диаграммах (XI-18 и XVI-28) показан средний индекс ежегодного прироста для пяти групп деревьев (две группы пихты дугласовой в Аризоне и три группы сосны Ponderosa в Монтане, Колорадо и Калифорнии). Выбранные деревья произрастают на исключительно сухих местах и чувствительны к засушливости. Следовательно, прирост годичных колец у этих деревьев находится в прямой зависимости от увлажненности и в обратной от индекса сухости (учитывающего одновременно осадки и испарение).









