Текст книги "Путешествия к Луне"
Автор книги: Владимир Сурдин
Соавторы: Вячеслав Шевчёнко,Вадим Чикмачёв,Юрий Шкуратов,Жанна Родинова,Кира Шингарева,Александр Марков
сообщить о нарушении
Текущая страница: 20 (всего у книги 33 страниц)
Из переговоров «Орла» с ЦУПом:
«Орел»: «…5½ вниз, 9 вперед…»
«…5 %. Горит „количество" 23 метра, все хорошо».
«…Вниз половина. 6 вперед…»
ЦУП: «…60 секунд» (это остаток топлива).
18-14 с. С высоты 20 м Армстронг облюбовал чистое от камней и рытвин место размером 30x30 м. Медленно, бочком, со снижением до 15–10 м, полностью гасит поступательное движение. Модуль снижается еще на 5 м, и тут Нил довольно резко двигается вперед метров на 10.
«Орел»: «…Огни включены. Вперед. Вперед».
«…Хорошо. 12 метров, вниз 2½· Немного пылим».
«…9 метров. 2½ вниз. Слабая тень».
14-5 с. Вот теперь пыль внизу разгулялась вовсю, но камни и яркие края небольшой цепочки из трех мелких кратеров продолжают хорошо просматриваться. Армстронг медленно ведет корабль к поверхности. На грунте (в правом верхнем углу кадра) показалась тень щупа посадочной опоры модуля, а через секунду – тень и самой «лапы». «Орел» покачивается, на миг тень опоры уходит вверх и тут же снова «впрыгивает» в кадр, уже вместе с тенью от посадочного двигателя. Снова их тени уходят вверх и снова появляются. Две секунды мы видим, как два мелких камешка «проплывают в тумане» под модулем, пересекая тень опоры по диагонали слева направо и сверху вниз, это значит, что модуль движется чуть вперед и влево. Высота 5–3 м.
«Орел»: «…4 вперед, 4 вперед. Сносит вправо слегка…»
«…6 (искажение) вниз половина…»
ЦУП: «…30 секунд».
«Орел»: «…Вперед… сносит вправо… контакт…»
5-0 с. Тень левой стойки и ее тарельчатой опоры видны очень хорошо и опустились уже на всю высоту окна. За тенью двигателя показалась и тень передней стойки с трапом для спуска на Луну. Неожиданно весь этот перевернутый «букет теней» резко занимает всю верхнюю половину окна, на мгновение замирает и сразу за этим начинает страшно разрастаться, занимает ¾, ⅘, ⅚ окна… еще секунда – и все замерло, камера «встала», в кадре чернота…
«Орел»: «…О’кей, двигатель выключен». И спустя некоторое время: «Оба режима управления на автомат».
ЦУП: «…Стало быть, сели, „Орел"?»
Т'+11:57 (102:47:07):
Армстронг: «…Хьюстон, здесь База Спокойствия. „Орел" сел».
ЦУП: «…Ну, мы снова дышим…» И позже: «…„Колумбия", он сел! „Орел" на Базе!»
«Колумбия»: «…Да, я все слышал, База… Вы действительно проделали фантастическую работу».
Армстронг: «…Спасибо, жди нас на орбите».
Просматривая сотни раз: в замедленном и ускоренном темпе, поступательным и обратным ходом – видеозапись последних секунд посадки, сверяя ее с фотопланом места прилунения, удивляешься хладнокровию и мастерству командира Армстронга. Нил поставил LM точно в центр сравнительно чистого участка, на почти одинаковом удалении от всех окружающих площадку неровностей – кратеров, вмятин, камней, с вертикальным креном всего 4,5°.
После посадки экипаж LM находится в режимах ожидания (Т1 + Т2): оставаться или аварийно стартовать с Луны?
Т1≈4 минуты – не разгерметизировать скафандры.
Т2 – время полного оборота CSM вокруг Луны, перчатки и шлемы уже можно снять.
После предстартовых аварийных операций астронавты показали землянам через окна лунную панораму и красочно описали детали пейзажа на месте посадки.

Рис. 6.34. «Гагаринская» улыбка Нила Армстронга: «Ну вот мы и на Луне!»
103:39:41. Еще до окончания Т2 «Орел» и ЦУП сверили время миссии: LM был в норме, они оставались! С Земли на борт полетел шквал поздравлений.
США, 20 июля, время в Хьюстоне 15.17. Все в ЦУПе, да и во всех Штатах просто «сошли с ума», даже слегка «позабыли» про экипаж и почти отмахивались от их восторженного описания вида за окном. Лес заранее приготовленных маленьких флажков США гулял по главному залу ЦУПа, дымили гигантского размера сигары… А что творилось на улицах города, да и всей страны!..
СССР, 20 июля, 24.00. В последних теленовостях диктор зачитал сообщение (цитирую по памяти): «Сегодня в 23 часа 17 минут и 43 секунды по московскому времени лунная кабина американского космического корабля „Аполлон-11“ совершила успешную посадку на поверхность Луны в районе Моря Спокойствия с координатами… Командир экспедиции Нил Армстронг доложил Центру управления: „Алло, Хьюстон, говорит База „Спокойствие". „Орел" на Луне"»…
У нас не было ощущения поражения в какой‑то «гонке», да мы и не знали про нее, но было странное «подвешенное» состояние души: а мы—тο, «первые – первые», – и что? История советской лунной пилотируемой программы – это отдельная и во многом еще темная комбинация трагических ошибок и заблуждений. Но наш рассказ не об этом.
На Луне утро, ослепительное Солнце невысоко (14°) над восточным горизонтом, голубая Земля высоко (60°) в черном небе. По плану перед выходом на поверхность астронавты должны были хорошо отдохнуть и даже 5 часов поспать. Но так как по пути к Луне «план по отдыху» экипаж перевыполнил, доктор Бэрри (главный врач программы) удовлетворил просьбу лунных пилотов отменить сон и приступить к EVA.
108:02. Дооснащение уже надетых на астронавтов скафандров снаряжением для EVA идет снизу вверх: лунные ботинки (slippers), ранцевые системы (PC) жизнеобеспечения, шлемы – колпаки и специальные лунные перчатки из тканого стального материала с резиновыми «наперстками» на каждом пальце. Затем скафандры герметизируются, и включаются индивидуальные СЖО.

Рис. 6.35. Тот самый «маленький шаг» (телепередача).
108:21. Астронавты проверяют готовность водяного охлаждения скафандра к включению (охлаждение начинает полноценно функционировать только в полном вакууме, после разгерметизации кабины).
Армстронг: «Моя антенна скребет о крышу. Мы приступаем к разгерметизации кабины». Давление во взлетной ступени начинает падать.
108:22. Олдрин в шутку замечает, что они выйдут на свидание с Селеной небритыми.
108:42. Астронавты завершают проверку всех систем LM и «зачищают» модуль: все ненужные свободные предметы запихивают в пристенные ящички в «коридоре» LM.
108:53. Проверяют аварийные СЖО и приступают к открытию выходного люка.
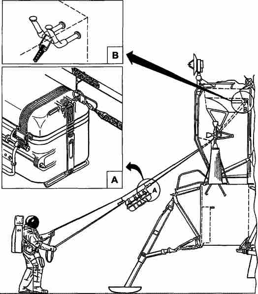
109:07:05. Люк открыт. Нил продвинулся к выходу. Базз подготовил сумку с фотокамерой, тефлоновыми пакетами – контейнерами для образцов и маленький «сачок» с ручкой. Сумка подвешивается карабинами к спускаемому за борт «лунному конвейеру оборудования» (Lunar Equipment Conveyor, LEC), который сами астронавты называют «бельевой веревкой». Это длинная петля из ремня, пропущенного через ролик в кабине. Астронавт натягивает ее после выхода из LM и, перебирая руками, создает «конвейерную ленту», с помощью которой можно (теоретически) втягивать груз в LM или спускать его вниз.
109:15. Нил на четвереньках, ноги уже снаружи, а голова и плечи еще в LM. Базз подает ему сумку, Нил кладет ее на площадку за люком снаружи.
109:19. Нил на наружной площадке у люка.
109:20. Тянет за кольцо замка, открывающего наружный отсек хранения модульного оборудования (MESA); отсек откидывается – раскрывается, включается находящаяся в нем черно – белая телекамера, начинается трансляция выхода астронавтов на Луну (первые 30секунд – вверх ногами).

Рис. 6.36. Lunar Equipment Conveyor (LEC) – это капроновый ремень, натягиваемый астронавтами из кабины к поверхности. К нему карабинами подвешивается груз и перемещается в нужном направлении (альпинисты с помощью подобного устройства переправляют себя и грузы через ущелья).
С момента открытия выходного люка до первого шага по Луне пройдет около получаса. Жена Армстронга будет впоследствии подшучивать над мужем: «Он тянул время, так как не придумал еще, что же он скажет, ступив на Луну».
На площадке Армстронг осматривается – первая ступенька трапа кажется ему «несколько разрушенной, но пригодной для использования». От нижней ступеньки до грунта 76 см; планировалось, что LM прилунится с некоторой вертикальной скоростью, и посадочные стойки укоротятся от удара, но Армстронг выполнил абсолютно мягкую посадку. Поэтому, спустившись до конца трапа, дальше он должен был спрыгивать на тарельчатую опору передней стойки. Выбирался он из люка по площадке к трапу около 10 минут; по трапу он двигался как кошка, которая с сухого крыльца спускается на мокрую траву.
109:21. «Я стою на трапе. Потребуется небольшой прыжок… Я собираюсь спуститься…» Следующие 4 минуты удивительно напоминают первые шаги ребенка, впервые вставшего на ноги. Посудите сами…
На последней ступеньке раздумывал 1 минуту 9 секунд, затем крайне осторожно, «на руках» (держась за вертикальные планки трапа), скользя бедрами по последней перекладине, 10 секунд спускал тело вниз (словно с дерева слезал, обнимая ствол) и поставил ноги на тарельчатую опору стойки. Замирает на 5 секунд и, отталкиваясь ногами от тарельчатой опоры вверх, испытывает возможность возвращения назад. Но прыжок был явно слабым, и астронавт, дотягивая себя руками, только с трех дожимов (9 секунд) с трудом попал ступнями на нижнюю планку трапа. Еще 9 секунд переводит дыхание и уже смело спрыгивает с легким горизонтальным толчком от трапа руками, не отпуская вертикальные планки трапа, а скользя по ним кистями рук. Через 1,5 секунды плавный (слабая гравитация!) соскок уже уверенно заканчивается все на той же тарельчатой опоре стойки LM.
Около минуты он еще держится за трап, затем отрывает левую руку и поворачивается лицом к телекамере. Чуть больше минуты смотрит на почву у тарельчатой опоры и первый раз касается ее носком ботинка. Еще через 1,5 минуты первый раз наступает на лунный грунт одной ногой, затем возвращает ногу на опору. Делает это еще и еще, все с большим нажимом в течение 1 минуты 12 секунд. Пятисекундная пауза, и Нил сходит с опоры на грунт обеими ногами. Но почти сразу же хватается руками за горизонтальную распорку стойки и еще 15 секунд припрыгивает, как бы утаптывая почву под собой. Наконец отрывается от «маминой ручки» и начинает двигаться по Луне «на своих двоих».
109:24:20. Армстронг окончательно убедился, что Луна его держит, и произнес исторические слова: «Один маленький шаг человека – гигантский скачок человечества».
В Москве было ранее утро 21 июля, 05:56. Увы, почти все отечественные публикации об «Аполлоне-11» повторяют однажды запущенную лживую сенсацию – «только СССР и Китай не уважили родное население и не показали прямые телетрансляции выхода американского астронавта на Луну». Это неправда. Показали, только не в 5:56 утра, когда многие советские люди спешили на работу, а в новостных выпусках, почти каждый час, весь день.

Рис. 6.37. Фотокамера Hasselblad EDC, которой пользовались все лунные экспедиции. 12 таких камер остались на Луне, и только их кассеты с 70–миллиметровой пленкой вернулись на Землю. Каждая кассета содержала 160 кадров цветной или 200 кадров черно – белой пленки.
109:25. Нил осмотрелся и начал описывать пейзаж: «Поверхность блестит и покрыта пылью… Я могу свободно собрать ее носком ноги… Я вижу следы моих ботинок на мелкой песчаной пыли… Вроде здесь передвигаться даже легче, чем на тренажере… Кажется, при передвижении трудностей не будет…» Он поднял голову и увидел Олдрина в окне LM. Базз спокойно ждал, пока командир займется наконец чем‑то серьезным.
Все инструменты для работы на поверхности находятся в наружном отсеке MESA. Но перед первым выходом на Луну фотокамера и тефлоновые пакеты для образцов грунта были в кабине (вдруг MESA заест и не откроется после жесткой посадки), так что сейчас они лежали в сумке на площадке у люка LM. Армстронг натягивает «бельевую веревку» LESO, конец которой он сбросил вниз, выходя из LM, и которая свисала теперь с площадки между трапом и раскрытым MESA. Базз аккуратно спускает по LEC сумку; спустя 4 минуты она внизу; Нил вынимает камеру, прикрепляет ее к груди (2 минуты) и отходит от LM метра на два – фотографировать панораму места посадки (pani). Время первого лунного кадра (AS11-40-5850) – 109:30:53.
Для взятия «аварийного образца» грунта – на случай экстренного старта с Луны – Нил собрал черпак (сачок + ручка) и стал довольно неуклюже царапать им лунную поверхность. Зачерпнув горсть пыли и несколько мелких камешков, он снял сачок с ручки, переложил его в тефлоновый пакет, подвешенный к рукоятке фотокамеры, и отнес пакет с образцом в сумку. Затем вынул из кармана новый сачок, надел его на ручку и повторил операцию. Второй «аварийный образец» он также отнес в сумку, а не нужную более ручку «сачка» просто выбросил за спину.
Два главных дела были сделаны. «Я немного вспотел», – радостно доложил Нил.
109:39:57. Пришла пора удвоить население Луны: пилот «Орла» Олдрин выбирается через люк, а Нил подсказывает ему, как не зацепиться ранцем за края. Базз на верхней площадке. Нил фотографирует его и дает советы: «Спускаться очень удобно – три шага и затем один длинный шаг».
Сойдя с площадки на первую перекладину трапа, Базз решил вернуться и тщательнее прикрыть дверцу: «Я вернусь прикрыть крышку люка, на ближайшие часы это наш дом, и я хочу о нем позаботиться». Как и Нил, Базз испробовал процедуру возвращения обратно на трап LM. Первая попытка, как и у командира, получилась неуверенной, зато во второй раз он оттолкнулся сильнее и эффектно взлетел на нижнюю перекладину.
109:42:50. Закончив с прыжками, Олдрин сходит с опоры LM на Луну. Какое‑то мгновение он не может сосредоточиться, потрясенный той особой красотой Луны, которая будет поражать всех лунных путешественников: «Великолепное запустение!»
Наконец‑то командир и пилот встретились на Луне. Тесных объятий или ударов рука об руку (как в кинофильме «Аполлон-11») не было, ведь у Нила на груди торчала солидная камера «Хассельблад». Вместо этого была чрезвычайно милая сценка – две сутулые белые «гориллы» несколько секунд приветственно подпрыгивали друг перед другом. Попрыгав, стали обмениваться впечатлениями. Олдрин заметил, что он еще ничего не сделал, а скафандр уже выпачкан пылью, которая, видимо, осела на трап во время посадки. Оба отметили, что ранцевая система за плечами почти не стесняет движений благодаря мягкой и эластичной ткани скафандров. Затем астронавты обратили взоры на грунт под посадочным двигателем и удивились, что реактивная струя не вырыла в порошкообразном материале заметной воронки, а лишь оставила на поверхности радиально разбегающиеся следы. Осмотрев посадочные стойки, отметили, что все три щупа согнуты в одном направлении, что говорило о наличии у LM боковой скорости при посадке. (На стойке с трапом щупа не было, так как при посадке он мог бы загнуться вверх и стать препятствием при спуске с трапа.)
109:47. Армстронг распаковывает MESA, а Олдрин учится ходить, маяча туда – сюда перед камерой, рассматривая лунную поверхность и рассказывая о свойствах грунта.
109:49. Распаковали MESA, Нил сменил объектив на телекамере в MESA. Достали из сумки мемориальную табличку – пластину с хомутиком – и за пару минут прикрепили ее к расчищенному от экранирующей фольги участку передней стойки, между 7–й и 8–й ступеньками. На табличке – карта Земли с контурами материков (в далеком будущем это поможет определить эпоху, ведь материки движутся) и текст: «Здесь люди с планеты Земля впервые ступили на Луну. Июль 1969. Мы пришли с миром от всего человечества». Внизу четыре подписи: Армстронг, Коллинз, Олдрин, Никсон.

Рис. 6.38. Базз Олдрин выходит на прогулку по Луне. На верхнем левом фото под LM видна белая сумка, в которой Армстронгу спустили фотокамеру и пакеты для образцов грунта.

Рис. 6.39. Разгрузка научных приборов на солнцепеке.
109:51. Достали из MESA телекамеру с длинным кабелем, прикрепили к ней треногу, и Нил понес ее на север, выбирая место для установки. Несколько минут изображение прыгает в такт шагам астронавта.
Нил: «…40–50 шагов, я боюсь [дальше тянуть кабель], Базз».
Базз: «Повернись кругом и покажи им пейзаж… ты запутался в кабеле».

Рис. 6.40. Прогулка Олдрина по Луне.
109:56. Камера установлена в 17 м от LM; земляне увидели на своих экранах лунный модуль в полный рост. Еще 2 минуты ЦУП корректирует наводку камеры, и еще 3 минуты Нил медленно поворачивает ее, показывает землянам круговую панораму места посадки. На горизонте нет ни гор, ни сколько‑нибудь заметных деталей рельефа: кажется, что это плоская как стол равнина. Но так видела пейзаж телекамера. А глаза астронавтов замечали в направлении на Солнце некоторую холмистость. Вероятно, это были те самые кратеры в 800 м от места прилунения, над которыми снижался «Орел». А в направлении от Солнца, на расстоянии не более километра, возвышался холм.
110:02. Пока Нил занимался камерой, Базз установил «рабочий стол» (привел в горизонтальное положение примыкающий к MESA щиток), развернул оборудование и взялся за установку «ловушки солнечного ветра» (SWC) – листа алюминиевой фольги, подвешенного на вбитый в грунт штырь.

Рис. 6.41. Олдрин установил «ловушку солнечного ветра».
110:03. В кадр телекамеры входит Армстронг, идет к Олдрину, устанавливающему SWC и фотографирует его своей нагрудной камерой. К сожалению, фотокамера была одна, поэтому на качественных снимках присутствует только Базз.
110:04. Оба астронавта в кадре: Нил подошел к Баззу, «пошептались» о чем‑то и походочкой медвежат потрусили к MESA. Три минуты там копались. По обрывкам фраз понятно, что они расчехляют флаг.
Нил: «…Если ты сможешь вытащить этот конец, открою шампанское…

Рис· 6.42. Учимся работать на Луне
Базз: «…Не вытаскивается… Ну вот».
110:06:30. Бодро отходят от MESA с длинным предметом в руках и приступают к установке на Луне национального флага США. Через две минуты флаг разворачивается на еще не закрепленной стойке, еще две минуты астронавты ее крепят.
110:10:33. Флаг установлен, астронавты отступили на несколько шагов и замерли, глядя на символ своей страны, доставленный ими на Луну.
В этот момент на Земле младшего Майка (сына Коллинза) спросили: «Ты знаешь, что твой папа войдет в историю?» Мальчишка, не задумываясь, ответил: «Да». Затем, смутившись: «А что такое история?» Когда Нил и Базз установили флаг, отец Майка на орбите, следя за их переговорами, восторженно произносит вслух: «Это – история!» (Хорошее объяснение сыну – прямо с орбиты Луны.)
110:11:30. Следующие три минуты Армстронг готовил оборудование и инструменты в MESA, а Олдрин не без удовольствия исполнял по просьбе ЦУПа «танцы на Луне»: бегал между LM и телекамерой, перепробовав всевозможные способы передвижения – от широкого шага до «скачков кенгуру».
110:14:27. ЦУП вежливо просит астронавтов оторваться от дел и подойти на минуту к флагу, желательно обоим попасть в кадр обеих телекамер, наружной и камеры внутри LM: их вызывал по телефону из Белого дома президент США Ричард Никсон. В кадре наружной камеры Нил стоял ближе к LM (слева), Базз – справа от модуля и флага. Поза Армстронга напоминала расслабленную стойку боксера, поза Олдрина была напряженной, исполненной торжеством момента.

Рис. 6.43. Знаменитое фото «Первый человек на Луне» (в архиве NASA его номер AS11-40-5903). На самом деле это Эдвин Олдрин, ступивший на Луну вторым. А «первого человека на Луне» – Армстронга – с трудом можно разглядеть в отражении в позолоченном стекле шлема Базза. Там же отражаются «Орел» и… голубой шарик Земли высоко в небе.
110:15:23. Астронавты по – офицерски отдали честь своему президенту и вернулись к графику работы. После разговора с президентом капкомы и специалисты ЦУПа несколько минут вели технические переговоры с орбитальным модулем «Колумбия» и про астронавтов на Луне слегка позабыли, даже просили не мешать, когда те встревали в разговор с Майком. На экране было видно, что Нил копается в MESA, а Базз уже не так энергично, как во время «обязательного танца», задумчиво слоняется по поверхности.
110:19:41. Наконец Нил отходит от MESA с грунтозаборным ковшом в руках, и вместе с Баззом они приступают к сбору основного комплекта геологических образцов метрах в 5-10 от модуля. Но Базз помогал недолго: через 3 минуты он оставил командира упаковывать образцы, а сам вооружился фотокамерой, отошел метров на 15 от корабля и сфотографировал панораму

Рис. 6.44. Работа грузчика на Луне не тяжелая, но пыльная.
110:34:13. Нил за время отсутствия Базза весьма энергично поработал черпаком и теперь герметизирует собранные образцы.
110:41:07. Олдрин заканчивает фотографировать узлы LM и устно описывать их состояние после посадки. Он передает фотокамеру Нилу, и тот, фотографируя Олдрина, делает самые знаменитые кадры этой экспедиции (AS11-40-5902 и AS11-40-5903).
110:50:34. Стоя рядом с лунным модулем и подняв объектив фотокамеры почти вертикально, астронавты поймали в кадр маленькую голубую полусферу в бескрайнем черном небе – родную планету Земля (AS11-40-5923 и AS11-40-5924).

Рис. 6.45. Отражатель лазерного сигнала. Справа от него – стереокамера Голда для детального изучения структуры грунта.

Рис. 6.46. Сейсмометр установлен, солнечные панели развернуты.

Рис. 6.47. Панорама № 5, снятая Н. Армстронгом на максимальном расстоянии от места посадки. Справа – 33–метровый кратер East.
110:53:00. Олдрин открывает грузовую секцию № 2 для извлечения из нее двух научных приборов. Сокращенный комплект научного оборудования EASEP состоит из пассивного сейсмометра и лазерного отражателя, которые извлекаются из грузовой секции ременной тягой через блок на откидывающемся кронштейне. Чтобы выдернуть прибор, требуется реальное усилие: на телекадрах было видно, что Олдрин тянул на себя ремень двумя руками, широко расставив ноги и вкладывая в рывки всю свою массу. Нил при этом фотографировал процесс выгрузки и делал кадры для «панорамы № 4», но при необходимости моментально подбегал на помощь Баззу – принять, мягко опустить на грунт и снять приборы с блока.
110:59:28. Разгрузив секцию, Олдрин, не мешкая, ухватил в каждую руку по прибору и понес их на юг в поиске ровного места для установки. Нил последовал за ним, не забывая делать снимки. Метрах в
20 от LM на юг определились с местом установки. Базз оставляет лазерный отражатель Нилу, а сам проходит еще несколько метров и начинает раскладывать сейсмометр. Хотя комплект научной аппаратуры был сокращенным, повозиться с ним пришлось. Отражатель установили за пару минут: ему не требуется очень точная ориентация. А с сейсмометром были проблемы: одну из солнечных панелей Баззу пришлось раздвигать вручную. А потом вдвоем выставляли сейсмометр по уровню: пузырек упорно не попадал на середину.
111:10:30. ЦУП продлил время пребывания на Луне на 15 минут; из них 10 дано на документированный сбор минералов и взятие двух колонок (кернов) грунта.
111:11:00. Базз сразу возвращается к LM брать керны, а Нил совершает индивидуальный марш – бросок к 33–метровому кратеру в 55 метрах от LM, тому самому, над которым они пролетали за 20 секунд до прилунения. Это была импровизация Нила. Вместо начала второго сбора документированных образцов он вдруг, ничего не говоря ЦУПу, скоренько по – медвежьи затрусил куда‑то вдаль. И прежде чем в ЦУПе раскрыли рты: а куда это наш Нил? – Армстронг был уже у кратера и фотографировал «панораму № 5», лучшую панораму экспедиции, в направлении от солнца и с наиболее удаленного и возвышенного места.

Рис. 6.48. Схема расположения LM, научного оборудования и маршрутов перемещения астронавтов.
111:15:13. Нил возвращается к LM и застает там Базза, вколачивающего в Луну грунтозаборник. Второй керн Базз взял в 3 метрах от первого.
111:20:00. Дальше по телерепортажу чувствуется некоторая суета. Собственно, астронавтов никто особенно не торопит, но они как-то истово «доколачивают» отстающий от графика план. Базз быстро снимает и сворачивает «солнечную ловушку», идет к MESA, чтобы взять для нее футляр, и так резко поворачивается, что падает на колени, но тут же встает. Нил мечется по площадке с клещами для сбора образцов, при этом энергично и не очень избирательно дощелкивая последние кадры фотокассеты.

Рис. 6.49. Расположение астронавтов во взлетной ступени лунного модуля. Слева: в таком положении пилот управляет полетом. Справа: а так Армстронг и Олдрин пытались провести свой последний эксперимент – заснуть в LM.
111:22:04. Сбор образцов завершен. Вдвоем впихивают «солнечную ловушку» в футляр, и Базз идет к трапу. Через минуту он уже наверху, у люка. Открывает его и ждет, пока Нил уложит в сумку футляр с ловушкой, фотокассеты и фильтры СЖО LM. Поднимает за ремень сумку на площадку, сует ее в люк и влезает вслед за ней.
111:31:07. Начинается подъем контейнеров с образцами. Нил с силой, отклоняясь всем телом, натягивает ремень LEC, и первый контейнер, раскачиваясь, неспешно поднимается в кабину. За ним следует и второй контейнер.
111:37:32. Армстронгу тоже пора возвращаться. Около минуты он задумчиво стоит у трапа: то ли прощается с Луной, то ли ждет, когда Базз освободит проход. Потом тщательно «по – земному» вытирает ноги о тарелку опоры, словно о коврик перед дверью, и, резко оттолкнувшись, «взлетает» на первую ступеньку трапа. Забраться в ВС оказалось сложнее, чем выбраться наружу. Олдрин помог Армстронгу протиснуться внутрь и закрыл люк на Луну.

Рис. 6.50. «Орел» (то, что от него осталось) возвращается. В этом угловатом «летающем шифоньере» двое смельчаков стоя несутся над безжизненной планетой, мечтая поскорее отправиться к другой – голубой.
111:39:15. Астронавты «дома». Олдрин был снаружи 1 час 42 минуты, Армстронг 2 часа 13 минут. Во взлетную ступень загружены: сумка с отснятыми на поверхности фотокассетами, свернутая SWC и два контейнера с образцами лунного грунта общей массой 21,6 кг. Еще раз открыли люк и сбросили вниз использованное оборудование. Затем – герметизация и наддув кабины кислородом, переключение шлангов скафандров на СЖО ВС, снятие ранцевых СЖО, лунных перчаток и ботинок.
115:10. Итак, дело сделано, до старта с Луны осталось 9 часов 12 минут. Последним экспериментом был сон: по программе астронавты должны были «обязательно поспать» на Луне. Требовалось узнать, как это получится, ведь предстояли 2– и 3–дневные экспедиции. Опыт оказался отрицательным. Кабина не имела обогрева, и хотя температура ее кислородной атмосферы теоретически должна была поддерживаться на уровне +18 °C, было очень холодно. Не спал Армстронг, устроившийся на взлетном двигателе, не спал и Олдрин – на полу.
124:22-130:45. После уверенного старта ВС с Луны, маневрирования на орбите, встречи и стыковки с «Колумбией» из уст Армстронга прозвучало почти родное: «Приехали!»
131:33. По возвращении астронавтов с лунной поверхности на орбиту они получили из ЦУПа море поздравлений, даже от премьер – министра СССР Косыгина (правда, косвенно, через бывшего вице – президента Хемфри, находившегося с визитом в СССР). «Нью– Йорк Таймс» вышла с самым крупным заголовком в своей истории. Астронавты пошутили по поводу своего «большого вклада» в историю печати, передали привет миллионам американцев.
135:25. ВС отстыкована, включен маршевый двигатель CSM, и корабль повез их домой.
24 июля в 195:18 (19 час 49 мин по московскому времени) «Аполлон-11» приводнился в Тихом океане. Первое межпланетное путешествие землян счастливо окончилось.








