Текст книги "Как растения защищаются от болезней"
Автор книги: Ольга Озерецковская
Соавторы: Лев Метлицкий
Жанры:
Биология
,сообщить о нарушении
Текущая страница: 13 (всего у книги 13 страниц)
В тропиках долгое время не удавалось получать урожай яблок, так как яблони, как и другие растения умеренной зоны, приспособились пребывать в состоянии покоя под влиянием низких температур, которых нет в тропиках. Опыт последних лет показал, что и вблизи экватора можно получить товарное производство яблок. Нанесение деревьям механических поранений выводит их из состояния покоя, так же как и холод. Поэтому начиная с годовалого возраста яблони в тропиках подрезают и срывают листья. Их продолжают срывать и в дальнейшем после каждого сбора. Подобная работа является очень трудоемкой. Но, по свидетельству плодоводов, качество получаемых плодов вполне удовлетворительное.
К. А. Тимирязев в своих замечательных лекциях о жизни растений, прочитанных 100 лет тому назад, отмечал, что пи одно явление в жизни растений не обращало на себя так много внимания, как пробуждение растений от покоя. С тех пор сделано немало, чтобы приподнять завесу над этой тайной природы. И хотя многое остается еще неясным, в ряде случаев уже удается найти новые подходы для управления, состоянием покоя.
Преждевременное прорастание является серьезным источником потерь при храпении картофеля и некоторых овощей. Собственно, в состоянии покоя пребывают лишь меристематические ткани, на долго которых в клубнях картофеля, например, приходится лишь 1 % их массы. Это так называемые «глазки»..
Клубни картофеля в силу высокого содержания в них воды и питательных веществ особенно уязвимы для фитопатогенных микроорганизмов. Причем особенно уязвимы меристематические ткани, те самые, которые находятся в состоянии покоя. Они могут позволить себе пребывать в покое только потому, что находятся под иммунологической охраной паренхимных тканей клубней.
Именно тогда, когда меристематические глазки «спят», паренхимные ткани клубня стоят на их страже: они обладают особенно высокой способностью быстро и интенсивно образовывать фитоалексины, отвечать реакцией СВЧ в ответ на внедрение патогена, активно образовывать раневую перидерму. Клубни тех сортов картофеля, которые обладают более длительным периодом покоя, характеризуются и более продолжительной устойчивостью к болезням. Как только период покоя у меристем: заканчивается, они могут прорастать и давать, начало новому растению, т. е. выполнять возложенную на них природой функцию, устойчивость паренхимных тканей быстро падает. Отсюда следует: важный практический вывод: сумейте продлить период покоя, и вы сумеете продлить период устойчивости и тем самым одновременно решить две задачи: задержать преждевременное прорастание клубней и защитить их от болезней. Причем речь идет именно о продлении периода, покоя, а не об искусственном подавлении прорастания клубней, поскольку это совершенно разные вещи.
Дело в том, что большинство методов, препятствующих прорастанию, основало на его необратимом подавлении. Примером этому является уже упомянутое γ-облучение, под действием которого деградируют точки роста у клубней, нарушается их структурная и функциональная целостность, а следовательно, и иммунологический контроль. Такие клубни мало синтезируют фитоалексинов и слабо образуют перидерму. Выходит, что методы, подавляющие прорастание клубней и тем самым предохраняющие их от одного вида потерь, как правило, нарушают свойство их естественной устойчивости, из-за чего возрастают потери другого рода.
Способ продления периода покоя для предупреждения прорастания принципиально отличается от подавления прорастания тем, что иммунологический контроль клубней в этом случае не только сохраняется, но продолжает оставаться на высоком уровне. Но для того чтобы продлить покой, нужно знать механизмы, его регулирующие. Наиболее изученными механизмами, регулирующими покой и переход к активному росту, являются фитогормоны. В клубнях картофеля обнаружены все известные фитогормоны, причем в состоянии покоя ведущую роль играет абсцизовая кислота. Это позволяет логически продолжить ту формулу, которая уже была приведена: если хотите продлить период покоя, а следовательно, и устойчивости, то сумейте индуцировать в клубнях образование фитогормона либо найдите способ поддерживать его содержание на нужном уровне. Индуктором образования абсцизовой кислоты оказался этилен, физиологическая активность которого была открыта более 80 лет тому назад Д. Н. Нелюбовым. Новые возможности для применения этилена как фитогормона появились сейчас благодаря синтезу его продуцентов, выпускаемых под разными названиями: этрел, гидрел, дигидрел, компазан. Под влиянием обработки гидрелом в картофеле индуцировалось образование абсцизовой кислоты, содержание которой оставалось на довольно высоком уровне. После обработки гидрелом клубни картофеля не прорастали даже после весьма длительного хранения. Но как только содержание абсцизовой кислоты снижалось и период покоя заканчивался, клубни начинали нормально прорастать и могли быть с успехом использованы для семенных целей.
Так, теоретическая разработка природы состояния покоя, проведенная в нашей лаборатории Н. П. Кораблевой, позволила создать метод предупреждения прорастания клубней без нарушения их иммунологического контроля.
Применение продуцентов этилена оказалось столь же эффективным и для сокращения потерь при храпении репчатого лука и корнеплодов.
Старение есть не столько прожитое, сколько нажитое
Согласно ранее существовавшим представлениям, старение всех организмов наступало вследствие истощения у них энергетических и пластических ресурсов. Поэтому основное внимание исследователей в области храпения плодов долгое время было сосредоточено на использовании возможно более низких температур, для того чтобы замедлить дыхание плодов и подавить деятельность фитопатогенных микроорганизмов. Но сейчас уже хорошо известно, что старение плодов, как и других микроорганизмов, связано не столько с истощением их ресурсов, сколько с накоплением различного рода токсических веществ, которые в молодых плодах вовлекаются в обмен. К примеру, после 9-месячного храпения некоторых сортов яблок в холодильниках содержание сахаров в них уменьшилось лишь на 30 %, тогда как содержание спирта возросло в 2 раза, ацетальдегида – в 4 раза, а некоторых перекисей – в 10 и более раз. В результате способность яблок продуцировать фитоалексины падала в 4–5 раз. Одновременно развивались неинфекционные болезни, внешне проявляющиеся в патологическом побурении плодов.
Уже более 50 лет изучается обнаруженный при созревании многих видов плодов кратковременный подъем дыхания, названный климактерическим, который соответствует кульминации процессов созревания, вслед за чем наступает перезревание. Климактерическому подъему дыхания предшествует биосинтез этилена – основного гормона созревопия, который индуцирует ряд ферментов, характерных для процесса старения. Одним из таких ферментов является малатдегидрогенеза декарбоксилирующая, названная ферментом старения. Его максимальное активирование совпадает с пиком климактерического подъема дыхания. Фермент декарбоксилирует (освобождает СО2) яблочную кислоту, превращая ее в пировиноградную, которая также декарбоксилируется, образуя ацетальдегид. Ацетальдегид и другие токсические продукты, накапливающиеся в ткани, нарушают структуру мембраны вакуоли, в результате чего содержащиеся в ней полифенолы проникают в цитоплазму, где и окисляются полифенолоксидазой, вызывая побурение тканей.
В плодах на последних этапах роста обнаружен сесквитерпеноидный углеводород – фарнезен. Будучи соединением с двумя сопряженными связями, фарнезен легко подвергается перекисному окислению с образованием перекисей, гидроперекисей и свободных радикалов. Имеется большое число работ о накоплении продуктов перекисного окисления липидов в самых различных стареющих организмах, в том числе и у растений.
Из вышесказанного вытекают пути регулирования старения плодов. Именно регулирования, а не подавления, поскольку там, где имеет место только подавление, нарушается иммунологический контроль, что зачастую превращает, победу в поражение. Если старение характеризуется усилением окислительных процессов и повышенным выделением СО2, то пониженно содержания кислорода в среде задержит процессы перекисного окисления липидов и биосинтез этилена, а повышение содержания углекислого газа по законам обратной связи затормозит процессы декарбоксилирования яблочной и пировиноградной кислот, а следовательно, накопление в клетке ацетальдегида и спирта. Тем самым отдаляется наступление климактерикса и старения.
Другой путь избежания накопления в тканях плодов высокотоксических гидроперекисей основан на применении антиоксидантов, действующих по тому же принципу, как и природные антиоксиданты, содержание которых в растительных клетках по мере старения уменьшается. Хорошие результаты были получены при применении антиоксиданта – дилудииа, который тормозит окисление фарнезена и накопление его перекисных продуктов и тем самым позволяет избежать побурения яблок. Теоретические основы старения плодов и способов его регулирования успешно разрабатываются в нашей лаборатории Е. Г. Сальковой.
Здесь приводятся примеры храпения клубней и плодов, уже отделенных от материнского растения, не только потому, что они являются хорошей биологической моделью для изучения иммунологического контроля при покое и старении, по и потому, что сохранить их не менее трудно, чем получить.
Весьма актуальным является дальнейшее более разностороннее изучение периода покоя растений и их перехода к активному росту, а также механизмов старения и связанного с ним возникновения функциональных расстройств и ослабления иммунной системы, создающей угрозу поражения болезнями. Такие исследования могут открыть новые подходы для защиты урожая от потерь.
ЗАКЛЮЧЕНИЕ
Наша книга подходит к концу. Вместе с читателем мы проделали большой и нелегкий путь. При этом, хотя мы и стремились к систематичности и равномерности изложения материала, все же невольно останавливались на том, что нас более всего занимало. А занимали нас те проблемы, над которыми на протяжении многих лет работает коллектив лаборатории иммунитета растений Института биохимии им. А. Н. Баха АН СССР.
В своих устремлениях мы забегали даже туда, где почва еще не отвердела и движение вперед пока затруднительно. Наша книга не изобилует примерами, поскольку большое число их, по нашему мнению, нарушает стройность изложения. Основная мысль, которую мы стремились проводить на протяжении всей книги, – это необходимость познания явлений природы, с тем чтобы следовать ее же законам в реализации на практике своих достижений. Иными словами, познавать сущность явления, чтобы его использовать. При этом мы руководствовались мудрым правилом: «пет и не может быть ничего практичнее, чем хорошая теория». Примеров здесь может быть сколько угодно.
Если для успешного протекания раневых реакций нужна повышенная температура, влажность и кислород, то активное вентилирование хранящихся плодов и овощей воздухом определенных параметров должно создавать условия для успешного залечивания поранений.
Если продление периода покоя клубней картофеля удлиняет период их устойчивости, то поддержание на определенном уровне фитогормонов, контролирующих покой, должно защитить картофель как от прорастания, так и от поражения фитопатогенными микроорганизмами.
Если включение защитных реакций растений зависит от распознавания элиситеров фитопатогенов, то задача заключается в том, чтобы отыскать у паразита такой элиситер. Если же природа позаботилась о том, чтобы заблокировать элиситер соответствующим супрессорой, то следует обнаружить не только элиситер, но и супрессор, отделить один от другого, а затем уже освобожденным элиситером в соответствующей концентрации иммунизировать растения.
Иммунизация растений с помощью элиситеров практически означает придание растению временного свойства горизонтальной устойчивости, которая с трудом преодолевается фитопатогенами.
Использование мультилинейных сортов основано на создании разнообразия генофонда устойчивости, что является характерным для дикорастущих растений.
Число таких примеров можно было бы увеличить. Причем мы говорим только о тех из них, которые перестали быть белыми пятнами в науке о болезнях растений. А сколько их еще вокруг нас. Усилиями различных коллективов исследователей во мраке неизведанного время от времени удается высвечивать контуры тех или иных форм, основания которых продолжают теряться в неизвестности. Недаром говорят, что у науки есть одно печальное свойство – она рассеивает очарование тайны.
Фитоиммунология – относительно молодая дисциплина. Все основные открытия у нее еще впереди. И мы надеемся, что в приоткрытую нами дверь в эту интереснейшую область науки войдут новые исследователи, которые и совершат эти открытия.
ПОСЛЕСЛОВИЕ
Когда материалы этой книги были уже подготовлены к печати, скончался один из ее авторов – заслуженный деятель науки, профессор Лев Владимирович Метлицкий, который почти в течение четверти века бессменно возглавлял лабораторию иммунитета растений Института биохимии им. А. II. Баха АН СССР. Профессор Л. В. Метлицкий являлся создателем оригинального направления в фитоиммунологии, согласно которому главная функция иммунитета растений, как и животных, состоит не только в защите организма от инфекционных болезней, по и в поддержании его структурной и функциональной целостности на основе способности организма распознавать и отторгать генетически чужеродную информацию.
Профессор Л. В. Метлицкий был признанным лидером советской школы индуцированного фитоиммунитета. Под его руководством впервые в стране развернулись исследования по изучению индуцированных антибиотиков высших растений – фитоалексинов, а также индукторов и супрессоров их образования. На этом основании им совместно с доктором биологических наук О. Л. Озерецковской был разработан и апробирован принципиально новый метод иммунизации растений, основанный на использовании тех же механизмов, с помощью которых растения защищаются в природных условиях.
Профессор Л. В. Метлицкий постоянно стремился реализовать на практике результаты своих теоретических достижений. Он обладал обостренным чувством нового и никогда не упускал из виду конечной цели своих исследований. Методы его работы и объекты всегда определялись поставленной целью.
Профессору Л. В. Метлицкому был присущ незаурядный научно-организаторский талант. Он обладал способностью притягивать к себе людей, вовлекать их в орбиту своей деятельности и заражать их присущим ему оптимизмом. Природа щедро наградила профессора Л. В. Метлицкого острым и проницательным умом, тонким чувством юмора, смелостью мысли и поступков.
В лице профессора Л. В. Метлицкого наука потеряла одного из ведущих фитоиммунологов, крупного научного организатора и обаятельного человека.
Член-корреспондент АН СССР И. В. Березин
ИЛЛЮСТРАЦИИ[21]


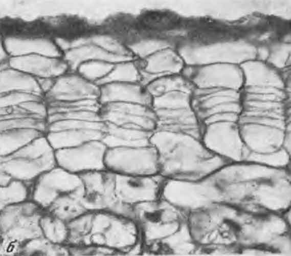
Рис. 4. Естественная (а) и раневая (б) перидерма картофеля

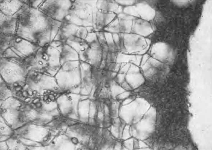
Рис. 5. Реакция СВЧ картофеля на проникновение несовместимой расы фитофторы

Рис. 6. Опыт Мюллера с заражением картофеля фитофторой

Рис. 11. Молекулярная мимикрия (пояснения в тексте)

Рис. 14. Схема взаимной индукции в системе паразит – хозяин (пояснения в тексте)
СПИСОК РЕКОМЕНДУЕМОЙ ЛИТЕРАТУРЫ
Арчаков А. П. Оксигеназы биологических мембран: 32-е Баховское чтение, М.: Наука, 1983. 54 с.
Вавилов Н. И. Проблемы иммунитета культурных растении. М.; Л.: Наука, 1964. Т. 4. 516 с.
Ван-дер-Планк Я. Устойчивость растений к болезням. М.: Колос, 1972. 253 с.
Ван-дер-Планк Я. Генетические и молекулярные основы патогенеза у растений. М.: Мир, 1981. 236 с.
Вердеревский Д. Д. Иммунитет растений к инфекционным заболеваниям. Кишинев: Картя Молдовеняска, 1968. 216 с.
Генетические основы селекции на иммунитет. М.: Наука, 1973. 231 с.
Говалло В И. Парадоксы иммунологии. М.: Знание, 1983. 166 с.
Гойман Э. Инфекционные болезни растений. М.: Изд-во иностр, лит., 1954. 608 с.
Гольшин П. М. Фунгициды в сельском хозяйстве. М.: Колос, 1982. 270 с.
Грунтенко Е. В. Иммунитет «за» и «против». М.: Знание, 1982. 206 с.
Девеполл В. Дж. Защитные механизмы растений. М.: Колос, 1980. 128 с.
Дьяков IO. Т. Физиолого-биохимические основы устойчивости растений к грибным болезням: – В кн.: Итоги науки и техники. Защита растений. М.: ВИНИТИ, 1981, т. 3, с. 5.
Дьяков Ю. Т. О болезнях растений. М.: Колос, 1985.
Купер Э. Сравнительная иммунология. М.: Мир, 1980. 422 с.
Метлицкий Л. В., Озерецковская О. Л. Фитоиммунитет. М.: Наука, 1968. 92 с.
Метлицкий Л. В., Озерецковская О. Л. Фитоалексины. М.: Наука, 1973. 175 с.
Петров Р. В. Беседы о новой иммунологии. М.: Мол. гвардия, 1976. 222 с.
Петров Р. В. Иммунология. М.: Медицина, 1983. 367 с.
Попкова К. В. Учение об иммунитете растений. М.: Колос, 1979, 271 с.
Прокофьев О. Н. Защита растений: настоящее и будущее. Новосибирск: Наука, 1983. 159 с.
Рассел Г. Селекция растений на устойчивость к вредителям и болезням. М.: Колос, 1982. 420 с.
Рубин В. А., Арциховская Е. В., Аксенова В. А. Биохимия и физиология иммунитета растений. М.: Высш. шк., 1975. 320 с.
Румянцев С. И. Конституциональный иммунитет и его молекулярно-экологические основы. М.: Наука, 1983. 209 с.
Стратегия борьбы с вредителями, болезнями растений и сорняками в будущем. М.: Колос, 1977. 381 с.
Сухоруков К. Т. Физиология иммунитета растений. М.: Изд-во АН СССР, 1952. 147 с.
Тарр С. Основы патологии растений. М.: Мир, 1975. 587 с.
Токин Б. П. Целебные яды растений: Повесть о фитонцидах. 3-е изд. Л.: Изд-во ЛГУ, 1980. 279 с.
Уилсон Л. Тело и антитело. М.: Мир, 1974. 286 с.
Эванс Э. Болезни растений и химическая борьба с ними. М, Колос, 1971, 286 с.
INFO
М 54 Метлицкий Л. В., Озерецковская О. Л. Как растения защищаются от болезней. М.: Наука, 1985. 192 с. (Серия «Наука – сельскому хозяйству».)
38.3
М 3803040000-432/042 (02)-85 *88-85-НП
[Лев Владимирович Метлицкий]
Ольга Леонидовна Озерецковская
КАК РАСТЕНИЯ
ЗАЩИЩАЮТСЯ ОТ БОЛЕЗНЕЙ
Утверждено к печати
Редколлегией серии научно-популярных изданий
Академии наук СССР
Редактор издательства Е. Р. Воронцова
Художник В. П. Хлебников
Художественный редактор Н. А. Фильчагина
Технические редакторы З. Б. Павлюк, М. Л. Анучина
Корректоры Е. Н. Белоусова, Н. Г. Васильева
ИВ № 29028
Сдано в набор 26.04.85
Подписано к печати 24.07.85
Т-15517. Формат 84X108 1/32.
Бумага книжно-журнальная. Импортная
Гарнитура обыкновенная
Печать высокая
Усл. печ. л. 10,29. Усл. кр. отт. 10, 5. Уч. изд. л; 11,1.
Тираж 38 000 экз. Тип. зак. 1370
Цена 70 коп.
Ордена Трудового Красного Знамени
издательство «Наука»
1117864 ГСП-7, Москва В-485.
Профсоюзная ул., 90
2-я типография издательства «Наука»
121099, Москва, Г-99, Щубинский пер., 6
…………………..
FB2 – mefysto, 2024
notes
Примечания
1
М.: Колос, 1979. 271 с.
2
М.: Мир, 1974. 286 с.
3
М.: Знание, 1983. 166 с.
4
Лонгфелло Г. Песнь о Гайавате/Пер. И. А. Бунина. М.: Дет. лит., 1956, с. 41.
5
Рассел Г. Селекция растений на устойчивость к вредителям и болезням. М.: Колос, 1982. с. 8.
6
Поляков Н. М. Защита растений – проблемы и перспективы, – Наука и жизнь, 1972, № 9, с. 70.
7
Гамзатов Р. Мой Дагестан. – Собр. соч.: В 5-ти т. / Пер. В. Солоухина. М.: Худож. лит., 1981, т. 4, с. 7.
8
Уилсон Д. Тело и антитело. М.: Мир, 1971, с. 16.
9
Петров Р. В. Иммунология. М.: Медицина, 1983, с. 10.
10
Дьяков Ю. Т. Предисловие. – В кн.: Генетические основы селекции растений на иммунитет. М.: Наука, 1973, с. 8,
11
Рассел Г. Селекция растений на устойчивость к вредителям и болезням. М.: Колос, 1982, с. 11.
12
М.: Мир, 1975, с. 178.
13
Вавилов Н. И. Проблемы иммунитета культурных растений – Избр. тр. М.; Л.: Наука, 1964, т. 4, с, 331,
14
Там же, с. 317,
15
Токин Б. П. Целебные яды растений: Повесть о фитонцидах. 3-е изд. Л.: Изд-во ЛГУ, 1980, с. 278.
16
Петров Р. В. Предисловие. – В кн.: Уилсон Д. Тело и антитело. М.: Мир, 1974, с. 7.
17
Купер Э. Сравнительная иммунология. М.: Мир, 1980, с. 25.
18
Гете И. Фауст/Пер. Н. Холодковского. М.: Дет. лит., 1977, с. 112, 140
19
Прокофьев О. Н. Защита растений: настоящее и будущее. Новосибирск: Наука, 1983, с. 159.
20
Цит. по: Вавилов Н. И. Природа иммунитета, – Избр. тр. М.; Л., Наука, т. 4, с. 317.
21
Вклейка, упоминаемая в тексте – Примечание оцифровщика.








