Текст книги "Электроника в вопросах и ответах"
Автор книги: И. Хабловски
Соавторы: В. Скулимовски
Жанры:
Справочники
,сообщить о нарушении
Текущая страница: 20 (всего у книги 29 страниц)
Какой усилитель называется узкополосным, а какой широкополосным?
Ширина полосы частот, занимаемая усиливаемым сигналом, зависит от вида модуляции и полосы частот модулирующего сигнала. С этой точки зрения узкополосным резонансным усилителем является усилитель сигнала с модуляцией звуковым сигналом, а широкополосным – усилитель сигнала с модуляцией сигналом изображения.
Из-за сложностей выполнения резонансного усилителя принципиальное значение при отнесении усилителя к первой или второй группе имеет отношение средней частоты f0 к ширине полосы В. Когда это отношение достаточно велико (больше 10), усилитель считается узкополосным, в противном случае (f0/B < 6) – широкополосным. Более точно указать границу, разделяющую эти две группы усилителей, затруднительно.
В соответствии с указанным определением усилитель, работающий на средней частоте f0 = 600 МГц и имеющий полосу, соответствующую модулирующему сигналу изображения (В = 6 МГц), является узкополосным, а при f0 = 20 МГц – широкополосным. – Прим. ред.
Какими параметрами характеризуется резонансный усилитель?
Основными параметрами резонансного усилителя являются коэффициент усиления, форма частотных характеристик, избирательность, а также устойчивость и постоянство работы (рабочих характеристик).
Для узкополосных усилителей обычно несущественна фазочастотная характеристика, в то же время принципиальное значение имеют устойчивость и постоянство рабочих характеристик, которые обусловливают малое влияние внешних и внутренних факторов на коэффициент усиления и форму частотной характеристики.
В связи с этим площадь усиления используемых активных элементов реализуется не полностью. Коэффициент усиления не может быть очень высоким, исходя из возможности возникновения генерации либо уменьшения устойчивости схемы, вызванных наличием внутренних ОС в усилительных элементах.
В широкополосных усилителях проблема устойчивости является менее критичной, так как при постоянной площади усиления (произведения GВ) коэффициент усиления ограничен большой полосой пропускания. В то же время принципиальное значение имеет форма амплитудной и фазовой характеристик, определяющая свойства усилителя.
Избирательность в общем более важный параметр для узкополосных усилителей, чем для широкополосных.
Какие активные элементы применяют в резонансных усилителях?
Активными элементами в резонансных усилителях являются лампы, транзисторы и интегральные микросхемы. Каждый из этих элементов обладает определенными свойствами, которые существенным образом влияют на схемное и конструктивное решение усилителя. Широко применявшиеся до недавнего времени электронные лампы характеризовались достоинствами, непосредственно вытекающими из способа управления ими по напряжению. В диапазоне не очень высоких частот, где входное сопротивление лампы не зависит от времени пролета электронов и индуктивности выводов, лампа практически не вносит затухания в резонансные контуры, поскольку ее входное и выходное сопротивления велики. Свойства усилителя в этом случае зависят лишь от нагрузки (резонансных контуров).
Проблема устойчивости ламповых усилителей менее остра из-за меньшей «прозрачности» лампы вследствие небольших «обратных» емкостей. В настоящее время лампы почти полностью вытеснены транзисторами и используются только в мощных устройствах (например, в передатчиках).
Применяемые в резонансных усилителях транзисторы характеризуются высокой граничной частотой, большим значением крутизны S и относительно малой «обратной» емкостью. Однако эта емкость больше, чем у ламп, и поэтому транзисторные усилители, особенно узкополосные, требуют тщательного анализа устойчивости, что чаще всего вызывает ограничение допустимого значения коэффициента усиления.
Следует добавить, что высокая «прозрачность» усилителя может быть источником неприятностей при настройке схемы, поскольку отдельные контуры и транзисторы могут влиять друг на друга. В отличие от ламп транзисторы вносят в резонансные контуры относительно большое затухание, являющееся результатом малого входного сопротивления транзистора. В связи с этим резонансные контуры помимо формирования частотной характеристики должны также обеспечивать согласование для получения большого усиления. Необходимость выполнения этого условия влечет за собой специальную разработку резонансных контуров.
У широкополосных транзисторных усилителей дополнительную трудность при соответствующем выполнении усилителя создает тот факт, что параметры транзистора нельзя считать постоянными в широкой полосе частот. Возможные изменения параметров должны корректироваться внешними цепями
В современных резонансных усилителях применяются и интегральные микросхемы. Интегральные микросхемы, выполняющие функции усилителей высокой частоты, являются широкополосными (примерно до 100 МГц) апериодическими (нерезонансными) усилителями. Их роль ограничивается усилением сигнала, прошедшего через схему, состоящую из многих резонансных контуров и формирующую частотную характеристику.
Общей чертой активных элементов, применяемых в резонансных усилителях малых сигналов, является их работа в режиме класса А. Нелинейные искажения усилителен малы, поскольку сигналы на частотах гармоник, лежащих вне полосы пропускания, оказываются подавленными.
Какие типы нагрузок применяют в резонансных усилителях?
В резонансных усилителях, предназначенных для селективного усиления сигналов, применяют самые различные LC-резонансные контуры, выполняющие роль фильтрующих цепей. Резонансные фильтры могут быть типа двухполюсника (одиночный параллельный резонансный контур) или четырехполюсника. Последние могут быть одно-, двух– или многозвенными. В случае многокаскадных усилителей фильтры, являющиеся нагрузкой отдельных каскадов, могут быть настроены на одну либо на разные частоты. В первом случае усилитель называется синхронным, во втором – асинхронным или многорезонансным.
Индуктивные элементы фильтров (катушки индуктивности), работающие в диапазоне от 100 кГц до 100 МГц, выполняют в виде корпусов с навивкой, снабженных магнитным (ферритовым) сердечником, который служит для перестройки катушки. В диапазоне более высоких частот (от нескольких сотен мегагерц) применяют резонансные контуры с распределенными постоянными, такие как отрезки линий передачи, т. е. отрезки двухпроводных линий и объемные резонаторы.
Следует добавить, что в диапазоне частот ниже 100 кГц используют избирательные RС-цепи в схемах с ОС, поскольку индуктивные элементы, работающие в этом диапазоне частот, являются большими по размерам и трудновыполнимыми
Как можно классифицировать резонансные усилители?
Ответ на этот вопрос не прост, так как существует очень много критериев, согласно которым можно подразделить резонансные усилители. К ним относятся тип активного элемента, тип фильтрующей цепи, рабочий диапазон частот, способ получения заданной частотной характеристики, форма частотных характеристик, назначение усилителя и др. За главные критерии примем вид фильтрующей цепи и способ получения заданной частотной характеристики. В связи с этим резонансные усилители будем подразделять на усилители с одиночными резонансными контурами и двух– или многорезонансными полосовыми фильтрами, а также синхронные и многорезонансные усилители.
Какой резонансный усилитель наиболее простой?
Наипростейшей схемой резонансного усилителя является схема с одиночным резонансным контуром, включенным непосредственно в выходную цепь активного элемента. На рис. 9.3 представлены ламповый и транзисторный усилительные каскады, нагруженные параллельным резонансным контуром. По виду они не отличаются от нерезонансного усилительного каскада. Единственное отличие заключается в использовании резонансного контура в качестве нагрузки.


Рис. 9.3. Ламповый (а) и транзисторный (б) усилительные каскады с одиночным резонансным контуром
Так же как и для нерезонансного усилителя, коэффициент усиления каскада зависит от крутизны характеристики активного элемента S и сопротивления нагрузки Z (Кu = S·Z). Поскольку крутизна имеет постоянное значение, вид коэффициента усиления от частоты определяется исключительно зависимостью сопротивления Z от частоты.
На рис. 9.4 показана зависимость сопротивления контура Z, а следовательно, и коэффициента усиления каскада от частоты. Из рисунка видно, что зависимость аналогична характеристике параллельного резонансного контура, состоящего из индуктивности L и параллельно подключенной к ней емкости С. Эта емкость состоит из емкости конденсатора и суммы емкостей: выходной активного элемента, входной емкости следующего каскада, собственной емкости катушки индуктивности и емкостей рассеяния.
Рис. 9.4. Зависимость сопротивления Z параллельного резонансного контура от частоты
Максимум усиления имеет место на резонансной частоте контура (f0 = 1/2π√(L·C)) и составляет
Кu = – Sω0LQэф
где ω0 = 2πf0 – резонансная круговая частота; Qэф – результирующая добротность контура. Знак минус обозначает инверсию фазы выходного напряжения на 180° относительно входного.
Из приведенной зависимости следует, что усиление прямо пропорционально результирующей добротности контура Qpeз. Результирующая добротность контура Qpeз равна собственной добротности резонансного контура, уменьшенной из-за затухания, связанного с выходным сопротивлением активного элемента, и подключенного дополнительного гасящего сопротивления.
От результирующей добротности Qpeз зависит также избирательность усилителя. Из рис. 9.5 следует, что чем больше добротность, тем «острее» резонансная кривая и тем усилитель более избирателен.

Рис. 9.5.Амплитудная характеристика усилителя с одиночным резонансным контуром при разных значениях его добротности Q
Ширина полосы пропускания усилителя В или 2Δf соответствующая снижению усиления на 3 дБ, обратно пропорциональна добротности Qэф:
2Δf = В = f0/Qpeз
Следовательно, чем больше добротность Qpeз, тем уже полоса пропускания усилителя, но одновременно больше усиление. Подключая параллельно резонансному контуру сопротивление R, можно регулировать его добротность и тем самым влиять на ширину полосы пропускания усилителя. При этом не следует забывать, что коэффициент усиления также подвергается изменению. В связи с этим в случае широкополосных усилителей номинальное усиление на каскад получается меньшим.
Можно ли усилитель с одиночным контуром непосредственно сопрягать со следующим каскадом?
Помимо сложностей, связанных с разделением постоянных напряжений, действующих во входной и выходной цепях, не всегда можно подвести к следующему каскаду все переменное напряжение, действующее на резонансном контуре. Для ламп это возможно. Используя конденсатор связи с достаточно большой емкостью, такой, чтобы его емкостное сопротивление было малым на рабочей частоте усилителя, мы передаем все переменное напряжение, действующее на резонансном контуре, на сетку следующего каскада (рис. 9.6).

Рис. 9.6. Усилитель с одиночным резонансным контуром, связанный со следующим каскадом
Входное сопротивление лампы достаточно велико, особенно в диапазоне частот до 30 МГц, и не влияет отрицательно на добротность контура.
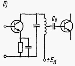
Для транзисторных усилителей ситуация совершенно иная. Транзистор как элемент, управляемый током, характеризуется низким входным сопротивлением[22]22
Речь идет о биполярных транзисторах. Полевые транзисторы имеют большое входное сопротивление — Прим ред.
[Закрыть]. Соединение коллектора с базой транзистора следующего каскада с помощью конденсатора с пренебрежимо малым реактивным сопротивлением вызвало бы значительное затухание в резонансном контуре, уменьшение его добротности и в результате расширение полосы пропускания усилителя с одновременным уменьшением коэффициента усиления. Поэтому в транзисторных усилителях необходимо согласовать высокое выходное сопротивление транзистора с низким входным сопротивлением последующего каскада. Задачу согласующих цепей выполняют модифицированные резонансные контуры, которые не только устанавливают требуемую среднюю частоту f0 и соответствующую ширину полосы, но также трансформируют сопротивление.
На рис. 9.7 представлены три способа согласования сопротивления в транзисторных усилителях. В схеме на рис. 9.7, а использован емкостный делитель. Результирующая емкость последовательного соединения конденсаторов С1 и С2 является емкостью контура, причем в емкости конденсатора С2 следует учитывать входную емкость последующего резонансного каскада. Отношение суммы емкостей конденсаторов С1 и С2 к емкости конденсатора С1 определяет коэффициент передачи, с которым входное сопротивление трансформируется в цепь коллектора. Аналогично действуют и другие схемы с тон разностью, что в схеме рис. 9.7, б коэффициент передачи определяется положением отвода на катушке индуктивности, а в схеме рис. 9 7, в – коэффициентом связи между первичной и вторичной обмотками Конденсаторы Сб характеризуются большой емкостью и служат только для разделения постоянных напряжений, действующих на коллекторе и базе следующего транзистора.


Рис. 9.7. Три способа согласования сопротивления в транзисторных усилителях:
а – с емкостным делителем; б – с отводом от катушки индуктивности; в – трансформаторный
Как работает простейший резонансный усилитель с двухзвенным фильтром?
Транзисторный усилительный каскад с двухзвенным фильтром представлен па рис. 9.8, а. От схемы на ряс. 9.3 он отличается использованием вместо одиночного резонансного контура двухзвенного фильтра, состоящего из двух связанных резонансных контуров.
Связью контуров называется такое состояние контуров, при котором возможна передача энергии из одного контура в другой.
В рассматриваемом случае энергия из первого контура передается во второй посредством взаимной индуктивности М. Оба контура настроены на среднюю частоту f0. В результате взаимной связи между контурами каждый из них воздействует на другой, перестраивает его и вносит затухание. Напряжение на выходе контура, являющееся одновременно выходным напряжением всего фильтра, зависит не только от частоты, как в случае одиночного резонансного контура, но также от степени связи контуров.
Количественной мерой связи контуров является коэффициент связи, который для контуров, связанных взаимной индуктивностью М, выражается зависимостью

где М – взаимная индуктивность; L1 – индуктивность первичного контура, L2 – индуктивность вторичного контура. Если коэффициент связи мал, то амплитудная характеристика усилителя подобна характеристике одиночного резонансного контура.
С увеличением коэффициента связи вершина характеристики становится все более плоской и при определенном значении коэффициента связи, называемом оптимальным, становится максимально плоской. Оптимальное значение коэффициента связи зависит от добротности первого и второго контуров и для равных добротностей Q1 = Q2 = Q выражается формулой χопт = 1/Q. Увеличение связи свыше оптимального значения вызывает уменьшение выходного напряжения на резонансной частоте f0 и возникновение выше и ниже этой частоты локальных резонансов, называемых «горбами» характеристики.
На рис. 9.8, б показан вид частотных характеристик усилителя с двухзвенным фильтром для случая одинаковых добротностей контуров и разных коэффициентов связи. При χ/χопт = 1 кривая максимально плоская и коэффициент усиления на частоте f0 наибольший.
Для значений х/хопт > 1 кривые становятся двугорбыми, причем максимальное усиление, равное максимальному усилению при хопт, соответствует горбам характеристики. Чем сильнее связь, тем больше удаление горбов от резонансной частоты f0. Напряжение, действующее на втором контуре фильтра, включенном как нагрузка транзисторного усилителя (рис. 9.8, а), может быть подведено к следующему транзисторному каскаду. Однако, как и в случае одиночного резонансного контура, следует использовать емкостный делитель, позволяющий согласовать низкое входное сопротивление транзистора с сопротивлением контура.


Рис. 9.8. Схема (а) и амплитудные характеристики (б) резонансного усилителя с двухзвенным фильтром
Какие преимущества у двухзвенного фильтра?
Основным преимуществом двухзвенного фильтра по сравнению с одиночным резонансным контуром является его большая избирательность и форма частотной характеристики вблизи резонансной частоты. Одиночный резонансный контур не имеет плоской части характеристики, тогда как двухзвенный фильтр с оптимальной связью вблизи резонансной частоты характеризуется постоянной амплитудой напряжения на выходе. Поэтому двухзвенный фильтр в значительно большей степени, чем одиночный резонансный контур, аппроксимирует прямоугольную частотную характеристику.
Дополнительным преимуществом, не всегда используемым при проектировании усилителя с двухзвенным фильтром, является большая площадь усиления усилителя. Можно допустить, что коэффициент усиления усилителя с двухзвенным фильтром с оптимальной связью при одинаковой ширине полосы в √2 раз больше, чем для усилителя с одиночным резонансным контуром. Следует добавить, что при разных добротностях первого и второго контуров фильтра площадь усиления может увеличиться в 2 раза, если Q1 >> Q2 или Q2 >> Q1. Важным свойством фильтров с несимметричными контурами (Q1 не равно Q2) является то, что максимально плоская характеристика при оптимальной связи xопт не соответствует максимальной амплитуде выходного напряжения, имеющей место при критической связи xкр < xопт. Для симметричных контуров (Q1 = Q2) xкр = xопт.
В узкополосных усилителях площадь усиления из-за стабильности усилителя не имеет решающего значения, и поэтому в них чаще применяют симметричные контуры. Наоборот, в широкополосных усилителях, для которых очень важно значение площади усиления, применяют также контуры с неодинаковыми добротностями, отличающимися одна от другой в 2–5 раз.
Только ли с помощью взаимной индуктивности М можно осуществить связь контуров в фильтре?
Нет. Связь с помощью взаимной индуктивности М является лишь одним из методов связи контуров в фильтре. Эта связь может быть заменена индуктивной или емкостной связью. На рис. 9.9 показаны схемы двухзвенных фильтров с различными типами связи.


Рис. 9.9. Различные способы связи в двухзвенных фильтрах:
а, б – индуктивная; в, г– емкостная
Свойства всех этих схем аналогичны, если их коэффициенты связи одинаковы. Очевидно, что формулы, определяющие коэффициенты связи, зависят от типа связи. Например, в схеме на рис 9,9, в коэффициент связи определяется как
x = C12/√(C1·C2)
Резисторы R1 и R2 определяют добротности контуров, соответственно первого и второго.
Выбор типа связи диктуется в первую очередь конструктивными соображениями.
Применяют ли в резонансных усилителях многозвенные фильтры?
Да. Помимо простейших двухзвенных фильтров применяют также более сложные трех– и четырехзвенные фильтры. Они позволяют получать более высокую избирательность усилителя и обеспечивают плоскую или равномерную частотную характеристику в относительно большом диапазоне частот. На рис. 9.10 показан трехзвенный фильтр с емкостной связью и четырехзвенныи фильтр с индуктивной связью. К недостаткам многозвенных фильтров следует отнести сложную настройку


Рис. 9.10. Многозвенные фильтры
а – трехзвенный фильтр с емкостной связью; б – четырехзвенный фильтр с индуктивной связью
Как изменяется ширина полосы пропускания усилителя в результате каскадного соединения отдельных ступеней?
Для получения большого коэффициента усиления часто возникает необходимость каскадного соединения резонансных ступеней. Как и в случае нерезонансных усилителей, каскадному соединению усилительных ступеней сопутствует уменьшение общей ширины полосы пропускания усилителя. Это очевидно, поскольку частотные характеристики отдельных ступеней подвергаются перемножению, и если усиление на краях полосы одного каскада составляет 0,707 максимального (что соответствует падению усиления на 3 дБ), то в случае двух одинаковых ступеней, включенных каскадно, усиление на данной частоте составит лишь 0,707·0,707 = 0,5, т. е. падению усиления до 0,707 соответствует меньшая частота.
Сужение полосы зависит от формы характеристик соединяемых каскадно ступеней. Оно различно для усилителей с одиночными резонансными контурами и усилителей с двухзвенными фильтрами. Чем больше крутизна скатов частотной характеристики, тем меньше сужение полосы при каскадном включении. Если бы можно было выполнить усилитель с идеально прямоугольной характеристикой, то при каскадном соединении ступеней сужения полосы не наблюдалось бы.








