Текст книги "Радиоэлектроника-с компьютером и паяльником"
Автор книги: Генрих Кардашев
Жанр:
Технические науки
сообщить о нарушении
Текущая страница: 17 (всего у книги 19 страниц)
Ab ovo (лат. «с яйца»)
Среди различных диапазонов радиоволн, освоенных человеком, есть и весьма экзотические по их применению и проявлению.
Как отмечается в заграничных хрониках, в 1946 году пятидесятидвухлетний американец Перси Л. Спенсер, работник одной из компаний, производящих электронные лампы, проводил ординарные опыты с новой генераторной лампой – магнетроном.
Однажды, в перерыве между опытами, он полез в карман спецовки, чтобы достать плитку шоколада. Однако вместо твердой плитки в его руках оказалось какое-то липкое месиво. Спенсер очень удивился: «Почему это шоколад растаял, хотя он сам не почувствовал никакого постороннего тепла?».
Интуитивно он заподозрил, что в этом виноват магнетрон. Тогда Спенсер, решив проверить свою догадку, рассыпал около магнетрона кукурузные зерна и включил аппарат. Через мгновенье вся лаборатория была усеяна разлетевшимся во все стороны попкорном. Из оставшихся съестных припасов у него оставалось одно яйцо. Возбужденный всем увиденным, Спенсер положил его в пластмассовую корзинку для бумаг и поставил ее перед магнетроном. Взрыв яйца был финальным салютом этой серии опытов.
Хотя Спенсер почти не учился в школе, так как воспитывался без родителей, он с детства слыл сметливым парнем. Благодаря природному уму и трудолюбию он выбился в люди, и еще в 1925 году стал контролером завода этой компании.
Размышляя над произошедшим, Спенсер пришел к выводу, что причиной увиденных явлений служит нагрев продуктов за счет поглощения волн, излучаемых магнетроном. Теперь-то любая домохозяйка знает, что перед тем как варить яйца в СВЧ-печке, их надо проколоть, а еще лучше сразу приготовить оригинальную яичницу – в стеклянном стакане или вазочке.
В нашем дорогом отечестве в эти времена также проводились самые разнообразные эксперименты в области применения электромагнитных волн СВЧ-диапазона. В основном, как и до войны, так и после нее, они были связаны с разработкой радиолокационной техники (занимались этим, конечно, и американцы, и англичане). Правда, физики занимались и другими проблемами: мазерами (а потом и лазерами), радиоастрономией и т. п. Академик П. Л. Капица (позже ставший лауреатом Нобелевской премии), отстраненный тогда от руководства созданного им института «Физпроблем» вследствие отказа заниматься атомным проектом, курируемого Берией, организовал научную лабораторию в избушке, рядом со своей дачей. Физики тут же окрестили ее «Избой Физпроблем». Одна из проблем, которой Петр Леонидович начал заниматься еще перед войной, касалась физики шаровых молний. Другой наш академик – Я. И. Френкель выдвинул «химическую» теорию шаровой молнии, но П. Л. Капица подверг ее критике, так как в этой теории не сходился энергетический баланс.
Гипотеза Капицы заключалась в том, что во время свечения к шаровой молнии непрерывно подводится извне энергия радиоизлучений в метровом и дециметровом диапазонах, производимых обычными (линейными) молниями. Сгусток плазмы возникает, по его гипотезе, в месте сложения этих волн и ведет себя как сложный открытый объемный резонатор.
Эти исследования привели его к созданию нового научного направления: «Электроника больших мощностей». П. Л. Капица полагал, что именно на этом пути лежит решение задач электроэнергетики по канализации и передаче электроэнергии на большие расстояния. В частности, был создан специальный генератор, названный «ниготроном», позволявший излучать до 8 кВт в дециметровом диапазоне спектра электромагнитных волн. В первых опытах излучение направлялось в открытое окно. Затем, по словам Петра Леонидовича, «мы поставили на пути излучения яйцо, которое мгновенно сварилось вкрутую, а присутствующий при этом академик Фок моментально съел его». Для следующего опыта был взят тонкостенный кварцевый шар диаметром 10 см, наполненный гелием при давлении 10 см ртутного столба. При облучении яркая вспышка внутри шара продолжалась несколько секунд, после чего кварцевая оболочка, несмотря на высокую температуру плавления, расплавилась…
Танцуем от печки
Цыпленок жареный,
Цыпленок пареный…
Песня
Изобретение Спенсера привело к тому, что в США появились опытные партии печей, использующих СВЧ электромагнитные колебания или микроволны (отсюда обиходное название «микроволновка») и поскольку, они родились из устройства военного назначения, то вначале их стали использовать маркитанты для быстрого разогрева солдатских пайков в многочисленной армии, рассеянной после Второй мировой войны по всему свету. Массовое производство бытовых микроволновок было налажено в Японии в 1962 году.
Основу СВЧ-печи составляет преобразователь электрической энергии, получаемой от электросети промышленной частоты (50/60 Гц) в энергию электромагнитного поля СВЧ-диапазона (например, 2,45 ГГц), локализуемую внутри специального закрытого объемного резонатора (камеры). На радиотехническом языке это устройство, в зависимости от выбранного классификационного признака, можно отнести к генератору, преобразователю частоты или активному согласующему устройству. Обычно его просто считают генератором.
Действительно, как следует из уравнений Максвелла, электромагнитная энергия, в которую на электростанциях преобразуют другие виды энергии, распространяется в виде поля на частоте 50/60 Гц в среде, окружающей провода, возбуждая ток в этих проводах, играющих роль направляющей системы. Часть энергии проникает в глубь проводников и приводит к потерям на нагрев (дополнительные потери возникают также в промежуточных преобразователях: трансформаторах и т. п.).
Задача нагрева некоторого объема вещества связана с поглощением (желательно равномерным) электромагнитной энергии и, соответственно, выделением тепла в этом объеме. Существуют три физических механизма теплопередачи: кондуктивный – теплопроводностью, конвективный – потоками вещества (например, теплого воздуха или радиоактивных частиц) и излучением (инфракрасным, СВЧ и т. п.).
Для большинства продуктов конвекцию можно отбросить или ее придется организовывать специальным образом. Теплопроводность – процесс весьма длительный, зависящий от свойств вещества и градиента температуры. Увеличить этот градиент при прочих равных условиях можно только в очень ограниченных пределах, да и то за счет специальных мер (вспомните искусство поджаривания блинов или приготовления шашлыка). В этом смысле для объемного разогрева электромагнитное поле находится вне конкуренции. Однако величина поглощения поля веществами сильно зависит от частоты и напряженности поля. Последняя имеет верхнее ограничение, связанное с электрическим пробоем воздуха. Продукты или блюда, подлежащие нагреванию, содержат в большом количестве воду и поэтому ее электрофизические свойства являются определяющими при выборе характера воздействия. Конечно, если необходимо нагреть некий сплошной объем воды, то задача решается просто кондуктивно-конвективным нагревом ТЭНами или прямым (контактным) джоуль-ленцовским нагревом за счет токов через погруженные в нее электроды. Правда, при использовании прямой проводимости появляется еще электролиз, да и вопросы электробезопасности обостряются. Но все же курицу этими способами, увы, не приготовишь, а все контактные методы по многим параметрам уступают бесконтактным в принципе за счет явлений на границах раздела.
Ограничимся рассмотрением нагрева диэлектриков. Тогда, при создании бесконтактных (волновых) нагревательных устройств исходят из следующего общего соотношения, которое связывает величину плотности потока энергии электромагнитных волн Р (Вт/м3), поглощаемых в единице объема вещества с его свойствами и характеристиками поля
где Е – напряженность электрического поля. В/м; f – частота, Гц; εо= 8.85·10-12 Ф/м – диэлектрическая постоянная вакуума; ε – относительная диэлектрическая проницаемость вещества; δ – угол диэлектрических потерь.
Из приведенной формулы видно, что при прочих равных условиях выгоднее всего использовать поля с большой частотой в диапазоне, где диэлектрические потери максимальны. При этом следует иметь в виду, что с ростом этих величин происходит также уменьшение глубины проникновения поля в материал.
Характеристики интересующих нас материалов таковы, что если бы мы сделали подходящие соленоид или конденсатор, работающие на промышленной частоте, и с помощью их поля попытались бы с утра приготовить блюдо, то вряд ли нам удалось бы вовремя не только позавтракать, но и поужинать. Дело в том, что электромагнитные потери на частоте 50 Гц в воде ничтожно малы.
Вот если нам не очень к спеху, то ввиду простоты реализации эти способы годятся и их применяли в промышленности для сушки лесоматериалов, а также при производстве железобетонных изделий.
Учитывая частотную зависимость фактора поглощения, инженеры пошли по частоте вверх – к ВЧ, благо этот диапазон в радиотехнике был уже давно освоен, но в быту подобные установки не применялись за исключением физиотерапии, так как некий барьер эффективности преодолен не был. Случай со Спенсером привлек внимание инженеров и ученых к более детальному анализу СВЧ-нагрева. Из этого анализа следовало, что максимальное количество энергии поля будет поглощаться на той частоте, на которой находится максимум отклика молекул воды.
Отдельные молекулы воды, например в ее парах, представляют собой диполи, с двумя ионами водорода Н+ и одним дважды ионизированным атомом кислорода О2-, образующие равнобедренный треугольник с ионом кислорода при вершине с углом 105° и боковыми сторонами, равными 0,96 А°. В твердой фазе молекулы воды образуют кристаллическую решетку, ячейки которой напоминают тетраэдры для упаковки молока.
В жидкости, благодаря тепловому движению молекул, их коллективы случайным образом занимают изменяющиеся разнообразные промежуточные состояния. По образному выражению акад. Я. И. Френкеля, молекулы жидкости ведут себя подобно кочевникам: оседлый образ жизни в узлах временной местной кристаллической решетки (где они совершают колебательные движения) сопровождается их периодическими перескоками в другие положения.
Время, за которые молекулы возвращаются к равновесию, носит название времени релаксации. Оценка этого времени для полярных диэлектриков была дана голландским физиком П. Дебаем.
Согласно его теории применительно к молекулам воды, находящейся в жидкой фазе, их ориентационная поляризация и деполяризация аналогичны вращению твердой сферы в вязкой жидкости, приводящему к потерям. В зависимости от соотношения между частотой внешнего поля и величиной, обратной периоду релаксации, величина этих потерь может быть выражена через фактор потерь (tg δ) экспериментально и теоретически.
Наиболее просто воспользоваться для полуколичественных оценок интерпретацией этой зависимости с помощью приближения RC-цепей.
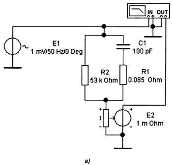
На рис. 135, а показана простейшая цепь (по Хиппелю), моделирующая релаксационные потери в воде в зависимости от частоты.
Поведение молекул воды в электромагнитном поле здесь представлено конденсатором С1, учитывающим собственно ориентационную поляризацию вещества, резистором R1 – потери при этом, а также резистором R2, учитывающим потери независимо от частоты. Источник Е1 дает возможность вместе с Боде плоттером исследовать АЧХ цепи.
Элемент, через который исследуемая цепь подключена к зажиму плоттера, является зависимым источником напряжения Е2, которое пропорционально току в измерительном резисторе (принятом за 1 мОм). То есть, попросту, это датчик тока с коэффициентом деления на 1000.



Рис. 135 Моделирование поглощения электромагнитной энергии водой в СВЧ-диапазоне:
а – модель в EWB; б – АЧХ тока в модели; в – график частотной зависимости фактора потерь
АЧХ тока в этой цепи показана на рис. 135, б, причем положение визирной линии на экране соответствует частоте примерно 2,4 ГГц. Частотная зависимость tgδ для этой же модели, в двойном логарифмическом масштабе, полученная вычислением в программе Mathcad показана на рис. 135, в.
В более точных (и, соответственно, сложных) моделях и эксперименте наблюдается максимум tgδ в области частот >1010 ГГц, но и при частоте 2,45 ГГц значение весьма велико. Это и привело к тому, что на ней работает сейчас большинство СВЧ-печей.
Выбор этих частот связан также с тем, что в отличие от электромагнитных волн инфракрасного диапазона (λ ~= 1·10-6 м и f ~= 3·1014 Гц), также невидимых человеческим глазом, и также активно поглощаемых водой и многими другими веществами (за счет колебаний отдельных атомов в сложных молекулах относительно друг друга), волны СВЧ-диапазона проникают значительно дальне в глубь тел, обеспечивая быстрый объемный, а не поверхностный, нагрев. Поэтому, если требуется не только сварить, но и поджарить, образуя корочку, СВЧ-нагрев дополняют инфракрасным (гриль).
Кроме выше перечисленных причин, существует еще и жесткий регламент на использование той или иной части спектра электромагнитных волн, и определенная коллизия заключается в том, что «гигагерцевые» частоты были отведены для спутниковой радиосвязи. В то же время, помимо, СВЧ-нагрева, на их использование уже все больше начинают претендовать и компьютеры.
Модель бытовой СВЧ-печи
В простейшей бытовой СВЧ-печи в качестве генератора используется магнетрон (см. рис. 10). Питание магнетрона осуществляется от высоковольтного (4 кВ) выпрямителя, построенного по схеме удвоения напряжения. Упрощенная схема-модель силовой части СВЧ-печи показана на рис. 136, а.
Эта модель является условной во многих отношениях, так как в программе EWB отсутствует такой схемный компонент, как магнетрон и вместо него использованы следующие компоненты: М – Triode Vacuum Tube (электровакуумный триод), работающий в режиме диода, с заземленным анодом, на который подается положительное напряжение выпрямителя относительно катода (катод в магнетронах прямой и в печах имеется отдельная цепь накала); генератор переменного напряжения Е2, модельная частота которого выбрана равной 2,45 кГц, т. е. с коэффициентом масштабирования по частоте 10-6 для удобства наблюдения процессов во времени; перемножитель сигналов X и Y. Высоковольтный трансформатор Т1 является повышающим и имеет коэффициент трансформации 0,075. В печах этот трансформатор работает в режиме, близком к магнитному насыщению, выполняя еще и функции феррорезонансного стабилизатора напряжения. Конденсатор С1, обеспечивающий удвоение напряжения в реальных устройствах, также высоковольтный на рабочее напряжение 2,1…2,5 кВ. В печах этот конденсатор обычно шунтируют резистором 1…10 МОм для разрядки после выключения, а также специальным защитным диодом предохранителем (Fuse Diode) – эти компоненты в модель не введены. Диод VD1 в модели идеальный, а в реальных устройствах высоковольтный диод или выпрямительный столб, с обратными напряжениями 12…15 кВ. Модельный резистор R1 носит подсобный характер и отчасти моделирует нагрузку.
В результате моделирования на экране осциллоскопа можно наблюдать следующую картину (рис. 136, б). Луч А (верхний на рис. 136, б) регистрирует отрицательные полуволны напряжения, а луч В – пачки высокочастотных радиоимпульсов. Примерно так же (только с частотой 2,45 ГГц) выглядит изменение напряженности электрического поля на выводе магнетрона.


Рис. 136. Модель СВЧ-печи в EWB:
а – схема; б – осциллограммы сигналов
Электромагнитные волны, излучаемые антенным выводом магнетрона (см. рис. 10, а), через отрезок согласующего прямоугольного волновода направляются в камеру-резонатор. При этом выходное отверстие закрывают тонкой защитной пластинкой из радиопрозрачного материала (фторопласт и т. п.).
В камере устанавливается сложная пространственная структура электромагнитных волн, сильно зависящая от находящегося в ней материала. Основная трудность в нагреве с помощью микроволн внутри замкнутого в электромагнитном отношении объема заключается в создании и поддержании однородности нагрева внутри пространственно неоднородного по своим свойствам материала. Больше того, эти неоднородности сильно изменяются во времени. Поэтому в реальных печах вращают материал относительно поля или вращают поле относительно материла, а также, помимо основного ввода волн, выполняют специальные дополнительные апертуры (действующие отверстия) наподобие фазоинверторов в акустических системах и т. д.
Эти вопросы работы и согласования генератора со столь сложной нагрузкой, находящейся практически почти в «ближнем поле», как и проблемы физики нагрева, с которыми они взаимосвязаны, не имеют пока однозначного решения.
Другой важнейшей и в то же время деликатной проблемой СВЧ-нагрева в быту является вопрос экранировки от утечек поля в окружающее пространство. Вопрос этот весьма серьезный: достаточно лишь представить себе, что внутри печи локализована электромагнитная мощность, сравнимая с мощностью отдельных передатчиков, размещенных на Останкинской башне.
Существует несколько возможных каналов для утечек, но мы остановимся на наиболее опасном источнике: щели между дверцей печи и камерой. Согласно электродинамике Максвелла, излучение из щели в проводящем экране будет происходить в том случае, если эта щель прерывает поверхностные токи, наведенные в нем электромагнитными волнами.
В старых конструкциях пытались здесь организовать хороший непрерывный контакт, и поскольку после некоторой эксплуатации он в отдельных местах неминуемо нарушался, то на прилегающих поверхностях появлялись следы электрической эрозии. Значит эти области «искрили», но в отличие от искрящих контактов в реле или на коллекторах электрических машин, излучение от разрядов, а также от токов смещения в неплотном зазоре СВЧ-печи лежит не в низкочастотной области, где их влияние на людей мало, а там, где оно может быть и велико. Поэтому при дальнейшем конструировании печей пошли по пути уменьшения этих токов, создаваемых по обе стороны щели. Для этого по всему периметру металлической дверцы на расстоянии четверти длины волны (λ/4) от выходного сечения внутренней части камеры выполняют профилированный прямоугольный «карман», приходящийся на удлинненную торцевую поверхность камеры печи, к которой примыкает дверца; глубина кармана также составляет λ/4. В результате по всему периметру образуется своеобразная резонансная ловушка (λ/2) для электромагнитных волн, короткозамкнутая на своих концевых (поперечных) поверхностях, где поверхностные токи достигают максимума, тогда как в области щели они оказываются близкими к нулю.
Такое устройство называют в СВЧ-технике четвертьволновым дросселем, возможно, по аналогии с дроссельной заслонкой в автомобиле, а не дроссельной катушкой, хотя, если перейти от распределенных систем к цепям с сосредоточенными параметрами, то это типичный фильтр-пробка, настроенный на рабочую частоту печи. Внутренняя поверхность дверцы закрывается пластмассовой накладкой, так что о наличии дросселя можно судить лишь по толщине кромки дверцы. Поскольку рабочая частота составляет 2,45 ГГц, то, разделив на нее скорость света в воздухе, получим длину волны λ = 12,2 см и (λ/4) ~= 3 см. Со стороны печи металлическая поверхность изолируется слоем эмали.
Таким образом, зазор в дросселе составляет примерно 0,1 мм и так как он теоретически находится в минимуме электромагнитных колебаний, то не должен излучать энергию во внешнее пространство. Надо лишь аккуратно обращаться с дверцей, следить за плотностью ее закрытия по всему периметру, чистотой, отсутствием царапин и сколов краски.
Теория теорией, а практика – практикой. Доверяй ей (теории), но всегда проверяй ее (практикой). «Береженого, Бог бережет», поэтому надо все же контролировать уровень возможных утечек электромагнитного поля.
Рупором в небо
Для начала борьбы с воображаемым противником надо дать оценки его характера и способностей. То, что мы живем и существуем благодаря электромагнитным полям и их взаимодействиям с живой и не живой природой, давно стало аксиомой мироздания. Поэтому остановимся лишь на некоторых моментах, оттеняющих рассматриваемую проблему.
Начнем издалека. В 1964 году американские астрофизики А. Пензиас и Р. Вильсон, проводя работы по исследованию внеземных радиоисточников, направили рупорную антенну на объект, с относительно сильным (по радиоастрономическим меркам) радиоизлучением, называемый «Кассиопея А». Поскольку радиоастрономические сигналы в принципе очень малы, то исследователи работали на максимально возможном уровне их усиления, при этом, как всегда, основной проблемой явилась борьба с разного рода шумами, на фоне которых надо было выделить полезный сигнал. В тот раз ученые предприняли все мыслимые попытки избавиться от сильного фона, сопровождавшего сигнал: закрыли все клепаные соединения и даже тщательно очистили антенну (пардон!) от птичьего помета… Какой-то посторонний фон оставался сильным. Тогда ученые стали исследовать именно это фоновое излучение. Оказалось, что оно соответствует температуре 3 К, т. е. чуть-чуть превышающей абсолютный нуль. Это подтверждало гипотезу, выдвинутую еще в 1948 году американским ученым-физиком русского происхождения Г. Гамовым, о том, что Вселенная после «Большого Взрыва» расширяется, охлаждаясь уже 18 млрд. лет.
Космический фон в виде радиоизлучения, соответствующий температуре 3 К, лежит в коротковолновой области СВЧ-диапазона: это миллиметровые волны или КВЧ (Крайне Высокие Частоты). Возможно, что Жизнь на Земле зародилась не только благодаря видимой (оптической) части электромагнитного спектра – свету Солнца, но и этому естественному фону, названному «реликтовым излучением».
По иронии судьбы, в 1978 году, А. Пензиас и Р. Вильсон разделили половину Нобелевской премии по физике «за открытие космического микроволнового фонового излучения». Однако, они разделили ее не между собой, а с П. Л. Капицей, которого наградили за его ранние «фундаментальные изобретения и открытия в области низких температур», а отнюдь не в области электроники СВЧ, которой он занимался в последние десятилетия, предшествовавшие вручению премии.
Космическое радиоизлучение, принимаемое на поверхности Земли, вообще говоря, заполняет весь диапазон радиоволн от 1 мм (в горах до 0,5 мм) до десятков метров.
Более длинноволновая часть его отражается от ионосферы. Напротив, более коротковолновая часть поглощается в атмосфере, за исключением оптического окна, как бы специально предназначенного природой для реакций фотосинтеза, происходящих в клетках растений: максимум излучения Солнца приходится именно на длину волны 0,5 мкм (зеленый цвет), соответствующую максимуму в спектре поглощения молекулами хлорофилла.
Здесь уместно отметить, что все остальные жизненные процессы сопровождаются расходованием химической энергии и ее рассеянием в виде тепла. Жизнь на Земле остановилась бы, если бы прекратился фотосинтез. Другая особенность фотосинтеза – это образование кислорода, а его роль в нашей жизни вряд ли кто оспорит. Вот так природа согласовала излучение и прием электромагнитных волн, а человек этому еще только начал учиться.
Максимальная интенсивность солнечного излучения, падающего отвесно на 1 м2 земной поверхности, на широте экватора в полдень составляет примерно 1 кВт. О том, что приносит нам Вселенная в радиодиапазоне, можно судить по используемым в радиоастрономии единицам измерений. Принятой здесь единицей является «1 Янский», равный 10-26 Вт/(м Гц), и чтобы собрать излучение такого уровня, строят антенны площадью в тысячи квадратных метров и применяют весьма специфические методы обработки радиосигналов. Правда, бывают и исключения.
Собственно, вообще наличие радиошумов внеземного происхождения было обнаружено еще в 1931 г. инженером американской компании Белл-телефон Карлом Янским (Karl Jansky) при изучении помех дальней радиосвязи. В 1932 году, так же, как позже по всему миру повторяли радиосигналы первого искусственного спутника, запущенного в СССР, открытые К. Янским «звуки Галактики» транслировались по всем Соединенным Штатам. Так было ознаменовано зарождение радиоастрономии. В честь К. Янского, впервые принявшего космическое радиоизлучение, и была названа единица его уровня. В отечественной научно-технической литературе встречается также фонетическое написание его фамилии: Джанский.
Иногда радиоизлучение Солнца бывает столь мощным, что вызывает сильные магнитные бури, приводящие, в том числе, и к сбоям работы радиосистем, что и послужило причиной их случайного открытия. С 1941 г. в Великобритании уже действовала сеть радиолокационных станций (система ПВО, основанная на отечественных радиолокационных станциях РУС-2, защищала с начала войны Москву). Фашистская авиация регулярно делала налеты на Лондон, и раннее обнаружение самолетов было для англичан вопросом жизни и смерти. Система ПВО работала исправно, но в феврале 1942 г. ряд радиолокаторов был буквально «ослеплен» мощными сигналами неведомой радиостанции, и Лондон подвергся жестокой бомбардировке. Разразился скандал, и стали искать эту вражескую станцию, но ни в Германии, ни в других странах Европы ее не обнаружили: этой таинственной станцией оказалось Солнце…
Греет, но не светит
В отличие от радиоастрономии наш источник расположен не в необъятных просторах Вселенной, а непосредственно под боком, и его загадки на кухонном уровне нам хорошо известны, но хотелось бы избежать неприятных сюрпризов.
С позиций современной науки искусственно созданное электромагнитное поле относится к «энергетическому неаккумулирующемуся антропогенному загрязнению» окружающей среды. Человек «наизобретал» таких «загрязнителей» очень много и уже, буквально, жить без них не может, как растения без света. Однако «все хорошо в меру», много «грязи» допускать нельзя: чистая, и даже очень жизнеутверждающая в морально-психологическом отношении, музыкальная симфония, воспринятая высокоорганизованным существом в ближнем поле передающей радиоантенны отнюдь не как звуки рояля, увы, по своим физиологическим последствиям может оказаться и роковой…
Не переходя к дискуссии по поводу возможных специфических (не тепловых) действий ЭМП, особенно актуализированной населением в последние годы в связи с «революцией мобильников» (кстати, работающих в СВЧ-диапазоне), пойдем по формальному пути.
Сейчас существуют, по крайней мере, два стандарта на безопасный санитарно-гигиенический (или экологический) уровень плотности излучения ЭМП. Американский стандарт ANSI предлагает считать безопасным излучение с плотностью мощности в 10 мВт/см2, а применительно к микроволновым печам 1 мВт/см2 на расстоянии 5 см от печи. Европейский же (в том числе и российский) стандарт регламентирует уровень в 10 мкВт/см2 = 0,01 мВт/см2, но на расстоянии 0,5 м от источника излучения. Однако если предположить, что уровень излучения в воздухе убывает по закону обратных квадратов, то эти стандарты близки друг к другу.
В практике ремонта СВЧ-печей для этих целей рекомендованы специальные измерители плотности потока электромагнитной энергии ПЭ-9Р или ПЗ-9Г, а при их отсутствии следующее нехитрое устройство, грубая модель которого показана на рис. 137.

Рис. 137. Модель детектора «утечек» из СВЧ-печи в EWB
Устройство представляет собой проволочную петлю с площадью в несколько квадратных сантиметров и простейший детектор, состоящий из специального СВЧ-диода VD1 и конденсатора С1. Сигнал с этого приемного устройства регистрируется мультиметром.
Приведенные выше цифры уровней мощности позволяют дать грубые оценки чувствительности детектора-сигнализатора, обнаруживающего превышение этих нормированных уровней и задать его характеристики в модели. Сигнал «утечки» задан здесь генератором Е1, работающим на прежней модельной частоте. К сожалению, какая-либо простая калибровка этого датчика не представляется возможной, но уж если он обнаруживает вблизи печи подобные сигналы, то следует принять необходимые меры. Особое внимание в конкретном устройстве надо обратить на диод: это должен быть именно СВЧ-диод (например, диод Шоттки), желательно с квадратичной ВАХ, чтобы показания были пропорциональны мощности.
Изложенный принцип измерения, но с дополнением в виде усилителя сигнала и заменой мультиметра на светоизлучающий диод, является следующий прибор, выпускаемый в собранном виде.
Индикатор микроволновых излучений Мастер КИТ МК153
Индикатор (рис. 137) по сути представляет детекторный приемник прямого усиления, содержащий СВЧ-диод VD1, конденсатор С1, операционный усилитель DA1 (в модели 741), светоизлучающий диод VD2 красного цвета. Устройство питается от батареи Е2.


Рис. 138. Индикатор микроволновых излучений Мастер КИТ МК153:
а – модель индикатора в EWB; б – общий вид индикатора
Чувствительность данного устройства зависит от используемого усилителя, и оно способно регистрировать очень незначительные утечки, непосредственно вблизи щели закрытой и работающей на полную мощность полкиловаттной СВЧ-печи. Индикатор оформлен в виде небольшого законченного модуля, показанного на рис. 138, б и он может помочь в разумном преодолении радиофобии (боязни использования радиоволн в СВЧ-печах и мобильных телефонах). Если светит индикатор, то «светит» вовне и сама печь, если же он не светит (хотя и исправен), то печь исправно греет пищу.
Для обнаружения устройств, излучающих электромагнитные волны в диапазоне частот 5…300 МГц, предназначено следующее устройство.
Индикатор микроволновых излучений Мастер КИТ NS178
Общий вид индикатора показан на рис. 139.

Рис. 139. Индикатор высокочастотного излучения Мастер КИТ NS178
Устройство содержит усилитель и детектор ВЧ, компаратор, перестраиваемый генератор прямоугольных импульсов и ключевой усилитель звуковой частоты. Прослушивание сигналов выполняется на головных телефонах. Индикатор позволяет обнаружить источники ВЧ излучения мощностью 10 мВт на расстоянии 20…25 см.
При поиске несанкционированных «жучков» все прочие источники излучения в данном помещении должны быть отключены. В принципе индикатор работоспособен в СВЧ-диапазоне (можно также доработать его входные цепи), но как сборка, так и наладка устройства, требуют определенного опыта работы.
Игры-фокусы с СВЧ-печью
В начале 1920-х годов в США была подана заявка на изобретение аппарата из области иллюзионной техники. Аппарат представлял собой ВЧ-генератор, декорированный под сервировочный столик. Автор аттракциона, иллюзионист Харлан Тарбел, выкатывал на сцену столик, брал фарфоровую тарелку, разбивал в нее несколько яиц, солил их, и, подняв тарелку над столиком, готовил на глазах изумленной публики яичницу. Тарелка с яичницей отдавалась зрителям: они убеждались, что это обычная тарелка, а не секретная сковорода, но она оставалась почти холодной, а яичница делалась готовой. Выступления Тарбела проходили с громадным успехом, так как он сопровождал их познавательной лекцией, рассказывая о работах Фарадея, Герца и Тесла, аппарате Д'Арсонваля для физиотерапии с помощью токов ВЧ, который, возможно, и послужил прототипом его изобретения. Иллюзионист занимался своей профессией и даже не подумал, что можно его «чудо-печку» использовать на кухне. Это сделал один из его зрителей: некто МакЛежен…








