Текст книги "Пионер-электротехник"
Автор книги: Петр Стрелков
сообщить о нарушении
Текущая страница: 9 (всего у книги 14 страниц)
Самодельный электровыжигатель
Вам, вероятно, приходилось видеть деревянные шкатулки, пеналы, рамки и другие вещи, украшенные выжженными рисунками. Выжигание на дереве производится специальными аппаратами. Вы можете изготовить такой аппарат, который работает с помощью электротока и поэтому называется электровыжигателем.
Для изготовления электровыжигателя потребуется трансформатор, понижающий сетевое напряжение 120–220 вольт до 2—12 вольт, 1,5–2 метра осветительного шнура, два болтика (на каждом из них по две гайки с шайбами), мелкие шурупы, изоляционная лента и деревянная ручка.
Ручку для электровыжигателя можно изготовить из сухого дерева или воспользоваться готовой от старого напильника, лобзика или поломанной отвертки, сняв с нее металлическое кольцо. По центру ручки просверлите сквозное отверстие диаметром 10–12 миллиметров или же прожгите его раскаленным железным прутком. После этого из латуни или миллиметрового железа вырежьте две пластинки и просверлите в них отверстия. Затем эти пластинки прикрепите к торцовой части ручки мелкими шурупами.
В качестве зажимов возьмите два болтика, которые прикрепите к пластинкам с помощью гаек. Под эти гайки подожмите концы проводов, заделанные петелькой. Болтики поставьте головками внутрь, а гайками наружу. На болтики наденьте по две шайбы и навинтите по второй гайке. Затем возьмите кусочек нихромовой или какой-либо другой реостатной проволоки длиной 40–60 миллиметров, диаметром 0,8–1 миллиметр. Концы этой проволоки закрепите зажимными гайками, выгнув ее по форме, показанной на рисунке 71.

Рис. 71. Самодельный электровыжигатель: 1– нихромовая проволочка для выжигания; 2 – контактные держатели; 3 – рукоятка; 4 – зажимы; 5 – соединительные провода.
Концы шнура, идущие от зажимов электровыжигателя, присоедините к клеммам понижающего трансформатора. При включении трансформатора в сеть проволочка накалится до светло-красного цвета. Слегка прижав конец накаленной проволочки к дереву, выжгите на нем рисунок, предварительно нанесенный карандашом или переведенный с помощью копировальной бумаги.
Электровыжигатель продолжительно и надежно работает, если у него правильно подобрано накальное напряжение. Нельзя раскалять проволочку до белого цвета, так как она быстро окисляется и перегорает. Если проволочка раскаляется до ярко-красного цвета, считают, что напряжение и длина проволочки подобраны правильно (до ярко-красного цвета должна накаляться дужка заостренного изгиба).
Чтобы добиться нормального накала проволочки, измените ее длину и величину напряжения электротока.
Самодельный понижающий трансформатор
Переменный электрический ток получил очень широкое распространение в промышленности и технике благодаря легкости его преобразования. Прибор, служащий для преобразования тока одного напряжения в ток другого напряжения почти при одной и той же мощности, называют трансформатором.
Трансформатор (рис. 72, а) состоит из двух катушек 1 и 2, намотанных обмоточным проводом изолированно друг от друга и насаженных на сердечник 3, собранный из отдельных железных полос.

Рис. 72. Самодельный понижающий трансформатор и его части.
Первая обмотка 1, к которой подводится ток от генератора, называется первичной. Вторая 2, от которой ток поступает к потребителю, называется вторичной. Если число витков в первичной обмотке меньше, чем во вторичной, трансформатор называют повышающим, то есть в его вторичной обмотке напряжение выше, чем в первичной. Если же число витков во вторичной обмотке меньше, чем в первичной, трансформатор называют понижающим, то есть напряжение во вторичной обмотке меньше, чем в первичной.
Мощность тока во вторичной обмотке меньше, чем в первичной. Напряжение на обмотках пропорционально числу витков. Если во вторичной обмотке число витков в десять раз больше, чем в первичной, то и напряжение во вторичной обмотке будет в десять раз больше, чем в первичной. Если же число витков во вторичной обмотке в десять раз меньше, чем в первичной, то и напряжение во вторичной обмотке будет в десять раз меньше, чем в первичной.
Большое значение имеют трансформаторы при передаче электроэнергии на далекие расстояния. Передавая ток большой мощности при обычном напряжении (120–220 вольт), можно потерять много электроэнергии на бесполезное нагревание проводов. Эти потери будут тем меньше, чем выше будет напряжение передаваемого тока.
Для повышения напряжения применяют трансформаторы, которые повышают передаваемое напряжение до 220 тысяч и даже до 500 тысяч вольт. Такое высокое напряжение опасно для жизни. На месте потребления напряжение понижают до 120–220 вольт. А для моделей и приборов, изготовляемых юными электротехниками, напряжение надо понижать до 2—24 вольт.
Трансформатор изобрели ученый Павел Николаевич Яблочков и лаборант Московского университета Иван Филиппович Усагин.
Действие трансформатора основано на явлении электромагнитной индукции. Переменный ток, проходя по первичной обмотке, создает в железном сердечнике переменное магнитное поле. Это поле действует на вторичную обмотку трансформатора, создавая в ней электрический ток.
Рассмотрим упрощенный расчет трансформатора на конкретном примере.
Допустим, что у нас имеется пакет трансформаторного железа Ш-образной формы (рис. 72, б). Нас будут интересовать размеры той части пакета, на которую надевается катушка с обмоткой. Эта часть называется сердечником. Ширина одной пластинки нашего сердечника равна 50 миллиметрам, а толщина его набора – 60 миллиметрам. Ширина окна равна 26 миллиметрам, длина – 85 миллиметрам. Надо определить количество витков для первичной и вторичной обмоток, а также определить толщину провода для них.
Весь расчет производится в следующем порядке.
1. Сначала находим площадь поперечного сечения сердечника: 5х6 = 30 кв. сантиметрам.
2. Определяем количество витков для напряжения в 1 вольт, для чего постоянный коэффициент 60 делим на площадь поперечного сечения (в квадратных сантиметрах) трансформатора: 60:30 = 2 виткам.
3. Подсчитываем полное количество витков для первичной обмотки на сеть 220 вольт: 220х2 = 440 виткам.
4. Определяем полное количество витков для вторичной обмотки 48 вольт: 48х2 = 96 виткам.
Теперь надо определить диаметр изолированного обмоточного провода, применяемого для первичной и вторичной обмоток. Диаметр провода подбирают в зависимости от мощности, которую желают получить от трансформатора.
Для наших опытов можно ограничиться мощностью в 200 ватт. Для получения такой мощности нужно по первичной обмотке в 220 вольт пропустить ток величиной: I1=200/220=0,9 ампера, где I1 – ток, проходящий по первичной обмотке.
Обмоточный провод сечением 1 кв. миллиметр выдерживает нагрузку в 2 ампера. Сечение провода первичной обмотки можно определить простым подсчетом: величина тока, проходящего по обмотке, в два раза меньше, чем допустимая величина тока, приходящаяся на 1 кв. миллиметр. Значит, площадь поперечного сечения провода для первичной обмотки равна 1:2=0,5 кв. миллиметра. Этому сечению соответствует диаметр провода приближенно 0,8 миллиметра.
Во вторичной обмотке мощность будет приблизительно 180 ватт. Значит, величина тока I2 во вторичной обмотке может достигнуть I2 = 180/48 = 3,75 ампера, где 180 – мощность во вторичной обмотке, 48—напряжение во вторичной обмотке, I2 – величина тока во вторичной обмотке.
Значит, для вторичной обмотки можно было бы вполне ограничиться проводом, сечение которого равно 3,8 кв. миллиметра. При таком сечении провод имеет диаметр 2,2 миллиметра.
После определения диаметра провода для намотки приступим к изготовлению каркаса катушки, на который будут намотаны сетевая (первичная) и понижающая (вторичная) обмотки.
Каркас катушки склейте из плотного картона (рис. 72, в). Сначала определите размеры щечек 4. Для того чтобы щечки можно было плотно надеть на основу каркаса 5, вырежьте в них отверстия 6 несколько больших размеров, чем площадь сердечника, а именно: по толщине основы каркаса. Затем вырезайте и склеивайте основу из того же плотного картона. После этого на основу наденьте щечки и приклейте их.
Склеенную катушку желательно несколько раз покрыть изоляционным лаком и дать ей просохнуть. Потом возьмите катушку и измерьте внутреннее расстояние от щечки до щечки, а также высоту щечки. Эти измерения делаются для того, чтобы проверить, уложатся ли обе обмотки, если их намотать тем проводом, который мы выбрали по расчету. Предварительный подсчет производится следующими последовательными вычислениями.
1. Определите, какое количество витков уложится в одном ряду, если их плотно укладывать виток к витку. Для этого внутреннее расстояние от щечки до щечки, выраженное в миллиметрах, разделите на диаметр провода, которым производится намотка. В нашем примере внутреннее расстояние равно 80 миллиметрам, а высота щечек—18 миллиметрам. Следовательно, в одном ряду первичной обмотки проводом с диаметром 0,8 миллиметра уложится 100 витков: 80:0,8 = 100 виткам.
2. Подсчитайте количество слоев во всей первичной обмотке. Для этого полное количество витков первичной обмотки разделите на число витков в одном ряду. Получается: 440:100 = 4,4 слоя.
Берем округленно пять слоев, учитывая, что с увеличением числа слоев количество витков в каждом из них уменьшается, то есть не доматывается по одному-два витка до щечек с каждой стороны. Это делается для того, чтобы избежать межвитковых замыканий.
3. Определите, какую высоту займут пять слоев: 5х0,8 = 4 миллиметрам.
При намотке каждый слой изолируйте друг от друга тонкой бумагой, пропитанной парафином. Ее толщину примем равной 0,25 миллиметра. Значит, изоляция (пять слоев) займет 5х0,25 = 1,25 миллиметра.
К этому же следует прибавить толщину изоляционной прокладки между первичной и вторичной обмотками, которая займет 0,8 миллиметра высоты.
Таким образом, первичная обмотка вместе с изоляцией займет 6 миллиметров: 4+1,25+0,8=6,05 миллиметра.
На долю вторичной обмотки остается часть окна высотой 12 миллиметров: 18—6=12 миллиметрам.
4. Определите количество витков, которое уложится в одном слое, если вторичную обмотку наматывать проводом в хлопчатобумажной изоляции диаметром (вместе с изоляцией) около 2,5 миллиметра: 80:2,5=32 виткам.
5. Определите число всех слоев вторичной обмотки, для чего 96:32 =3 слоям.
Вторичную обмотку наматывайте с отводами для получения различного напряжения. Поэтому для отводов от первичного слоя надо дополнительно взять не менее 2,5 миллиметра высоты на каждый слой.
6. Подсчитайте высоту трех слоев вместе с отводами: 2,5 + (2,5х3) = 10 миллиметрам.
Однако не всегда можно найти обмоточный провод с диаметром 2,5 миллиметра. Поэтому иногда приходится подбирать нужное сечение провода из отдельных изолированных проводников меньшего диаметра. В таком случае вряд ли останется свободная часть «окна», предназначенного для вторичной обмотки.
Мы предположим, что во вторичной обмотке трансформатора мощность будет не менее 180 ватт. При 24 вольтах во вторичной обмотке величина тока будет равна 7,5 ампера. При мощности 180 ватт и напряжении 4 вольта во вторичной обмотке величина тока будет 45 ампер: 180: 4 = 45 амперам.
Но провод диаметром в 2,5 миллиметра не может продолжительное время выдержать такого тока, начнет быстро нагреваться, вследствие чего может сгореть изоляция, и трансформатор станет непригодным к употреблению. Поэтому для получения тока большой величины при напряжении в 4, 6 и 12 вольт необходимо сечение провода значительно увеличить.
Если же от трансформатора брать кратковременно ток большой величины, то 1 кв. миллиметр выдерживает ток до 5 ампер. Значит, провод сечением в 2,5 миллиметра может кратковременно выдержать около 27 ампер.
Существует формула, по которой можно определить диаметр провода для вторичной обмотки при плотности тока в 2 ампера на 1 кв. миллиметр.
Эта формула выражается так: I2 =0,8√d2, где d2 – диаметр провода вторичной обмотки, 0,8 —постоянное число, I2—величина тока во вторичной обмотке.
Эту величину легко определить, зная мощность и напряжение во вторичной обмотке.
Для того чтобы можно было изменить сечение проводов при получении желаемых величин напряжения и тока, нужно обмотку на 12 вольт составить из трех отдельных секций по 4 вольта.
На каждую секцию наматывается 8 витков провода диаметром 2,5 миллиметра. Тогда для получения тока большой величины при напряжении в 4 вольта можно все три обмотки соединить между собой параллельно, то есть выводы от начала этих обмоток соединяют вместе, а выводы от концов обмоток соединяют тоже вместе. В этом случае отдаваемая величина тока будет в три раза больше, чем у одной 4-вольтной секции.
Если нужно получить напряжение в 12 вольт, надо все три секции соединить последовательно, то есть конец первой секции с началом второй, а конец второй секции с началом третьей. Оставшиеся свободные концы явятся началом и концом уже 12-вольтной обмотки. При последовательном соединении секций можно брать с 12-вольтной обмотки в три раза меньший ток, чем с тех же секций, соединенных параллельно. Для того чтобы со всей вторичной обмотки можно было получить напряжение в 24 вольта, нужно добавить еще одну секцию на 12 вольт. Тогда, соединив все секции последовательно, можно получить 24 вольта. Чтобы получить с первой секции 2 вольта, нужно сделать отвод от четвертого витка. Чтобы получить 48 вольт, надо намотать еще одну секцию на 24 вольта и присоединить ее последовательно.
На рисунке 72, г показана схема соединения секций между собой. Жирными линиями показано последовательное соединение, а пунктирными – параллельное соединение только трех первых секций. Четвертая секция дает 12 вольт, и ее нельзя включать параллельно с секциями, дающими только по 4 вольта. Для удобства в составлении последовательных и параллельных соединений нужно зажимы, соединенные с выводами от начала каждой секции, расположить в горизонтальный ряд. А против этих выводов, ниже их, следует расположить соответствующие выводы от концов секций. Отвод О от первой секции выводим в середине между выводами Н1 к К1 (начало и конец обмотки секции).
При последовательном соединении всех секций можно получить с соответствующих зажимов следующие напряжения:
Между зажимами H1 и K1 снимается напряжение 4 вольта.
Н1 и К2 – 8 вольт.
H1 и К3 – 12 вольт.
H1 и К4 – 24 вольта.
Н2 и К4 – 20 вольт.
Н1 и О – 2 вольта.
О и К2 – 6 вольт.
H1 и К5 – 48 вольт.
Так производятся простейшие расчеты обмоток трансформатора.
Теперь можно приступить к работе.
Сначала намотайте первичную обмотку. Для этого сделайте отверстие у основания щечки и проденьте через него кончик изолированного гибкого провода. Этот провод припаяйте к обмоточному проводу и намотайте обмотку ровными слоями, виток к витку, изолируя один слой от другого бумагой, пропитанной парафином. Подсчитывайте число витков в каждом слое и результаты записывайте на бумаге.
Закончив намотку первичной обмотки, просверлите в щечке катушки отверстие для вывода второго конца обмотки. Его тоже припаяйте к гибкому проводу, который проденьте в отверстие в щечке катушки. Затем всю обмотку изолируйте бумажной прокладкой так, чтобы первичная обмотка не касалась вторичной.
Вторичную обмотку составьте из пяти отдельных секций. Первые три секции намотайте по восьми витков в каждой. В четвертой секции, рассчитанной на 12 вольт, уложите 24 витка. Все секции наматывайте в одном и том же направлении. В первой секции от четвертого витка сделайте петлеобразный отвод на ток напряжением 2 вольта. На последнюю, пятую, секцию намотайте 48 витков.
Отводы от начала и конца каждой секции помечайте, чтобы не перепутать их между собой при параллельном и последовательном соединении.
После укладки обмоток приступайте к сборке трансформатора. Его пластины собирайте вперекрышку, то есть пластины замыкаются перемычками поочередно с одной и другой стороны.
Для крепления трансформатора к подставке изготовьте лапки. Эти лапки подожмите под болты, стягивающие трансформаторный пакет после сборки (см. рис. 72, д).
Теперь остается изготовить ящик для трансформатора. На передней панели ящика монтируются зажимы, к которым присоединяются соответствующие отводы и сетевая предохранительная пробка.
Вывод шнура к осветительной розетке можно сделать в нижнем правом углу. Над вторичной обмоткой сделайте надпись «Низкое напряжение». Отводы каждой секции обозначьте соответственно: Н1 – начало первой секции, К1 – конец первой секции, Н2 – начало второй секции, К2– конец второй секции, и т. д.
Кроме того, на передней панели в левом углу поместите схему соединения обмоток трансформатора на различное напряжение и силу тока (рис. 72, е).
Мы описали расчеты и изготовление понижающего трансформатора, для которого было использовано готовое трансформаторное железо. Если трудно найти готовое трансформаторное железо, можно в крайнем случае использовать отожженную железную проволоку троса.
Особенность в изготовлении такого трансформатора заключается в том, что каркас катушки делается более прочным. Верхнюю часть обмотки катушки надежно изолируйте, покрывая плотной бумагой, кембриковым полотном и в отдельных случаях изоляционной лентой.
На выводы обмоток надеваются кембриковые или резиновые трубочки. Щечки и отверстия в катушке для сердечника делаются круглой формы.
Сначала произведите намотку катушки, а потом плотно заполните заготовленными и отожженными проволоками отверстия в катушке. После этого сердечник у щечек с обеих сторон скрепите, расплетите проволоки и сгибайте их с одной и другой стороны катушки в направлении друг к другу. Затем эти концы плотно укладывайте друг на друга и расположите так, чтобы по всей окружности щечек получались ровные и аккуратные слои. На первые слои накладываются вторые, на вторые – третьи и т. д. При этом следите, чтобы выводы от обмоток не замкнулись на железную проволоку. После того как все слои проволоки будут уложены, их стягивают в поперечном направлении тоже отожженной проволокой. Затем длинные концы проволок обрезают ножницами (рис. 73).

Рис. 73. Трансформатор ежового типа: Н и К – выводы от сетевой обмотки; Н1, Н2, Н3, Н4 – выводы от начала понижающих обмоток; К1, К2, К3, К4– выводы от концов понижающих обмоток.
Такой трансформатор работает надежно и удовлетворительно. Чтобы его рассчитать, нужно сначала выбрать площадь поперечного отверстия катушки, в которое будет вставлен сердечник из проволок. Все остальные вычисления производят так же, как и в обычном трансформаторе.
Понижающий трансформатор не требует никакого ухода. Он всегда готов к действию и может выдерживать кратковременные перегрузки. Большие перегрузки трансформатора сопровождаются нагреванием обмоток. При сильном нагревании обмоток трансформатор надо выключать.
Модель электроискрового станка для прошивки отверстий
Представьте себе, что вам потребовалось просверлить отверстие в заготовке очень высокой твердости, например в закаленной пластинке из инструментальной стали, в магнитном сплаве, победитовом резце и проч. Высверливание отверстий в таких материалах – дело весьма трудное. Во-первых, сверла быстро изнашиваются и очень часто ломаются. Во-вторых, сверло и деталь в процессе сверления надо искусственно охлаждать специальной жидкостью – суспензией, которая не окисляет инструмента и детали. В-третьих, потребуется много труда и времени, чтобы получить отверстие нужного размера. Гораздо труднее сделать в твердых металлах отверстия различной формы, например квадратные, шестигранные и более сложного профиля.
Поставленная задача поразительно просто разрешается, если для этой цели применять не обычные сверлильные станки, а специальные электроискровые установки или электроискровые станки. Эти станки отличаются необычной простотой – у них совсем нет сверл, вращающегося шпинделя с патроном и электродвигателя. Роль сверла в станке выполняет электрод-инструмент, изготовленный из латуни или бронзы. Причем форма электрода-инструмента должна точно соответствовать форме получаемого отверстия, что очень легко сделать практически.
Работа электроискрового станка основана на явлении электрической эрозии, то есть на свойстве электрической искры разрушать проводящие материалы.
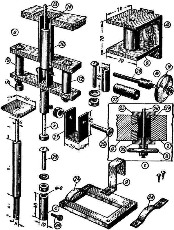
Электрическая схема станка показана на рисунке 74, а.


Рис. 74. Самодельный электроискровой станок: а – электрическая схема; б – внешний вид станка; в – конструкция станка; г – конструкция направляющей стойки; д – устройство каретки; е – конструкция штурвала; ж; з – различные виды электродов-инструментов. 1 – металлический столик; 2 – ванна; 3 – электрод-инструмент; 4 – сердечник; 5 – соленоидная катушка; 6 – каретка; 7 – направляющая стойка; 8 – штурвал; 9—кронштейн; 10 – крепежный болт с зажимным барашком; 11 – вибрационная пластинка; 12 – стягивающие болты с колонками; 13 – направляющий стержень; 14 – металлическая накладка; 15– зажим для включения соленоидной катушки в цепь переменного тока; 16 – зажим для включения станка в рабочую цепь; 17 – основание ванны; 18 – стойка основания; 19 – зажимной винт; 20 – штатив; 21 – скоба; 22 – переходная втулка; 13 – стопорный винт; 24 – зажимные пружины столика; 25 – направляющие рейки; 26 – вал для перемещения каретки; 27 – резиновая трубка; 28 – стягивающий болт переходной втулки; 29 – стягивающий болт скобы; 30 – гильза соленоидной катушки.
Она представляет собой цепь, содержащую переменное проволочное сопротивление – ползунковый реостат R, батарею конденсаторов постоянной емкости С. Такую цепь называют контуром RC. Параллельно этому контуру включены металлический стол М для обрабатываемых деталей, установленный в подвижной ванне В с рабочей жидкостью, электрод-инструмент Э, прикрепленный к сердечнику, установленному в соленоидной катушке К. Питание схемы можно производить постоянным или переменным током напряжением от 24 до 200 вольт.
Устройство станка показано на рисунке 74, б. Он состоит из соленоидной катушки 5, сердечника электрода-инструмента 3, каретки 6, направляющей стойки 7, штурвала 8, кронштейна 9, крепежного болта с зажимным барашком 10, ванны 2, столика 1, вибрационной пластинки 11, прикрепленной к нижней щечке соленоидной катушки при помощи скобы 21 и стягивающих болтов с колонками 12. Сердечник заканчивается направляющим стержнем 13, скользящим в отверстии металлической накладки 14.
Для включения соленоидной катушки в сеть переменного тока имеется зажим 15, укрепленный на верхней щечке катушки. Станок включается в контур при помощи зажима 16 и барашка 10, навинченного на болт, крепящий скобу столика 9 к стойке. Ванна устанавливается на основании 17 и перемещается при помощи стойки 18. которая укреплена зажимным винтом 19, установленным на штативе 20.
Соленоидная катушка с сердечником предназначены для создания вибрации электроду-инструменту.
Каркас катушки можно изготовить следующим образом. Отрежьте гильзу длиной 7 сантиметров от трубки с внутренним диаметром 10–11 миллиметров. В гильзе сделайте прорезь для уменьшения паразитных токов. Щечки сделайте квадратными (7х7 сантиметров) из фанеры или доски толщиной 7—10 миллиметров и приклейте их к гильзе при помощи клея БФ-2 или БФ-4. Покройте гильзу несколько раз изоляционным лаком, просушите и оберните двумя-тремя слоями бумаги. В верхней щечке сделайте отверстие возле гильзы.
Припаяйте гибкий проводник к обмоточному проводу марки ПЭЛ или ПЭ диаметром 0,15 миллиметра и про пустите его через отверстие в щечке катушки. Намотайте на каркас катушки 4200 витков обмоточного провода. К концу обмотки припаяйте гибкий проводник и пропустите его через второе отверстие в верхней щечке. Для удобства включения катушки в схему закрепите выводы от обмотки при помощи клеммных зажимов.
Сердечник для катушки сделайте из мягкой стали. Один конец сердечника сточите на токарном станке до диаметра 7–8 миллиметров, а на другом его конце просверлите сквозное отверстие диаметром 5–6 миллиметров. Сделайте скобу 21 из латуни по форме, показанной на рисунке 74, в, и просверлите в ней отверстия.
Переходную втулку 22 выточите из бронзы или латуни. С одного торца втулки просверлите отверстие и нарежьте резьбу под упорный болт. С другого торца просверлите отверстие на глубину 15–20 миллиметров под электрод-инструмент 3. Отступите на 10 миллиметров от нижнего края втулки, просверлите боковое отверстие и нарежьте в нем резьбу под стопорный винт 23, которым закрепляется хвостовик электрода-держателя. Вибрационную пластинку 11 сделайте из стальной упругой полоски, кронштейн 9 – из медной или стальной шины толщиной 5—б миллиметров и шириной от 30 до 60 миллиметров. К отогнутому концу кронштейна прикрепите металлический столик 1 с деталедержателями 24 в виде упругих стальных или бронзовых пластинок, прикрепленных к столику винтами. Столик можно сделать из мягкой стальной плиты или из листовой меди в виде прямоугольника произвольных размеров. Направляющую стойку 7 сделайте из сухих деревянных брусков, как показано на рисунке 74, б, г.
Каретку 6 для катушки сделайте из сухих досок по форме, показанной на рисунке 74, д. Причем каретка должна туго входить в паз направляющей стойки. Прикрепите каретку к щечкам катушки при помощи металлических угольников. Для перемещения каретки вдоль паза вверх и вниз сделайте прижимной валик 26 со штурвалом или маховиком 8. Для этого выточите из стальной мягкой заготовки валик по форме, показанной на рисунке 74, е. С одного конца валика нарежьте резьбу под гайку, которой крепится штурвал – круг, вырезанный из толстой фанеры или сухой доски. Наденьте на тонкую часть валика 26 кусок резиновой трубки 27, прикрепите к нему штурвал и установите валик в выемке направляющей стойки. Чтобы валик не перемещался вверх, прикрепите металлические накладки 25 с обеих сторон направляющей стойки, как показано на рисунке 74, г.
Ванну сделайте из жести или подберите готовый небольшой тазик. Основание 17 для ванны можно сделать прямоугольной формы из доски. В центре основания закрепите деревянную стойку 18. Штатив сколотите из досок в виде столика, как показано на рисунке 74, б. В центре крышки штатива сделайте отверстие для прохода стойки. По центру возле отверстия прикрепите зажимной винт 19.
После изготовления всех частей приступайте к сборке станка.
Прикрепите к вибрационной пластинке скобу и переходную втулку. Разметьте и просверлите отверстия на нижней щечке катушки для стяжных болтов с колонками. Скрепите сердечник со скобой болтом с гайкой. Пропустите сердечник внутрь катушки и прикрепите вибрационную пластину к нижней щечке катушки. На верхней щечке катушки закрепите металлическое кольцо. Прикрепите направляющую стойку к крышке штатива и вставьте в ее паз каретку с катушкой.
Прикрепите к направляющей стойке кронштейн с металлическим столиком при помощи зажимного болта с барашком.
Закрепите в отверстии переходной втулки электрод-инструмент. Установите на основание 17 ванну, укрепите на столике деталь, в которой требуется просверлить отверстие, и приподнимите ванну так, чтобы в нее погрузился столик. Наполните ванну керосином или минеральным маслом – и станок готов.
Ванну следует заполнять так, чтобы обрабатываемая деталь была погружена в жидкость на глубину не более 3–4 миллиметров.
Теперь приступайте к сборке электрической схемы станка. Вам потребуется источник электрического тока от понижающего трансформатора с напряжением 48 вольт – можно пользоваться как переменным, так и постоянным током. Однако целесообразнее пользоваться постоянным током, так как электрод-инструмент при этом изнашивается меньше и скорость прошивки отверстии несколько повышается.
Электрическую схему собирайте по рисунку 74, а. Выводы от конденсаторов сделайте толстой медной проволокой или изолированной шиной. Один вывод присоедините к зажиму, прикрепленному к вибрационной пластинке, а другой зажмите между шайбой и барашком крепежного болта кронштейна. Для регулировки рабочего режима станка в цепь разрядного контура включены вольтметр на 50–75 вольт и амперметр со шкалой до 200 ампер. Регулировка режима осуществляется проволочным реостатом, пропускающим ток до 10–15 ампер.
Емкость конденсаторов можно подбирать в пределах от 20–30 до 600 микрофарад. Конденсаторы следует брать только бумажные (электролитические конденсаторы непригодны – они легко пробиваются и сильно нагреваются в момент работы, то есть не выдерживают импульсных напряжений и токов). Рабочее напряжение конденсаторов надо брать в два раза выше напряжения источника электрического тока. Так как подобрать промышленные конденсаторы на нужную величину емкости трудно, вам следует составлять конденсаторные батареи, включая параллельно в группы отдельные конденсаторы малой емкости.
Для прошивки отверстий в деталях при помощи промышленных станков применяются три основных рабочих режима:
1. Жесткий (или грубый), при котором напряжение равно 150–200 вольт, величина тока короткого замыкания берется в пределах от 10 до 60 ампер, емкость конденсаторов выбирается от 400 до 600 микрофарад.
2. Средний, характеризующийся напряжением 80—120 вольт, величиной тока 5—10 ампер, емкостью конденсаторов 100–300 микрофарад.
3. Мягкий, характеризующийся напряжением 25–50 вольт, величиной тока 0,1–1 ампер и емкостью конденсаторов 10 микрофарад.
Ваш станок будет работать на мягком режиме, дающем хорошую чистоту обработки поверхности. Следует учесть, что наибольшую производительность дает жесткий режим, но при этом получается плохая чистота поверхности и низкая точность отверстия. А мягкий режим отличается самой низкой производительностью, но качество и точность обработки получаются наилучшими.
Чтобы повысить скорость прошивки, вы можете практически подобрать наиболее подходящий режим. Для этого надо несколько увеличить емкость конденсаторной батареи, величину тока в разрядной цепи и напряжение.
Работа на станке производится следующим образом. Сначала установите обрабатываемую деталь на металлическом столике. Затем погрузите столик в ванну и заполните ее жидкостью. Включите катушку в сеть переменного тока и вращением штурвала опустите каретку вниз, чтобы электрод-инструмент прикоснулся к поверхности детали. Оставьте каретку в этом положении и включите разрядный контур, в это время вы услышите характерное потрескивание искр, проскакивающих между электродом-инструментом и деталью. Когда поток искр становится редким или прекращается, необходимо вращением штурвала сблизить электрод-инструмент с деталью. Если при дальнейшем сближении треск не возобновляется, то это является признаком того, что в детали получилось сквозное отверстие и инструмент прошел в отверстие столика. Теперь опустите ванну вниз так, чтобы столик вышел из жидкости. Подождите, пока она стечет с детали. Отделите деталь от столика, протрите ее ветошью или тряпочками и приступайте к прошивке следующего отверстия.









![Обложка: Честь Воина [CИ]](/files/books/110/no-cover.jpg)