Текст книги "Пионер-электротехник"
Автор книги: Петр Стрелков
сообщить о нарушении
Текущая страница: 6 (всего у книги 14 страниц)
Электрические гимнасты
Изготовьте основание из фанеры или картона. Сделайте фигурки гимнастов из папиросной бумаги, и ноги их приклейте к основанию.
Наэлектризуйте газету, проведя по ней несколько раз одежной щеткой, и поднесите ее сверху к фигуркам: они мгновенно поднимутся.
Если вы будете водить газетой над фигурками, то они станут раскачиваться, как бы делая гимнастические упражнения. Этот опыт удачно проходит, если взяты чистая щетка и сухая газета, а фигурки сделаны легкими, из тонкой бумаги, как показано на рисунке 52.

Рис. 52. Электрические гимнасты.
«Хищный паук»
Сделайте две фигурки паука и мухи из тонкой папиросной бумаги. Подвесьте их к электрическим маятникам вместо папиросных гильз. Наэлектризуйте паука положительным, а муху отрицательным электричеством и медленно сближайте их. Вы увидите, как «хищный паук» жадно набросится на муху (рис. 53).

Рис. 53. Хищный паук.
Встреча
Вырежьте из картона фигурки человека, например сказочного крестьянина и медведя. Приклейте крестьянину руки, а медведю – передние лапы из папиросной бумаги так, чтобы они свободно поднимались. Приклейте каждую фигурку отдельно на куске стекла или укрепите их на пробках, воткнутых в горлышко бутылок. Наэлектризуйте одну фигурку положительным, а другую – отрицательным электричеством и постепенно сближайте их. Вы будете наблюдать, как крестьянин протянет руки к медведю (рис. 54).

Рис. 54. Встреча.
Электрический балет
Небольшую коробку из-под печенья оклейте внутри оловянной или алюминиевой бумагой (фольгой), в которую завертывают шоколад. Из кусочков соломы или из сердцевины бузины сделайте человеческие фигурки. Для этих фигурок можно склеить костюмчики из папиросной бумаги. Фигурки должны быть очень легкими. Положите фигурки на дно коробки. Сверху коробку закройте стеклом и приклейте его к стенкам бумажными полосками (рис. 55).
Потрите верхнее стекло коробки комком бумаги или шелковой подушечкой – фигурки при этом начнут подпрыгивать, как бы танцуя. Вместо человеческих фигурок можно сделать фигурки мушек или бабочек. При трении стекла подушечкой мушки и бабочки будут перепрыгивать с места на место.
Если при трении стекла бумагой или шелковой подушечкой фигурки не приходят в движение – значит, они очень тяжелы и их надо сделать более легкими. Иногда этот прибор перестает работать вследствие того, что он отсырел или отсырели бумага и подушечка. В этом случае прибор, бумагу или подушечку надо просушить.

Рис. 55. Электрический балет.
Электрический тир
Свойство соленоидов втягивать железные предметы можно использовать в моделях соленоидных пистолетов, винтовок и организовать электрический тир.
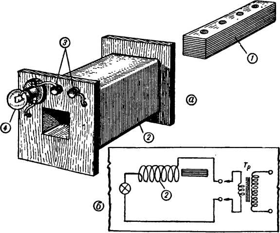
Модель электрической винтовки показана на рисунке 56, а, б. Она состоит из деревянной ложи 1, на которой закреплены ствол 2, спусковой крючок 3 с контактами, предохранительная скоба 4, катушка соленоида 5, скобы 6 для крепления ремня, пружины 7, прикрепленной к шурупу 8 и спусковому крючку.
Сделайте ложу из сухого дерева с выемками для ствола и соленоидной катушки. Ствол можно склеить из картона, плотной бумаги или сделать из. дюралюминиевой трубки. С одного конца ствола приклейте щечки для катушки. На катушку намотайте 300–400 витков изолированного провода диаметром от 0,6 до 0,8 миллиметра. К концам обмотки припаяйте гибкие изолированные выводы и закрепите их нитками. Из старой пластмассовой расчески сделайте спусковой крючок по форме, показанной на рисунке 56, а.

Рис. 56. Электрическая винтовка и ее детали.
Для оттягивания крючка вперед прикрепите к его верхнему концу тонкую резинку или пружинку. Контакты для включения соленоида сделайте из упругой бронзовой или латунной пластинки и прикрепите их к ложе. Предохранительную скобу сделайте из мягкой стальной пластинки. Ствол прикрепите к ложе двумя хомутиками. На конце ствола укрепите мушку 11 с кольцом 12. Соберите электрическую схему винтовки по рисунку 56, в. Заделайте концы проводов в вилку, включите винтовку в сеть понижающего трансформатора Тр напряжением 36–48 вольт и проверьте ее действие.
Изготовьте мишени из бумаги, наклейте их на фанерные дощечки и установите в специально приготовленном электрическом тире.
При нажатии спускового крючка в винтовке замыкаются контакты 9 и 10, включающие в цепь соленоидную катушку. Пуля 13, сделанная из железного гвоздя или мягкой стали, под действием сильного электромагнитного поля с большой скоростью выбрасывается из ствола и поражает цель. Концы пули сделайте тупыми.
Чтобы электромагнитное поле не тормозило вылет пули из ствола, цепь катушки замыкается через корпус пули, контакты 14 и 15.
Кроме винтовки, можно изготовить электрический пистолет или электрическую пушку. Ствол и рукоятка у пистолета или пушки должны быть короче и сделаны по другой форме.
Соблюдайте порядок стрельбы из электровинтовки. Сначала вставьте пулю в контакты. Нацельтесь в мишень и плавно нажмите на спусковой крючок.
Электрический замок
Очень надежным и весьма загадочным сторожем может быть незримый электрический замок. Проводка к нему должна быть сделана скрытно, а кнопка хорошо замаскирована.
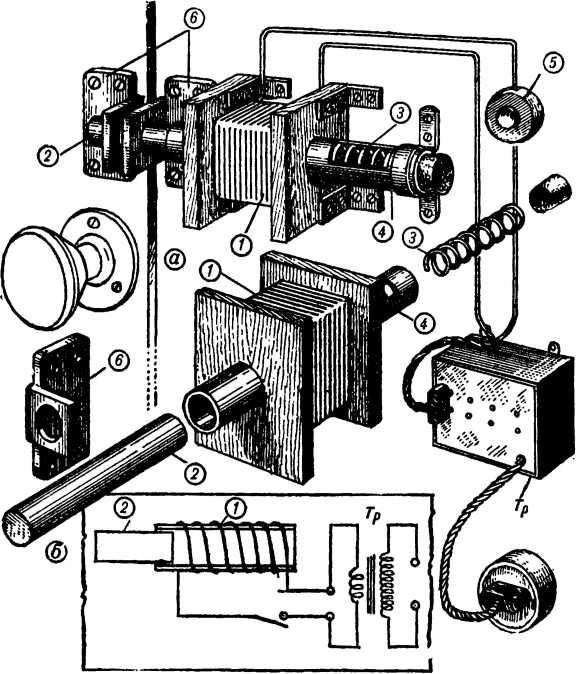
Простейший электрический замок показан на рисунке 57, а. Он состоит из катушки соленоида 1, железного сердечника 2 с пружиной 3, направляющего желоба 4, кнопки 5 и замочных скоб 6.

Рис. 57. Устройство электрического замка. Тр – понижающий трансформатор.
Принцип работы электрического замка основан на свойстве соленоида втягивать железные предметы. Если кнопка не нажата, то железный сердечник под действием пружинки входит в замочные скобы, надежно запирая дверь. При нажатии кнопки замыкается цепь катушки соленоида, которая втягивает внутрь железный сердечник, преодолевая упругость пружины, и дверь открывается.
Обработайте железный сердечник по форме, показанной на рисунке 57, б. Изготовьте из жести направляющий желоб. Изогните две замочные скобы из толстых стальных полос, просверлите на концах скоб по два отверстия и прикрепите их на размеченных местах. Подберите стальную пружину и закрепите ее на свободном конце железного стержня. Свободный конец пружины прикрепите к упору. Каркас катушки и соленоида сделайте из фанеры и намотайте на него 250–300 витков изолированным проводом диаметром 0,5–0,6 миллиметра. Сделайте электропроводку, соберите электрическую схему и проверьте действие замка. Замок можно включить в сеть постоянного и переменного тока напряжением 12–24 вольта. Под замок подложите металлическую пластинку, чтобы нельзя было открыть его ножом или каким-либо другим приспособлением.
Прибор для регулирования яркости электрического света
Вам, вероятно, не раз приходилось наблюдать, как в зрительных залах некоторых кинотеатров перед началом сеанса медленно угасает свет.
Для этой цели часто применяются жидкостные реостаты, включенные последовательно с электролампочками зрительного зала. Перед началом сеанса реостат медленно выводят из цепи лампочек, уменьшая ток. Для регулирования силы света можно изготовить прибор, состоящий из соленоида и железного сердечника. Его конструкция и схема включения показаны на рисунке 58.

Рис. 58. Устройство прибора для регулирования яркости света (а – общий вид прибора; б – электрическая схема): 1 – сердечник; 2 – катушка; 3 – зажимы; 4 – патрон.
Склейте из фанеры каркас катушки. На одной из дощечек с внешней стороны укрепите два зажима. Намотайте на каркас 550–600 витков обмоточного провода диаметром 0,5–0,7 миллиметра. Присоедините концы от обмотки к зажимам.
Подожмите под зажимы два изолированных проводника для включения соленоида в цепь.
Изготовьте сердечник из полосок кровельного железа или жести. Полоски должны быть одинаковых размеров. Соберите их в пакет толщиной 15 миллиметров и скрепите заклепками в трех-четырех местах.
Возьмите лампочку на 6—12 вольт, мощностью около 20 ватт, изготовьте для нее патрон.
На деревянном основании укрепите патрон, катушку соленоида, розетку – и вы получите прибор для регулирования яркости света.
Яркость свечения лампочки будет изменяться путем введения сердечника внутрь катушки на разную глубину.
«Хитрая лиса»
Много веселых развлечений может доставить юным пионерам-электротехникам электрический аттракцион «Хитрая лиса».
Содержание аттракциона состоит в следующем. Возле дерева из норы выглянула лиса. Ей тут есть чем «поживиться»: вблизи стоит беспечный молодой петушок. Хозяин замечает коварный замысел лисы и пытается «сразить» ее из электрической винтовки. Метко прицелившись, он нажимает на спусковой крючок, однако «хитрая лиса» прячется в нору раньше, чем произойдет выстрел. Лиса как бы наблюдает за нажатием на спусковой крючок и всякий раз успевает безнаказанно уйти в нору.
Задача сводится к тому, чтобы обязательно поразить лису из винтовки, при этом желательно сделать по возможности меньшее число выстрелов.
Электрическая схема аттракциона собрана так, что позволяет сразить лису одним выстрелом только в том случае, если охотник изучит «повадки» лисы, догадается, что нужно сделать, чтобы злодейка не уходила в нору.
Изготовление аттракциона представляет большой интерес, так как он является простейшим автоматом и имеет оригинальную конструкцию.
Аттракцион в собранном виде показан на рисунке 59, а, б.


Рис. 59. Конструкция аттракциона «Хитрая лиса»: а – общий вид; б – монтаж деталей на основании; в – электрическая схема; г – детали реле охраны лисы. I – электровинтовка; II – реле охраны лисы; III – переключатель; 1 – каркас катушки; 2 – щечки; 3 – выкройка пластин сердечника 4 – контактные упоры; 5 – сердечник; 6 – контактные стойки; 7 – основание рубильника; 8 – ножи; 9 – контакты; 10 – основание; 11, 12 —контактные пластинки; 13 – основание контактного устройства; 14 – накладка; 15 – ложа; 16 – спусковой крючок; 17 – предохранительная скоба; 18 – контактное устройство; 19 – пружина спускового крючка; 20 – макет лисы; 21 – пуля; 22 – понижающий трансформатор, К1—катушка реле; К2 —катушка соленоида винтовки.
Он состоит из электрической винтовки I, соленоидного реле II, охраняющего лису, переключателя схемы III, силуэтов лисы, петушка и дерева с норой.
Принцип работы аттракциона легко проследить по его электрической схеме (рис. 59, в). Когда переключатель замыкает контакты а-а, то поразить лису невозможно. В этом случае при нажатии спускового крючка 16 сначала включается в цепь соленоидное реле II, втягивающее железный сердечник 5 внутрь катушки К1. Вместе с сердечником уходит в глубь норы прикрепленный к его верхнему концу силуэт лисы.
Как только сердечник погрузится в катушку реле, его якорь замкнет контакты г и в, включающие цепь винтовки, и катушка К2 с силой втягивает пулю, производя выстрел. Однако пуля не достигает цели, так как лиса скрывается в нору раньше выстрела. Если отпустить спусковой крючок, то разъединяются все контакты схемы, отключается ток, и лиса под действием резинки снова «выходит» из норы. Если сделать еще одну попытку поразить лису, то она окажется также безуспешной. Следовательно, пока переключатель будет замыкать контакты а-а, все попытки поразить лису не дадут результатов.
Замкнув контакты б-б переключателя, стрелок отключает соленоидное реле, охраняющее лису. Теперь ее легко можно поразить одним выстрелом.
Изготовление аттракциона начинайте с соленоидного реле охраны лисы по рисунку 59, г. Склейте каркас 1 катушки со щечками 2 из 3-миллиметровой фанеры, просушите его и намотайте 300–400 витков провода диаметром от 0,6 до 1 миллиметра. Прикрепите катушку к деревянному основанию 10. Для сердечника нарежьте полосок из кровельного железа или жести по выкройке 3. Сложите их вместе и просверлите нужное количество отверстий. Толщина набора должна быть 6–8 миллиметров. Из упругой листовой латуни сделайте два контактных упора 4 по указанной форме и размерам. Вырежьте из фанеры силуэт лисы и прикрепите его вместе с контактными упорами к верхнему концу сердечника 5, как показано на рисунке 59, г. Скрепите сердечник заклепками. Сделайте две одинаковые контактные стойки 6 из толстой медной или латунной пластинки. Вставьте сердечник в полость катушки выступом с лисой вверх. Прикрепите контактные стойки к основанию с противоположных боков катушки так, чтобы сердечник с силуэтом лисы свободно перемещался вверх и вниз без заеданий и перекосов.
Из листа фанеры выпилите лобзиком силуэт дерева с норой. Прикрепите реле внизу с задней стороны дерева против норы. Подвесьте силуэт лисы на резинке 20 вместе с сердечником реле так, чтобы он оказался против дыры, изображающей нору. При этом следите за тем, чтобы сердечник висел против отверстия катушки реле. Силуэт лисы будет подвешен правильно в том случае, когда он, опускаясь вниз вместе с сердечником, позволит контактным выступам реле плотно соприкоснуться с верхними концами контактных стоек. Этого можно добиться, меняя точку подвески силуэта с сердечником, а также перемещением основания реле в ту или другую сторону. Нижний конец сердечника не должен выходить из отверстия катушки, когда силуэт лисы поднят вверх и находится против отверстия норы.
В качестве переключателя можно использовать школьный двухполюсный перекидной рубильник или четырехконтактный перекидной тумблер. Переключатель надо установить на основании 10 реле, включить его в схему и тщательно замаскировать. Если под руками не окажется готового переключателя, его можно изготовить самому. На рисунке 59, б показана конструкция простейшего перекидного рубильника. Основание 7 рубильника сделайте из сухой дощечки, ножи 8 изготовьте из медной или латунной пластинки толщиной 1–2 миллиметра, шесть одинаковых контактов 9 вырежьте из упругой бронзовой или латунной пластинки, сделайте в них нужные отверстия и изогните их, как показано на рисунке. На основании рубильника разметьте места и установите на них три пары контактов так, чтобы расстояния от средних контактов до крайних были бы одинаковы как в одну, так и другую стороны.
Прикрепите к средним контактам свободные концы ножей рубильника при помощи мелких болтов с гайками и шайбами, проложенными с двух сторон каждого ножа и под гайками. Ко всем контактам припаяйте гибкие изолированные провода – и рубильник готов к действию.
Теперь необходимо изготовить электрическую винтовку по описанию, приведенному на стр. 87, и по рисунку 56. Конструкция изготавливаемой винтовки отличается от описанной выше только устройством контактов в ложе 15, замыкающих цепь при нажатии спускового крючка. В винтовке для аттракциона необходимо установить три контакта 11 и 12, укрепленных на общем основании 13 изолированно друг от друга. Эти контакты плотно соприкасаются между собой при нажатии спускового крючка 16, установленного в скобе 17. Такие контакты можно взять от старого телефонного реле.
Простейшее контактное устройство винтовки показано на рисунке 59, в. Из упругой контактной листовой бронзы вырежьте три пластинки по выкройке 11 и 12. Сделайте основание 13 из фибры или пластмассовой пластинки. Вырежьте из пластмассы накладку 14. Наложите накладку на основание и просверлите по концам два отверстия. Вставьте контактные пластинки выемками в отверстия основания и прижмите накладкой. Пластинки будут прочно сидеть на своих местах. Подберите два тоненьких длинных шурупа и прикрепите основание с контактами в выемке, сделанной в ложе 15, где размещается спусковой крючок. При этом стремитесь так укрепить контактное устройство 18, чтобы контакты надежно замыкались только при нажатии крючка. Для оттягивания крючка прикрепите к его свободному выступу маленькую пружину 19 или резинку. Теперь следует припаять к нижнему концу каждой пластинки по одному гибкому изолированному выводу для составления схемы.
Силуэт петушка выпилите лобзиком из фанеры. Раскрасьте все силуэты масляной краской, закрепите их на своих местах и приступайте к соединению электрической схемы аттракциона, пользуясь рисунком 59, в.
Винтовку включите в цепь длинными изолированными проводами или шнуром. Питание для аттракциона следует брать от понижающего трансформатора 22, дающего напряжение 48–50 вольт, или от аккумуляторных батарей на 12–24 вольта. После сборки аттракциона проверьте еще раз правильность всех его цепей и приступайте к пробным испытаниям.
Установите силуэт дерева вместе с понижающим трансформатором возле розетки осветительной сети. Включите аттракцион в сеть низкого напряжения и кратковременными рывками нажимайте указательным пальцем на спусковой крючок. При нажатии крючка лиса должна мгновенно исчезать, опускаясь вместе с сердечником реле вниз.
Если этого не происходит, необходимо проверить, нет ли где-либо перекосов или заеданий между сердечником и трущимися стенками реле, протекает ли ток через катушку, надежно ли замыкаются контакты при нажатии спускового крючка. Выяснив и устранив все причины, вы добьетесь четкой работы реле охраны лисы. После этого отойдите на несколько шагов от силуэта дерева, положите пулю 21 на контакты патронника и с расстояния 8– 10 метров произведите выстрел в лису, предварительно замкнув контакты а переключателя. Если пуля не долетает до цели, то надо уменьшить расстояние до силуэта дерева, кроме этого, необходимо исследовать пулю. В качестве пули можно взять кусок железной проволоки или толстого гвоздя. Изготовьте несколько пуль, разных по размеру и весу, и проверьте, какая из них летит дальше. Пуля, показавшая лучшие результаты, будет служить образцом для изготовления других пуль.
Аттракцион будет долго и надежно работать в том случае, если вы будете за ним тщательно следить и не допускать сильного нагревания катушки реле и винтовки, продолжительного нажатия на спусковой крючок. Помните, что при продолжительном нажатии крючка по катушке реле будет проходить большой ток, нагревая ее обмотку до высокой температуры, при которой может сгореть изоляция обмоточных проводов. Поэтому после каждых 30 минут работы надо проверять, сильно ли нагрелись катушки реле и винтовки.
Каждый раз после работы аттракциона проверяйте состояние контактов, очищайте их от нагара, а трущиеся части смазывайте тавотом или солидолом.
Этот аттракцион привлекает к себе очень большое количество любителей-охотников, поэтому заранее надо спланировать его работу, изготовить большое количество пуль и соблюдать порядок стрельбы.
Соленоидная дорога
Можно построить очень интересную модель электрической дороги, в которой используется свойство соленоида. Ее внешний вид и конструкция изображены на рисунке 60, а, все размеры даны в миллиметрах. Она состоит из деревянного основания, на котором укреплено несколько одинаковых соленоидных катушек, расположенных на определенных расстояниях друг от друга.
На деревянных опорах укреплен однорельсовый путь, проходящий по центру внутри соленоидов.
Перед каждым соленоидом на рельсе установлена пара контактов, при помощи которых соленоид включается в цепь. По рельсу на шарикоподшипниках движется железный вагончик.
Принцип работы дороги состоит в следующем. Вагончик, двигаясь по рельсу, замыкает контакты цепи соленоида. Ток, проходя по соленоиду, создает сильное магнитное поле. Соленоид втягивает вагончик и сообщает ему значительную скорость. Когда вагончик сбежит с контактов, цепь этого соленоида размыкается, и вагончик дальше движется по инерции. Приближаясь к следующему соленоиду, он снова замыкает контакты цепи второго соленоида. Под действием магнитного поля второго соленоида вагончик снова получит ускорение, позволяющее ему добежать до следующего соленоида. Если расположить рельс и соленоиды по кругу, вагончик будет совершать непрерывные круговые движения (рис. 60, б).


Рис 60. Соленоидная дорога и ее части: а – участок круговой соленоидной дороги с вагончиком; б – общий вид; в – конечный участок прямолинейной дороги (5—отражательная доска, 6 – пружины); г – опорный столбик; д – рама вагончика: е – электрическая схема круговой дороги (1, 2 – контакты, 3 —понижающий трансформатор, 4 – соленоидные катушки); ж – электрическая схема прямолинейной дороги (1, 3 – подвесные латунные контакты, 2 – угольные жестко укрепленные контакты, 4 – соленоидные катушки); з – крепление рейки на основании дороги; и – понижающий трансформатор; к, л – форма и размеры колес для вагончиков.
Электрическую дорогу можно сконструировать в различных вариантах. Ее можно изготовить для движения вперед и назад по прямому пути внутри одних и тех же соленоидов. На конечных пунктах такой дороги ставят возвратные пружины. Вагончик, ударяясь о пружины, получает скорость для обратного движения. Конструкция подобной дороги показана на рисунке 60, в. Такая дорога занимает гораздо меньше места, чем круговая, но зато придется расположить контакты с обеих сторон каждого соленоида так, чтобы вагончик, двигаясь в одну сторону, замыкал по паре контактов с одной стороны каждого соленоида, а возвращаясь обратно, замыкал контакты, расположенные с другой стороны этих соленоидов.
В этом случае контакты удобнее сделать подвесными. Одну пару контактов, соединенных параллельно, укрепляют на деревянной рейке неподвижно, а другую пару контактов изготавливают из латунной или медной фольги и подвешивают. Неподвижные контакты желательно сделать угольными и расположить их, как показано на рисунке 60, в.
Теперь приступайте к изготовлению дороги. Основание для прямого пути сделайте из сухой толстой доски. Деревянные опоры (столбики) сделайте из сухих реек по форме и размерам, приведенным на рисунке 60, г. Количество опор подбирается практически. Для рельса тщательно обработайте длинную деревянную рейку. Ее можно сделать из коротких реек. После склеивания рейку необходимо выверить и устранить все скосы и извилины ее граней и ребер. Сделав ребра и грани рельса прямыми, необходимо отшлифовать только его верхнюю грань.
Склейте каркас катушек из тонкой фанеры по форме и размерам, показанным на рисунке 60, а. На каждый каркас намотайте обмотку (около 500 витков) изолированным проводом толщиной 0,7–1 миллиметр.
Обмотки соленоидов рассчитаны на низкое напряжение 48–50 вольт, получаемое от понижающего трансформатора. Сначала изготовьте два соленоида. Остальные соленоиды сделайте после изготовления и пробного испытания вагончика. Вагончик состоит из рамы и корпуса (кузова). Внешний вид вагончика показан на рисунке 60, а, конструкция рамы и ее размеры на рисунке 60, д.
Изготовьте две одинаковые пластины из мягкой стали, просверлите в них нужные отверстия. Подберите два шариковых подшипника с внутренним диаметром 4–5 миллиметров (можно взять подшипники других размеров). Изготовьте две оси с резьбой на концах. На оси туго насадите шарикоподшипники (рис. 60, л), которые будут служить колесами вагончика (рис. 60, к). Чтобы вагончик устойчиво двигался, нужно его центр тяжести вынести ниже точек опоры. Для этого к внешним сторонам рамы снизу необходимо прикрепить дополнительные балансовые грузики и сбалансировать раму на рельсе.
Установите рельс горизонтально на опорных столбиках, поставьте на него раму. Если рама будет стоять на рельсе неустойчиво и накренится в какую-либо сторону, следует сточить балансный грузик с той стороны, в которую она накренилась.
Корпус вагончика изготовьте из тонкой жести и придайте ему внешний вид современного автобуса. Готовый корпус установите на раму так, чтобы его можно было легко снять во время балансировки вагончика. После изготовления вагончика приступайте к пробному испытанию.
Установите первый соленоид на основании дороги, поставьте вагончик на рельс вблизи соленоида. Включите ток в соленоид и определите, с какого места вагончик будет получать наибольшую скорость движения. В этом месте, против передней части вагончика перед соленоидом подвесьте контакты, если путь прямой. Для кругового пути отметьте на рельсе места, на которых будут врезаны контакты. Расстояние между соленоидами определите практически, пропуская вагончик через соленоид и замечая место, где он остановится. Определив расстояние между двумя соленоидами, вам станет ясно, сколько потребуется соленоидов для всей дороги. После изготовления всех частей дороги приступайте к ее сборке.
На основании дороги укрепите опорные столбики при помощи клея. Прикрепите соленоиды к основанию на размеченных местах. Установите подвесные контакты на каждом соленоиде. Пропустите рельс сквозь соленоидные катушки и прикрепите его к опорным столбикам. Соберите электрическую схему дороги по рисунку 60, е или ж и присоедините к контактам искрогасительные конденсаторы с. Монтажные провода проложите под основанием дороги.
Оформление дороги можно сделать в виде метро или туннелей внутри горных перевалов. Чтобы оформить дорогу в виде туннелей, покройте соленоиды сверху «горами», сделанными из папье-маше. Сверху на горы наклейте мох с мелким гравием. Полотно дороги покройте клеем и насыпьте на него мелкий речной песок.
Раскрасьте вагончик – и дорога готова. Вы можете придумать любую конструкцию электрической соленоидной дороги и построить ее по своим чертежам.









![Обложка: Честь Воина [CИ]](/files/books/110/no-cover.jpg)