Текст книги "Как самому сделать детекторный приемник"
Автор книги: И. Беляев
Жанр:
Сделай сам
сообщить о нарушении
Текущая страница: 2 (всего у книги 3 страниц)
Детекторный приемник с настройкой конденсатором переменной ёмкости
Этот приёмник обойдётся дороже, некоторые детали к нему нужно покупать, но если их купить (а в магазинах они имеются), то сделать его не трудно. Зато такой приёмник прочнее других и служит дольше.
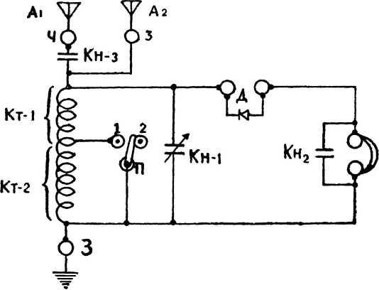
Схема приёмника показана на рисунке 13.

Рис. 13.
Она состоит из катушек Kт1 и Кт2 и конденсатора переменной ёмкости Kн1. К этой цепи присоединятся детектор Д, телефон Т и конденсатор постоянной ёмкости Кн2.
Приёмник соединяется с антенной через конденсатор постоянной ёмкости Кн3. Намотка катушек Kт1 и Кт2 производится на один картонный цилиндр. При приёме длинноволновых станций должны работать обе катушки, а средневолновых – только катушка Кт1. Катушка Кт2 замыкается ползунком переключателя П. Если поставить ползунок на контакт 2, работает вся катушка, а если переключить его на контакт 1, то катушка Кт2 будет выключена.
Антенный конденсатор Кн3 введён в схему для некоторого увеличения избирательности и уменьшения шума, треска и других помех. Но его присутствие несколько понижает громкость. Поэтому в приёмнике предусмотрена возможность прямого соединения антенны с катушками. Для этого служит гнездо 3. Следовательно, если присоединить антенну к гнезду 4, то приём будет несколько менее громким, но зато более чистым. Если же присоединить антенну к гнезду 3, то приём будет более громким, но зато отстройка от мешающих станций ухудшится.
Настройка производится при помощи конденсатора, переменной ёмкости Кн1 в 450–500 микромикрофарад. Такие конденсаторы имеются в продаже.
Изготовление катушек очень несложно (рисунок 14).

Рис. 14.
Катушка Kт1 состоит из 55 витков медного провода ПЭ диаметром в 0,3 миллиметра (ПЭ означает: провод в эмалевой изоляции). Провод наматывается плотно виток к витку. Цилиндр (каркас) склеивается из плотного картона или нескольких слоёв плотной бумаги. Высота его– 60 миллиметров, диаметр – 50 миллиметров.
По окончании намотки надо сделать в цилиндре два прокола шилом и закрепить конец провода.
Катушка Кт2, мотается рядом с катушкой Кт1. Её начало закрепляется в том же проколе, в котором закреплён конец катушки Кт1. Оба конца скручиваются вместе и служат отводом к контакту 1. Мотается она проводом ПЭ диаметром в 0,12 миллиметра и состоит из 100 витков. Намотка производится в ту же сторону, что и намотка катушки Кт1.
Первый виток катушки Кт2 плотно прилегает к последнему витку катушки Кт1. По существу обе катушки представляют собой одну, часть которой – 55 витков – намотана проводом диаметром в 0,3 миллиметра, а другая часть—100 витков – в 0,12 миллиметра.
Для прикрепления отвода и концов катушек, в одну – из кромок цилиндра закрепляются три маленьких металлических пластинки или три куска толстого провода.
Они должны быть укреплены на кромке цилиндра до намотки катушек, так как при укреплении их можно повредить обмотку. К одной из пластинок припаивается начало (наружный конец) катушки Кт1, ко второму – общий отвод (конец катушки Кт1 и начало катушки Кт2, которые закреплены в среднем проколе). К третьему контакту припаивается конец катушки Кт2. Концы и отвод катушек к контакту 1 выводятся внутри цилиндра катушки к его нижней кромке, за которую катушка укрепляется к крышке ящика.
Для крепления катушки к крышке ящика приёмника к нижней её кромке поджимаются болтиками два угольника с отверстиями для шурупов (рисунок 15).

Рис. 15.
Через эти отверстия шурупами или гвоздиками катушка в вертикальном положении прикрепляется к крышке ящика.
В случае, если не удастся найти провода указанного выше диаметра, то можно применить другой провод. Например, вместо провода диаметром в 0,3 миллиметра можно взять провод от 0,2 миллиметра до 0,4 миллиметра, а вместо провода 0,12 миллиметра – провод от 0,10 миллиметра до 0,15 миллиметра. В крайнем случае можно обе катушки намотать одинаковым проводом, например, в 0,15 или в 0,2 миллиметра.
Если катушка будет мотаться одним проводом, то от 55-го витка надо сделать петлю-отвод, который и припаивается к среднему контакту на краю цилиндра.
Конденсатор постоянной ёмкости Кн3, включённый в антенну, должен иметь небольшую ёмкость, примерно, 100 микромикрофарад. Ёмкость конденсатора Кн2 может колебаться от 500 до 3000 микромикрофарад.
Детекторы для приёмника можно купить. Но можно изготовить и самому, о чём рассказано дальше.
Когда заготовлены все детали приёмника, их собирают и укрепляют на деревянной дощечке, служащей крышкой ящика. Размещаются детали по монтажной схеме (рисунок 15).
Соединения между деталями лучше всего делать специальным монтажным проводом, но можно применять любой провод, например, звонковый.
Детекторный приемник с постоянной настройкой
В заключение даём описание устройства приёмника, который может принимать только одну Омскую станцию РВ-49 (длина волны 759,5 метра). Такой приёмник совсем прост (рисунок 16).

Рис. 16.
Он состоит из катушки, одного конденсатора, детектора и телефонных наушников.
Покупаются только телефонные наушники, всё остальное легко изготовить самому.
Цилиндр для катушки склеивается из плотной бумаги или картона. Диаметр цилиндра – 40 миллиметров, длина – 80 миллиметров. На него наматывается 150 витков провода в любой изоляции. Диаметр провода – 0,2–0,3 миллиметра. Начало и конец катушки закрепляются по краям бумажного цилиндра в сделанных для этой цели четырёх проколах (по паре с каждого конца). За кромки цилиндра маленькими гвоздиками катушка прикрепляется к сухой дощечке подходящих размеров. Делать для этого приёмника ящичек нет особой необходимости.
К началу и концу катушки подключается конденсатор постоянной ёмкости в 1200–1500 микромикрофарад (или во столько же сантиметров). Подключение это производится (как указано на рисунке) к двум вбитым для этой цели гвоздикам. К гвоздику, где подключено начало катушки и один конец конденсатора, подключается антенна и провод, идущий к гнезду телефонных наушников.
К другому гвоздику, где подключён конец катушки и второй конец конденсатора, подключается провод от заземления и провод, идущий к основанию согнутой из меди или жести стойки детектора со стальной спиралькой, конец которой должен быть острым. Стойка эта прибивается к дощечке гвоздиком.
Под пружинкой закрепляется крестовина для кристалла детектора. Делается она из полоски жести, меди или свинца. Через отверстие в центре она прибивается к дощечке гвоздиком, затем на неё кладётся кристалл и плотно обжимается крестовинками. Крестовина кристалла соединяется кусочком провода со вторым гнездом наушника.
Все места соединений нужно зачистить и желательно пропаять.
Если детектор будет фабричного изготовления, то для него делаются два гнезда: в том месте, где укреплена крестовина кристалла, и в основании стойки детектора.
Настройка такого приёмника производится перестановкой пружинки детектора для определения наиболее чувствительной точки кристалла. Со временем пружинка может соскочить со своего места, тогда надо вновь найти чувствительную точку кристалла, и настройка на радиостанцию будет восстановлена.
Преимущества описанного приёмника состоят в том, что его очень легко сделать. Слышимость, особенно на близком расстоянии, будет вполне удовлетворительная.
Недостаток его состоит в том, что на такой приёмник нельзя принять, кроме Омской, никакую другую станцию, в том числе и Новосибирскую. В случае выезда владельца приёмника за пределы области, придётся заново переделывать или строить другой приёмник.
Регулировка приемника и его неисправности
Регулировка приёмников всех типов производится почти одинаково.
Когда всё сделано, можно приступить к пробе. В свои гнёзда устанавливаются детектор, телефон, антенна и заземление.
Кончик спирали детектора (который надо заострить) ставится на кристалл. Рычажок детектора надо отрегулировать так, чтобы нажим спиральки на кристалл не был сильным.
Затем с помощью переключателей и ручки вариометра или конденсатора переменной ёмкости, в зависимости от типа приёмника, надо настраиваться на станцию. При этом следует внимательно вслушиваться в телефон, так как первоначально работа станции может быть слышна очень слабо.
Приняв станцию, необходимо ещё раз отыскать на кристалле детектора самую чувствительную точку, переставляя остриё спиральки по поверхности кристалла до получения наибольшей громкости приёма.
Положение переключателей, ручки вариометра, спиральки детектора надо запомнить, чтобы впоследствии быстро и безошибочно устанавливать их для приёма определённой станции.
Для всех описанных детекторных приёмников нужна наружная антенна высотой около 10–15 метров и длиной горизонтальной части в 30–40 метров. На более короткую антенну слышимость будет значительно слабее.
Со временем могут обнаруживаться неисправности в приёмнике. Нередко возникает треск в головных телефонах во время радиоприёма. Это значит, что провод антенны временами соприкасается с окружающими предметами.
Для устранения неисправности необходимо натянуть все части антенны так, чтобы она нигде не касалась окружающих предметов даже при сильном ветре.
Иногда полностью пропадает слышимость во время радиоприёма, не слышно даже шороха. Это – сигнал об обрыве или плохом контакте в монтаже, шнуре или вилке головных телефонов.
Проверить исправность наушников можно простыми приёмами. Нужно включить их в действующий приёмник, исправность которого проверена другими наушниками. Можно проверить на батареях от карманного фонаря или радиоприёмника. Для этого необходимо надеть наушники и прикоснуться ножками вилки к проводам батарейки. Если наушники исправны, будет слышен шорох, если нет – шороха не слышно. Наконец, можно взять серебряную монету, ложку или пластинку, смоченную каплей воды, и приложить ножки вилки к металлу через воду. Сигнал (щелчок или шорох) будет слабым, поэтому надо соблюдать тишину и внимательно слушать.
Если наушники неисправны, надо осмотреть их, найти повреждение и устранить его.
Бывает, что радиопередача принимается с хрипом или совершенно не слышна. Причиной служит неисправность детектора. Необходимо заменить испортившийся детектор другим.
Вообще при любой неисправности надо внимательно просмотреть всю цепь приёмника – от антенны до заземления, все соединения в приёмнике, надёжность соединения переключателя, исправность телефонного шнура и другое. Важнее всего – найти повреждение. Исправить его, особенно человеку, который сам сделал приёмник, нетрудно.
Изготовление самодельного детектора
Лучше всего иметь детектор фабричного изготовления.
Но и сделать детектор самому нетрудно. Конструкций их очень много.
На рисунке 17 даётся детектор, наиболее простой для изготовления.

Рис. 17.
Две латунные пластинки скрепляются заклёпкой под прямым углом, но не наглухо, чтобы можно было перемещать на кристалле спиральку. Нижний конец вертикальной пластинки привёртывается болтиком (шурупом, можно прибить гвоздём) к крышке ящика. Болтик выходит насквозь, и к нему припаивается провод, идущий от гнезда антенны к детектору.
Пружинка делается из тонкой упругой балалаечной струны и верхним концом припаивается к горизонтальной пластинке.
Очень важно, чтобы конец проволочной спиральки, упирающейся в поверхность кристалла, был заострён, для чего острыми ножницами делается косой срез конца спиральки.
Чашку для кристалла можно свить из проволоки (без изоляции), сделать из жести или свинцовой пластинки. Навивать проволоку нужно на деревянную палочку диаметром в 10 миллиметров. Детекторный кристалл впаивается в чашечку легкоплавким металлом Вуда. Металл кладут в чашечку, которую слегка нагревают над пламенем свечи. Когда металл расплавится, снимают его с огня и осторожно опускают в него кристалл, так, чтобы часть его выступала из металла. В таком виде металлу дают остыть.
Если нет металла Вуда, кристалл обёртывают с боков и снизу станиолем (очень тонкие листки из сплава олова со свинцом, в которые упаковывают конфеты, шоколад и другое) и плотно забивают в чашечку, чтобы получилось хорошее соединение между чашечкой и кристаллом.
Детектор готов.
В продаже имеются детекторы с полупостоянной точкой, по форме напоминающие штепсельную электро-вилку, которая и вставляется в детекторные гнёзда. Детектор этот настроен и должен работать без регулировки. Детекторную пару в нём составляют кристалл кремния и пружинка из твёрдой латуни, которые между собой надёжно соединены.
В случае нарушения чувствительности, что может произойти только от удара или сильного сотрясения, нужно произвести новую регулировку детектора. Для этого отвёрткой плавно поворачивают винтик чашки в ту или иную сторону, пока не будет слышна станция.
Кремнёвый детектор отличается высокой чувствительностью и хорошим постоянством точки.
Изготовление кристалла для детектора
Для изготовления кристалла нужны сера и свинец. Сера может быть взята в чистом виде (серный цвет), но вполне пригодна и обычная техническая сера, имеющая вид грязно-жёлтых комков (имеется в виду не сера, собираемая с деревьев, а та, которая употребляется для дезинфекции на ветеринарных пунктах). Понадобится её немного. Из такого количества серы, которое помещается в напёрстке, получится несколько кристаллов.
Свинец тоже может быть взят в любом виде.
Свинец надо очистить от окиси до блеска, а затем превратить в опилки, напилив их ножовочным полотном, крупным напильником или, проще всего, настрогать ножом.
Серу и свинец берут в равных по объёму количествах и смешивают. Смесь насыпают в железную ложку, пробирку или какую-нибудь жестяную крышку и нагревают в пламени примуса, спиртовки или просто в печке.
Через некоторое время сера расплавится и смесь загорится. Тогда подогрев можно прекратить, а горение будет продолжаться. Когда оно прекратится, надо дать смеси остыть. По внешнему виду она будет напоминать шлак серого цвета. Надо её размять. При этом часть смеси рассыплется в порошок, часть останется в виде твёрдых кусков различной величины, во многих местах усеянных блёстками.
Эти твёрдые куски представляют собою детекторные кристаллы и обладают одинаковыми детекторными свойствами.
Наиболее удобны для применения куски величиной с горошину; более крупные можно раздробить.
Так как горящая сера имеет резкий и неприятный запах, изготовление кристаллов лучше всего производить на открытом воздухе. Ни в коем случае не следует вдыхать выделяющиеся при этом пары.
Кристалл не рекомендуется брать руками, надо захватывать щипчиками или проволочной скобочкой. Время от времени кристалл нужно чистить и промывать: пыль смахивается пёрышком птицы, промывается кристалл чистой горячей водой или бензином.
Изготовление конденсаторов постоянной ёмкости
Конденсаторы изготовляются из двух пластинок станиоля размером 100X30 миллиметров и двух листочков бумаги, пропитанной в расплавленном парафине или воске, размером 110X40 миллиметров (рисунок 18).

Рис. 18.
Сначала кладут бумажку, на неё листочек станиоля, к нему подкладывают медную проволочку. Затем кладут вторую бумажку, на неё станиоль и проволочку, выходящую с другой стороны. После этого полученную стопку осторожно закатывают в трубочку, которую помещают в гильзу папиросы и заливают парафином, варом или сургучом. ёмкость такого конденсатора около 1200 микромикрофарад.
Антенна и заземление
Как бы правильно и хорошо мы ни сделали радиоприёмник, он всё-таки работать не будет, если к нему не присоединить антенну и заземление.
Обычно антенна натягивается между двумя мачтами, установленными на крышах домов или прямо на земле. Верхний горизонтальный провод, подвешенный на концах мачт, носит название горизонтальной части антенны. Провод, соединяющий эту горизонтальную часть антенны с приёмником, называется проводом снижения. Снижающий провод может быть прикреплён к горизонтальной части точно посредине или у одного из концов. В первом случае антенна напоминает букву Т и называется Т-образной, во втором– букву Г и носит название Г-образной. Оба типа антенны ничем существенным между собой не различаются. Их выбор зависит исключительно от условий, допускающих то или иное расположение снижающего провода. На устройство Г-образной антенны идёт меньше провода.
Детекторный приёмник – менее чувствительный прибор, чем ламповый, поэтому антенны для детекторных приёмников нужно устраивать так, чтобы они улавливали даже самые слабые радиосигналы. Такие антенны должны быть подвешены на расстояние 10–15 метров от земли, а длина горизонтальной части должна быть не меньше 30–40 метров.
Перед тем как делать антенну, нужно выбрать её направление. Антенну надо делать возможно дальше от проводов, телефона, телеграфа, электросети, располагая её не параллельно проводам, а, по возможности, под прямым углом. Затем выбирают место для мачт, используя для этого находящиеся вблизи высокие здания или деревья. Если их нет, то придётся ставить на крыше дома мачты, которые берутся в 5–6 метров высотой и диаметром до 9 сантиметров у основания. В основании каждой мачты делается угловой вырез, которым она плотно ставится на гребень крыши с расчётом, чтобы под ней были балки стропил.
На расстоянии 50–70 сантиметров от верхушки мачты прикрепляются три оттяжки из обыкновенной, лучше оцинкованной, железной проволоки диаметром до трёх миллиметров. Оттяжки разводятся в разные стороны. Если мачта очень высока, то для прочности делают не один, а два яруса оттяжек. Концы их натягиваются и прикрепляются к крюкам, вбитым в бревенчатые стропила (а не в досчатую подстилку) крыши. На самой верхушке мачты прикрепляется блок или простая железная скоба, через которые пропускается провод или верёвка, служащие для подвески антенны. Это приспособление облегчает ремонт антенны, так как с его помощью можно опускать её горизонтальную часть, не снимая громоздких мачт.
Материал для антенны должен быть прочным, недорогим и хорошо проводящим электричество. Таким требованиям удовлетворяет голый медный провод, а ещё лучше – специальный антенный канатик диаметром в 1,5–2 миллиметра, сплетённый из нескольких тонких медных или бронзовых жил. Можно сделать антенну также из железной проволоки, но обязательно оцинкованной. Берут для антенны и изолированную проволоку, но это только удорожит стоимость антенны.
Чтобы принимаемый сигнал радиостанции не уходил помимо приёмника в землю (например, через мачты), антенна должна быть подвешена на изоляторах, в качестве которых применяются специальные «орешковые» изоляторы или простые ролики, употребляемые при проводке электрического освещения. Можно в крайнем случае использовать обычные катушки для ниток, но их обязательно нужно проварить в минеральном или растительном масле. Без такой обработки они, как изоляторы, не годятся.
На каждой стороне антенны ставят несколько изоляторов (2–3), связанных между собой проволокой на расстоянии 10–15 сантиметров. Когда цепочка изоляторов, готова, к одному из её концов прикрепляют провод горизонтальной части антенны, а другой конец цепочки изоляторов соединяется с проволокой или верёвкой, которую пропускают через блок и укрепляют у основания мачты. Точно так же другой конец антенны прикрепляется через цепочку изоляторов ко второй мачте.
После того как мачты установлены, поднимают с помощью верёвки, пропущенной через блок, антенну. Нельзя её натягивать туго; следует оставить небольшой провес, который предохранит антенну от обрыва в сильный мороз, когда происходит сокращение длины провода.
На рисунке 19 показан общий вид антенны, на рисунке 20 – цепочки изоляторов.

Рис. 19.

Рис. 20.
Снижение следует делать от ближайшего к дому конца антенны. Та часть снижения, которая проходит в помещение сквозь стену или оконную раму, называется вводом. Важно, чтобы провод снижения нигде не касался здания. Лучше применять для снижения хорошо изолированный провод, например, гуппер, диаметром в 1,5–2 миллиметра. Применение хорошо изолированного провода обеспечит надёжность работы антенны и предохранит её от замыкания с крышей при ветре. Если горизонтальная часть антенны и провод снижения делаются из разного провода, то провод снижения, в месте его соединения с горизонтальной частью антенны, надо тщательно пропаять. Иначе от пыли и сырости место соединения окислится и загрязнится, а это ухудшит работу всей антенны. Затем берут шестик с роликом на конце, который отводит снижение на расстояние не ближе одного метра от стен дома. Отводный шестик прибивается к крыше.
Для ввода антенны в верхней части оконной рамы делают отверстие, в которое желательно пропустить резиновую трубку, а с наружной и внутренней стороны вставить в неё фарфоровые втулки. Внутри трубки проходит ввод.
В антенное устройство входит ещё заземление. От качества заземления в значительной степени зависит сила приёма. Поэтому на устройство заземления надо обращать самое серьёзное внимание.
Устраивают его под тем окном, где сделан ввод антенны. Для этого берут какой-либо металлический предмет (старое ведро, лист железа), очищают его от грязи и ржавчины и припаивают к нему провод заземления, идущий к приёмнику. Затем копают яму такой глубины, чтобы заземлённый предмет находился в сырой почве и не промерзал зимой, и зарывают его.
Нужно иметь в виду, что качество заземления зависит и от свойств почвы. Важно, чтобы сама почва в месте устройства заземления хорошо проводила электрический ток. Влажная почва электрический ток проводит хорошо, сухая, песчаная и каменистая почва – плохо.
Для заземления можно использовать любой голый провод, лучше толстый, диаметром в 2–3 миллиметра. Прокладывать провод заземления можно прямо по стене, прибивая его проволочными скобками или гвоздями. Очень важно, чтобы проволока заземления опускалась прямо, не имела острых углов, петель. Провод заземления должен быть как можно короче, а поэтому надо стремиться, чтобы заземление было расположено возможно ближе к радиоприёмнику.



























