Текст книги "Как самому сделать детекторный приемник"
Автор книги: И. Беляев
Жанр:
Сделай сам
сообщить о нарушении
Текущая страница: 1 (всего у книги 3 страниц)
И. Г. Беляев
КАК САМОМУ СДЕЛАТЬ ДЕТЕКТОРНЫЙ ПРИЁМНИК

В ОБКОМЕ ВКП(б)
ОБ ИНИЦИАТИВЕ КОМСОМОЛЬЦЕВ ПОЛТАВСКОГО РАЙОНА В РАДИОФИКАЦИИ КОЛХОЗОВ ДЕТЕКТОРНЫМИ РАДИОПРИЁМНИКАМИ
Обком ВКП(б) отметил, что инициатива комсомольцев Полтавского района по проведению сплошной радиофикации колхозов и установка за короткий срок около 2000 детекторных приёмников в 52 колхозах имеют большое государственное значение.
Обком ВКП(б) одобрил инициативу комсомольцев Полтавского района, взявших обязательство провести сплошную радиофикацию колхозов детекторными радиоприёмниками.
Обкому ВЛКСМ и райкомам ВКП(б) предложено широко распространить опыт комсомольских организаций Полтавского района, обеспечив участие партийных и комсомольских организаций в работе по радиофикации колхозной деревни.
ЗА СПЛОШНУЮ РАДИОФИКАЦИЮ ОМСКОЙ ОБЛАСТИ
Владимир Ильич Ленин называл радио газетой «без бумаги и расстояния». Он считал, что нужно как можно больше сил и средств направить на это дело. Товарищ Сталин призывал партию взять радио в крепкие большевистские руки и добиться быстрого развития радиотехники и образцовой постановки радиовещания.
Наша страна является родиной радио. В Советском Союзе, за годы сталинских пятилеток, создана мощная радиопромышленность и сделаны огромные успехи в радиофикации страны. Значение радиовещания особенно ярко проявилось во время Отечественной войны.
Радио вошло в быт народа. Во всех наших городах и райцентрах есть мощные радиоузлы.
Однако тысячи сёл и деревень всё ещё не имеют радиоточек.
После войны уже многое сделано для развития сельской радиофикации, но мы ещё очень далеки от сплошной радиофикации села.
Большевики Московской области выступили инициаторами нового замечательного начинания в колхозной деревне – проведения сплошной радиофикации сельской местности.
Эта задача решается двумя путями. Первый путь – строительство радиоузлов и проволочных линий (трансляционная сеть). Второй путь – установка ламповых, а также детекторных радиоприёмников.
Первый способ требует длительного времени и большой затраты государственных средств на оборудование и материалы. Второй способ позволяет решить задачу быстрее и легче. Детекторные приёмники в настоящее время можно установить очень быстро и без затраты государственных средств в каждом доме колхозника.
Промышленность Советского Союза выпускает сотни тысяч детекторных приёмников типа «Комсомолец», «Сибирь» и «Волна». В Омскую область в прошлом году было только Облпотребсоюзом завезено свыше 15 тысяч приёмников «Комсомолец». Тысячи приёмников этих марок поступят в продажу в нынешнем году. В любом колхозе нашей области на них можно принимать передачи Омской радиостанции РВ-49.
Но детекторный приёмник не трудно сделать и самому. Так поступили, например, школьники-радиолюбители села Георгиевки Кормиловского района. Родной колхоз «Путь к социализму» они радиофицировали детекторными приёмниками собственного изготовления.
Комсомольцы и несоюзная молодёжь Полтавского района развернули поход за сплошную радиофикацию своего района. Они создали десять рейдовых групп, во главе с преподавателями физики, для осуществления технического руководства при установке ламповых и детекторных приёмников. В район завезли тысячи приёмников «Комсомолец».
Сейчас во всех 59 колхозах района уже установлены приёмники. В 52 колхозах детекторные приёмники имеются теперь в каждом доме колхозника. Свыше 4 100 новых радиоточек получили трудящиеся района.
Обком ВКП(б) одобрил инициативу комсомольцев Полтавского района и отметил большое государственное значение их почина. Обкому ВЛКСМ и всем райкомам ВКП(б) предложено широко распространить опыт полтавцев и развернуть борьбу за радиофикацию села.
Комсомольские организации призваны стать первыми организаторами радиофикации села, поборниками развития радиолюбительства.
Радиолюбители деревни и школьники, под руководством учителей, особенно преподавателей физики, без особых затрат могут сами изготовить тысячи приёмников и стать активными участниками борьбы за сплошную радиофикацию родного села.
Не могут остаться в стороне от этого дела городские предприятия, учебные заведения, ремесленные училища. Их шефская помощь ускорит радиофикацию. Обращение коллектива Омского завода имени Козицкого, взявшего на себя серьёзные обязательства по радиофикации подшефных районов – Павлоградского и Кормиловского, – по оказанию помощи сельским радиоузлам и радиолюбителям, несомненно найдёт горячий отклик.
Город может помочь технической консультацией, снабдить радиофикаторов и радиолюбителей материалами, необходимыми для установки покупных и изготовления самодельных детекторных приёмников. Работники торговли должны позаботиться, чтобы в сельских магазинах были не только готовые детекторные приёмники, но и детали и материалы для изготовления их радиолюбителями.
Радио является могучим средством политического и культурного воспитания народных масс. Особенно велико его значение для коммунистического воспитания тружеников советской деревни.
Каждому колхозному дому – радио! Эту задачу могут осуществить партийные, советские, комсомольские и профсоюзные организации нашей области.
Омская область может и должна в кратчайший срок стать областью сплошной радиофикации.
КАК САМОМУ СДЕЛАТЬ ДЕТЕКТОРНЫЙ ПРИЁМНИК
Преимущества детекторных приемников
В первые годы развития радиовещания детекторные приемники были распространены очень широко, но затем они начали вытесняться ламповыми.
Детекторные приёмники не обладают многими преимуществами ламповых, но у них есть и свои достоинства. Ламповые приёмники нуждаются в питании от электрической осветительной сети или от батарей. Необходимо приобретать и лампы и питание.
Детекторный приёмник прост и дёшев. Сделать его может каждый. Раз построенный или купленный, он не требует в дальнейшем никаких расходов и всегда готов к работе. Для него не нужны лампы, а стало быть, в источники питания.
Детекторный приёмник не обеспечивает большой громкости и приёма очень далёких станций. Но и через него можно слушать радиостанции, расположенные за сотни километров от места приёма. Включив 2–3 пары наушников, одновременно можно слушать передачу не одному, а двум-трём лицам.
У детекторного приёмника чувствительность, то есть способность принимать с достаточной громкостью самые слабые сигналы, зависит в основном от качества антенны, хорошего заземления и от детектора, а не от сложности устройства самого приёмника.
Избирательность детекторного приёмника, то есть способность принимать разной длины радиоволны, можно повышать, но это, во-первых, усложняет конструкцию и увеличивает трудности самодельного изготовления, а во-вторых, приводит к потере чувствительности, то есть к уменьшению громкости.
Поэтому усложнять конструкцию приёмника нет надобности. В наших условиях можно принимать только две станции – Омскую и Новосибирскую.
Ещё проще сделать приёмник, рассчитывая схему на длину волны только Омской радиостанции.
В настоящей брошюре описывается несколько образцов простых детекторных приёмников. Конструкция их не сложна, построить их легко. На таких приёмниках в нашей области можно уверенно принимать не только Омскую, но и Новосибирскую станции и, таким образом, иметь даже некоторый выбор программ.
Брошюра ставит задачей помочь радиолюбителю или кружку радиолюбителей выбрать наиболее подходящий тип приёмника и построить его. Она рассчитана на неискушённого в радиотехнике читателя, главным образом – сельского, не имеющего возможности пользоваться справочниками или словарями, особенно в отдалённых деревнях.
Прежде чем приступить к изготовлению приёмника, надо внимательно прочитать всю книжку и разобрать каждую схему. Это необходимо потому, что некоторые одинаковые детали описываются в одном случае и не повторяются при разъяснении других схем. Способы изготовления тех или иных деталей, указания о материале также даются лишь в одном случае.
Ниже даны обозначения деталей.
Условные обозначения деталей на рисунках

Примечание: В нужных случаях контакты и гнёзда обозначены цифрами 1, 2, 3 и так далее.
Для облегчения разбора схем, все детали обозначены начальными буквами слова, взятыми из русского алфавита (например: детектор – Д, катушка – Кт), а не латинскими буквами, как это делается в специальной технической литературе.
Эти обозначения надо хорошо запомнить, чтобы безошибочно находить в схемах.
Общее ознакомление с брошюрой даст возможность выбрать конструкцию, наиболее подходящую по местным условиям и наличию материала.
Затем следует приобрести весь материал для изготовления приёмника, подобрать инструмент.
Чтобы избежать ошибок и порчи материала, людям, совершенно незнакомым с радиотехникой, лучше всего более сложные детали изготовить в виде моделей и макетов. Так, например, для корпуса катушки можно сначала сделать цилиндр из плотной бумаги, потом намотать простую нитку, сделать отводы, закрепить их и так далее. Когда убедитесь, что всё понято правильно, сделать настоящую катушку по модели будет легко. Таким же способом полезно сделать модель всего приёмника по монтажной схеме, расположить на дощечке все условные детали (детектор, катушку, конденсаторы), обозначить гнёзда и контакты и соединить их. После такой пробы сил без особых трудностей пойдёт сборка и из настоящих деталей и материала.
Самодельный приёмник обойдётся очень дёшево – рублей 15–30.
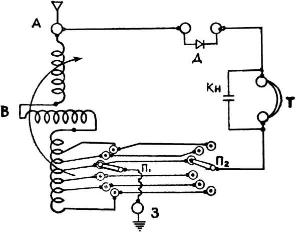
Детекторный приемник с настройкой вариометров
Схема очень простого детекторного приёмника, при постройке которого можно почти обойтись без готовых покупных деталей, приведена на рисунке 1.

Рис. 1.
Этот приёмник делается по типу детекторного приёмника инженера Шапошникова. Настройка производится грубо – с помощью ползунка переключателя П1 и плавно – ручкой вариометра. Для регулировки громкости приёма применён второй переключатель – П2.
Для сборки приёмника необходимы следующие детали: 2 катушки для вариометра, 2 переключателя, 12 контактов, 2 винта с гайками, 6 гнёзд, 1–1,5 метра монтажного провода или медной проволоки, 10–15 граммов олова, с напёрсток канифоли, 1 конденсатор постоянной ёмкости, детектор, радионаушники и деревянный ящичек.
Радионаушники нужно купить. В продаже имеются электромагнитные и пьезо-электрические наушники. Если куплены пьезо-электрические наушники, то конденсатор постоянной ёмкости, подключаемый к телефонным гнёздам, ставить не нужно.
Размеры и устройство вариометра показаны на рисунке 2.

Рис. 2.
Состоит он из двух катушек. Цилиндры (каркасы) их склеиваются из тонкого картона на болванках или бутылках подходящих размеров. Проволока для намотки берется звонковая или ПБД, диаметром 0,8 миллиметра (ПБД означает, что оболочка провода простая, бумажная, двойная). Число витков и места отводов показаны на рисунке.
Большая катушка изготовляется по рисунку 2. Она состоит из 207 витков. Начало обмотки закрепляется в двух проколах, конец (40–50 миллиметров длиной) оставляется для соединения с антенной.
После 19 витков от начала катушки провод разрывается и оставляется конец (2), который потом соединяется с началом обмотки (10) второй внутренней катушки. Ширина разрыва в обмотке должна быть в 9—10 миллиметров, чтобы в месте разрыва можно было укрепить ось второй катушки и предохранить оболочку обмотки от повреждения при вращении катушки.
После разрыва обмотка продолжается. Предварительно оставляется конец провода (3) в 100–150 миллиметров длиной; при сборке он соединяется с концом обмотки (11) второй внутренней катушки. Во время обмотки делаются отводы, как указано на чертеже, начиная с 13-го витка. Конец обмотки (9) закрепляется в двух проколах и при сборке присоединяется к соответствующему контакту. Отводы делаются в виде петель без разрыва проволоки (длина отвода– 100–150 миллиметров) от 13-го (4), 48-го (5), 83-го (6), 118-го (7), 153-го (8) витков и выводятся внутри цилиндра катушки к одному концу её для присоединения к соответствующим контактам.
По рисунку 2 изготовляется и малая катушка. Она состоит из 35 витков и должна вращаться внутри большой на полуокружности (180 градусов), образуя вариометр. При намотке посредине катушки делается пропуск для деревянной оси и обмотка продолжается без разрыва проволоки.
Намотка всех катушек должна производиться обязательно в одну сторону (слева направо). При встречной намотке даже небольшого количества витков, приёмник не будет работать.
Малая катушка приклеивается к оси столярным клеем. Чтобы она не болталась, на ось надеваются картонные прокладки.
К вариометру нужно обязательно сделать стопор. Для этого в ручке делается пропил, в который вставляется и заклинивается металлическая пластинка толщиною в 1 миллиметр, а в крышку приёмника вбиваются, как показано на рисунке, два гвоздика. Это приспособление позволяет катушке вращаться только на 180 градусов (половину окружности, а не вкруговую.). При круговом вращении отводы, соединяющие большую (неподвижную) катушку с малой (подвижной), оборвутся и вариометр не будет работать.
Переключатели с ползунком, контакты и гнёзда сделать легче. Как и из чего их можно сделать, показано на рисунке 3.

Рис. 3.
В качестве материала используются латунные полоски и проволока, применяемая для намотки катушек, но очищенная от изоляции. Контакты можно сделать из шурупов, канцелярских скрепок, болтиков и проволочных скобок. Гнёзда можно изготовить из листовой меди, обычной жести или приспособить подходящий патрон, например, от мелкокалиберной винтовки.
Детектор и конденсатор постоянной ёмкости в 1000–1500 микромикрофарад желательно купить. Их можно сделать и самому, как указано дальше.
Иногда встречаются конденсаторы с обозначением ёмкости не в микромикрофарадах, а в сантиметрах. Разница между ними так невелика, что практически можно её не принимать во внимание.
Сборка (монтаж) и соединение деталей приёмника производятся на внутренней стороне крышки ящика. Примерное размещение деталей показано на рисунке 4.

Рис. 4.
Размеры крышки и стенок ящика берутся такие чтобы удобно было разместить все детали.
В гнездо 1 на внешней стороне крышки ящика (рисунок 5) присоединяется антенна, в гнездо 2 – заземление, в гнёзда 3 и 4 вставляются телефонные наушники, в гнёзда 5 и 6 – детектор.

Рис. 5.
Сверху крышки размещаются также ползунки и контакты обоих переключателей и ручка вариометра.
Провода в местах соединений чрезвычайно важно зачистить, пропаять, так как при простой скрутке их, из-за неизбежного окисления металла, происходит нарушение контактов и работа приёмника ухудшается или совсем прекращается. Пайку проводов нужно производить без кислоты и нашатыря, при помощи канифоли.
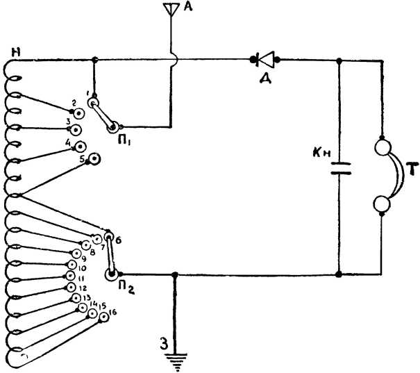
Детекторный приемник с настройкой переключателем
Ещё проще изготовить детекторный приёмник с настройкой путём переключения отводов катушки.
Чем больше отводов сделано от катушки, тем точнее можно настроиться на принимаемую станцию и тем лучше она будет слышна.
Схема этого приёмника приведена на рисунке 6.

Рис. 6.
Основной частью приёмника является катушка из 250 витков. От катушки сделаны отводы, обозначенные цифрами. Начало катушки на рисунке обозначено буквой Н, следовательно, первым будет отвод, помеченный цифрой 2. Этот отвод сделан от 50-го витка. Следующий отвод, помеченный цифрой 3, сделан от 100-го витка, отвод 4 – от 150-го витка и отвод 5 – от 200-го витка. Таким образом, первые четыре отвода делаются через каждые 50 витков.
Для получения более точной настройки следующие отводы делаются через каждые пять витков, то есть отвод 7 – от 205-го витка, отвод 8 – от 210-го и так далее.
Проследим, как можно изменять число включённых витков. Если антенну А посредством подвижного переключателя П1 присоединим к контакту 1, а переключатель П2 к контакту 6, то будет включено 200 витков. При перестановке переключателя П2 на контакты 7, 8, 9, 10 и так далее будет прибавляться по 5 витков и при соединении с контактом 16 будет включена вся катушка – 250 витков. Если антенну присоединить переключателем П1 к контакту 2, то будет включено 200 витков. Переставляя переключатель П2 на контакты 15, 14 и прочие, мы будем каждый раз уменьшать число витков на 5. Самое малое число витков будет включено при присоединении переключателя П1 к контакту 5, а переключателя П2 к контакту 7. В цепь будет включено всего 5 витков.
К началу катушки Н и к гнезду заземления 3 присоединяется детекторная цепь, состоящая из детектора Д и телефона Т, к которому подключается конденсатор постоянной ёмкости Кн. Ёмкость конденсатора должна быть от 500 до 2000 микромикрофарад. Если такой конденсатор нельзя купить или сделать, то можно обойтись и без него.
Единственной частью приёмника, которую нельзя сделать самому и придётся купить, являются радионаушники.
Остов катушки (рисунок 7) делается цилиндрической формы, диаметр его 72 миллиметра и длина 120 миллиметров. В качестве болванки удобно применить полулитровую бутылку, наружный диаметр которой 70 миллиметров.

Рис. 7.
Катушка наматывается медным проводом диаметром в 0,2–0,3 миллиметра с эмалевой изоляцией. Если провод с бумажной или шёлковой изоляцией, то. цилиндр надо сделать длиннее, так как иначе нужное число витков не уложится.
Намотать надо 250 витков вплотную друг к другу, в один слой. Начало намотки закрепляется в двух проколах, как показано на рисунке 7.
Отводы делаются в виде петель, слегка скрученных, как показано на том же рисунке. Конец провода на катушке закрепляется таким же способом, как и начало.
Приёмник собирается на внутренней стороне крышки ящика подходящих размеров (рисунок 8).

Рис. 8.
Сначала крепится катушка, в проделанные отверстия вставляются гнёзда и контакты. Гнёзда телефона и заземления на рисунке находятся за катушкой. Затем делаются соединения. Для них можно воспользоваться тем же проводом, который намотан на катушку. Концы и отводы катушки очищаются от изоляции и к ним припаиваются куски провода, по длине достаточные для соединения с контактами. Ещё лучше сделать петли-отводы такой длины, чтобы они в скрученном виде доставали до контактов и их не нужно было напаивать.
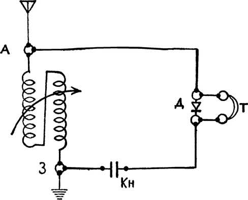
Детекторный приемник «Мотылек»
Схема этого приёмника изображена на рисунке 9.

Рис. 9.
Особенностью схемы является включение телефона параллельно с детектором. Детали собираются не в ящик, а прямо на дощечке, которая может лежать на столе или подвешиваться с помощью петелек на стену.
Конденсатор постоянной ёмкости Кн – обычный, бумажный или слюдяной, ёмкостью в 300 микромикрофарад.
Настройка производится вариометром, состоящим из двух катушек корзиночного типа. Остовы катушек делаются из фанеры толщиной от 1,5 до 3 миллиметров или из плотного картона с одиннадцатью прорезями по форме и размерам, указанным на рисунке 10.
На кромки удлинённой части остова катушек заклёпками из медной проволоки приклёпывают по две ножки. Делаются эти ножки из тонкой латуни – в 0,8–1,5 миллиметра.
Из такой же латуни сгибаются 4 держателя для двух катушек. Они прикрепляются к доске приёмника четырьмя сквозными болтиками, через которые катушки и включаются в схему. Размер и форма держателей видны на рисунке 10.

Рис. 10.
Вместо ножек и держателей можно применить просто 4 маленьких шарнира.
Намотка катушки производится так: конец проволоки пропускают через отверстие 1 и припаивают к ножке, затем начинают намотку катушки, пропуская проволоку через прорези до требуемого числа витков. Конец проволоки продевают в отверстие 2 и припаивают ко второй ножке.
Для приёма станций с длиной волны от 600 до 1500 метров на каждую катушку нужно намотать по 80 витков проволоки диаметром в 0,2 миллиметра. Можно намотать и более толстую проволоку, но это сильно увеличит размеры катушек. Таким образом, с той и с другой стороны катушки должно быть по 40 рядов провода.
Рекомендуется пропитать парафином или покрыть лаком остовы катушек, если они сделаны из фанеры.
Настраивается приёмник сближением и удалением друг от друга катушек вариометра.
Монтажная схема изображена на рисунке 11.

Рис. 11.
Сборка производится на фанерной или какой-нибудь иной прямоугольной дощечке, толщиною в 5—10 миллиметров, шириною в 100 миллиметров и длиною в 140 миллиметров.
Соединения контактов делаются четырьмя кусочками изолированной звонковой проволоки, которая в местах соединений зачищается и спаивается.
С нижней стороны дощечки у верхней и нижней кромок прибивается по деревянному бруску. Они не дают монтажу приёмника соприкасаться со стеною. К одному из брусков прикрепляются петельки, чтобы можно было повесить приёмник на стену.
На рисунке 12 виден внешний вид приёмника.

Рис. 12.



























