Текст книги "Вершины лампового радио"
Автор книги: Владимир Иноземцев
Жанр:
Технические науки
сообщить о нарушении
Текущая страница: 2 (всего у книги 2 страниц)
Синий диапазон охватывает 145-370 килогерц, также известный как "длинноволновой" (Погода в маркировке Зенита).
Этот диапазон практически не используется сегодня (в Америке).
Зеленый диапазон 550-1740 килогерц.
Желтый диапазон охватывает коротковолновые частоты 2.0-7.0 МГц
Красная диапазон охватывает международные вещание на коротких волнах 7.0-22.5 МГц

Белая шкала пронумерованная от 0 до 60 по периметру является шкалой для красного указателя точной настройки . По спецификации Зенита – указатель «долей секунды» . Записывая номер журнала, коротковолновый станции в дополнение к своей частоте, вы можете легко вернуться в точное место, используя долю секунды указателя и тонкую ручку настройки.
Циферблат освещается четырьмя лампочками по краям. При восстановлении 12-A-58, тщательно очистите края набора стекла, где это освещение входит.
Существует более ранняя версия этой шкалы с тремя слоями стекла и восемью лампами. Лампы просвечивают цветные фильтры, чтобы осветить выбранную группу. Цвета на этом циферблате белый, зеленый, и фиолетовый.
По мнению знатоков этот вариант имел более тусклую подсветку. Возможно Zenith изменил конструкцию и применил четыре лампы, чтобы подсветка стала ярче, а также проще в изготовлении.
Патент шкалы:
Ниже приведены технические чертежи для патента США № 2052238, предоставленного Евгений Ф. Макдональд, младшим, основателем и главой компании Zenith

Этот патент включает в себя технологию указателя «Долей секунды», той которая используется в Зените Радио 12-А-58 и других.
Органы управление:

Настройки радио имеет сдвоенную концентрическую ручку, установленную на коаксиальном двойном центральном валу. Большая внешняя ручка перемещает указатель настройки быстро, в то время как внутренняя ручка тонкой настройки перемещает их более медленно.
Слева от ручки тюнера находится переключатель диапазонов, который выбирает один из четырех частотных диапазонах. Справа управление мощностью. Регулировка тембра расположена внизу по центру.
Теневой индикатор настройки:
Вверху циферблатной шкалы в предыдущих фотографиях вы увидите загадочный штуковину с буквой Z в середине двух сужающихся светлых полос. Это фирменный теневой индикатор точной настройки Zenith.

Видимая поверхность представляет собой пластиковую часть с Z логотипом и двух конических полос. Сигнальная лампа светит через прорезь в задней части металлического корпуса.
Внутри находится тонкая металлическая шторка, которая вращается в зависимости от величины принимаемого сигнала. По мере увеличения уровня сигнала, шторка поворачивается ребром к лучу сигнальной лампы, создавая тонкую тень на центре Z. При при переключении на более слабый сигнал или между станциями, шторка закрывает более полно луч от лампе , создавая темные тени на равном расстоянии от центра.
Теневой индикатор весьма чувствителен, но он содержит прецизионный подвижный механизм и требует отдельной лампы (типа 6C5) для своего управления. К 1939 году Зенит полностью перешла на электрический индикатор "Magic Eye" лампу, которая выполняет ту же функцию без подобной сложной механики.
Philco и Atwanter Kent также предложили свои подобные индикаторы теневой настройки в годы 1933-1938. Еще один интересный индикатор настройки « Tunalite» использовали в своем 18-ламповом Midwest ДД-18 радио.
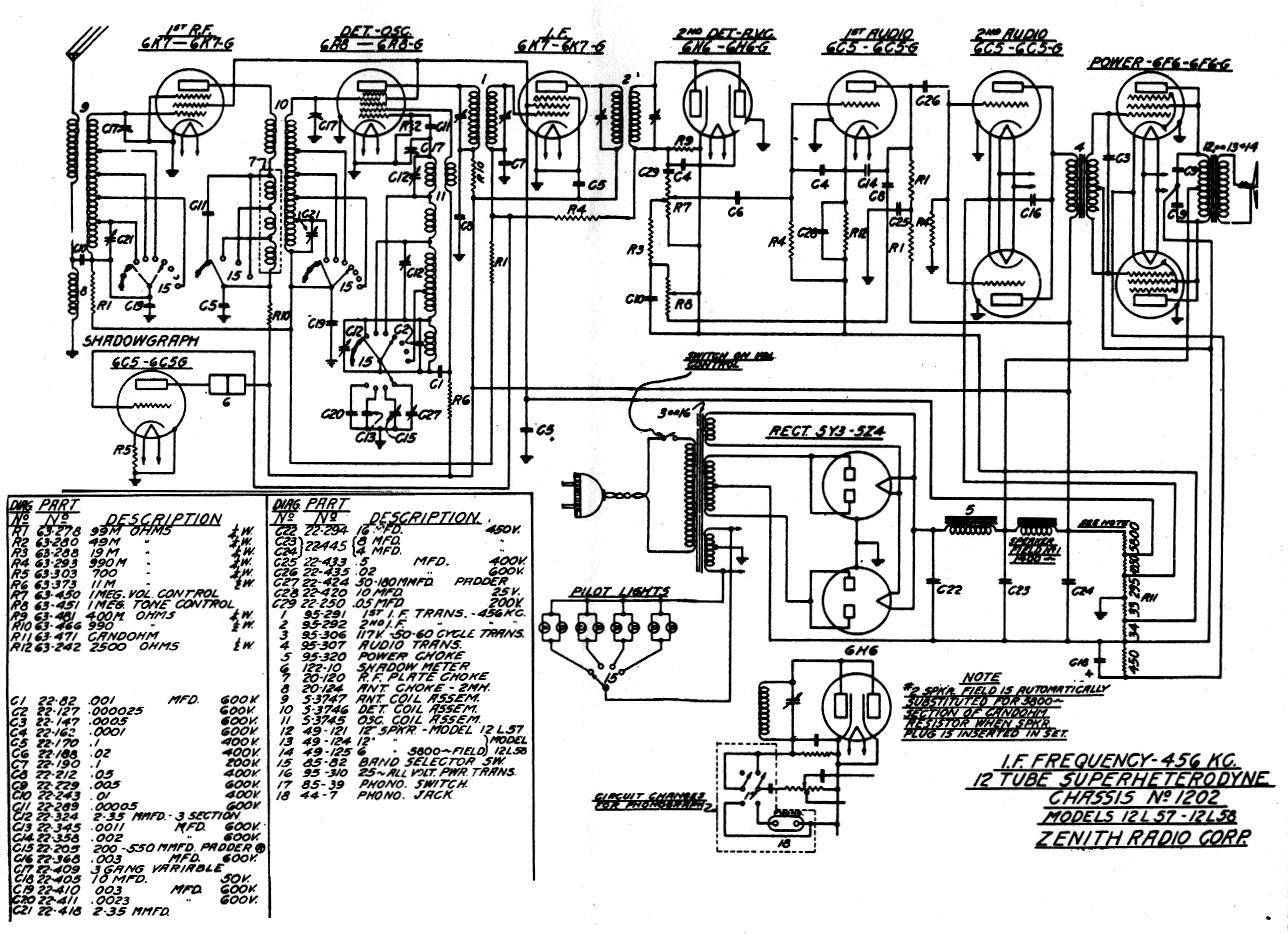
Лампы в 12-A-58 и их назначение:
V1 6K7G Усилитель ВЧ
V2 6A8G Смеситель / гетеродин
V3 6K7G Усилитель ПЧ
V4 6H6 Детектор / АРУ
V5 6C5G 1-й усилитель НЧ
V6,7 6C5G 2-й усилитель НЧ / фазоинвертор
V8,9 6F5G Усилитель мощости НЧ
V10 6C5G Усилитель индикатора настройки
V11,12 5Y3 Выпрямитель
Принципиальная схема:


Zenith Stratosphere Service Bulletin
Оригинальная документация












E.H. Scott «QUARANTA»
Редчайший 48-ми ламповый радиоприёмник
Вершина лампового радиостроения
В настоящее время известно всего два полностью комплектных радиоприёмников в оригинальных корпусах. Остальные несколько из известных E.H. Scott «Quaranta» сохранились лишь в виде более или менее комплектных шасси. Это не удивительно, так как изначально компания E.H. Scott производила и поставляла заказчикам только шасси. А корпус к ней заказывался в каждом случае отдельно мебельным компаниям. Ниже приведены фото известных двух комплектных аппаратов. Один в виде моно консоли, и второй в трёх отдельных консольных корпусах – консоль радио, консоль усилителя и громкоговорителей и консоль фонографа.


E.H. Scott «QUARANTA»Жака Дюбуа

«E. H. Scott 48-tube QUARANTA» Этот шедевр, вершина достижений в построении лампового радио был самым сложным и самым большим ансамблем радио когда-либо спроектированным и построенным. Он был изготовлен Скотт радио Laboratories в 1930 году. И всего лишь одним такой комплекс был продан клиенту во Францию в 1936 г. Блок тюнера был приобретен г-ном Жак Дюбуа и является сейчас краеугольным камнем этой профессионально восстановленного комплекса «Quaranta», которым он занимался с 1987 до 2000 года. Описание этого проекта содержится в его собрании заметок под названием«Service Notes – Scott Full Range Quaranta High Fidelity – 48 Tubes – Superheterodyne Receiver», here is Mr. Dubois' account of this project.
«Воскрешение SCOTT QUARANTA»Величайший из когда-либо сделанных радиоприёмный комплекс.Восстановлен Жаком Дюбуа (2001)
Мне восемьдесят и я отошёл от дел, проведя всю свою жизнь в бизнесе электроники.
Я привык путешествовать – слишком много! – По всему миру. И я бывал очень часто в США. Я собираю старые радиоприемники и был страстным читателем АРК бюллетеня с самого начала. В 1987 году я прочитал статью, написанную Норманом Брейтуэйт в июльском номере Том 4, в котором он описал 48-ламповый EH Скотт радио. Это задело мое любопытство, и я решил его навестить. Он показал мне великолепное радио (48 ламп – 6 шасси – 6 громкоговорителей), EH Скотт Quaranta полностью восстановленный.
Единственная информация, которую он к сожалению мог дать мне, был рисунок из книги Роя Бруннет, с его исправлениями и с указанием расположения ламп тюнера. Был также другой упрощенной чертеж, описывающий другое шасси кроссовера с двумя отдельными каналами: один для средних и высоких частот выходной мощностью 40 Вт, а частотный диапазон от 125 до 16000 гц. Другой для низких частот, мощностью 50 Вт и частоте обработки от от 30 до 125 гц.
Усилитель мощности был похож на двух усилителя Скотт Империал – один к одному.
В своей статье, Норман показал, как соединяются все шасси. Я собрал информацию, сделал несколько снимков и отправился домой.
Я коллекционер техники от Скотт и приобрёл свой первый – Philarmonic, от Брюса Магера в Манхэттене. Я купил не один аппарат Scotts и многие других его комплексов. Но после посещения Норман, я был очень заинтригован этой Quaranta.
Несколько месяцев спустя, я будучи у себя на даче решил посмотреть через мою коллекцию Скотт и других радиостанций. Я обнаружил отдельное шасси. Это было тюнер Scott, похожим на Imperial, но лампы были установлены по-другому чем в другом корпусе.
Внимательно изучив я понял, что на шасси были две 6C6-х, одна 76 и одна 6B7 плюс две 6E5-х. Разница с шасси Брейтуэйт было то, что две 6A7-х, одна 6C6 и одна 76 были для экспандера как указано на схеме отправленной Джоном Terrey АРК, и была похож на "Малышку" Quaranta.
На моем шасси, были один 6Б7 и одна 6C6, действующий в качестве "шумоподавителя", но не 6A7?
Я сразу подумал что моё шасси было Quaranta, и вспомнил, как я получил его.
В то время, мой двоюродный брат был импортером Crosley холодильников и радиоприемников во Франции. Один из его хороших друзей, г-н Martelière работал в импорте Скотт радио. Он, вероятно, отдал ето шасси моему брату который и передал его мне.
Я был убежден, что шасси было сделано в 1936 году для французского рынка, потому что оно имело длинноволновой диапазон – X Band – как некоторые американские радиостанции. В то время, были некоторые интересные вещи, чтобы слушать на полосе 200 кГц. Самое главное, что на этом диапазоне были новостные передачи, и до до 3 или 4 радиопередатчиков, как Франция Интер или Европы I радио Люксембург и т.д.
Я был достаточно удачлив, чтобы встретить, некоторое время спустя, другого коллекционера радио Скотт, Кент Кинг. Я посетил его, и он очень любезно дал мне объяснение о двух 6A7-х. Эти лампы не на шасси тюнера, как шасси Брейтуэйт но на шасси кроссовера для усилителя экспандера. Поэтому, как я понял, что реальная Quaranta имела и экспандер и подавитель шумов на тюнере с двумя 6L7 о кроссовере.
Долгое время после встречи в Элгин Иллинойс, я познакомился с Джоном Мередит (специалистом Скотт), который познакомил меня с г-ном Марвин Хоббс, бывший инженером Скотт.
Марвин дал мне оригинальную схему кроссовера. Это показывает, что две 6A7 были заменены со временем на две 6L7 в связи с трудностью совместимости двух 6A7-х.
В инструкции к Скотт в описании установки и эксплуатации экспандера для Imperial, говорилось, что лампы должны быть тщательно отобраны, и замена их должны производится в лаборатории!
После чтения большинства литературы, посвященной Скотт радио как:
Puett «Electronics antique radio topics»"Silver Ghosts" by June Puett«E.H. Scott Radio Collectors Guide 1925-1946» by my friend Jim ClarkThe Scott News edited by the E.H. Scott Historical SocietyBVWS Bulletin from England, by John Howes
Я решил, что я собрал достаточно информации, чтобы иметь возможность восстановить Скотт Quaranta. Но это оказалось не так просто, как я ранее думал!
В то время, единственное, что я имел, был подлинный тюнер Quaranta, больше ничего!
Случилось так, что во время моих многочисленных поездок в США, я купил три усилителя Scott Imperial с динамиками для того, чтобы собрать один двухканальный усилитель мощности для Quaranta и один усилитель записи.
Последние два года, я посвятил все свое время, чтобы подготовить это сказочное радио к профессионально тщательному восстановлению.
Я использовал исключительно оригинальные запчасти помимо новых трёх шасси (усилителя мощности, усилитель записи и кроссовер). Все компоненты были собраны и отхромированы так же, как и оригинал.
Я сделал полную схему соединений и подключений со всеми схемами и различные технические объяснений с фотографиями.
Теперь игра окончена, и это, пожалуй, единственная Quaranta в мире напару с Норман Брейтуэйт. Это музейный экспонат!
Среди прочего, я сейчас хотел бы поблагодарить Джима Кларка, Kent Кинг, Марвин Хоббс, Джон Мередит, Брюс Магер, Июнь Puett, Джон Хоус и всех тех, кто поддерживали меня и помогли мне с моим исследований по специфике Quaranta.

Жак Дюбуа рядом с "Baby Quaranta» на аукциона в Элгин (август 2001 года)

Вот крупным планом «Малышка» Quaranta
Общепризнано, что очень немногие Quarantas были когда-либо созданы – известен только один комплекс (и признан наиболее полным и оригинальным в корпусе), и это относится к Норман Брейтуэйт в США единственной известной фотографии, которые содержат тот же самый тюнер как г-н Дюбуа :

Фото #1 – Замечательное фото Quaranta сделанное в Scott Laboratories in 1936(Без усилителя записи)

Фото #2 – The Quaranta сфотографированная в Scott Laboratories in 1936(Без усилителя записи)

Фото #3 – Из стр 33 книги «Серебряный призрак» JWF Puett (Аналогично фото #1 и #2)

Фото #4 – Газетную вырезку Чикаго предоставлена Майк Stosich в Иллинойсе
Ключевая и вдохновляющие для г-на Дюбуа была статья появившаяся в апреле 1936 в «The Scott News». Содержимое статье под названием «Один из самых полный и мощный радиоприемников в мире, специально построенный и для г-на Джона Дж. Митчелл – Санта-Барбара, Калифорния» будут отсканирована ниже:

Фото #5 – апрель 1936 «The Scott News» – страница 2

Фото #6 – апрель 1936 «The Scott News» – Фото ансамбля (стр 3)

Фото #7 – апрель 1936 «Скотт Новости» – Фото спикеров, Проигрыватель и Рекордер (стр. 3)

Фото # 8 – EH Скотт Прайс-лист включая Quaranta с ценой $ 5000 – около 1936/b>
Комплексы в настоящее время предлагаемый на EBay является профессионально и тщательно восстановленной Quaranta Жак Дюбуа. Я посетил господина Дюбуа в то время как он был в Париже в 2001 году.

Посещение мастерской Жака Дюбуа в Париже (2001 г.) – Жак слева и Ричард справа
Вот еще одно фото

Jacques at the 1999 ARCI Radiofest in Elgin Illinois.
Одной из характерных черт этого комплекса является то, что она поставляется с Х-диапазоном от 150 до 410 Гц в дополнение к основной группе диапазонов в США для вещательных станций в Европе. По многим статьям, производимых ЕН Скотт Laboratories, это было конечной радиоприемник. Все компоненты и, в частности, хром находятся в безупречном состоянии – тюнер, усилитель и усилитель записи рядом отличном состоянии; кроссовер имеет некоторое небольшое изъязвление. Но там нет деревянного корпуса, который сопровождают этот комплекс.

Фото #9 – Quaranta Жака Дюбуа
Характеристики этого набора включают диапазон ДВ от 150 до 410 КГц и имеет 5 отдельных шасси:
19-ламповый вседиапазонный тюнер (с 2-мя "магическими глазами") включающий экспандер и шумоподавитель

Photo of bottom of unit

12-ламповый усилитель мощности с 2-мя каналами

10-ламповый кроссовер
Предварительный 2-х канальный усилитель. Один канал для средних и высоких частот с выходной мощностью 50 ватт на частоты от 125 to 16,000 Гц. Второй канал предназначен для баса и также имеет выходную мощность 50 ватт. Обслуживает диапазон частот от 30 to 125 Гц.

7-ламповый усилитель записи, усиливает звуковой сигнал для головки записи на диски.

Фото #10 – Другой ракурс на Quaranta Жака Дюбуа
Если покупатель этой системы захочет иметь функционирование этой системы должным образом, он должен был бы обеспечить соответствующий блок питания отдельно для нагревателей ламп тюнера и кроссовера.
Набор также включает в себя 7 колонок.

Фото 5-ти из них.
(2 Jensen рупорных твиттера, 2 Magnavox 12" среднечастотника, 1 Jensen 18" низкочастотник)
Бренды, такие как Magnavox и Дженсена были два основных поставщика громкоговорителей для EH Скотт радио) очень похожи на Quaranta и все в отличном состоянии

Один 18-дюймовый сабвуфер Jensen (сделанный для McMurdo Silver)
( Также смотрите ящик фото #5 )

Два 12-дюймовых среднечастотника от Magnavox
Два Jensen высокочастотных рупорных твиттера тип RP-103's (RP-103-C6128)

Два Jensen твиттера – первое фото код "JW17 2355 C2280 15" и второе фото сод "JW11 or JW17 2354 C2280 14".
Вы также можете увидеть динамики в своих ящиках далее.
Ансамбль также поставляется с Federal PR-12 для записи дисков.

Это требует сборки, но поставляется с документацией и всеми необходимыми частями и схемы / инструкции для сборки, как это предусмотрено г-н Дюбуа.

Доставка
Quaranta "ансамбль" прибыл в Канаду в августе этого года. Все было профессионально упаковано Жак Дюбуа и его многочисленными находчивыми друзьями. Я включаю фотографии ящиков как они прибыли, чтобы можно было видеть, как они грузят если есть покупатель. Кстати, груз было сделано Эмери Worldwide и их люди здесь в Оттаве признались, что никогда не видел такую фантастическую работу по упаковке. Все ящики деревянные, содержащий 14 мм толщиной панели из массива дерева с особыми ручками. Содержимое были заполнены пеной. Шесть ящиков различных размеров и веса. Топы были все закреплены на месте с латунными винтами.

Вид шести деревянных ящиков

Другой вид из шести деревянных ящиков

Фото ящик № 4

Фото ящик № 4, содержащий более мелкие динамики

Содержание!

Ящик № 1 – Quaranta тюнер

Ящик № 2 – усилитель

Ящик № 3 – усилитель записи и кроссовера

Ящик № 4 – Акустические системы – Обратите внимание, как все они прикреплены к бокам

Ящик № 5 – 18 дюймов НЧ-динамик (Jensen for McMurdo Silver)

Ящик № 6 – Рекордер (Federal PR-12)
Crosley WLW Super-Power
Самый большой радиоприёмник

Crosley WLW Super-Power
Один из самых больших и редчайших радиоприёмников из когда-либо выпускавшихся в мире
Был продан на аукционе 28 апреля в 2007г. за $ 55 000 .
Crosley WLW Super-Power радиоприемник ( описанный впервые в апрельском номере журнала Radio ) был построен в 1935 году Crosley Radio Corporation в ответ на то, что ранее была расценена как самое большой радио в мире , приемник Зенит 1000Z Stratosphere.
Было изготовлено по крайней мере три, возможно, максимум 10 комплектов 35-37 ламповых шасси, которые первоначально стоили в розницу $ 1500 ( примерно $ 20000 в пересчёте на 2007 год ) , новый Форд в то время стоил $ 652.
В аппарате выставленном на этом аукционе отсутствовали два из четырех усилителей и два динамика, а также оригинальные ручки. Но в остальном он был в отличном состоянии. Полностью комплектный возможно бы стоил от $ 75,000 до $ 100,000 . Но только существование ещё одного другого Crosley WLW,известно на сегодня.

Это один из самых редких на сегодня довоенных радиоприёмников Crosley WLW Супер-Power Radio был построен в 1936 г, чтобы ответить на вызов от Зенита, который только что построил аналогичное радио Zenith Stratosphere. Кросли также принадлежит радиостанция WLW, станцию 50KW АМ в Цинциннати, Огайо. Crosley WLW Супер-Power Radio имело 37 ламп, шесть динамиков и 75 Вт мощности. В шкафу 58 дюймов (147 см) высоты, 42 (106 см) ширины и 22 (55) глубины. Все шасси были хромированные и система весила 475 фунтов (215 кг) Акустическая система состояла из 18 дюймового (45 см) НЧ-динамика, два 12 (30см) СЧ динамиков и три твитера. Диапазон частот НЧ 20-20000 гц. Комплект содержал микрофон с 7.5м шнура, чтобы радио можно было использовать в качестве акустической системы. Радиоприёмник мог принимать в диапазоне частот от 540 кГц до 18. мГц. Шкала приёмника имеет диаметр 30 см.
Инженер, который спроектировал и построил этот шедевр, Амали П. Ричардс, заработал степень магистра в области машиностроения с этим проектом. Владелец компании Crosley Inc. и одноименной радиостанции, самой мощной в то время Пауэл Кросли заявил: "Это правильно, что владелец самой мощной в мире радиостанции должен сделать наибольшее в мире радио.
История создания и технические подробности этого уникального монстра.
В 1935 году Zenith Radio Inc. выпустила радиоприемник под названием Zenith Stratosphera model 1000Z . В этом радио было 25 ламп и три громкоговорителя, больше чем в любое другое радио на то время. Этот чудо выдавало 50 ватт мощности на свои три динамика – один 6 " высокочастотные и два 12 " низкочастотные громкоговорителя.
Консоль 50 ½ дюймов (128см) высотой ,Стратосфера продавалась за $ 750 – . Больше, чем многие автомобили ( Для сравнения, новый Форд стоил $ 652 . ) При такой цене это не удивительно, что лишь около 350 комплектов были произведены в течение четырех лет.
Это достижение впечатление Пауэл Кросли младшего, президента Crosley радио , который высоко оценил его как прекрасный пример качества в строительстве радио . Но Стратосфера использовала только 25 ламп и три динамика . Кросли , который также владел 500 кВт радиостанцией WLW , был вдохновлен чтобы превзойти Зенит и открыть миру самый большой и самый мощный радиоприемник из известных. Инженерные и маркетинговые штабы Crosley убеждали его забыть эту идею. Они чувствовали, что это было непрактично и с с инженерной и финансовой точки зрения. Что рынок для такого радио – если существовал – будет незначительный . Но Кросли было невозможно разубедить, и, как один из сотрудников охарактеризовал его в то время, " Это характерно для, г– Кросли , что он хороший продавец , настолько, чтобы выиграть свою точку зрения в любезной форме ." Конечно , тот факт, что Кросли принадлежит компания имело также решающее значение.

Модель WLW включены кристаллический микрофон,
так что приемник может быть использован в качестве системы оповещения .
Соревнование по превосходстве Зенит Стратосфера превратилось в крупный проект , намного больший чем ожидалось вначале. Многие инженерные конференции были проведены в течение зимних месяцев, некоторые из которых включали рекламные отделы Crosley , отдел продажи, финансов . Чтобы помочь с выбором динамиков и акустики, конструкции шкафа, главный инженер Jensen Radio Manufacturing Company ( той же компании , что сегодня производит динамики ) был принят в качестве консультанта .
Из многочисленных совещаний и идей Crosley пришли основные технические характеристики : радио будет супергетеродинным приемником с не менее чем 30-ю лампами, шесть динамиков, четырех шасси и размещено в подходящем корпусе . Это должен быть наиболее сложный комплекс из когда-либо построенных , и было бы естественно обеспечить максимально возможное качество и богатство звука.

Органы настройки с уникальной 30см шкалой.
Комплекс будет называться WLW модель Super -Power радиоприемник . Это название было выбрано Пауэл Кросли младший, сказал собеседник агентства , "Как символ самый мощный в мире 500 киловаттной радиовещательной станции ". ( Кросли никогда не упускал возможность использовать один продукт, чтобы продвинуть другой. )
Ранней весной 1936 года Кросли назначил одного из своих инженеров , Амили П. Ричардс, задачу проектирования радио. 31 -летний Ричардс имел свои сомнения относительно проекта – "Логика ситуации не сразу очевидно когда г-н Кросли отдавал приказы на строительство ", " С точки зрения затрат – инженеры не могут игнорировать затраты – это был, пожалуй, самый лучший план , но с точки зрения чистой инженерного мастерства, это был невозможный план . Но это также следует понимать , что план здесь принят обязательно в соответствии с пожеланиями г– Кросли " .
Хотя его ум инженера брал под сомнение проект , Ричардс наслаждался проблемами представленного проекта. На самом деле, он позже писал, что он " наслаждался каждой минутой потрачено на создание данного ресивера и был рад возможности довести его до коммерческого состояния. "
Проект включал в себя четыре основных сегмента: ВЧ тюнер-селектор , усилитель промежуточной частоты , предварительно звуковой усилитель и блок питания . Ричардс разработан отдельный корпус для каждого сегмента. Три звуковых канала обрабатывали НЧ, СЧ и ВЧ диапазоны частот.
Все функции, которая были возможно встроить в радио было включены. Автоматическая регулировка громкости, а это гда была новая идея – свести к минимуму нежелательные изменения громкости, когда мощность сигнала станции внезапно увеличенные или слушатель перестраивается с дальней станции на более мощную местную. Автоматический контроль частоты для предотвратить ухода частоты настройки . Увеличивая или уменьшая громкость для согласования изменения в силе модуляции сигнала включает в себя функцию автоматического объемного расширения – экспандер, для компенсации естественных или умышленных изменений – компрессии громкости музыки или другой транслируемой программы .
В своем законченном виде, Crosley WLW модель Super-Power радиоприемник действительно превзошел модель Zenith Stratosphere . Это было 37 ламп, шесть динамиков и 75 Вт мощности . Огромный шкаф имел 58 дюймов (147 см) высоты, 42 (106 см) ширины и 22 (55) глубины. Вся что можно внутри шкафа, было хромировано. Только трансформаторы, металлические лампы и динамики были черными, и каждое шасси имело свой уникальный номер .
Начинка.
Набор динамиков состоял из трех твитеров ВЧ, двух 12 дюймовых (30см) СЧ динамика , плюс 18 дюймовый (45см) динамик для низких частот , с звуковой катушки цепей фазированных для воспроизведения звука максимального качества . ВЧ динамики были развёрнуты в трех направлениях , а динамик НЧ диапазона сидел в специальной мягкой подвеске для предотвращения резонансов. Из-за соображений вес , модель WLW отправлялась заказчикам со снятыми динамиками. (Один 18 " НЧ динамик одиночку весил 85 фунтов (38 кг). ) Вместе с установленными динамиками Crosley WLW Super -Power приемник весил в 475 фунтов (215 кг).
В соответствии с традицией Crosley добавлять что-то дополнительно ко всему построенному в компании, радиоприёмник имел возможность громкой связи и комплектовался микрофоном . Микрофон был пьезокристаллический, с шнуром длиной 7,5 метров. Микрофон мог быть переключен на любой или все из трех звуковых каналов .Двусторонний переключатель позволял отключать радио полностью или разрешать вход микрофона для смешивания с радиопрограммой . Вероятно, это был первый случай радио , оснащенного системой звукового вещания. Дизайнер оценили его как имеющий достаточную мощность для озвучивания толпы до 10000 человек.
Приемник может воспроизводить весь спектр слышимого звука , от 20 до 20 тысяч герц. Его тюнер принимал всю полосу частот от 540 до 18 300 килогерц , которые в то время охватывали коммерческую трансляцию , полицейский, любительский , и морской диапазоны частот, а также иностранные станции.

Взгляд сзади на шкаф модели WLW
показывает его многочисленные компоненты.
Для такого впечатляющего радио требовался впечатляющий шкаф . Модернистский стиль был выбран , и семь типов древесины пошли на его строительство. Ткань для решетки разработанная специально для модели Crosley WLW завершили внешний вид. Дизайн ткани был классическим мотивом пламени, популярный в гобеленах и обивке мебели.
Также были включены все мыслимые пользовательский элемент управления. Выделяющийся 12 дюймовая шкала настройки авиационного стиля была установлен на груди уровня , и под ней были две регулировки громкости (по одному на низкие и средние частоты , и другой для высоких частот ) , две ручки настройки, и тембра совмещённого с выключателем.
Контроль тембра позволяет пользователю выбрать один из пяти предустановленных частотных диапазонах. Нормальный выбор выделялся только средний диапазон звуковых частот . Высокий выбор верности, предназначался для прослушивания музыки , увеличил подъём для 40 Гц – и 4000 Гц на несколько децибел. Мягкая настройки звука делал так, что радио программа была со звуком как будто это был изнутри большой бочки . Это достигалось за счет подавления высоких частот . Выбор бас – акцентировал басы и отрезал высокие частоты . Последняя строка предлагаемого контроля верности и снижения шума , подчеркивала высоко и низкочастотную характеристику . Механический индикатор справа от центра ручку настройки указывал, какие настройки верности была в использовании (в том числе в выключенном состоянии) .
Функция управления верность , видимо была популярна лишь на несколько лет в середине 1930-х . Это вероятно добавляло слишком много в стоимости радиоприемника , чтобы появиться на любом кроме моделей высокого класса . Кроме того, многие владельцы радио возможно нашли его слишком сложным в использовании.
Настройка была выполнена с двумя ручками, одна для точной и одна для грубой настройки. Ручки управляли двумя стрелками шкалы, как стрелки часов на циферблате . Соответственно, внешний обод циферблата был отмечен с номерами от одного до 12 , так же, как циферблат часов . Цифры часов и похожие стрелки составляли мнемоническую устройство для запоминания настройки станций . Радиостанция в с короткой стрелкой показывающей на 10 и длинной на три на циферблате может таким образом запоминаться 10:15 . Функция назывался TimeLog Тюнинг .
Механический индикатор слева от центра циферблата показывал имя выбранной станции.
Три регуляторы тембра были установлены на собственной панели на левой стороне корпуса – один для баса, меццо и регулятор высоких частот . На правой стороне корпуса были микрофонный вход и его управление . Навесное , изогнутые деревянные панели закрывали оба этих набора элементов управления.
Внешний особенностью особо интересен был визуальный индикатор настройки , который был ответом Crosley к индикатору
Magic Eye от RCA. Это было включено в товарный знак Crosley в верхней части ручки настройки .
Торговая марка состояла из названия Кросли с молнией , проходящей через него. Часть молнии логотипа был вырезан неоновай трубкой установленной позади него. Интенсивность свечения этой трубки увеличивается или уменьшается при колебании напряжение в усилителя постоянного тока. Эффект был в зажигание оранжево-красный молнии на фирменом знаке Crosley при настройке на станцию Чем сильнее был сигнал станции, тем ярче был свет молнии.
Crosley WLW Super-Power радиоприемник был объявлен 25 ноября 1936 года. В пресс-релизе для комплекса была озаглавлена " Это Колосс радио ", и предложил неслыханный список компонентов и возможностей этого нового чуда света радио . Приемник был представлен как мощный и практичный. " Несмотря на то, что она имеет огромный диапазон громкости с максимальной мощностью 75 Вт ", релиз объяснял: " этот гигантский приемник может снизить звук до кресло или уровня гостиной и все еще сохраняют все оригинальное выражение музыки как в студии " .
Было сделано много для превосходного PR, и Пауэл Crosley младший конечно посмеялся над ней со своим другом Евгением MacDonald в Зените.

Аппарат был оценен в $ 1500. Нет информации о том, как много из Crosley WLW Super-Power радиоприемников были выпущено. Но первая продажа была сделана Wheless Gambill , Crosley дистрибьютором в Нэшвилле , штат Теннесси. Пауэл Кросли младший , конечно, установил один в своем доме , и, вероятно, послал один Евгению Макдональд в Зенит.
Дизайнер Amyle Ричардс получил бонус рода за его работу . Он получил степень бакалавра наук в области электротехники в колледже механики и сельского хозяйства в Оклахоме в 1927 году. В 1939 году он представил диссертацию на инженерный факультет колледжа на основе приемника WLW , и на основе проекта получила профессиональную степень в области электротехники .
Мой маленький домашний музей










![Книга В зените [Приглашение в зенит] автора Георгий Гуревич](http://itexts.net/files/books/110/oblozhka-knigi-v-zenite-priglashenie-v-zenit-14492.jpg)
