Текст книги "Вершины лампового радио"
Автор книги: Владимир Иноземцев
Жанр:
Технические науки
сообщить о нарушении
Текущая страница: 1 (всего у книги 2 страниц)
Annotation
Аннотация:
К 1933 году в Америке уже миллионы радиоприёмников включались и прослушивались по всей стране. Средняя радио в американском доме стоило менее $ 100 , и были сотни моделей из которых потребитель мог выбирать.
Но была и небольшой ниша покупателей радио желающих приобретения радиоприёмников более высокого уровня, моделей изготовленных на заказ, с более высокой производительностью приема, хромированным шасси, сложным и эстетичным кабинетом и высококлассным воспроизведением звука.
Вершины лампового радио
Zenith vs Scott
Zenith Stratosphere 1000Z
E.H. Scott «QUARANTA»
Crosley WLW Super-Power
Мой маленький домашний музей
Вершины лампового радио
Zenith vs Scott

Слон или кит
Кто круче



ZENITH vs SCOTT На вершине место только для одного
К 1933 году в Америке уже миллионы радиоприёмников включались и прослушивались по всей стране. Средняя радио в американском доме стоило менее $ 100 , и были сотни моделей из которых потребитель мог выбирать.
Но была и небольшой ниша покупателей радио желающих приобретения радиоприёмников более высокого уровня, моделей изготовленных на заказ, с более высокой производительностью приема, хромированным шасси, сложным и эстетичным кабинетом и высококлассным воспроизведением звука и в первую очередь баса.
В диапазоне от $ 200 до $ 2500 хорошо обеспеченный бизнесмен может быть счастливым обладателем хромированного шасси Masterpiece II или Мак-Мердо Silver или широко освещаемого EH Scott Al-wave DeLuxe XV в Императорском Большом шкафу с десяти стековым проигрывателем и системой домашней звукозаписи .
В то время, по мнению некоторых Scott Allwave DeLuxe XV был лучшим радио в мире, и продукт компании получал большое внимание и положительные отзывы в радио журналах. Скотт создал имидж и маркетинговый шум среди зажиточной прослойки населения , и не только в Америке, но во всем мире.
В мае 1933 года на открытой неделе Чикагской Всемирной Выставки была опубликовала официальная программа дающая обзор сложных экспонатов созданных крупными корпорациями из стран со всего мира. Было заявлено ведущее положение E.H. Скотт Радио Laboratories, Inc и прорекламирована для Allwave DeLuxe радио, подчеркнув великолепный хромbhjdfyjt шасси по цене около $ 200 .
Тематика выставки полностью заполненная техникой от Скотт дала возможность утверждать ему, что Скотт обеспечивает радиоприём пользователям во всем мире и озвучивает все страны которые были представлены на международной торговой выставке , как Италия , Франция, Германия , Австралии, Испании и Англии. Скотта был широко представлен на ярмарке с тщательно созданной рекламой и достоверной полной информацией, в который заявлялось, что , что владельцы Скотт радио может оставаться на связи со всем миром.
Зенит радиокомпания также имело производства в Чикаго в 1933 году и имело свои виды на высококлассное радио Скотта. Зенит решил побороться за тот же богатый сегмент радиорынка как Скотт радио Laboratories. Зенит , как и многие другие производители радио, отошли от высококлассного сегмента рынка радио из-за экономического влияние от Великой депрессии с 1930 – 1932 гг .
Вновь созданный средний и высший класс радиотехники, был в Америке в Ревущие 20-е годы – годы экономического подъёма. Но сейчас та прослойка людей покупавших более дорогие радиоприемники почти полностью испарилась. Этот вид сурового экономического спада можно было увидеть в других потребительских товаров. Например , американское производство фортепиано упало от производства более 200000 пианино в год конце 1920-х к 10000 в е начале 1930-х годов.
В то же время , командующий Макдональд был наслушан в Чикаго от общественности, что Скотт радио лучшее в мире. Споры об этом довели до такой степени, что он переориентировал свою компанию на разработку , чтобы достичь 750 долларовой 1000Z Стратосфера к концу 1934 года. Сроки Zenith по производству Стратосфера была крайне напряжённые.
1933 был худшим годом депрессии и Скотт давал рекламу о улучшении и модернизации своих высококлассных хромированные радио высшего класса в крупных изданиях, как Fortune и National Geographic Magazines задолго до того как Зенит начнет подавать сигналы для потребителей, что большая De Luxe 25 ламповое, 3-спикеровое радио готовится к выходу.
В середине июля 1934 года, в конвенции дилера Зенит в Чикаго , компания объявила о введении своей новой верхней линейки радио, 1000Z стратосферы, в своих лучших дистрибьюторов. Это заняло у Зенита еще четыре месяца , чтобы принести этот большой шедевр на рынок. В конце концов Зенит изготовит всего лишь только 350 из их своих лучших радиоприёмников. И именно от Стратосферы Скотт позаимствует шкалу с большим циферблатом для своих 30 и 33 ламповых Scott Pholharmonic радио – состоящий из шасси тюнера, усилитель и 15 дюймового динамика .
К 1937 Скотт закончил снижение цен своей верхней части линии радио до $ 200 , до той же самой цены Зенита верхней середины линии 1937 года 12 -U– 159 радиоконсоли. Чтобы подсластить пилюлю , Скотт даже давал покупателям бесплатный кабинет с покупкой Scott Pholharmonic радио .
Scott Pholharmonic Hrome радио был настоящий красавец за $ 200. Зенит в $ 750 ценник был слишком крутой , и потребовалось около четырех лет, чтобы продать все 350 произведенных аппаратов. Имейте в виду, что новый Buick автомобиль можно было купить за $ 750 в 1935 году.
Подводя итог, Зенит Стратосфера пострадали от следующих факторов: радио была введено в середине Великой депрессии по тяжёлой цене , когда Скотт уже установился на рынке высококлассного радио . Скотт обошёл Зенит , производя очень эстетичные радио с довольно хорошей производительности за менее чем четверть от стоимости Стратосферы . При цене $ 200, Скотт укрепился в продаже радио в верхнем сегменте радиорынке , медленно растущем снова к 1937 .
В соответствии с информацией в журнале Радио Продажи в 1936 , средняя цена на радио консоли в Америке в то время было $ 110 . В 1936 Зенит 12 -А– 59 стоил около $ 139 . 1000Z был почти в 7 раз выше, чем в среднем по стране , и Скотт Филармоник был оценен в почти половину от среднего по стране. В конце концов , хотя, Скотт и не мог конкурировать из-за высокой стоимости производства хромированного шасси. E.H. Скотт потеряет интерес к своей компании в военные годы , его компания будет сокращаться. Напротив Зенит поднялся на вершину радио списке производства к 1942 и существует и поныне..
Zenith Stratosphere 1000Z
Вершина мечтаний коллекционеров мира.


Компания Zenith и её Stratosphere
Немного истории
Немного истории
Компания начала свою деятельность в Чикаго, штат Иллинойс в 1918 году как небольшая мастерская радиооборудования для радиолюбителей. Название «Зенит» пришло из позывного своих учредителей, 9ZN, и Зенит Радио Компания была официально заявлена в 1923 году.
Это одна из немногих компаний производителей радио, переживших Великую депрессию. И Зенит не просто выжил, он начал процветать вплоть до 1940-х годов. В 1920-х, Зенит был один из 12-ти крупнейшим производителей радио в выросшей до 400 миллионов долларов в год радио промышленности. В 1941 году Зенит обошел промышленного гиганта Радио корпорейшн оф Америка (RCA), чтобы стать номером два производителя радио в США, сразу за Philco Corporation.
Великая депрессия подкосила таких производителей радио как Atwater Kent, Majestic и многих менее известных производителей радио, потому что они не смогли быстро приспособиться, к неблагоприятному состоянию потребительского рынка, к катастрофическому падению продаж. В ревущие 20-е годы насчитывалось более 150 производителей радио. К 1935 b[ насчитывалось менее 50. Дизайн, инжиниринг и инновации будут держать компанию Зенит в верхней секторе своей отрасли в течение многих лет и достаточно хорошо уже во времена расцвета телевизионной техники. По иронии судьбы это будут тот радиодизайн, инжиниринг и инновации которые и более восьмидесяти лет спустя будут держать Зенит радио в верхней части списков коллекционных радиосистем, диктовать самые высокие цены, когда-либо заплаченная за старинные радиоприемники.
1933 год был отмечен основными достижения в области радио и был также годом, когда Зенит радиокомпания предприняла одни из самых амбициозных усилий по повышению стандартов на продукцию отрасли.
В начале 1933 года, руководитель компании Евгений Ф. Макдональд, президент Zenith Corporation, дал задание своим инженерам спроектировать и построить один из самых сложных радиоприёмников в мире. В конце 1935 года, модель 1000Z Зенит Стратосфера должна была начать сходить с конвейера.
Зенит Стратосфера модель 1000Z не была обычным радиоприёмником, и год начала строительства был не обычный случай в истории. Зенит выпустит всего лишь только 350 из этих уникальных высококачественных радиоприемников в 1934 и 1935 годах. Для понимани принятия решения о отказе продолжать выпуск Зенита, нужно было понять насколько рынок ограничен для моделей такого высокого класса. Для этого им потребовалось четыре года, с 1934 по 1938 год, чтобы продать всего 350 таких радиоприёмников. Высокая цена – $750 также способствовали вялым продажам.
В 1936 году Зенит возьмет ключевые особенности от 1000Z и продолжит их в своих новейшей линиях радиоприёмников. Самая выдающаяся деталь используемая на большинстве из радиоприёмников Зенит с 1936 г была большая, легко читаемая, черная циферблатная шкала авиационного типа "Magnavision". В 1936 году заголовок брошюры Зенита гласил "Новый улучшенный радиоприёмник включает все современные инженерные решения».
В 1935 г Зенит Стратосфера рекламировалась как "Включает каждое современное инженерное решение». Это радио установило новые стандарты для радио-индустрии и помогло Зенит открыть для себя заново рынки, как благодаря многим новым функциям так и современному дизайн в его 1936 и 1937 модельных рядах. Их рекламная литература скажет: "Спросите радио с черным циферблатом."
Одним из отличительных признаков 1000Z является кинотеатральная звуковая система. Двухтактный выходной каскад усилитель Стратосферы построен на восьми лампах 45 прямого накала, что позволило достичь 50 Вт выходной мощности, раскачивающих два Jensen-12 динамиков и рупорный твитер с искажениями не более 5 процентов. Превосходно отлаженная схема дает слушателю такие басы, которых никогда не услышать от других радиоприёмников из той эпохи. Единственное радио, которое можно сравнить это McMurdo Silver В. Инженерные и проектные группы Zenith подняли планку качества с введением 1000Z на невиданную высоту.
Стратосфера и последующий 8-летний период с 1935 по 1942, позволили Зенит подняться с 12-го по величине производителя радио в США, до номера два. Стратосфера, с его арт-деко, небоскребным шкафом и самолетной циферблатной шкалой, помогли привести в движение стиль, который трансформировал компанию в лидера отрасли.
И сегодня, заложенные высочайшие качества конструкции и техники Зенита таковы, что с 1930-х годов радиоприёмники Зенит являются одними из самых ценных и самых собираемых коллекционерами радио сегодня по всех тем же причинам, что они были потребительскими фаворитом и в 1930-х годах.


Загадка про кота
Cat in the Strat – Кот в Стратосфере
На протяжении многих лет коллекционеры радио мучались вопросом происхождения кошки которая появляется в рекламе Зенит Стратосфера. Продавалась ли она вместе с радио и была ли создана специально для Зенита Стратосферы. Самая известная тема «Кот в Страт» (CAT IN THE STRAT) обсуждения в мире коллекционирования Зенитов.

Эти кошки были частью феномена отчасти из-за Великой депрессии. Кошка была статуэткой так называемой серии Chalkware, которая была предметом дешёвого декоративного искусства, производились с начала 1900-х годов и до 1940-х годов. Поскольку они были очень дешевые в производстве, Chalkware были популярны в эпоху депрессии.
Фигурка кошки были использовались в основном в качестве призов на карнавалах, и скорее всего в 1933-1934 Чикагской всемирной выставке.
Ирония заключается в том, что Зенит Стратосфера был одним из самых дорогих и сложных радио, сделанных в 1935 году. А вот кот Chalkware, используемый в качестве фотоаксессуара в рекламной кампании, был самом дешевым произведением искусства которое можно было найти в 1935 году. Это было, скорее всего, просто реквизит, чтобы выделить большую вогнутую область в передней части решетки и, вероятно, просто детище художественного руководителя для рекламной фотосессии радио попавшийся случайно под руку в процессе съёмок.

Один из первых рекламных проспектов Зенит Стратосферы со статуэткой кота.

Стратосферные высоты Зенита
С самого начала, Зенит сосредотачивался на производстве высококачественных радиоприемников, даже если они были более дорогими, чем у конкурентов. Лозунг компании Зенит в 1920 был «It Costs More, but it Does More» – «Это стоит больше, но это и делает больше». Тем не менее, Зенит действительно делал радио доступны каждому, имея целые семейства моделей с более низким ценами наряду с более дорогими. Зенит всегда стремились сохранить свои имя известным своим качеством. В более позднее время, девизом Zenith было «The Quality Goes In Before The Name Goes On» – «Качество идет впереди имя его продолжение». Это было заслуженный лозунг вплоть до 1990-х.
В 1926 году Зенит представил серию очень дорогих моделей радиоприёмников класса люкс. Они колебались в цене от $ 650 до $ 2000! Эти радиоприёмники были очень тщательно разработаны, содержали 10 ламп с питанием от аккумулятора и с настройкой только одной ручкой. Эти большие артистично оформленные радио были вновь запущены и в ряду моделей 1927 года, но уже с питанием от сети переменнога токе. Высшей моделью стоимостью $2500 была "Spanish Deluxe". Её в частности приобрёл Король Югославии Александр I.

Zenith «Spanish Deluxe» (1927г.)
В 1928 году Зенит представил автоматическую настройку после покупки патентов от Harry N. Марвина. Они не включали эту функцию в высших моделей до конца 1934 года, с внедрением новой «самолетной» шкалы циферблатного стиля позволившей применить чрезвычайно сложную механику автоматической настройки. В верхней части моделей, введенных в 1928 год были 37А, 39А и изысканный 40A, ценой до $850.

Zenith model 40A (1928г.)
К 1931 году Зенит получила лицензию на использование схемы супергетеродина которая до тех пор была монополизирована RCA. И в 1932 г. вышли несколько высших моделей 91 и 92 по супергетеродинной схеме с 10-ю лампами, и модель 103 с 14-ю лампами. Это были исключительные радио для того времени (напомним – 1932 год) с параметрами и качеством неслыханными в предыдущих моделях!

Zenith model 103 (1932г.)
1933 год, год великой депрессии охватившей Америку, был временем тяжелых испытаний для Зенита, когда они пытались найти свою нишу в глубине депрессии. Им удалось остаться на плаву и даже получать прибыль благодаря отличному управлению руководством компании в лице Евгений Макдональд (президент) и Хью Робертсон (казначей). В самом деле, если бы не эти двое гениальных людей, Зенит не смог бы добиться таких успехов.
Для 1933 года верхней линейкой моделей Зенита были 12-ти ламповые модели 430, 440, 441, 442, 444 и 619. Все они использовали одинаковое шасси и два 12-дюймовых Jensen динамика, что позволяло им по праву занимать верхнии строки лучших моделей радио.

Zenith model 619 (1933г.)
И наконец настал декабрь 1934 года!
Зенит представил 25-ти ламповую Stratosphere модель 1000Z. Этот радиоприёмник был самым впечатляющим и самым эффективным по сравнению с любым предыдущим и последующим радио Зенит! Он по-прежнему является лучшим Зенит радио из когда-либо сделанных! Инженеры Zenith использовали все возможности для этого красавца. Они использовали все высшие достижения в технологии, доступной в 1933-34 которые они только могли найти. Радиолампы были использованы с недавно введенным типы накаливания 6,3 вольт. Громкоговорители были из только что разработанных фирмой Jensen А-12 "Concert Dynamic" 12-ти дюймовые НЧ-динамики (два из них) и Jensen динамический твитер с экспоненциальным рупором. Это был один из первых радиоприёмников, имевший усилитель НЧ мощностью 50 ватт и разветвленная сеть кроссовера для громкоговорителей. Кабинет был изысканно сделан из редких пород дерева художником и промышленным дизайнером Фрэнком И. Джонсон Рокфорд. Конструкция циферблатной шкалы была уникальный, с 6-ю слоями стекла, по одному для каждой полосы и один фронтальный с логотипом Зенит Стратосфера. С этим радио начался период знаменитого "Большого черного циферблата", который был отличительной чертой Zenith в течение следующего десятилетия или около того. Это колесо было запатентовано самим президентом Зенит Макдональд. 1000Z Стратосфера продавалась за $750

Первый вариант радио имел некоторые недостатки, поэтому после выпуска первых 100 Stratospheres, Зенит внёс усовершенствования и обновил модель. Были произведены некоторые изменения, в основном в усилителе ВЧ и входных аудио цепях. Зенит соучредитель Карл Хассель был призван, чтобы помочь инженерам Zenith с аудио проблемами в Стратосфере. Пересмотренная схема была результатом этих усилий.
Хотя Зенит Стратосфера считается моделью 1935 года, Зенит сохранил 1000Z Стратосфера в каталогах Зенит и брошюр по год 1938.

Zenith Stratosphere model 1000Z (1935г.)
Для 1936 модельного года, Зенит представил еще две модели стратосферы. Это были несколько упрощённые варианты на 16-ти лампах. Stratospheres модели 16 16-А-61 и 16-А-63. Они были очень впечатляющими радио, но не настолько хороши, как их старший брат 1000Z. Зенит также представил модель 12-А-58, который многие коллекционеры называют «Baby Stratosphere». Зенит никогда не назначал имя Stratosphere этой модели, но она разделяет многие черты в дизайне кабинета, а в дизайне шкалы от 1000Z.

Zenith Stratosphere model 16-A-61 (1936г.)

«Baby Stratosphere» (1936г.)
К 1938 году выпуск этих двух моделей Stratospheres c 16-ю лампами был прекращён, и Зенит представил несколько моделей из 15-ти ламповой линии. Но 1000Z до сих пор всё ещё числятся в каталогах Зенит.
Зенит выпускал 15-ти ламповые модели с 1938 по 1940 годы. Но 1941 был необычным. В топ-оф-линии было всего 12 ламп. Хотя, она имела 15 дюймовый динамик, в ней не было твитера и даже индикатора настройки. Есть причины предполагать что Зенит разрабатывал был FM модель на 15 лампах, но она никогда не производилась.
Для 1942 модельного года, Зенит вернулся с гигантом! С двумя ГИГАНТАМИ чтобы быть точным! Арлингтон модель 22-H-698 и Конкорд модель 22-Н-699 были модели на 22 лампах с тремя громкоговорителями как у 1000Z Стратосферы.
В этих радиоприёмниках был недавно представленным Армстронг FM диапазон и были 2-х канальный усилитель НЧ с четырьмя 6A3 лампами для двух 12-дюймовых НЧ-динамиков и пара 6A3 ламп для 6 дюймового рупорного твиттера. Это был первый радиоприёмник Зенит, который мог сравниться с 1000Z Sratosphere. К сожалению, они не имели хромированных шасси или редких пород дерева в дизайне кабинета. Изменения в ВЧ схема являлись не столь значительным для диапазона АМ, но основные изменения коснулись в обеспечении высокой производительности ЧМ диапазона. К сожалению в этих радиоприёмниках был оставлен только один коротковолновый диапазон.

Zenith 22-H-698 Arlington (1942г.)
1948-49 годы ознаменовались для Зенит началом освоения телевидения. И в моделях телевизоров предложенных Зенитом тоже имелись с именем «Стратосфера». Но телевидение было новым в то время, у него не было топ-оф-линий моделей как в уже устоявшихся классификациях для радиоприёмников. Но тем не менее модели телевизоров Зенита имели достаточно большой экран, по сравнению с другими брендами в то время.

В 1955 году Зенит представила еще одну стратосфере. На этот раз это был комбайн сочетавший телевизор, радио и фонограф. Этот комбайн был под влиянием стилей 1950-х годов с очень модерновым оформлением. Эта, по тем временам футуристически космическая модель имела пульт дистанционного управления, который был невиданной новинкой в то время.

В целом, в программе Зенита было 4 различных радиоприёмника и два телевизора носивших имя «Stratosphere». Зенит никогда больше не использовал это имя после 1955 года.
К 1982 году Зенит выпал из радио бизнеса и сосредоточился на производстве телевизоров, видеомагнитофонов и компьютеров. Зенит продал компьютерное подразделение в 1989 году, а к 1999 году компания Зенит была поглощены LG (Lucky Goldstar) Electronics Корея. И на сегодня от Зенита не осталось ничего кроме названия, которые по-прежнему принадлежит LG Electronics.

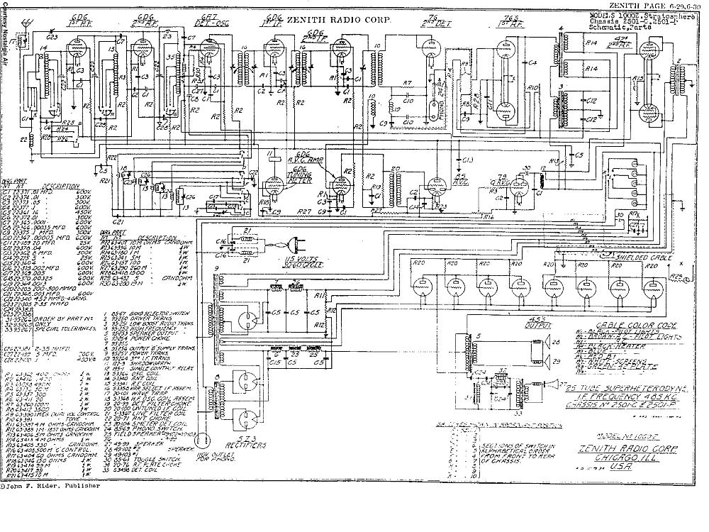
1000Z Стратосфера взгляд изнутри
Разбор схемотехники
Краткое описание схемотехники Zenith 1000Z
Используемые радиолампы:
6D6 1-й каскад усилителя ВЧ
6D6 2-й каскад усилителя ВЧ
6A7 Смеситель и гетеродин
6D6 1-й каскад усилителя ПЧ
6D6 2-й каскад усилителя ПЧ
76 Детектор и 1-й каскад усилителя НЧ
76 2-й каскад усилителя НЧ
42х2 Двухтактный драйвер усилителя НЧ
45х8 Параллельный двухтактный усилитель мощности
79 Электронное реле бесшумной настройки
6D6 Усилитель бесшумной настройки
85 задержаная АРУ
6D6 усилитель АРУ
5Z3х2 выпрямители для усилителя мощности
5Z3 Выпрямитель для оставшейся части приемника
Описание схемы:
Усилитель ВЧ 1-я версия.
Приемник имеет два каскада усиления ВЧ на пентодах в сочетании с перестраиваемыми контурами в цепях анодов. Это обеспечивает высокий коэффициент усиления ВЧ во всём диапазоне частот. Напряжения смещения на обоих каскадах изменяется через переключатель диапазонов для выравнивания стабильности и сохранения максимального усиления на всех диапазонах. Оба каскада используются на всех диапазонах кроме пятого, самого высокочастотного УВЧ. Двойное экранирование используется во всех каскадах ВЧ для предотвращения наводок сигнала по проводам.
Усилитель ВЧ 2-я версия.
Эта схема использует преселектор и настраиваемый ВЧ каскад на зеленом диапазоне полосе СВ, и одноконтурную схему ВЧ каскада на оранжевом и желтом диапазонах КВ. Два перестраиваемых каскада ВЧ работают на красном диапазоне КВ. Из-за чрезвычайной трудностью получения полезного усиления ВЧ на частотах выше 18 МГц, антенна соединена непосредственно к цепи сетки смесителя по синем УВЧ диапазоне. Также используется двойное экранирование во всех каскадах ВЧ для предотвращения наводок сигнала по проводам.
Смеситель и гетеродин .
Смеситель и гетеродин построен на лампе 6A7. Входной цепью смесителя является ВЧ-дроссель и резистор 50000 Ом параллельно. Входной сетка лампы 6A7 имеет тенденцию приобретать положительный потенциал при перегрузке сильным сигналом если есть заметное сопротивление утечки в цепи сетки. Дроссель в цепи сетка соединён соединен с анодом одного диода лампы 85 схемы АРУ так, что если в любой момент на входной сетке 6A7 появляется положительный потенциал вследствие перегрузки, анод диода обеспечит утечку тока на землю, предотвращая искажения из-за перегрузки смесителя.
Усилитель ПЧ.
Схема УПЧ имеет два обычных каскада усиления ПЧ. Необычное в этой части приемника находится в трансформаторах ПЧ, которые сконструированы таким образом, что их механическая связь, и в свою очередь ширина полосы или селективность, могут изменяться непрерывно без изменения настройки первичных или вторичных контуров трансформатора ПЧ. Это изменение селективности не влияет на чувствительность приемника.
АРУ с задержкой.
Обмотка связи в третем ФПЧ подает сигнал ПЧ на управляющую сетку усилителя 6D6 АРУ. С выхода этого каскада через апериодический трансформатор усиленный сигнал ПЧ подаётся на детектор диода лампы 85. Анод лампы 85 подключается непосредственно к источнику B плюса питания, а управляющая сетка на нагрузочный резистор диодной цепи. Эта лампа подпирается смещением примерно в 10 вольт, которое закрывает отрицательным смещением анод диода. Напряжение АРУ не генерируется пока сигнал не достигает достаточного значения чтобы открыть диод. АРУ с задержкой по сигналу позволяет осуществлять автоматический контроль сильных сигналов и устраняет вредные последствия АРУ для слабых сигналов.
Бесшумная настройка.
Для системы бесшумной настройки используется сигнал с потенциометра включённого как часть нагрузке от диода лампы 85 схемы АРУ. Потенциометр размещается на на задней части верхней панели. Движок этого потенциометра подключен к сеткам лампы 79. Два анода лампы 79 соединены параллельно и работают на магнитное реле, которое замыкает сетки каскада 2-х тактного аудио драйвера на лампах 42. Когда сигнал соответствует настройке на станцию, сетки лампы 79 становятся отрицательными. Анодный ток открывает реле, которое включает аудиосистему приемника. Уровень сигнала, при котором происходит срабатывание, определяется настройкой потенциометра. Переключатель включающий эту систему, управляется с помощью рычага под ручкой переключателя диапазонов на передней панели. Он находится в цепи анода 79 и когда открыт переводит систему в нерабочем состоянии. Индикатор настройки "Shadowmeter" подсоединен к аноду отдельной лампы 6D6, чья сетка регулируется напряжением АРУ. Усиление обеспечиваемое этой лампой, позволяет индикатору реагировать даже на очень слабые станции.
Предусилитель и Audio Driver 1-я версия.
Для исключения перегрузки, две лампы 76 используются параллельно в первом аудио каскаде. Фазоинвертор построен на ДВУХ трансформаторах – отдельно для ВЧ и НЧ. Малый трансформатор обрабатывает только частоты выше 400 Гц . Большой трансформатор обрабатывает частоты ниже 400 Гц и до 30 Гц. Выходное напряжение каждого из этих трансформаторов контролируется регулятором тембра. Далее сигнал поступает на 2-х тактный драйвер с трансформаторным выходом на двух лампах 42 трубок.
Предусилитель и Audio Driver 2-я версия.
Предварительный усилитель состоит из двух каскадов на лампах 76. Значение сопротивления сетки во 2-м втором каскаде можно варьировать с помощью переключателя в правом верхнем углу панели управления с тем, чтобы достичь 400%-ное увеличения чувствительности при прием коротких волн. Но при использовании этого высокого усиления возможна перегрузка усилителя мощности.Как и в первом варианте фазоинвертор построен на двух трансформаторах – отдельно для ВЧ и НЧ. Малый трансформатор обрабатывает только частоты выше 400 Гц . Большой трансформатор обрабатывает частоты ниже 400 Гц и до 30 Гц. Выходное напряжение каждого из этих трансформаторов контролируется регулятором тембра. Далее сигнал посупает на 2-х тактный драйвер с трансформаторным выходом на двух лампах 42 трубок.
Выходной усилитель мощности.
Он построен на восьми лампах 45 подключаемых параллельно. Усилитель мощности двухтактной. Гораздо лучший баланс на этом этапе можно обеспечить с помощью нескольких ламп среднего размера мощности, чем на паре мощных ламп. Кроме того значительно снижаются требования к анодному напряжению . 99 Ом резисторы включаются в цепи сеток каждой из лампы 45 для предотвращения паразитных колебаний. Выходные трансформаторы разделены на два – низкочастотный и высокочастотный.
Питание.
Есть два блока выпрямителей и фильтрации смонтированные на нижнем шасси усилителя мощности. Один использует один кенотрон 5Z3 двухполупериодного выпрямителя для обеспечения анодного питания для верхнего шасси приёмника и напряжения смещения для всех выходных каскадов. Второй на 2-х кенотронах 5Z3 используется для питания выходного каскада усилителя НЧ. Специальные электролитические конденсаторы используются в обоих источников питания.
Громкоговорители.
В приёмнике используется акустическая система с тремя громкоговорителями. Меньший в центре рупорного типа воспроизводит высокие частоты выше 4000 Гц. ВЧ динамик подключается через систему фильтров, которая предотвращает попадание на него частот ниже 4000 Гц. Он может отключаться с помощью переключателя в верхнем левом углу панели управления. Два динамика большого концертного типа обрабатывать весь диапазон частот ниже 4000 Гц. Используется два для обеспечения работы с подаваемой от усилителя НЧ выходной мощностью 50 ватт без искажений. Провода и соединения всех трех динамиков имеют цветовую маркировку для того, чтобы застраховать правильные соединения и надлежащую фазировку.
Диапазоны частот:
Первая версия
Зеленый 535 – 1,550 кГц
Оранжевый 1,530 – 4,575 кГц
Желтый 3,725 – 11,150 кГц
Красный 9,500 – 31,600 кГц
Синий 19,500 – 63,600 кГц
Вторая версия
Зеленый 520 – 1,500 кГц
Оранжевый 1,450 – 4,200 кГц
Желтый 3,700 – 10,000 кГц
Красный 8,500 – 23,000 кГц
Синий 18,000 – 45,000 кГц

Схема Zenith Stratosphere 1000Z 1-й вариант

Схема Zenith Stratosphere 1000Z 2-й вариант

Baby Stratosphere
Детская Стратосфера
Великолепная консоль Zenith 12-А-58 была выпущена в 1936 году, во время которое многие заслуженно считают золотыми годами Зенита. Превосходный дизайн корпуса, двенадцать ламп, и два динамика, эта модель с пользуется заслуженным спросом среди коллекционеров.
12-A-58 иногда называют "Baby стратосфере" после могучего Zenith Stratosphere 100Z, но этот "Ребёнок" возможно, лучших из потребительских радио, когда-либо созданных Зенитом. Zenith Stratospheres являются редкостью, как зубы курицы и он продаётся за десятки тысяч долларов, если вы его сможете найти хотя бы один.
12-A-58 очень похож по внешнему виду и предлагает отличную производительность при значительно более низкой цене. Сравните 12-А-58 шкаф с патентом дизайна, для 1000Z Stratosphere

Zenith 22-H-698 Arlington (1942г.)
Обратите внимание на отличительные рифленые боковые колонны и вогнутую панель динамика. Стратосфера имела шкаф с раздвижными дверьми, чтобы скрытьпанель управления со шкалой, но оба радио имеют одинаковые панели и разноцветные циферблаты с нанесением разметки синим, зеленым, красным, желтым и белым. Подсвеченная с краев, шкала настройки действительно выглядит впечатляюще.
Решетка на колонке в 12-A-58 имеет изящный дизайн. Она сделана в стиле факела в память об Олимпийских играх в 1936 г.
Если взглянуть сзади, можно увидеть больших динамиков: двенадцатьидюймовый динамик для басов и меньший для высоких частот.

Динамики подключены к шасси многожильным кабелем. Так как катушки подмагничивания динамиков являются частью блока питания, динамики должны быть подключены при тестировании радио.
Вид на шасси спереди и сзади:

Дизайн шкалы настройки:
12-A-58 имеет четыре диапазона частот. Цветной подсветка (А, В, С, D) горит сзади, чтобы указать выбранный диапазон.








![Книга В зените [Приглашение в зенит] автора Георгий Гуревич](http://itexts.net/files/books/110/oblozhka-knigi-v-zenite-priglashenie-v-zenit-14492.jpg)
