Текст книги "Автомобильные присадки и добавки"
Автор книги: Виктор Балабанов
Соавторы: Валерий Болгов
Жанр:
Химия
сообщить о нарушении
Текущая страница: 1 (всего у книги 15 страниц) [доступный отрывок для чтения: 6 страниц]
Annotation
В книге рассмотрена широкая гамма широко представленных на рынке автохимии присадок и добавок к различным автомобильным технологическим средам: смазочным материалам, топливу, охлаждающим и стеклоочищающим жидкостям.
В доступной форме приведено описание характеристик и особенностей свойств различных препаратов, даны рекомендации по их применению, в том числе для безразборного технического сервиса систем смазки и охлаждения, а также топливной системы автомобильного двигателя. Представлены препараты для омывающих жидкостей, специальные добавки для консистентных смазок и жидкостей для автоматических коробок передач.
Особое внимание уделено применению очистителей топливных систем, антигелей, цетан– и октан-корректоров, ремонтно-восстановительных препаратов и технологий, в т. ч., реметаллизантов, геомодификаторов трения, кондиционеров поверхности, слоистых и нанодобавок, находящих все более широкое применение и позволяющих значительно повысить надежность автомобильной и другой техники. По тексту книги даны объяснения встречающихся терминов, а также квалифицированные ответы на наиболее часто встречающиеся вопросы по рассматриваемой проблеме.
Книга предназначена для автомобилистов-любителей и профессионалов; может представлять интерес для инженерно-технических работников ремонтно-транспортных предприятий, а также для преподавателей, научных сотрудников и студентов технических вузов.
Балабанов Виктор Иванович, Болгов Валерий Юрьевич
Предисловие
Балабанов Виктор Иванович, Болгов Валерий Юрьевич
Автомобильные присадки и добавки
Предисловие
На земном шаре в эксплуатации находится более 500 млн автомобилей, имеющих возраст более 5 лет и пробег свыше 100 тыс. км. При таком пробеге, даже при использовании современных смазочных материалов, износ некоторых деталей основных агрегатов автомобиля достигает критического уровня, что снижает ресурс, увеличивает эксплуатационные расходы и, как правило, требует дорогостоящего ремонта автомобиля.
На сегодняшний день в России более 15 млн отечественных автомобилей имеют возраст старше трех лет. Если учитывать изначально невысокое качество изготовления, межремонтный ресурс этой техники очень не велик. Кроме того, использование масел и топлива низкого качества приводит к дополнительному износу пар трения, снижению мощности, повышенному расходу топлива, угару масла, снижению эффективности эксплуатации автомобиля в целом. Все это сопряжено с серьезными материальными издержками, так как требует частого обращения в автосервис.
Обращаем Ваше внимание на то, что наряду с традиционными методами ремонта, связанными с заменой деталей, существуют более дешевые, но не менее эффективные методы решения проблем. Альтернативой классическому ремонту являются высокоэффективные средства безразборного технического сервиса узлов и агрегатов с помощью препаратов автохимии. Как правило, это высокотехнологичные составы, разработанные на основе последних достижений науки и техники, в том числе нанотехнологий.
Уважаемые автомобилисты, Вашему вниманию предлагается новая специализированная книга, посвященная известным присадкам и добавкам к различным автомобильным технологическим средам: смазочным материалам, топливу, охлаждающим, а также к стеклоочищающим жидкостям, получившим обобщенное название автохимия.
В зависимости от агрегатного состояния и растворимости в этих технологических средах препараты автохимии различают присадки и добавки. Органические маслорастворимые вещества называют присадками, они составляют самую распространенную группу. К ним можно отнести и появившиеся недавно на рынке автохимии кондиционеры поверхности. Твердые нерастворимые соединения, как правило, неорганического происхождения, называют антифрикционными добавками. К ним также относятся полимерсодержащие и некоторые другие композиции, например, на основе минералов, часто именуемые модификаторами.
В книге рассмотрены различные группы препаратов автохимии: очистители топливных систем, антигели, цетан– и октан – корректоры, ремонтно – восстановительные препараты (РВП) и технологии, в т. ч., реметаллизанты, геомодификаторы трения, кондиционеры поверхности, слоистые и нанодобавки, которые находят все более широкое применение и позволяютх значительно повысить надежность автомобильной и другой техники.
Данная книга – это своего рода доступный справочник по современным автомобильным добавкам и присадкам, который подготовлен в результате обобщения (систематизации) накопленного нами опыта. Она содержит рекомендации по их применению и ответы на наиболее часто встречающиеся вопросы по рассматриваемой проблеме.
Для «глубоко копающих» читателей, готовых и желающих более подробно разобраться во всех нюансах автохимии, в конце книги приведен список литературных источников.
Книга предназначена для автомобилистов – любителей и профессионалов; может представлять интерес для инженерно – технических работников ремонтно – транспортных предприятий, а также для преподавателей, научных сотрудников и студентов технических вузов.
Нам искренне хочется поделиться своими знаниями и опытом, сделать Вашу жизнь легче и интересней, а эксплуатацию Вашей техники более безопасной, надежной и экономичной.
Авторы выражают признательность и благодарность сотрудникам компании «Эй – Джи – Эй» за предоставленные материалы и помощь при подготовке рукописи данной книги. Авторы
Из истории автохимии
Человечество сталкивалось с решением проблем смазки деталей и приспособлений с давних времен.
...
Автохимия– препараты химической промышленности для обслуживания и ремонта систем транспортного средства, прежде всего двигателя, трансмиссии и кузова.
Еще в Древнем Египте, примерно в 2400 году до нашей эры, при транспортировке египетского каменного колосса на специальных деревянных салазках (рис. 1) между полозьями салазок и такими же деревянными болванами вводили особый смазочный материал на основе воды с добавлением оливкого масла (в качестве присадки) и ила из реки Нил (в качестве антифрикционной добавки).

Рис. 1. Изображение транспортировки египетского каменного колосса
Оливковое масло также применялось в опорах колодезных воротов времен бронзового века (V век до н. э.) для снижения силы трения и предотвращения неприятного скрипа при подъеме воды на поверхность.
Значительно позже, ориентировочно в 23…79 годах уже нашей эры Плиний Старший ( С. Plinius Secundus) составил один из первых списков некоторых растительных и животных масел, пригодных к применению в качестве смазочных материалов. Так что «список Плиния» можно считать первым каталогом смазочных материалов в мире.
Как гласит китайская пословица XVII века, «… одна капля масла в подшипник делает повозку, а тысяча капель – корабль, готовым к эксплуатации».Основоположником современной науки о трении считается известный французский ученый и военный инженер Кулон ( Coulomb) Шарль Августин, в 1781 году опубликовавший свою знаменитую книгу «Теория простых машин», которую можно считать одним из первых изданий по трибологии.
...
Трибология (греч. tribos – трение, logos – наука) – наука о контактном взаимодействии твердых тел при их относительном движении, охватывающая весь комплекс вопросов трения, изнашивания, смазки и самоорганизации в машинах.
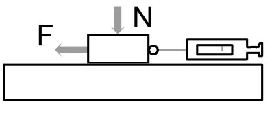
Однако еще до его рождения, в 1699 году, французский учёный Амонтон ( Amontons) Гийом (Гильом) направил во Французскую академию письмо, в котором математически описал закон о прямой пропорциональности между нормальной силой ( N), прижимающей одну трущуюся поверхность к другой, и силой трения ( F) в виде:
F =μ N, где μ – коэффициент пропорциональности, названный впоследствии коэффициентом трения (рис. 2).

Рис. 2. Схема определения силы трения: F– сила трения; N – нормальная (прижимающая) сила
...
Сила трения– сила сопротивления при относительном перемещении одного тела по поверхности другого под действием внешней силы, направленной по касательной к общей границе между этими телами.
Гийом Амонтон писал: « Теперь, установив в достаточной мере природу трения и его законы, остается только сказать кое‑что о правилах, по которым оно может быть сведено к расчету, дабы знать, каково трение в самых сложных машинах».
...
Трение– механическое сопротивление, возникающее в плоскости касания двух соприкасающихся, прижатых друг к другу тел при их относительном перемещении.
В опытах с медью, свинцом, железом и деревом Амонтон получил соотношение между силой трения Fи силой нормального давления Nравное 1/3. Во время своих опытов он покрывал все исследуемые образцы одним и тем же смазочным материалом – специальным жиром на основе свиного сала. С тех пор для смазывания трущихся деталей долгое время применяли искусственно производимые животные жиры, масла, древесный деготь и другие аналогичные препараты.
Великий итальянский художник, ученый, конструктор и т. д. – Леонардо да Винчи ( Leonardo da Vinci) (1452–1519) также занимался вопросами трения. По результатам своих опытов он считал постоянным значение отношения F/Nдля всех материалов и равным 1/4.
Шарль Кулон, работавший на военных верфях Рошфор (западное побережье Франции), первый пришел к выводу о том, что сила трения F в подвижных соединениях зависит еще от одного параметра – адгезионной составляющей А, и переписал известную формулу в другом виде:
F =μ N + А.
В настоящее время этот закон носит наименование Амонтона – Кулона, или Леонардо да Винчи – Амонтона, который до начала XX века применялся в инженерной практике.
...
Адгезия(лат. adhaesio – прилипание) – соединение поверхностей двух разнородных твёрдых или жидких тел, связанное с межмолекулярным взаимодействием (вандерваальсовым, полярным, частично химическим или взаимной диффузией) в поверхностном слое.
Выдающийся российский механик – самоучка Иван Петрович Кулибин (1735–1818), состоя на службе при дворе российской императрицы Екатерины II, должен был изготовить плавный и бесшумный дворцовый лифт. Для этого лифта потребовались особые смазочные материалы, так как распространенные в то время смазки из растительного масла, сала и тем более дёгтя не могли быть использованы по причине неприятного, отдающего «деревней и мужиками» запаха. Применение Кулибиным твердой смазки из графита позволило оригинально решить эту деликатную проблему.
В 1763 году еще один гениальный русский механик – самоучка Иван Иванович Ползунов (1728–1766) выдвинул гениальную идею «огненной машины» (парового двигателя) и сумел собрать ее действующую модель. Он же впервые в мире изобрел двухцилиндровый двигатель.
Только через 20 лет, в 1784 году, шотландский изобретатель Джеймс Уатт ( James Watt,1736–1819) создал такой же паровой двигатель, который положил начало строительству серийной самодвижущейся транспортной техники. Трущиеся детали такой техники было необходимо регулярно смазывать, для чего применялись различные растительные и животные смазки.
Несколько позже, в 1812 году Генри Томас Хардакр запатентовал в Англии смесь графита и свиного жира в пропорции 1: 4 для получения пластичного смазочного материала.
Лауреат Ломоносовской премии Российской академии наук, один из самых первых и самых известных отечественных ученых – смазчиков – Николай Павлович Петров в 1883 году написал в своей ставшей классической книге «Трение в машинах и влияние на него смазывающей жидкости»: « Расходы на топливо для машин, считающихся у нас в России десятками миллионов, заслуживают самого серьёзного внимания. Увеличение расхода на топливо на 5 %, на 10 % может легко явиться вследствие неудовлетворительных условий смазывания, а это выразится в народном хозяйстве потерями миллионов рублей. Таковы теперь причины, заставляющие наших техников обратить свое внимание на правильный выбор смазочных материалов».
Работы Н. П. Петрова получили мировую известность. Независимо от зарубежных работ Б. Тауэра и О. Рейнольдса он разработал основы теории гидродинамической смазки, а также открыл законы трения концентрических радиальных подшипников.
В конце XIX – начале XX веков произошло постепенное замещение растительных и животных жиров минеральными маслами, получаемыми из нефти. В 1936 году У. Гарди выпустил работу «Избранные труды», посвященную преимуществам минеральных масел и анализу их отличий от органических масел в механизме влияния на процессы трения.
В далеком 1899 году в Англии сэр Ч. Вейкфилд основал маленькую компанию по исследованию и выпуску автомобильных масел. Спустя десять лет компания предложила автомобилистам новый уникальный смазочный материал на основе смеси минерального и касторового масел, давший впоследствии свое имя известной во всем мире фирме – Castrol.
Однако, несмотря на высокие функциональные свойства новых нефтяных масел, уже в то время эти обыкновенные минеральные масла не в полной мере удовлетворяли стремительно возраставшим эксплуатационным требованиям, предъявляемым к ним автомобилестроителями.
В 1909 году первому российскому шоферу – Василию Никитовичу Галактионову – было вручено особое свидетельство (аналог современного водительского удостоверения), где было указано, что его обладатель имеет право ездить по всей Российской Империи. Однако об автохимии он, пожалуй, на тот момент еще ничего не слышал, так как официальный отсчет её истории начался только в следующем году. Именно в начале 1910 года компания Castrol впервые стала добавлять к своим смазочным материалам дополнительные химические соединения и вещества (аддитивы – лат. additio– прибавление). Вначале это были обыкновенные соединения серы и молотый графит. Так что сейчас уже можно говорить о юбилее – вековой истории автохимической промышленности.
Начиная с 1920 года, практически все производители смазочных материалов начали разрабатывать и вводить в свою продукцию специальные присадки к маслам. В 1935 году фирма Castrolодной из первых в мире применила для повышения ресурса двигателя присадки на основе органических соединений хрома. Для разрабатываемых в те годы высокофорсированных (теплонагруженных) двигателей нефтяные масла оказались непригодны, так как они окислялись уже при 120 оС. Поэтому в 1949 году фирма одной из первых выпустила моторные масла с антикоррозионными и антиокислительными присадками.
...
Коррозионная активностьнефтепродукта оценивается по коррозии на поверхности металлического образца после испытаний в этом нефтепродукте. Коррозия медных образцов оценивается изменением цвета, чугунных и стальных образцов – количеством очагов коррозии (пятен, точек, потускнений), а свинцовых образцов – потерей их веса.
Любительская автохимия зародилась в 1942 году в Чикаго (США), когда по заказу автомобильного концерна « General Motors» компания « CD-2» впервые разработала и выпустила в розничную продажу банку с антифрикционной присадкой к моторному маслу.
Ставший в настоящее время общепринятым термин «трибология» был впервые применен британскими учеными – экспертами в развернутом рапорте Парламенту Великобритании в 1966 году, когда рабочая группа под руководством профессора Питера Н. Джост ( Jost H. Peter) – в настоящее время президента Международного трибологического совета ( International Tribology Council, Лондон, Великобритания), и по поручению английского Министра образования и науки того времени лорда Франка П. Боудена ( Bowden Frank Philip) (1903–1968) доложила о значении смазки для промышленности, экономики и государства в целом.
Рынок автохимии в Российской Федерации начал формироваться сравнительно недавно – в начале 90–х годов ХХ века. Динамика изменения ассортимента данного рынка по основным группам товаров (в самом общем виде) за последние двадцать лет представлена в табл. 1.
Таблица 1. Ассортимент рынка автохимии Российской Федерации в 1991–2010 годах

Согласно данным, приведенным в таблице 1, наибольшие изменения ассортимента товаров автохимии коснулись присадок и добавок к моторному маслу, присадок к бензину, клеев, адгезивов, герметиков, а также смазок и консервантов. Столь существенный рост свидетельствует о повышенном потребительском интересе к данным видам товаров.
...
Дизельное топливо– моторное топливо для дизельного двигателя внутреннего сгорания, а также газодизелей. Жидкий продукт желтоватого (соломенного) цвета с определенными физико – химическими характеристиками, получаемый из керосиново – газойлевых фракций прямой перегонки нефти (см. также «Солярка»).
В настоящее время на российском рынке автохимии в основном представлены препараты ведущих мировых производителей, а также некоторые образцы отечественного производства, которые набирают известность и популярность среди автомобилистов.
Были проведены опросы 550 респондентов на предмет степени известности среди автомобилистов средств автохимии, представленных на российском рынке, результаты которого представлены в табл. 2, с указанием страны – производителя и ценового сегмента.
Таблица 2. Известность марок автохимии, представленных на российском рынке

Согласно полученным данным, наибольшей известностью на рынке пользуется продукция американских фирм – производителей, а именно: Hi‑Gear, ER, K W, Prestonи некоторые другие. Безусловное доминирование американской продукции на российском рынке легко объясняется развитостью этого рынка в самих Соединенных Штатах, накопленным в этой связи огромным опытом американских производителей и искушенностью маркетологов. Из российских препаратов, благодаря применению международных приемов при их выводе на российский рынок, немалым успехом пользуются торговые марки Fenomи AGA.В конце 1980 – начале 1990–х годов рынок автохимии в развитых странах переживал настоящий бум. Внедрение информационных технологий в химическую промышленность позволило создавать более эффективные препараты, а огромный автомобильный парк обеспечил устойчивый высокий спрос. В последующие десять лет тенденции развития данного рынка на Западе и в России имели противоположную направленность: если в развитых странах наметился определенный спад, обусловленный повышением качества производимых автомобилей, масел и технических жидкостей, то емкость российского рынка автохимии постоянно увеличивалась. В первую очередь это можно объяснить не менее, чем десятилетним технологическим отрывом автомобильной промышленности стран Запада от российской, последствия которого представлены в табл. 3.
Таблица 3. Особенности отечественного автомобильного рынка

В России 90–х годов прошлого века существовали внутренние условия для развития рынка автохимии. Наблюдался резкий рост парка частных и коммерческих автомобилей. Начиная с 1993 года, российский легковой автомобильный парк увеличивался примерно на 1 млн машин в год, достигнув уже к 2000 году 25 млн автомобилей.
...
Надежность– свойство объекта (прибора, инструмента, машины, агрегата, детали и т. д.) сохранять во времени в установленных пределах значения всех параметров, характеризующих способность выполнять требуемые функции в заданных режимах и условиях применения, технического обслуживания, ремонта, хранения и транспортирования.
Надежность является комплексным свойством, которое в зависимости от назначения объекта и условий его применения включает безотказность, долговечность, ремонтопригодность и сохраняемость.
Сменилось поколение легковых отечественных автомобилей. Выход на рынок переднеприводных семейств ВАЗ и «Москвич» потребовал более качественных автомобильных масел и технических жидкостей для их должного обслуживания.
Существенный рост числа подержанных иномарок, эксплуатируемых на территории постсоветского пространства (табл. 4), неприспособленность к российским условиям эксплуатации и высокая стоимость ремонта этих автомобилей побуждали владельцев искать альтернативные способы продления безремонтного пробега и снижения эксплуатационных затрат.
Таблица 4. Примерное соответствие автомобилей экологическим классам выбросов, в зависимости от их года выпуска и страны происхождения 
* В Европейский Союз входят: Австрия, Бельгия, Болгария, Великобритания, Венгрия, Германия, Греция, Дания, Ирландия, Испания, Италия, Кипр, Латвия, Литва, Люксембург, Мальта, Нидерланды, Польша, Португалия, Румыния, Словакия, Словения, Финляндия, Франция, Чехия, Швеция и Эстония.
К настоящему времени рынок автохимии в России можно считать в целом сформировавшимся. На нём представлены все основные группы товаров и большинство мировых производителей. Также началось развитие российского производства автохимии. За последние годы произошла профессионализация продавцов, в качестве которых выступают небольшие оптовые фирмы. Все вышесказанное позволяет сделать вывод о том, что автохимия в России в полной мере является отраслью «рыночной субэкономики».
Важнейшим блоком информации о внешней среде, необходимым для разработки стратегии, является маркетинговая информация о потребителях продукции. Для оценки финансовой привлекательности российского рынка присадок был проведен анализ потенциала российского рынка присадок. В основу метода анализа потенциала рынка была положена зависимость объема потребления от числа потребителей.В целом сегодня емкость российского рынка автохимии оценивается примерно в 250–280 млн долларов в год, что делает этот рынок весьма привлекательным, особенно для компаний, ориентированных на инновации и обладающих эффективными уникальными ресурсосберегающими технологиями.
...
Ресурс– наработка (продолжительность или объём работ) объекта от начала эксплуатации или её возобновления после капитального ремонта до наступления предельного состояния.
По данным TNS Gallup, примерная численность покупателей автохимии в Москве – 1 120,8 тыс. человек, что составляет около 41 % от общего числа автовладельцев. По данным розничных торговых сетей, в среднем каждый из покупателей совершает покупку один раз в три месяца, затрачивая каждый раз около 350 р. (12 долларов США). Таким образом, емкость московского рынка автохимии оценивается в 40,3 млн долларов США в розничных ценах.
Если учесть, что московский парк автомобилей составляет 13 % от всего российского автопарка, а также соотношение московского и регионального платежеспособного спроса, то можно оценить емкость национального рынка автохимии на уровне 150–180 млн долларов США. При этом типовой портрет покупателя остается неизменным для всех регионов России – мужчина среднего возраста со средним или высоким достатком.
Стремительное развитие науки и техники, рост нагрузок и скоростей при эксплуатации автомобильного и других видов транспорта потребовали дальнейшего повышения качества применяемых смазочных материалов. Новое развитие автохимическая промышленность получила в конце XX века с приходом в эту отрасль ученых и практиков из фирм – разработчиков и производителей препаратов класса « Hi‑Tech» (высоких технологий), применяемых ранее только в военной и космической промышленности, например нанотехнологий.
...
Нанотехнология– (греч. nanos – карлик, приставка для образования наименования дольных единиц, равных одной миллиардной доле исходных единиц. Обозначения: н, n. Пример: 1 нм = 10—9 м), процесс разделения, сборки и изменения свойств материалов путем воздействия на них одним атомом или одной молекулой вещества.
В настоящее время возникло и успешно развивается самостоятельное научно – техническое направление – безразборный технический сервис.
...
Безразборный сервис(англ. service – производить осмотр и текущий ремонт) – к омплекс технических и технологических мероприятий, направленных на проведение операций технического обслуживания и ремонта узлов и механизмов без проведения разборочно – сборочных операций. Безразборный сервис может включать операции обкатки, диагностики, профилактики, химмотологического тюнинга, очистки и восстановления, как отдельных трущихся соединений, так машин и механизмов в целом.
К безразборному сервису относятся не только сами присадки и добавки к различным автомобильным технологическим средам, но и в большой степени особые препараты и технологии по их применению, часто называемые «специальная обработка» (англ. Special Treatment). Из‑за особенностей применения и функционирования в одних условиях они могут проявлять свои самые положительные качества, в других будут менее эффективными, в – третьих, бесполезными, а иногда даже вредными. Что это за условия, и каковы особенности применения данных препаратов автохимии, раскрывается в следующих разделах данной книги.
Базовые присадки к смазочным материалам
Смазочные масла по их назначению классифицируют на следующие основные группы: моторные, индустриальные, трансмиссионные, турбинные, компрессорные, приборные и некоторые другие более узкого специального назначения. Наиболее масштабной по объему производства и ассортименту является группа моторных масел: для бензиновых (карбюраторных) двигателей, дизелей и двигателей, работающих на газовом топливе. К этой же группе относятся универсальные масла, применяемые в двигателях разной конструкции. В группу индустриальных масел для промышленного оборудования входят масла для гидравлических систем (гидравлические жидкости), направляющих скольжения, шпинделей, зубчатых передач и др. Трансмиссионные масла подразделяются на масла, используемые для смазывания механических, гидромеханических и гидростатических передач.
Масла для двигателей внутреннего сгорания принято называть моторными маслами. Иногда их называют также картерными маслами. К этой группе относятся масла, предназначенные для смазывания карбюраторных, дизельных и авиационных поршневых двигателей, а также масла для двухтактных бензиновых двигателей.
Современные моторные масла представляют собой сбалансированный коллоидный раствор многих функциональных присадок в базовой минеральной (нефтяной) или синтетической основе, обеспечивающих основные функциональные свойства моторных, да и трансмиссионных масел.
В зависимости от вида базового масла (основы) моторные масла подразделяются на:
1. Минеральные масла, получаемые в процессе переработки (перегонки) нефти и состоящие из молекул разной длины (длина углеводородных цепочек – 20…35 атомов) и разного строения (рис. 3).
К основным примесям, присутствующим в минеральных основах, относятся:
– соединения серы ( sulfur compounds) и органические кислоты ( organic acids), способные вызывать коррозию металлов;
– непредельные углеводороды ( unsaturated hydrocarbons), снижающие антиокислительную стойкость масла;

Рис. 3. Схема взаимодействия синтетического (вверху) и минерального (снизу) масел с поверхностями трения
– смолистые и асфальтеновые соединения ( resins, bitumen), образующие при работе лаковые отложения и нагар на горячих поверхностях деталей, ухудшающие низкотемпературные свойства и подавляющие эффективность антиокислительных и антикоррозионных присадок;
...
Нагар– отложения на поверхности камеры сгорания, состоящие в основном из карбонов и карбоидов и способные вызывать интенсивное изнашивание деталей цилиндропоршневой группы.
– парафины ( wax) – растворенные в масле твердые углеводороды, которые повышают температуру застывания масла и ухудшают его низкотемпературную фильтруемость;
...
Температура застывания– показатель способности масла или дистиллятного топлива оставаться текучим при низких температурах. Это наименьшая температура, при которой жидкость остается текучей после охлаждения в определенных условиях.
– полициклические соединения ( polycyclic aromatics, PCA), также снижающие низкотемпературные свойства масла и способствующие образованию смолистых отложений и нагара.
Как видим, все эти соединения в той или иной степени снижают качество готового нефтехимического продукта. Вследствие неоднородности основы и наличия многих примесей наблюдается нестабильность вязкостно – температурных свойств, высокая испаряемость, низкая стойкость к окислению и другие отрицательные свойства. Индекс вязкости (ИВ) лучших минеральных основ не превышает 100 единиц. Повышение вязкостных характеристик минеральных масел достигается специальными загущающими присадками.
...
Индекс вязкости– эмпирическое число, которое указывает на степень изменения вязкости масла при изменении температуры. Масла с высоким индексом вязкости проявляют меньшую зависимость вязкости от температуры, чем масла с низким индексом вязкости. Для повышения индекса вязкости проводят глубокую гидроочистку базовых масел или используют вязкостные присадки (маслорастворимые полимеры) или синтетические (полимерные) масла.
2. Синтетические масла( Fully Synthetic, Voll Synthetic, 100 % synthetic), получаемые путем химических реакций, направленных на образование однотипных молекул органических веществ с заданными свойствами, в качестве которых выступают полиальфаолефины (ПАО), алкилбензолы или эфиры (эстеры).
...
Полиальфаолефины (ПАО) – углеводороды с длиной цепочки порядка 10…12 атомов, получаемые путем полимеризации коротких углеводородных цепочек – мономеров из 3…5 атомов. Служат основой для производства синтетических моторных масел.
Для производства ПАО обычно используются бензиновые молекулы или нефтяные газы – бутилен и этилен, из которых путем полимеризации (химического составления) получают короткие углеводородные цепочки – мономеры из 3…5 атомов. К достоинствам ПАО относятся: низкая температура застывания (до —60 оС), невысокая восприимчивость к перепадам температур, низкая испаряемость и окисление. В то же время стоимость такой основы моторного масла в 4,5 раза выше обычной минеральной.
...
Эстеры (греч. a ither – эфир) – сложные эфиры, получаемые нейтрализацией спиртами карбоновых кислот рапсового масла, смолы хвойных деревьев и кокосовой копры. Применяются в качестве присадок к моторным маслам. Молекулы эстеров обладают электрическим зарядом (полярны), притягивающим их к поверхности трения в зоне контакта.
Электрический заряд так распределен в молекулах эстеров, что полярная молекула притягивается к металлу одним концом, образуя плотный молекулярный ворс. Исходная вязкость эстеров задается еще на этапе производства основы, так как чем более тяжелые используются спирты, тем выше получается вязкость масляной основы. При этом можно вообще отказаться от загущающих присадок, которые в процессе работы двигателя постепенно «выгорают», приводя к окислению («старению») масла. В настоящее время существуют технологии изготовления полностью биологически разлагаемых масел (биомасел) на основе эстеров.
...
Кинематическая вязкость– основной показатель смазочных масел, показывает зависимость между динамической вязкостью и плотностью жидкости. Ее определяют в капиллярных вискозиметрах путем измерения времени протекания известного объема жидкости через небольшое калиброванное отверстие при заданной температуре. Единицы измерения кинематической вязкости – мм2/с или сантистоксы (сСт).




























