Текст книги "Занимательная электроника. Нешаблонная энциклопедия полезных схем"
Автор книги: Андрей Кашкаров
Жанры:
Хобби и ремесла
,сообщить о нарушении
Текущая страница: 7 (всего у книги 12 страниц) [доступный отрывок для чтения: 5 страниц]
1.11. Оригинальный и простой антенный усилитель
В условиях удаленности телеприемников от передающих центров для улучшения качества приема можно использовать антенный усилитель, схема которого представлена далее. Оригинальность этой схемы в том, что по простоте изготовления (при прочих равных условиях эффективности) он не уступает промышленным образцам антенных усилителей стоимостью в несколько сотен рублей.
Устройство апробировано и показало высокую эффективность в Вологодской области (удаление от передающего телецентра 220 км) в 2013 году. Этот усилитель хорошо зарекомендовал себя при слабом аналоговом телевизионном сигнале – при приеме на МВ антенну «волновой канал», установленную в сельском доме на шесте (высота от земли 12 м, от поверхности крыши – 2,7 м).
На рисунке 1.57 представлена электрическая схема антенного предварительного усилителя сигналов высокой частоты (ВЧ), реализованная всего на одном транзисторе, заметно улучшающая качество телевизионного приема в удаленной (сельской) местности.

Рис. 1.57. Электрическая схема антенного усилителя
На рисунке 1.58 представлена схема подключения к входным и выходным высокочастотным электрическая цепям (к антенне и ТВ).

Рис. 1.58. Схема подключения к антенне и телеприемнику
Усилитель не требует настойки и дефицитных радиодеталей, прост в изготовлении и применении. Работает со всеми типами телевизионных приемников. Питается от стабилизированного напряжения в диапазоне 5.5–9 В с высоким уровнем фильтрации помех по низкой частоте, которое можно получить непосредственно от ИП телевизора (можно и автономно).
Рекомендую стремиться к минимальной длине кабеля связи от ТВ-приемника до антенного усилителя. Кабель – обычный радиочастотный (коаксиальный, типа РК-75) с волновым сопротивлением 75–80 Ом.
На практике установлено, что максимальная длина его (без ущерба для качества сигнала) может доходить до 25 м. О деталях разговор особый.
1.11.1. О деталяхВсе конденсаторы, показанные на схеме – дисковые. Номиналы емкостей указаны в пикофарадах.
Основные параметры сверхвысокочастотного p-n-p биполярного транзистора MPSH10 представлены ниже. Максимальная частота на которой он уверенно работате выбрана «с запасом» и составляет 650 МГц.
Прямой замены ему я не нашел. Полагаю, что заменять транзистор VT1 можно, в крайнем случае транзисторами 2SC2026, BF200, ECG69, 2SC1393; все они обратной проводимости n-p-n, поэтому при такой замене-не следует предусмотреть изменения в электрической схеме – включить наоборот источник питания или поменять местами коллектор и эмиттер.
О выборе индуктивности. В качестве катушки L1 я применил высокочастотную индуктивность в SMD исполнении – для поверхностного монтажа. Она выполняет роль отсекающего фильтра. В качестве L1 в схеме применена индуктивность CS0805-15NK-N. Возможна замена L1 на другую – из высокочастотной серии LQW18A…00/ LQW18A…10 – типоразмера 0603 по стандарту EIA или серии LQG15HN типоразмера 0402 или на Viking WL08GT15N
Чип-индуктивность L1 можно заменить и другими исходя из следующих условий.
A. Конструкция, структура:
• G – монолитные без сердечника;
• H – проволочные, мотаные с ферритовым сердечником;
• M – монолитные с ферритовым сердечником;
• P – тонкопленочные;
• W – проволочные, мотаные без сердечника.
Б. Типоразмер:
• 03 – 0201;
– 15 – 0402;
• 18 – 0603;
• 21 – 0805 (2.0x1.25 мм);
• 2B– 0805 (2.0x1.5 мм);
• 31 – 1206;
• 32 – 1210;
• 3K – 1212;
• 43 – 1812;
• 55 – 2220;
• 66 – 2525.
B. Характеристика, назначение:
• LQG: H – монолитные без сердечника;
• LQM: N – для колебательного контура;
• D – дроссельные катушки для слаботочных источников постоянного тока;
• F – дроссельные катушки для источников постоянного тока;
• LQP: M – тонкопленочные;
• LQW: A – высокодобротные (UHF – SHF);
• H – высокодобротные (VHF – UHF);
• LQH: N – для колебательного контура;
• M – для колебательного контура;
• D – дроссельные катушки;
• C – дроссельные катушки с покрытием;
• S – дроссельные катушки экранированные;
• H – для высокочастотных колебательных контуров.
Г. Специальное обозначение: N – стандартный тип.
Рабочая температура, при которой антенный усилитель работает хорошо, зависит от параметров каждого элемента, особенно индуктивности и конденсаторов.
Элементы устройства монтируются на плате размерами 20x10 мм методом пайки выводов к изолированным площадкам (секторам) на плате.
1.11.2. Об экранировании корпуса антенного усилителяДлину выводов радиоэлементов (во избежание помех) необходимо сократить до минимума. Плата с радиоэлементами крепится в экранированном корпусе.
Такой корпус под размер платы нетрудно изготовить самостоятельно с помощью фольгированного стеклотекстолита: отдельные части (стенки корпуса под соответствующий размер) корпуса вырезаются из листа стеклотекстолита и припаиваются швом внутренней пайки друг к другу, кроме крышки, образуя замкнутый короб. Корпус получившейся конструкции соединяют с общим проводом (экранируют). Применять в этой схеме какие-либо разъемные соединения нежелательно.
Провода питания и коаксиальный кабель монтируются к плате методом пайки и выводятся через отверстие в корпусе устройства.
Все это необходимо для максимально возможной защиты от помех и наводок, создаваемых другими электронными устройствами, работающими на ВЧ передачи сигналов (к примеру, радиотелефоны), а также для защиты от сетевых наводок (по низкой частоте).
Придет время, и аналоговое телевидение повсеместно сменится цифровым, но пока такие усилители помогают решать проблемы слабого сигнала в сельской местности, и повторить их совсем не трудно.
Глава 2
Устройства на микросхемах
Для изготовления устройств на микросхемах кроме паяльника потребуются простые приборы для настройки и контроля работы схем: тестер и желательно осциллограф.
2.1. Как с помощью микросхемы КР1006ВИ1 можно сделать несколько полезных конструкций
2.1.1. Как сделать необычным управление «обычным» таймером на микросхеме КР1006ВИ1С появлением мигающих светодиодов в радиотехнике произошла микрореволюция. Применение мигающих светодиодов – сегодня уже достаточно распространенное явление, и, пожалуй, разве что ленивый не знает о них. Такие приборы (по внешнему виду они ничем не отличаются от «старого доброго» АЛ307 в пластмассовом корпусе) можно применять не только по прямому назначению – в виде светового прерывистого индикатора, но и иначе, к примеру, в качестве датчика – прерывателя сигналов звуковой частоты.
В устройствах световой и звуковой индикации однотонный звук часто утомляет и свидетельствует о скудости мысли автора и анахронизме электронного устройства, а между тем изменить ситуацию к лучшему несложно и под силу даже специалисту с небольшим опытом монтажа электронных элементов, тем более большой группе читателей журнала «Современная электроника» – признанным специалистам, которые в данном случае становятся почти самостоятельными «дирижерами» оркестра личной звуковой сигнализации. Давайте совместно разберем несколько проверенных на практике примеров.
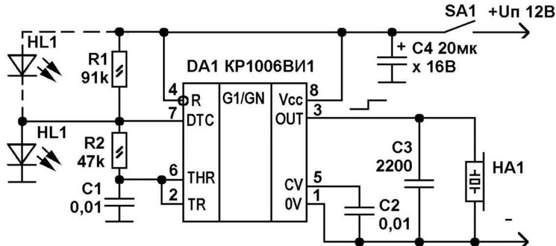
Вариативность практических экспериментов с прерыванием генерации на КР1006ВИ1. Интегральная микросхема КР1006ВИ1 часто используется в радиолюбительских конструкциях для генерации импульсов звуковой частоты с высоким содержанием гармоник. Такой генератор, реализованный по классической, многократно описанной в литературе схеме, вырабатывает импульсы, близкие к прямоугольной форме.
Выходная частота импульсов генератора равна примерно 1200 Гц и зависит от элементов времязадающей цепи – сопротивления постоянных резисторов R1, R2 и емкости конденсатора С1.
Частоту генератора можно менять, увеличивая и уменьшая значения данных элементов. Такой относительно простой генератор практически годится для широкого круга всевозможных новаторских и экспериментальных решений, к примеру, для звуковой сигнализации того или иного технического процесса, осуществляемого (контролируемого) электронным устройством. Мощный выход микросхемы КР1006ВИ1 позволяет подключать нагрузку с током потребления до 250 мА. Амплитуда сигнала на выходе генератора 2/3 UH.
На рисунке 2.1 показана простая базовая схема включения генератора с обозначениями пунктиром некоторых новаторских решений. Рассмотрим ее работу.

Рис. 1.1. Электрическая схема включения КР1006ВИ1
В качестве излучающего элемента HA1 применен пьезоэлектрический капсюль ЗП-3. В таком виде узел представляет собой звуковой сигнализатор однотонального сигнала, который приводится в действие, если замкнуть контакты включателя SF1.
Для усиления громкости звука можно не дополнять схему усилителем; достаточно просто подключить динамическую головку мощностью 1–3 Вт (например, 3ГД-38, как показано внизу рис. 2.1) с сопротивлением катушки не менее 8 Ом между общим проводом и выводом 3 микросхемы DA1. Громкость звука усилится в 2–3 раза.
Подключение производится через разделительный оксидный конденсатор С4 емкостью 10–50 мкФ на рабочее напряжение более 16 В. Это необходимо для того, чтобы на работу микросхемы не влиял посторонний ток от других сопряженных устройств, в данном случае чтобы постоянная составляющая постоянного напряжения не воздействовала на катушку динамической головки.
Конденсатор С3, взаимодействуя с пьезоэлектрическим капсюлем HA1, способствует получению более приятного на слух звука. Громкость звучания пьезоэлектрического капсюля можно повысить и другим путем – сочетанием (приближением) выходной частоты генератора импульсов с резонансной частотой пьезоэлектрического капсюля HA1, но это тема для отдельной статьи. В формате же нашего небольшого экспериментального исследования продолжим знакомство с реакцией микросхемы КР1006ВИ1 на различные варианты включения светодиодов в ее цепях.
О деталях схемы, представленной на рисунке 2.1: постоянные резисторы типа МЛТ-0,25 или любые другие малой мощности. Конденсаторы типа КМ-6 или аналогичные, с группой ТКЕ H90. Напряжение питания устройства в диапазоне 5-15 В. Ток потребления (базовой схемы с пьезоэлектрическим излучателем) 8 мА. Вместо микросхемы КР1006ВИ1 (в базовом исполнении представляет собой интегрированную схему на биполярных транзисторах) можно применять зарубежные аналоги таймеров 555, ICL555, ICLM7555. В последнем случае ток потребления еще более сократится, так как исполнение микросхемы будет реализовано на полевых МОП-транзисторах.
Генератор в таком виде работает в постоянном режиме и излучает однотональный сигнал. Небольшая доработка узла позволяет расширить возможности базовой схемы и получить различные необычные звуковые эффекты, которые привлекут внимание эффективнее, нежели однотонный звук.
Доработка заключается во введении в электрическую схему мигающего светодиода. Применение мигающего светодиода незначительно усложняет схему, однако я считаю это весьма эффективным вариантом, так как из базового генератора удалось сделать генератор прерывистого и мультитонального сигнала.
Есть несколько вариантов подключения мигающего светодиода, каждый из которых подробно рассмотрен ниже.
В качестве мигающего светодиода использовался прибор L517hD-F (сила свечения – 7,5 мкД, номинальное постоянное напряжение – 3 В, диаметр излучающей головки – 5 мм).
В качестве HL1 можно также применять мигающие светодиоды L-816BRSC-B, L-769BGR, L-56DGD, TLBR-5410, L-36BSRD, L-297-F и аналогичные по электрическим характеристикам.
Вариант 1. Включение мигающего светодиода параллельно конденсатору С2. Электрическая схема представлена на рисунке 2.2.

Рис. 2.2. Электрическая схема включения мигающего светодиода параллельно конденсатору С2
В данном случае вход управления положительным импульсом микросхемы КР1006ВИ1 шунтируется светодиодом на общий провод. Во время активного свечения HL1 частота звукового сигнала минимальна.
Это интересно! Получается интересный звуковой эффект – трехтональная сирена с равной длительностью импульсов каждого тона. Форма импульсов на выходе генератора (вывод 3) прямоугольная со сдвигом частоты на 200–250 Гц через каждые 0,3 с (это наглядно иллюстрирует рис. 2.3).

Рис. 2.3. Форма импульсов генератора с разным напряжением Un
График зависимости частоты от питающего напряжения таков, что при понижении питающего напряжения с мигающим светодиодом L517hD-F отечественного светодиода АЛ307БМ до 3,5 В (и увеличении Un свыше 15,5 В) генерация срывается.
При стабилизированном Un= 5 В на выходе микросхемы фиксируется однотональный прерывистый сигнал с частотой около 1050 Гц (см. график на рисунке 2.4).

Рис. 2.4. Иллюстрация зависимости частоты от питающего напряжения
Если конденсатор С2 исключить из схемы, незначительно уменьшается частота импульсов генератора.
Следующим шагом было подключение последовательно (в прямом направлении) с мигающим светодиодом L517hD-F отечественного светодиода АЛ307БМ (рис. 2.5).

Рис. 2.5. Подключение последовательно (в прямом направлении)
Получился удивительный эффект, напоминающий (на слух) хаотичную беспорядочную «морзянку». При понижении Un с 12 до 5,5 В генерация срывается; то же происходит и при превышении Un свыше 15,5 В.
При подключении светодиода АЛ307БМ последовательно с мигающим, но в обратном направлении обнаружился тот же эффект, что и вообще без светодиода АЛ307БМ.
Вариант 2. Шунтирование вывода 7 микросхемы DA1 на общий провод.
Форма импульсов на выходе генератора приближена к прямоугольной. Частота выходного сигнала 2225 Гц. На слух звук напоминает потрескивание электрических разрядов.

Рис. 2.6. График зависимости выходного сигнала от питающего напряжения в варианте 2
На графике зависимости сигнала от питающего напряжения (рис. 2.6) наглядно видно, что при понижении Un ниже 10 В появляется стабильная генерация импульсов частотой от 500 до 800 Гц с периодом следования (прерыванием) частотой примерно 2 Гц (рис. 2.7).

Рис. 2.7. Стабильная генерация импульсов частотой от 500 до 800 Гц с периодом следования (прерыванием) частотой примерно 2 Гц
Вариант 3. Подключение мигающего светодиода к объединенным входам 2 и 6 микросхемы DA1 и положительному полюсу источника питания (см. рис. 2.8).

Рис. 2.8. Электрическая схема подключения мигающего светодиода к объединенным входам 2 и 6 микросхемы DA1 и положительному полюсу источника питания
На подключенном к выходу генератора осциллографе (при Un=12 В) наблюдаются пачки импульсов, состоящие из двух прямоугольников (рис. 2.9).


Рис. 2.9. Вид, форма импульсов и график зависимости выходного сигнала от питающего напряжения при различных подключениях
На слух работа генератора воспринимается как звук медицинского аппарата, контролирующего работу человеческого сердца (звуки «пик-пик» в момент прохождения пульса). Светодиод не светится. Он начинает слабо вспыхивать, только если последовательно с ним включить ограничительный резистор сопротивлением 330 Ом, что на работу генератора не влияет.
При уменьшении Un до 5 В фиксируется прерывистый звуковой сигнал с базовой частотой генератора 800 Гц. При уменьшении Un до 3,5 В пьезоэлектрический капсюль HA1 излучает однотональный сигнал соответствующей (напряжению питания) амплитуды и частотой, примерно равной 600 Гц.
Интересно, что справочные (известные в открытых источниках) данные микросхемы КР1006ВИ1 показывают, что она стабильно работает в интервале постоянного питающего напряжения 4,5-16 В, однако приведенный выше пример позволяет использовать схему генератора с мигающим светодиодом и (в том числе) с пониженным, относительно номинального, напряжением питания микросхемы.
Вариант 4. Шунтирование входа 7 микросхемы DA1 светодиодом на положительный полюс источника питания.
Светодиод HL1 мигает с частотой примерно 2 Гц. На выходе генератора фиксируется двухтональный звук, напоминающий на слух сирену пожарной машины.
В момент зажигания светодиода HL1 базовая частота генератора увеличивается примерно вдвое. Этот эксперимент иллюстрирует рисунок 2.10.


Рис. 2.10. Иллюстрация увеличения частоты сигнала в эксперименте по варианту 4
При увеличении питающего напряжения свыше 12 В характер чередования сигнала не меняется, но изменяется сама граница частоты. Так, при Un=15 В верхний предел частоты уже не 1200 Гц, а более 1500. При увеличении питающего напряжения свыше 16 В генерация срывается.
Вариант 5. Мигающий светодиод L517hD-F заменяется на фоторезистор СФ3-3 и подключается, как и в варианте 3, к 6-му выводу микросхемы DA1. Другим выводом фоторезистор подключается поочередно (варианты): «А» – к отрицательному и «Б» – к положительному полюсу источника питания (при Un=12 В).
Это подключение иллюстрирует рисунок 2.11.
Результат следующий: при затемнении фоторезистора в варианте «А» пьезоэлектрический капсюль НА1 воспроизводит колебания звуковой частоты около 1000 Гц. При освещении рабочей поверхности фоторезистора генерация отсутствует.
В варианте «Б» результат аналогичный. Необходимо только отметить, что в этом случае чувствительность устройства к освещенности в несколько раз лучше.

Рис. 2.11. Подключение с помощью фоторезисторов
При уменьшении напряжения питания до +5 В все повторяется, с той лишь разницей, что громкость звукового сигнала и амплитуда импульсов соответственно ниже, а частота выходного (воспроизводимого) сигнала находится в районе 500–600 Гц.
На основе рассмотренного эффекта можно создать немало удивительных приборов наподобие незаслуженно забытого «терменвокса», где звуковое сопровождение изменялось в зависимости от емкости вокруг антенн.
Рассмотренное в варианте 5 устройство может изменять громкость и частотную палитру звука в зависимости от светового потока на рабочей поверхности фоторезистора, который (поток) можно соответственно затемнять или усиливать манипуляциями рук вокруг фоторезистора.
Напряжение питания 12 В при проведении эксперимента обеспечивалось стабилизированным источником питания.
Вариантов применения устройства прерывистой и трехтональной (вариант 1) сигнализации очень много, и они ограничиваются только творческими замыслами радиолюбителя.
Такие электронные схемы можно применять в качестве сигнализатора открывания дверцы старого холодильника (новые таким функционалом снабжены). Или опять же, к примеру, повышения контролируемой температуры; в любом случае конструкция будет отличаться мягким, необычным звучанием, достаточной для восприятия в одном помещении громкостью и простотой повторения (необходимо соответственно случаю добавить мигающий светодиод к стандартной схеме таймера КР1006ВИ1).
Конкурировать по простоте и себестоимости с описанным вариантом могут зуммеры, изготовленные на производстве, рассчитанные на широкий спектр постоянного напряжения, например FMQ-2724, или аналогичные электронные устройства, построенные, к примеру, на микросхеме КР1436АП1 с прерывистой регулируемой генерацией.
Включение мигающего светодиода в цепь управления генерацией микросхемы КР1006ВИ1 существенно расширяет возможности и этого электронного узла, который, на первый взгляд, кажется «затертым», доисторическим и бесперспективным. На мой взгляд, светодиод дает этой классической электронной схеме на КР1006ВИ1 новую жизнь и возможную популярность среди радиолюбителей.
2.2. Устройство дистанционного управления электролампами
Популярная микросхема КР1006ВИ1 многофункциональна, может работать в электрических схемах в качестве таймера, триггера, генератора импульсов; ее выходной каскад позволяет подключать нагрузку до 200 мА.
Предлагаю дистанционный вариант управления посредством этой замечательной микросхемы, о которой ходят легенды.
На электрической схеме, представленной на рисунке 2.12, показана «защелка», коммутирующая цепь нагрузки посредством маломощного реле К1.

Рис. 1.12. Электрическая схема устройства
Отличительная особенность схемы в дистанционном управлении триггером: для это необходимо только два провода (их общая длина может достигать нескольких метров) – «общий» и идущий к объединенным входам (выводы 2 (триггерный) и 6 (пороговый) микросхемы D1). Относительно большая длина проводов допускается за счет хорошей помехоустойчивости данной микросхемы.
Половина напряжения источника питания через резистор R1 подается в точку соединения триггерного и порогового входов. При таком оригинальном схемном решении КР1006ВИ1 работает как ячейка памяти с запоминанием состояния.
Цепочка из элементов R3C2, соединенная с входом сброса многофункционального таймера D1 (вывод 4), устанавливает схему в состояние выключения и готовности к приему управляющих сигналов при первоначальной подаче питания.
Особенность приведенной схемы такова, что если на входе управления (выводы 2 и 6) установится низкий уровень напряжения, то на выходе (вывод 3 D1) будет высокий уровень, и наоборот: высокий уровень на входе приведет к низкому уровню напряжения на выходе. Для дистанционного управления триггером устанавливается резистор R2, таким образом дополняя схему делителя напряжения.
При замыкании контактов кнопки S1 «вкл» триггер перебрасывается в другое устойчивое состояние – включает нагрузку. При разомкнутых контактах S1 нагрузка отключается.
Индикатор на светодиоде VD1 горит, когда разгрузочный выход (вывод 7) D1 пропускает сигнал, при этом на выводе 3 устанавливается высокий уровень напряжения, ключевой транзистор VT1 (включенный по схеме усилителя тока) открывается и включает реле.
Реле может коммутировать низковольтную нагрузку.
Однако если вместо РЭС15 применить другое реле, рассчитанное на коммутацию нагрузки в электрической сети 220 В переменного тока, к примеру Pasi или Omron на 12 В, то можно управлять лампами люстры или дистанционным включением/отключением других бытовых приборов с током потребления до 3 А.
Напряжение питания устройства, собранного по приведенной схеме, при котором оно работает устойчиво, – 11–15 В.
Схема явилась основой для разработки схемы дистанционного управления по двум проводам (рис. 2.13).
На микросхеме КР1006ВИ1 реализован генератор прямоугольных импульсов (по форме, напоминающей меандр). На выходе популярная микросхема-таймер (вывод 3 D1) выдает импульсы высокой стабильности с частотой 0,8 Гц.
Резистор R1 обеспечивает обратную связь выхода таймера с входом запуска, превращая схему в стабильный мультивибратор. Для термостабилизации частоты желательно в качестве С1 применять конденсатор с малым током утечки, к примеру К53-20 или TESLA.
Переключатель S1 показан на схеме символично. Он позволяет наглядно пояснить возможность управления мультивибратором, воздействуя на вход сброса (вывод 4 D1). Если схема используется в качестве неуправляемого генератора, то вывод 4 D1 соединяется с положительным полюсом источника питания. Тогда схема начинает работать сразу после подачи питания.
Если необходимо предусмотреть управление работой схемы, то вывод 4 оставляется свободным (находится в высокоимпедансном состоянии) – генератор выдает импульсы, когда на вывод 4 (вход сброса) подать низкий логический уровень – генератор затыкается (на выводе 3 окажется низкий логический уровень).
Отличительная особенность схемы (например, от аналогичных генераторов на МОП-микросхемах К561 серии) – в линейной зависимости частоты от U и возможности адаптировать относительно мощный выход КР1006ВИ1 к многовходовым микросхемам ТТЛ, ЭСЛ или КМОП-уровней.

Рис. 1.13. Электрическая схема базового блока
Изменением значений элементов времязадающей цепочки R1C1 можно добиться коррекции выходной частоты и при повышенном (относительно рекомендуемой на рис. 2.13) напряжении питания. Практикой установлено, что при повышении напряжения питания схемы от 4,5 до 15 В (диапазон стабильной работоспособности КР1006ВИ1) частота выходных импульсов будет незначительно изменяться в сторону увеличения.







