Текст книги "Грузовые автомобили. Тормоза"
Автор книги: Wim Van Drongelen
Жанр:
Автомобили и ПДД
сообщить о нарушении
Текущая страница: 2 (всего у книги 2 страниц)
Основные неисправности тормозов
К основным неисправностям тормозов относят:
– недостаточное и неодновременное торможение колес;
– заедание тормозов;
– нарушение герметичности;
– плохое растормаживание или заклинивание тормозных механизмов;
Неэффективное действие тормоза исключает возможность своевременной остановки автомобиля при обычных условиях движения, а при сложной обстановки приводит к дорожно-транспортным происшествиям.
Недостаточное или неодновременное торможение колес может происходить из-за износа тормозных барабанов, неправильной регулировки, неисправности тормозного привода, замасливания тормозных колодок и тормозных барабанов. В ручном тормозе могут, кроме того, вытягиваться гибкие тросы.
Недостаточное торможение часто бывает причиной невозможности своевременной остановки автомобиля при появлении опасности, а неодновременное торможение вызывает занос автомобиля на скользкой дороге.
Заклинивание тормозов может быть из-за: поломки стяжных пружин или обрыва накладок тормозных колодок, заедание валиков разжимных кулаков и привода, неисправность тормозных кранов. Заедание тормозов возникает вследствие попадания грязи между тормозными барабанами и колодками, в случае обрыва и слабого действия пружин тормозных колодок, срыва накладок тормозных колодок, примерзания зимой накладок к тормозным барабанам (если между ними находились вода или снег), засорения компенсационного отверстия главного цилиндра или перекрытия его поршнем в расторможенном состоянии.
Нарушение герметичности трубопроводов вызывает утечку тормозной жидкости или воздуха (пневматический привод). При попадании в систему гидравлического привода воздуха тормозная педаль пружинит и для торможения требуется повторное ее нажатие.
Все эти неисправности влияют на безопасность движения и должны быть устранены до начала пользования автомобилем.
Уход за тормозами
Перед тем как провести техническое обслуживание тормозов, нужно произвести очистку теплой водой , после чего можно высушить сжатым воздухом.
Крайне не рекомендуется применять для очистки такие средства как: растворитель, дизельное топливо или бензин, что чревато сказывается на состоянии резиновых деталей системы.
Ежедневно осматривать трубопроводы и соединения тормозного привода, чтобы убедиться в его герметичности, и в проверке действий обоих тормозов. Ежедневно производить слив конденсата из воздушных баллонов.
При техническом обслуживании (ТО-1) проверяют:
– величину свободного и рабочего ходов тормозной педали и, если надо, регулируют свободный ход педели и зазор между колодками и барабаном;
– состояние и действие привода тормозного крана;
– исправность привода и действие моторного и ручного тормоза (при необходимости регулируют);
– все резьбовые соединения тормозной системы;
– уровень жидкости в главном тормозном цилиндре.
При техническом обслуживании (ТО-2) контролируют:
– крепление главного тормозного цилиндра;
– крепление и состояние колодок (при снятых тормозных барабанах), накладок, пружин и осей колодок, опорных тормозных дисков;
– крепление тормозного крана;
– крепление воздушных баллонов;
– крепление опор разжимных кулаков;
– проводят регулировку тормозного привода и колесных тормозных механизмов.
Сезонное обслуживание системы тормозов:
– снятие и передача в агрегатный участок тормозных кранов для проверки и регулировки;
– отсоединение головки компрессора, очистка поршней, клапанов, седел клапанов, воздушных клапанов;
– проверка герметичности клапанов;
– один раз в год проверка воздушных баллонов на герметичность;
– проверка состояния диафрагм камер;
– промывка антифризного насоса и влагопоглотителя;
– каждые два года проверять функционирование регулятора давления, работоспособность стояночного тормоза;
– замена тормозной жидкости через 50 000 – 60 000 километров пробега.
Трубопроводы тормозной системы запрещается очищать металлической щеткой или другими абразивными материалами. При осмотре заменить резиновые трубки с наличием трещин или микротрещин.
Ремонт тормозной системы
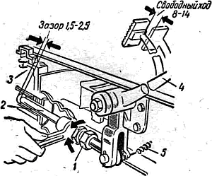
Регулировка свободного хода тормозной педали автомобиля ГАЗ – 53А.
Свободный ход должен быть в пределах 8 – 14 мм, чему соответствует зазор между штоком и поршнем главного тормозного цилиндра, равный 1,5 – 2,5 мм. Если эти размеры нарушены, то регулируют в таком порядке

Рис. Регулировка свободного хода педали гидравлического привода тормозов. 1 – контргайка штока толкателя, 2 – толкатель, 3 – главный тормозной цилиндр, 4 – педаль, 5 – пружина.
Отвертывают контргайку1 штока и вращая шток, устанавливают величину свободного хода педали. Свободный ход тормозной педали измеряют линейкой так же, как и свободный ход педали сцепления.
Регулировка пневматического привода тормозов. Сводится к установке педали в исходное положение, под углом 45 – 50 градусов к полу. Для этого изменяется длина тяги. Момент включения тормозных кранов, обеспечивается регулировкой тяг, а также регулировочными винтами. После регулировки необходимо затянуть контргайки и проверить наличие шплинтов на колпачках.
Регулировка зазора между тормозными колодками и барабаном. Уменьшают зазор между колодками и тормозным барабаном, увеличившийся вследствие их износа при помощи регулировочных эксцентриков, а при замене тормозных колодок также и при помощи эксцентричных опорных пальцев. Зазор, проверяемый щупом, между колодкой и тормозным барабаном должен быть в нижней части колодки 0.12 мм, в верхней части 0,25 мм.
Если колодки изношены то их заменяют на новые, а затем притачивают, если они замаслились их лучше всего протереть чистой тряпкой смоченной в бензине и отчистить от грязи.
При заклинивании тяг, их нужно протереть. При поломке стяжных пружин – заменить, обрыв тормозных накладок – заменить.
Прокачка тормозов .Ухудшение действия тормозов можно определить по степени жесткости нажатия на тормозную педаль . Если нажатие стало мягким а эффективность тормозов уменьшилось – это первый признак наличия воздуха в тормозной системе. Прокачку тормозов нужно проводить вдвоем. Один человек будет находится в салоне автомобиля и нажимать педель тормоза. Прокачку тормозов начинают от колеса, которое находится на самом большом расстоянии от главного тормозного цилиндра:
– заднее правое колесо;
– заднее левое колесо;
– переднее правое;
– переднее левое.
Перед прокачкой очистить от грязи штуцера тормозных цилиндров , снять с них резиновые колпачки. Долить тормозной жидкости в бачек главного тормозного цилиндра. Затем вывинчивают пробку перепускного клапана 2 тормозного цилиндра 1 колеса и вместо нее ввертывают штуцер с тонким резиновым шлангом длиной 400-500 мм. Свободный конец шланга опускают в стеклянную баночку с тормозной жидкостью. Прокачивают систему два человека. Один осторожно отвинчивает на пол – оборота перепускной клапан 2, а другой резко нажимает и медленно отпускает тормозную педаль. Тормозная жидкость вытекает через шланг в банку, а вместе с ней выходит воздух, попавший в систему, что хорошо видно по пузырькам в тормозной жидкости. «Жидкостной затвор» препятствует засасыванию воздуха в систему при обратном ходе педали. Прокачивают до тех пор, пока не прекратится выделение пузырьков воздуха.

Рис. Удаление воздуха из гидравлического привода тормозов. 1 – рабочий цилиндр колеса, 2 – перепускной клапан.
После прекращения выхода из шланга пузырьков воздуха следует, нажимая тормозную педаль, завернуть до отказа перепускной клапан. Затем вывинчивают штуцер с резиновым шлангом и вместо него ставят на место пробку. Прокачивают систему последовательно. Если у колеса два тормозных цилиндра, вначале прокачивают нижний, а затем верхний.
При прокачивании надо доливать тормозную жидкость в главный тормозной цилиндр, чтобы уровень не оказался ниже 2/3 и воздух не попал в систему. Окончив прокачивать, в систему доливают тормозную жидкость до нормы.









