Текст книги "Общая теория роста человечества"
Автор книги: Сергей Капица
сообщить о нарушении
Текущая страница: 2 (всего у книги 15 страниц)
1.3 От качественного к количественному анализу
Количественный подход оказалось возможным реализовать обратившись к представлению об истории человечества, как о процессе развития системы. В последние десятилетия системный подход получил большое распространение в ряде дисциплин. Первоначально он был развит в физике для описания поведения систем, состоящих из многих взаимодействующих частиц. Затем эти методы перенесли в химию и биологию, а потом применили для описания экономики и социальных явлений.
Препятствием для привлечения таких методов к изучению человечества служило отсутствие четких представлений о том, что собственно измерять числом? В истории наиболее точно прослеживаются даты, что достигается сопоставлением датировок, полученных разными путями. Привлекаются и физические методы, основанные на явлениях радиоактивности и изотопного анализа, ставшие важными вспомогательными инструментальными средствами исторической науки для объективного установления хронологии на всем протяжении развития человечества. Но, при этом возникает вопрос, какую величину мы поставим в зависимость от времени?
Состояние человечества и человека выражается бесчисленным множеством параметров. Некоторые из них качественные, например, пол, другие – количественные, как возраст. Состояние промышленного производства выражается ассортиментом продукции и числом произведенных машин. В экономических расчетах вводят обобщенные показатели, например, тонны зерна или киловатт-часы электроэнергии. Для исследования развития и планирования будущего важно сопоставлять те или иные величины, выражая их в одинаковых единицах.
Уже в математической экономике возникают принципиальные трудности в количественном сравнении таких разнородных понятий, как труд и рента, сырье и информация. Если одномоментное определение цены при наличии рынка и возможно, то в разновременном сравнении возникают непреодолимые трудности. Действительно, как в долларах выразить 30 серебренников? Какова цена информации, которой они отвечали? Какие выводы о движении капитала в Восточных провинциях Римской империи 2000 лет тому назад можно сделать? Решение таких вопросов связано с определением универсальных мер состояния общества, того, что в физике называют инвариантными единицами. Наш анализ должен объять все развитие человечества за все времена, и здесь ключевая роль принадлежит выбору параметра, определяющего состояние человечества.
Должен ли это быть один главный параметр, или это должен быть набор равнозначных параметров, таких как народонаселение, его этническое и сословное распределение по доходам и месту жительства, которые в своей совокупности определяют состояние системы? Так, в физике состояние жидкости или твердого тела всецело характеризуется их температурой, но для газа надо знать любую пару из трех величин – температура, давление и плотность – для того, чтобы определить, в каком состоянии находится вещество, состав которого также может меняться.
В случае населения есть один параметр, который универсален и единственным образом описывает состояние человечества – его численность. Это оказалось решающим для всего анализа роста числа людей и количественного описания развития человечества. Но сама по себе эта возможность, несмотря на свою очевидность, далеко не тривиальна. Поэтому выяснение причин, по которым это допустимо и пределов применимости такого подхода потребует разностороннего обсуждения.
Численность населения человечества, как и время, применима ко всем эпохам. Она имеет ясный количественный смысл, и в жизни мы обращаемся к нему на всех уровнях. Когда вы знакомитесь, одним из первых вопросов часто бывает:
– А сколько у вас детей? Братьев или сестер, внуков, в зависимости, естественно, от пола и возраста собеседника. Прибыв в другой город, вы интересуетесь тем, сколько в нем жителей. На дорогах Америки, под дорожным знаком с названием населенного пункта, вам постоянно сообщают, сколько здесь живет людей. Собравшись в незнакомую страну, вы в первую очередь узнаете, каково ее население. Такие данные сразу дают представление о человеке или городе и стране, после чего можно уже перейти к более подробному выяснению всех обстоятельств встречи. Наконец, представим себе инопланетянина, впервые прилетевшего на Землю, его первым вопросом, несомненно, будет:
– А сколько здесь человек?
С раннего детства я помню, что тогда в мире жило 2 млрд человек, а сейчас нас 6 млрд. Тем самым моя жизнь протекала в период самого крутого роста численности населения планеты.
Однако на численность населения в историческом прошлом мы редко обращаем внимание. В 1700 г. число жителей на Земле было в 10 раз меньше, чем сегодня, но сколько людей жило в России в начале XVIII в. (10 млн, см. рис. 10.1), вам вряд ли кто с ходу ответит, тогда как годы царствования Петра~I знают все.
Приведенные цифры показывают, насколько неравномерен рост численности населения планеты. Если с начала XVIII в. за 300 лет население увеличилось всего в 10 раз, то за последние 70 лет произошло его утроение. Так, в ускорении скорости роста выражена динамика всего развития человечества в последний период мировой истории.
Таблица 1.1 Динамика населения мира. (ООН, 1997 г.)

Именно численность населения единственным образом выражает состояние человечества в любой момент со времени его появления. Она в равной мере применима и в нижнем палеолите, и сегодня, и в обозримом будущем. Мы увидим, что как раз численность населения мира выражает суммарный результат всей экономической, социальной и культурной деятельности, составляющей историю человечества. Все остальное, что характеризует людей, – расовый и национальный состав, плотность распределения по Земле, концентрация в городах, развитие производительных сил и наличие ресурсов, распределение доходов, состояние культуры и образования, множество других характеристик, которые изучаются в истории и антропологии, экономике и социологии – приводит к развитию и подчинено главной переменной – общей численности населения планеты. Однако принятие этого положения требует не только обобщения традиционного подхода демографии, опирающегося на конкретные социальные и эконономические механизмы, но и поиска других путей в интерпретации полученных результатов.
Данные демографии в явной количественной форме описывают процесс развития человечества (табл 1.1). Эти сведения представляют универсальный ключ к пониманию прошлого и настоящего, на этой основе следует искать ответ на четко поставленный вопрос о количественном описании развития человечества в целом. Решив задачу о росте, можно не только описать ряд характеристик человечества, но и перейти к рассмотрению механизмов развития, рассматривая его как демографическую систему. Исходя из этого возможно сделать обоснованную попытку предвидения нашего развития в будущем.
1.4 Демографический взрыв и переход
Динамику роста мы каждодневно видим по числу детей в семье и жителей города или деревни, в которых живем. Нам напоминают о населении страны и мира, где каждую секунду рождаются 21 и умирают 18 человек. Так ежедневно население Земли растет на 250 тыс. человек, и этот прирост практически весь приходится на развивающиеся страны. До последнего времени темп роста все увеличивался, и в настоящее время настолько велик (приближаясь к 90 млн в год), что его стали характеризовать как демографический взрыв, способный потрясти планету. Неустанно увеличивающееся население мира требует все больше пищи и энергии, минеральных ресурсов, что вызывает возрастающее давление на биосферу планеты [107,118].
Образ все более быстрого и безудержного роста, если его наивно экстраполировать в будущее, приводит к тревожным прогнозам и даже апокалипсическим сценариям для глобального будущего человечества [67]. Поэтому очень существенно найти и исследовать общие закономерности роста населения планеты и на этой основе дать оценку тенденций развития. Следует также понять, что определить развитие в предвидимом будущем – то, что представляет наибольший интерес, – возможно только в случае, если мы сможем описать и прошлое человечества. Однако этому в демографии уделяют мало внимания, полагая, что о прошлом все известно по переписям населения.

Рис 1.1 Население мира от 2000 г. до Р.Х. до 3000 г. [59]
1 – мировое население, 2 – режим с обострением, 3 – демографический переход, 4 – стабилизация населения, 5 – древний мир, 6 – средние века, 7 – новая и 8 – новейшая история, стрелка указывает на период чумы – «Черная смерть», кружок – настоящее время, двухсторонняя стрелка – разброс оценок численности населения мира при Р.Х. Предел населения Noo=12-13 млрд.
В настоящее время наиболее существенно то, что человечество переживает демографический переход [51, 73].
Это явление состоит в резком увеличении скорости роста популяции, сменяющемся затем столь же стремительным ее падением, после чего население стабилизируется в своей численности. Этот переход уже пройден, так называемыми развитыми странами, и теперь подобный процесс происходит в развивающихся странах. Демографический переход сопровождается ростом производительных сил и перемещением значительных масс населения из сел в города. По завершении перехода наступает также значительное изменение возрастного состава населения. Таким образом население мира за 1998 г. выросло на 1,5%, при абсолютном приросте около 88 млн. Если относительный рост снижается от максимального значения 2,1%, достигнутым в 60-х годах, то абсолютный рост проходит через максимальное значение около 90 млн в год и в начале следующего века произойдет резкий спад, ведущий к нулевому росту и к последующей стабилизации населения мира (см. также рис. 7.2 и П.2).

Рост населения по регионам от 400 г. до н.э. до 1800 г.
1 – Юго-Восточная Азия, 2 – Индия, 3 – Китай, 4 – остальная Азия, 5 – Африка, 6 – Европа (без СССР), 7 – СССР, 8 – весь мир
В современном взаимосвязанном мире переход завершится меньше чем через 100 лет и произойдет гораздо быстрее, чем в Европе, где аналогичный процесс начался в середине XVIII~в. Демографический переход – фундаментальное явление в развитии человечества, затрагивающее все стороны нашего бытия. Поэтому его нельзя понять лишь на основе современных данных или локальных процессов. Только расширив поле поиска и анализа, мы сможем охватить сущность происходящего, не ограничиваясь исключительно демографическими аспектами этой глобальной проблемы.
Обращаясь к демографическим данным, автор приводит их, как правило, в оригинальном виде (рис 1.1 и 1.2). Это поможет понять происхождение, достоверность и даже точность данных, даст возможность непосредственно в представлениях демографии увидеть проявления закономерностей, возникающих при обосновании модели и интерпретации теории. Следует иметь в виду, что точность данных для населения, даже в настоящее время, оценивается в 3-5%. Так население Земли в 1999 г., составляющее 6 млрд, известно в пределах 200-300 млн, т.е. с точностью до населения США, которое составляет 280 млн.
Как представления теории роста, так и фактические данные только приближенно описывают действительность. Эта степень приближения должна корректно учитываться при сопоставлении с расчетами. В равной мере не следует искать в глобальных данных прямого отражения локальных явлений и переходных процессов. Поэтому при сравнении результатов расчетов у нас еще будет повод для подробного обсуждения вопроса о точности и репрезентативности данных демографии.
Значение такого подхода состоит и в том, что в настоящее время человечество вступило в критическую эпоху своего развития, когда за считанные десятилетия происходит резкое изменение темпов роста, а затем и возрастного состава населения мира. При этом коренным образом меняется парадигма развития человечества – изменение, которого прежде не бывало. Этот грандиозный по своим масштабам цивилизационный переворот определяет многое из того, что сейчас происходит. Значимость перемен и их глобальный характер заставляют искать новые, более общие по своему охвату, способы описания этого перехода, всей эпохи мировой демографической революции.
Для описания и изучения явления такого глобального масштаба следует искать адекватные общие методы, в том числе методы, развитые в естественных науках, отсеивая при этом локальные и второстепенные факторы. Так, при суммировании населения всех регионов мира образуется гораздо более гладкий рост, чем для каждого региона в отдельности. На этой основе уже можно выяснить, как развитое нами рассмотрение сопоставляются с традиционными демографическими исследованиями. Для этого остановимся на некоторых основных представлениях и методах современной демографии.
1.5 Методы демографии
Некоторые демографию определяют как вспомогательную общественную науку о закономерностях воспроизводства населения в общественно-исторической обусловленности этого процесса. Правда, в статье о месте демографии среди общественных наук Бродель справедливо замечает, что все общественные науки являются вспомогательными для главного – всестороннего описания состояния и развития человечества [90]. Но из всех наук об обществе именно демография более всего имеет дело с числами, с количественным описанием населения. Демография представляет нам конкретные данные о числе людей, их распределении по возрасту и полу, статистике рождений и смертей, миграции населения во всех странах. Для расчета роста населения в демографии развиты мощные численные методы, позволяющие в линейном приближении экстраполировать рост на одно – максимум два поколения вперед. При этом мир разбивается на регионы и страны, следующие определенным сценариям роста. На основе таких расчетов, проведенных ООН, можно выяснить, например, что к 2025 г. в Буркина-Фасо (Верхняя Вольта) будет жить 37000 мужчин старше 80 лет [70]. В 10-й главе нами обсуждены результаты расчетов, а на рис. 10.2 показана реакция роста населения на события истории СССР и России.
Интересную разработку долговременного прогноза населения Земли и ее основных регионов, основанную на различных сценариях развития, предпринял А.В. Акимов, используя комплексный демографический подход [71]. Однако даже при столь детальном подходе такими методами трудно описать развитие человечества за сколько-нибудь длительный срок и на большой территории. Из-за деревьев демографических данных, сведений, доведенных чуть ли не до уровня отдельного человека, не видно леса, панорамы всех людей, населяющих нашу планету.
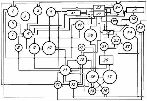
Для обсуждения структуры демографической системы поучительно обратиться к диаграмме, представляющей связи между факторами, от которых зависит рост населения, и их сложную подчиненность и взаимозависимость (рис.1.3).

Рис 1.3 Связи факторов, определяющих рост популяции
1–здравоохранение, 2–длительность жизни, 3–плодовитость, 4–детская смертность, 5–детоубийство, 6–рождаемость, 7–стерильность, 8–брачность, 9–пренатальный контроль рождаемости, 10–оптимальное детское жизненное пространство, 11–женская занятость, 12–групповая мобильность, 13–размер группы, 14–стандарт жизни, 15–социокультурная система и образование, 16–производящая технология, 17–продуктивность, 18–ресурсы, 19–диета, 20–потенциальный максимум популяции, 21–миграция, 22–территория, 23–плотность населения, 24–профессиональная смертность, 25–милитаризм, 26–популяция, 27–материнская смертность, 28–война, 29–болезни и эпидемии, 30–убийство стариков, 31–дорепродуктивная численность, 32–мужчины и 33–женщины репродуктивного возраста, 34–естественная смертность, 35–пострепродуктивная численность
Развитие подобного подхода при построении модели уже для количественных расчетов привело к схеме, показанной на рис. 1.4. На этой сетевой диаграмме введены коэффициенты, описывающие связи между разными факторами, определяющими результирующий рост населения. Коэффициенты определены на основании обследования 216 регионов 51 развивающейся страны [78]. Однако трудно представить, что, введя все эти усредненные параметры в компьютер, можно с достаточной достоверностью предсказать воспроизводство населения. Вопрос не только в репрезентативности – точность данных не может соответствовать трехзначным цифрам, подразумевающим погрешность не более 1%! Не ставится вопрос ни о шуме, ни об устойчивости и сходимости таких расчетов. Даже в линейном приближении коэффициенты должны быть представлены в виде интегро-дифференциальных операторов, учитывающих влияние скорости и инерции – последействия и запаздывания в связях.
Первоначально к подобным методам обращались при исследовании динамики механических систем, таких как самолет, полет ракеты в автоматическом режиме или открытые системы химического производства [154]. Опыт показывает, что даже в этих случаях требуются весьма подробные экспериментальные исследования для определения параметров модели и тонкие расчеты, для того чтобы получить результаты, полезные на деле. Но такие системы и по числу параметров, определяющих их поведение, и по сложности процессов и связей представляются элементарными по сравнению с демографической системой.

рис 1.4 Сетевая схема, призванная описать факторы, влияющие на рождаемость и рост населения.
СКР – суммарный коэффициент рождаемости, WNM – нежелание иметь детей
В случае человечества оказывается трудным, а по существу, невозможным, дать подходящее описание роста путем сведения поведения сложной системы к процессам, происходящим на более элементарном уровне. И уже совершенно невозможно описание нестационарного глобального демографического перехода в рамках редукционистской программы, при последовательном восхождении от элементарного уровня к более сложному. Первоначально такой подход для глобальной динамики был предложен Форрестером [105], а затем развит Медоузом в первом докладе Римского клуба "Пределы роста" [104] См. п. 9.3.
Основную пользу сетевых диаграмм следует видеть в наглядном представлении сложности объекта. Диаграмма также может помочь при обсуждении свойств системы, при выделении главных факторов и выяснении их взаимного подчинения. Так выясняется, что основными факторами, определяющими число детей, оказываются желание женщины и ее образовательный ценз, что, впрочем, представляется понятным и вне контекста схемы. Крайне мало вероятно, что уточнение и дальнейшее развитие такого подхода может привести к модели, описывающей все человечество во все времена.
Это происходит и потому, что такие понятия, как рождаемость и смертность, далеко не элементарны, а на феноменологическом уровене обобщают в вероятностных и статистических показателях множество факторов. Наконец, в сложной системе все связи и взаимодействия большей частью нелинейны и не допускают суммирования и тем самым введения линейных причинно-следственных связей, т.е. непосредственного перехода от частного к общему. Поэтому следует отказаться от описания частностей в поведении демографической системы и перейти на следующий уровень агрегации. Для этого надо принципиально изменить точку зрения и методы исследования.
1.6 Сложность системы и уровень агрегации данных
Альтернативой может быть только последовательно системный метод, когда все население Земли рассматривается как эволюционирующая и самоорганизующаяся система, существенно нелинейная в своем поведении [1,2,9]. Эта концепция и лежит в основе математической модели, которая с таких позиций охватывает развитие уже всего человечества. Иными словами, для осуществления такой программы необходим переход на следующий уровень интеграции по сравнению с тем, что принят в демографии при описании отдельных стран и регионов.
Если сведения о демографии Индии или Китая уже суммируют данные по 1/6 или 1/5 всего мира и переход к населению всей Земли – это относительно небольшой шаг в степени агрегации, то большие концептуальные трудности представляет существенное расширение временных рамок исследования. При этом придется отойти от привычного для каждого из нас и для демографии масштаба поколения, самой длительности нашей жизни, и перейти к гораздо более широким временным рамкам исследования. Однако, если учитывать неpавномеpность течения исторического времени, этот переход не так велик, как это может показаться с первого взгляда. Оказывается, что прошлое к нам гораздо ближе, чем это представляется при равномерном течении исторического времени.
Таким образом, следующая ступень обобщения связана с тем, что главным параметром, определяющим состояние человечества, становится полная численность его населения. Ее статистический смысл очевиден, однако при этом оказывается возможным в первом приближении не учитывать не только возрастной состав населения, но и его расселение по Земле и концентрацию в городах, а также ресурсы, обеспечивающие рост. Эти упрощения могут показаться столь большими, что решение задачи никак не будет отвечать реальному положению вещей.
Действительно, сама возможность такой постановки задачи далеко не очевидна, поэтому следует в первую очередь выяснить, в какой мере понятие системы применимо к населению Земли в целом и обладает ли процесс роста исторически закономерным и статистически предсказуемым характером. Тем не менее полученные результаты имеют четкий смысл и открывают путь к количественному исследованию развития человечества как системы. В итоге рост населения следует считать основной глобальной проблемой человечества, за которой уже следуют остальные, в том числе антропогенные изменения окружающей среды и возможное исчерпание ресурсов.
В росте численности населения мира мы будем видеть выражение и меру развития, развития во всех измерениях. Этому в демографии, истории и экономике препятствовала традиция специализированного видения и отсутствие должного комплексного подхода к проблеме. На подобную тенденцию многих современных исследований было справедливо обращено внимание в "Отчете независимой комиссии по населению и развитию": "При усиливающейся фрагментации знаний и экспертных заключений, в сочетании с углубленной специализацией профессионалов, все это препятствовало установлению связи между факторами роста населения и развития" [123].
Преодолению этой разобщенности в значительной мере и посвящена настоящая работа.








